ΠΠΎΠΌΠΈΠΊ Π΄Π»Ρ ΠΊΠΎΡΠΊΠΈ ΡΠ²ΠΎΠΈΠΌΠΈ ΡΡΠΊΠ°ΠΌΠΈ ΡΠ΅ΡΡΠ΅ΠΆΠΈ: ΡΠ΅ΡΡΠ΅ΠΆΠΈ Ρ ΡΠ°Π·ΠΌΠ΅ΡΠ°ΠΌΠΈ ΠΈ ΠΏΠΎΡΠ°Π³ΠΎΠ²Π°Ρ ΠΈΠ½ΡΡΡΡΠΊΡΠΈΡ
ΡΠ΅ΡΡΠ΅ΠΆΠΈ Ρ ΡΠ°Π·ΠΌΠ΅ΡΠ°ΠΌΠΈ ΠΈ ΠΏΠΎΡΠ°Π³ΠΎΠ²Π°Ρ ΠΈΠ½ΡΡΡΡΠΊΡΠΈΡ
Π§ΡΠΎΠ±Ρ ΡΠΎΠ±ΡΡΠ²Π΅Π½Π½ΠΎΡΡΡΠ½ΠΎ ΡΠ΄Π΅Π»Π°ΡΡ ΠΊΠΎΡΠ°ΡΠΈΠΉ Π΄ΠΎΠΌΠΈΠΊ, Π½Π΅ Π½ΡΠΆΠ½ΠΎ ΠΌΠ½ΠΎΠ³ΠΎ Π²ΡΠ΅ΠΌΠ΅Π½ΠΈ, Π° Π΄ΠΎΡΠΎΠ³ΠΎΡΡΠΎΡΡΠΈΠ΅ ΠΌΠ°ΡΠ΅ΡΠΈΠ°Π»Ρ ΠΏΠΎΠ½Π°Π΄ΠΎΠ±ΡΡΡΡ, ΡΠΎΠ»ΡΠΊΠΎ Π΅ΡΠ»ΠΈ ΠΌΠ°ΡΡΠ΅Ρ ΠΏΠ»Π°Π½ΠΈΡΡΠ΅Ρ ΡΠΊΠΎΠ½ΡΡΡΡΠΈΡΠΎΠ²Π°ΡΡ ΡΡΠΎ-ΡΠΎ ΡΠ½ΠΈΠΊΠ°Π»ΡΠ½ΠΎΠ΅.
ΠΠ»Ρ ΠΈΠ·Π³ΠΎΡΠΎΠ²Π»Π΅Π½ΠΈΡ ΠΊΠ°ΡΠΊΠ°ΡΠ° Π΄ΠΎΡΡΠ°ΡΠΎΡΠ½ΠΎ ΠΏΠΎΠ΄Π³ΠΎΡΠΎΠ²ΠΈΡΡ ΠΊΠ°ΡΡΠΎΠ½, ΠΊΠ»Π΅ΠΉ ΠΈ ΠΎΡΡΡΡΠΉ Π½ΠΎΠΆ, Π° ΠΎΠΊΠ»Π΅ΠΉΠΊΡ ΠΌΠΎΠΆΠ½ΠΎ ΡΠ΄Π΅Π»Π°ΡΡ ΠΈΠ· ΠΎΡΡΠ°ΡΠΊΠΎΠ² ΡΡΠ°ΡΠΎΠΉ ΠΎΠ΄Π΅ΠΆΠ΄Ρ. Π’Π°ΠΊΠΎΠΉ ΠΏΡΠΎΠ΅ΠΊΡ Π±ΡΠ΄ΠΆΠ΅ΡΠ½ΠΎΠ³ΠΎ Π΄ΠΎΠΌΠ° Π΄Π»Ρ ΠΊΠΎΡΠΊΠΈ ΡΠ²ΠΎΠΈΠΌΠΈ ΡΡΠΊΠ°ΠΌΠΈ ΡΠΏΠΎΡΠΎΠ±Π½Ρ ΡΠ΅Π°Π»ΠΈΠ·ΠΎΠ²Π°ΡΡ Π²ΡΠ΅ Π²Π»Π°Π΄Π΅Π»ΡΡΡ β ΠΏΠΈΡΠΎΠΌΡΡ Π±ΡΠ΄ΡΡ ΠΎΡΠ΅Π½Ρ ΡΠ°Π΄Ρ ΠΎΠ±Π·Π°Π²Π΅ΡΡΠΈΡΡ ΡΠ΄ΠΎΠ±Π½ΠΎΠΉ ΠΈ ΠΏΡΠ°ΠΊΡΠΈΡΠ½ΠΎΠΉ Β«Π½Π΅Π΄Π²ΠΈΠΆΠΈΠΌΠΎΡΡΡΡΒ».
ΠΠ»Ρ ΡΠ΅Π³ΠΎ Π½ΡΠΆΠ΅Π½ Π΄ΠΎΠΌΠΈΠΊ
ΠΡΠΈΡΠΎΠ΄Π½ΡΠ΅ Π½Π°ΠΊΠ»ΠΎΠ½Π½ΠΎΡΡΠΈ ΠΊΠΎΡΠΎΠ² Π΄ΠΈΠΊΡΡΡΡ ΠΈΠΌ Π»ΠΈΠ½ΠΈΡ ΠΏΠΎΠ²Π΅Π΄Π΅Π½ΠΈΡ Π½Π΅Π·Π°Π²ΠΈΡΠΈΠΌΠΎ ΠΎΡ ΡΠΎΠ³ΠΎ, ΠΊ ΠΊΠ°ΠΊΠΎΠΉ ΠΏΠΎΡΠΎΠ΄Π΅ ΠΏΡΠΈΠ½Π°Π΄Π»Π΅ΠΆΠΈΡ ΠΏΠΈΡΠΎΠΌΠ΅Ρ. ΠΠ°ΠΆΠ΅ Π΅ΡΠ»ΠΈ Π² ΠΊΠ²Π°ΡΡΠΈΡΠ΅ ΡΠΎΠ·Π΄Π°Π½Ρ ΡΠ°ΠΌΡΠ΅ ΠΊΠΎΠΌΡΠΎΡΡΠ½ΡΠ΅ ΡΡΠ»ΠΎΠ²ΠΈΡ ΠΏΡΠΎΠΆΠΈΠ²Π°Π½ΠΈΡ Π΄Π»Ρ ΠΆΠΈΠ²ΠΎΡΠ½ΠΎΠ³ΠΎ, ΠΊΠΎΡΠΊΠ° Π²ΡΠ΅ ΡΠ°Π²Π½ΠΎ Π±ΡΠ΄Π΅Ρ ΠΈΡΠΊΠ°ΡΡ Π±Π΅Π·ΠΎΠΏΠ°ΡΠ½ΠΎΠ΅ ΠΌΠ΅ΡΡΠΎ Π΄Π»Ρ ΡΠΎΠ³ΠΎ, ΡΡΠΎΠ±Ρ ΠΎΡΠ΄ΠΎΡ Π½ΡΡΡ, ΡΡΠΏΠΎΠΊΠΎΠΈΡΡΡΡ, ΡΡΡΡΠΎΠΈΡΡ Π·Π°ΡΠ°Π΄Ρ ΠΈΠ»ΠΈ ΡΠΎΠ³ΡΠ΅ΡΡΡΡ (ΡΠ΅ΠΌΠΏΠ΅ΡΠ°ΡΡΡΠ° ΡΠ΅Π»Π° Ρ Π½ΠΈΡ Π²ΡΡΠ΅, ΡΠ΅ΠΌ Ρ ΡΠ΅Π»ΠΎΠ²Π΅ΠΊΠ°).
ΠΠ°ΠΆΠ½ΠΎ! ΠΡΠ»ΠΈ ΠΊΠΎΡΠΊΠ° ΡΠΏΡΡΡΠ°Π»Π°ΡΡ Π² Π΄ΠΎΠΌΠΈΠΊΠ΅, Π½Π΅ Π½ΡΠΆΠ½ΠΎ Π΅Π΅ ΠΎΡΡΡΠ΄Π° Π²ΡΠ³ΠΎΠ½ΡΡΡ.
ΠΠ°ΠΊ ΡΠΎΠ»ΡΠΊΠΎ ΠΏΠΈΡΠΎΠΌΠ΅Ρ ΠΎΡΠ΄ΠΎΡ Π½Π΅Ρ ΠΈΠ»ΠΈ ΡΡΠΏΠΎΠΊΠΎΠΈΡΡΡ, ΠΎΠ½ ΡΠ°ΠΌΠΎΡΡΠΎΡΡΠ΅Π»ΡΠ½ΠΎ Π²Π΅ΡΠ½Π΅ΡΡΡ ΠΊ Π»ΡΠ΄ΡΠΌ. Π ΠΏΡΠΎΡΠΈΠ²Π½ΠΎΠΌ ΡΠ»ΡΡΠ°Π΅ ΠΆΠΈΠ²ΠΎΡΠ½ΠΎΠ΅ ΠΏΠ΅ΡΠ΅ΡΡΠ°Π½Π΅Ρ Π²ΠΎΡΠΏΡΠΈΠ½ΠΈΠΌΠ°ΡΡ Π΄ΠΎΠΌΠΈΠΊ ΠΊΠ°ΠΊ Π±Π΅Π·ΠΎΠΏΠ°ΡΠ½ΠΎΠ΅ Π΄Π»Ρ Π½Π΅Π³ΠΎ ΠΌΠ΅ΡΡΠΎ.
ΠΠΎΠ½ΡΡΡΡΠΊΡΠΈΠ²Π½ΡΠ΅ ΡΠ»Π΅ΠΌΠ΅Π½ΡΡ ΠΈ ΠΈΡ ΡΠ°ΡΠΏΠΎΠ»ΠΎΠΆΠ΅Π½ΠΈΠ΅
Π§ΡΠΎΠ±Ρ ΡΠ²ΠΎΠΈΠΌΠΈ ΡΡΠΊΠ°ΠΌΠΈ ΡΠ°Π·ΡΠ°Π±ΠΎΡΠ°ΡΡ ΠΊΠΎΠ½ΡΡΡΡΠΊΡΠΈΡ Π΄ΠΎΠΌΠΈΠΊΠ° Π΄Π»Ρ ΠΊΠΎΡΠΊΠΈ, ΠΏΡΠΈΠ΄Π΅ΡΡΡ Π·Π°Π½ΡΡΡΡΡ ΡΠ΅ΡΡΠ΅ΠΆΠ°ΠΌΠΈ, ΡΡ Π΅ΠΌΠ°ΠΌΠΈ ΠΈ ΡΡΠΊΠΈΠ·Π°ΠΌΠΈ.
- ΠΠ»Ρ Π½Π°ΡΠ°Π»Π° ΡΠ»Π΅Π΄ΡΠ΅Ρ ΠΎΠΏΡΠ΅Π΄Π΅Π»ΠΈΡΡΡΡ Ρ ΡΠ°Π·ΠΌΠ΅ΡΠ°ΠΌΠΈ ΠΈ ΠΏΡΠΎΡΡΡΠ°Π½ΡΡΠ²ΠΎΠΌ. ΠΠΎΠΌΠΈΠΊ ΠΆΠ΅Π»Π°ΡΠ΅Π»ΡΠ½ΠΎ ΡΠ°ΡΠΏΠΎΠ»ΠΎΠΆΠΈΡΡ ΡΠ°ΠΌ, Π³Π΄Π΅ Π½Π΅ Π±ΡΠ΄Π΅Ρ ΡΠΊΠ²ΠΎΠ·Π½ΡΠΊΠ°, ΡΠ°ΠΊ ΠΊΠ°ΠΊ ΠΊΠΎΡΠΊΠΈ β ΡΠ΅ΠΏΠ»ΠΎΠ»ΡΠ±ΠΈΠ²ΡΠ΅ ΠΆΠΈΠ²ΠΎΡΠ½ΡΠ΅.
- ΠΠ΅Π±ΠΎΠ»ΡΡΠΎΠΉ Π΄ΠΎΠΌΠΈΠΊ Π΄Π»Ρ ΠΊΠΎΡΠΊΠΈ ΠΌΠΎΠΆΠ½ΠΎ Π»Π΅Π³ΠΊΠΎ ΠΏΠ΅ΡΠ΅ΠΌΠ΅ΡΠ°ΡΡ Ρ ΠΌΠ΅ΡΡΠ° Π½Π° ΠΌΠ΅ΡΡΠΎ, Π½ΠΎ Π»ΡΡΡΠ΅ ΠΏΠΎΠ΄ΠΎΠ±ΡΠ°ΡΡ Π΄Π»Ρ Π½Π΅Π³ΠΎ ΠΏΠΎΡΡΠΎΡΠ½Π½ΡΡ Π΄ΠΈΡΠ»ΠΎΠΊΠ°ΡΠΈΡ β ΠΏΠΈΡΠΎΠΌΠ΅Ρ ΠΏΡΠΈΠ²ΡΠΊΠ°Π΅Ρ ΠΊ Π½Π΅ΠΉ ΠΈ Π²ΡΠ΅Π³Π΄Π° Π·Π½Π°Π΅Ρ, Π³Π΄Π΅ Π½Π°ΠΉΡΠΈ ΡΠ±Π΅ΠΆΠΈΡΠ΅.
- Π‘Π»Π΅Π΄ΡΠ΅Ρ ΠΎΡΠ΄Π°Π²Π°ΡΡ ΠΏΡΠ΅Π΄ΠΏΠΎΡΡΠ΅Π½ΠΈΠ΅ ΡΠΊΠΎΠ»ΠΎΠ³ΠΈΡΠ΅ΡΠΊΠΈ ΡΠΈΡΡΡΠΌ ΠΈ Π±Π΅Π·ΠΎΠΏΠ°ΡΠ½ΡΠΌ ΠΌΠ°ΡΠ΅ΡΠΈΠ°Π»Π°ΠΌ. ΠΠ΅ ΡΠ΅ΠΊΠΎΠΌΠ΅Π½Π΄ΡΠ΅ΡΡΡ ΠΈΡΠΏΠΎΠ»ΡΠ·ΠΎΠ²Π°ΡΡ Π΄Π΅ΡΠ΅Π²ΡΠ½Π½ΡΠ΅ Π΄Π΅ΡΠ°Π»ΠΈ Ρ Ρ ΠΈΠΌΠΈΡΠ΅ΡΠΊΠΎΠΉ ΠΏΡΠΎΠΏΠΈΡΠΊΠΎΠΉ ΠΈΠ»ΠΈ ΡΠΈΠ½ΡΠ΅ΡΠΈΡΠ΅ΡΠΊΠΈΠ΅ ΡΠΊΠ°Π½ΠΈ. ΠΠ½ΠΈ Π½Π΅ ΠΏΡΠΎΠΏΡΡΠΊΠ°ΡΡ Π²ΠΎΠ·Π΄ΡΡ , Π½ΠΎ Π΄Π°ΡΡ ΠΎΡΠ»ΠΈΡΠ½ΡΡ ΠΏΠΎΡΠ²Ρ Π΄Π»Ρ ΡΠ°Π·ΠΌΠ½ΠΎΠΆΠ΅Π½ΠΈΡ Π²ΡΠ΅Π²ΠΎΠ·ΠΌΠΎΠΆΠ½ΡΡ ΠΊΠΎΠΆΠ½ΡΡ ΠΏΠ°ΡΠ°Π·ΠΈΡΠΎΠ².
- ΠΠ΅ΠΎΠ±Ρ
ΠΎΠ΄ΠΈΠΌΠΎ ΡΡΠ°ΡΠ΅Π»ΡΠ½ΠΎ Π·Π°ΠΊΡΡΠ²Π°ΡΡ Π²ΡΠ΅ ΠΌΠ΅ΡΡΠ° ΠΊΡΠ΅ΠΏΠ»Π΅Π½ΠΈΠΉ, ΡΡΠΎΠ±Ρ ΠΌΠ΅ΡΠ°Π»Π»ΠΈΡΠ΅ΡΠΊΠΈΠ΅ ΡΠΎΠ΅Π΄ΠΈΠ½Π΅Π½ΠΈΡ ΠΈ ΡΠ°ΠΌΠΎΡΠ΅Π·Ρ Π½Π΅ Π²ΡΡΡΡΠΏΠ°Π»ΠΈ ΠΈΠ·-ΠΏΠΎΠ΄ ΡΠΊΠ°Π½Π΅Π²ΠΎΠΉ ΠΎΠΊΠ»Π΅ΠΉΠΊΠΈ.
ΠΠ° ΠΊΠ°ΡΡΠΎΠ½Π½ΡΠ΅ ΠΈ ΠΌΡΠ³ΠΊΠΈΠ΅ ΠΏΠΎΡΠΎΠ»ΠΎΠ½ΠΎΠ²ΡΠ΅ Π΄ΠΎΠΌΠΈΠΊΠΈ ΡΡΠΎ Π½Π΅ ΡΠ°ΡΠΏΡΠΎΡΡΡΠ°Π½ΡΠ΅ΡΡΡ, Π° Ρ Π΄Π΅ΡΠ΅Π²ΡΠ½Π½ΡΠΌΠΈ ΠΊΠΎΠ½ΡΡΡΡΠΊΡΠΈΡΠΌΠΈ ΠΏΡΠΈΠ΄Π΅ΡΡΡ ΠΏΠΎΠ²ΠΎΠ·ΠΈΡΡΡΡ.
ΠΠ»Ρ ΡΠΎΠ³ΠΎ ΡΡΠΎΠ±Ρ ΡΠ΄Π΅Π»Π°ΡΡ ΡΠ²ΠΎΠΈΠΌΠΈ ΡΡΠΊΠ°ΠΌΠΈ Π΄ΠΎΠΌΠΈΠΊ Π΄Π»Ρ ΠΊΠΎΡΠ°, ΠΌΠ°ΡΡΠ΅ΡΡ ΡΠ»Π΅Π΄ΡΠ΅Ρ ΠΎΡΠ΅Π½ΠΈΡΡ ΠΈΠ½ΡΡΡΡΠΌΠ΅Π½ΡΠ°Π»ΡΠ½ΡΠ΅ Π²ΠΎΠ·ΠΌΠΎΠΆΠ½ΠΎΡΡΠΈ. ΠΡΠ»ΠΈ Π² ΡΠ°ΡΠΏΠΎΡΡΠΆΠ΅Π½ΠΈΠΈ Π΅ΡΡΡ ΡΠ»Π΅ΠΊΡΡΠΎΠΎΠ±ΠΎΡΡΠ΄ΠΎΠ²Π°Π½ΠΈΠ΅ (Π»ΠΎΠ±Π·ΠΈΠΊ, Π΄ΡΠ΅Π»Ρ, ΡΡΠ΅Π·Π΅Ρ), ΡΠΎ ΡΠ°ΡΠ΅ Π²ΡΠ΅Π³ΠΎ ΠΏΡΠΈΠ½ΠΈΠΌΠ°ΡΡ ΡΠ΅ΡΠ΅Π½ΠΈΠ΅ ΠΎ ΡΠΎΠ·Π΄Π°Π½ΠΈΠΈ Π΄Π΅ΡΠ΅Π²ΡΠ½Π½ΠΎΠΉ ΠΊΠΎΠ½ΡΡΡΡΠΊΡΠΈΠΈ ΠΈΠ»ΠΈ ΡΠ΅Π»ΠΎΠ³ΠΎ ΠΈΠ³ΡΠΎΠ²ΠΎΠ³ΠΎ ΠΊΠΎΠΌΠΏΠ»Π΅ΠΊΡΠ°.
ΠΠ°Π»ΠΈΡΠΈΠ΅ ΡΠ²Π΅ΠΉΠ½ΠΎΠΉ ΠΌΠ°ΡΠΈΠ½ΠΊΠΈ ΡΡΠ°Π·Ρ Π½Π°Π²ΠΎΠ΄ΠΈΡ Π½Π° ΠΌΡΡΠ»Ρ ΠΎΠ± ΠΈΠ·Π³ΠΎΡΠΎΠ²Π»Π΅Π½ΠΈΠΈ ΠΌΡΠ³ΠΊΠΎΠ³ΠΎ Π΄ΠΎΠΌΠΈΠΊΠ° ΠΈΠ· ΡΠΊΠ°Π½ΠΈ ΠΈ ΠΏΠΎΡΠΎΠ»ΠΎΠ½Π°. ΠΡ Π° Π΄Π»Ρ Π²ΡΠ΅Ρ ΠΎΡΡΠ°Π»ΡΠ½ΡΡ ΠΎΡΡΠ°ΡΡΡΡ ΠΊΠ°ΡΡΠΎΠ½, Π½ΠΎΠΆΠ½ΠΈΡΡ ΠΈ ΠΊΠ»Π΅ΠΉ β ΡΠΎΠΆΠ΅ ΠΈΠ½ΡΠ΅ΡΠ΅ΡΠ½ΡΠΉ Π²Π°ΡΠΈΠ°Π½Ρ Π±ΡΠ΄ΠΆΠ΅ΡΠ½ΠΎΠ³ΠΎ ΠΆΠΈΠ»ΠΈΡΠ° Π΄Π»Ρ Π»ΡΠ±ΠΈΠΌΠΎΠ³ΠΎ ΠΏΠΈΡΠΎΠΌΡΠ°.
ΠΠ½ΡΡΡΡΠΌΠ΅Π½ΡΡ ΠΈ ΠΌΠ°ΡΠ΅ΡΠΈΠ°Π»Ρ Π΄Π»Ρ ΡΠ°Π±ΠΎΡΡ
ΠΠ΅ΡΠ΅Π²ΡΠ½Π½ΡΠΉ Π΄ΠΎΠΌΠΈΠΊ Π΄Π»Ρ ΠΊΠΎΡΠΊΠΈ β ΡΠ°ΠΌΡΠΉ ΡΠ»ΠΎΠΆΠ½ΡΠΉ ΠΈ ΡΡΡΠ΄ΠΎΠ΅ΠΌΠΊΠΈΠΉ, Π½ΠΎ ΠΎΡΠ΅Π½Ρ ΠΏΡΠ°ΠΊΡΠΈΡΠ½ΡΠΉ ΠΈ Π΄ΠΎΠ»Π³ΠΎΠ²Π΅ΡΠ½ΡΠΉ. ΠΠ»Ρ Π΅Π³ΠΎ ΠΈΠ·Π³ΠΎΡΠΎΠ²Π»Π΅Π½ΠΈΡ ΠΏΠΎΠ½Π°Π΄ΠΎΠ±ΠΈΡΡΡ ΠΎΠ±ΡΡΠ½Π°Ρ ΠΏΠΈΠ»Π°, ΡΡΡΡΠΏΡ ΠΈ ΠΎΡΠ²Π΅ΡΡΠΊΠ°.
ΠΠΎ Π»ΡΡΡΠ΅, Π΅ΡΠ»ΠΈ Π² ΡΠ°ΡΠΏΠΎΡΡΠΆΠ΅Π½ΠΈΠΈ ΠΌΠ°ΡΡΠ΅ΡΠ° ΠΎΠΊΠ°ΠΆΠ΅ΡΡΡ Π΄ΡΡΠ³ΠΎΠΉ, Π±ΠΎΠ»Π΅Π΅ ΡΠ½ΠΈΠ²Π΅ΡΡΠ°Π»ΡΠ½ΡΠΉ Π½Π°Π±ΠΎΡ ΠΈΠ½ΡΡΡΡΠΌΠ΅Π½ΡΠΎΠ²:
- ΡΠ»Π΅ΠΊΡΡΠΈΡΠ΅ΡΠΊΠΈΠΉ Π»ΠΎΠ±Π·ΠΈΠΊ;
- ΡΡΡΡΠΏΠΎΠ²Π΅ΡΡ ΠΈΠ»ΠΈ Π΄ΡΠ΅Π»Ρ;
- ΠΌΠ΅Π±Π΅Π»ΡΠ½ΡΠΉ ΡΡΠ΅ΠΏΠ»Π΅Ρ ΠΈ ΠΊΡΡΠΏΠ½ΡΠ΅ ΡΠΊΠΎΠ±Ρ;
- ΠΊΠ»Π΅Π΅Π²ΠΎΠΉ ΠΏΠΈΡΡΠΎΠ»Π΅Ρ;
- ΡΠ³Π»ΠΎΠ²ΡΠ΅ ΠΈ ΠΎΠ±ΡΡΠ½ΡΠ΅ ΡΡΡΡΠ±ΡΠΈΠ½Ρ;
- ΡΡΠ»Π΅ΡΠΊΠ° ΠΈ Π½Π°Π±ΠΎΡ Π»ΠΈΠ½Π΅Π΅ΠΊ β ΠΏΡΠΎΡΡΡΡ ΠΈ ΡΠ³Π»ΠΎΠ²ΡΡ ;
- ΠΊΠ°Π½ΡΠ΅Π»ΡΡΡΠΊΠΈΠΉ Π½ΠΎΠΆ ΠΈ Π½ΠΎΠΆΠ½ΠΈΡΡ;
- ΡΠ°ΠΌΠΎΡΠ΅Π·Ρ, ΠΌΠ΅ΡΠ°Π»Π»ΠΈΡΠ΅ΡΠΊΠΈΠ΅ ΡΠ³ΠΎΠ»ΠΊΠΈ, ΡΠΊΠΎΠ±Ρ, ΡΠ½ΠΈΠ²Π΅ΡΡΠ°Π»ΡΠ½ΡΠΉ ΠΊΠ»Π΅ΠΉ Π΄Π»Ρ Π΄Π΅ΡΠ΅Π²Π° ΠΈ ΡΠΊΠ°Π½ΠΈ.

Π‘ΡΠ΅Π½ΠΊΠΈ ΠΈ ΠΊΡΡΡΡ Π΄Π΅Π»Π°ΡΡ ΠΈΠ· ΡΠΎΠ»ΡΡΠΎΠΉ ΡΠ°Π½Π΅ΡΡ ΠΈΠ»ΠΈ ΠΠ‘Π, Π° Π²Π½Π΅ΡΠ½ΡΡ ΠΈ Π²Π½ΡΡΡΠ΅Π½Π½ΡΡ ΠΎΠΊΠ»Π΅ΠΉΠΊΡ ΠΏΡΠΎΠΈΠ·Π²ΠΎΠ΄ΡΡ ΠΊΡΠ΅ΠΏΠΊΠΎΠΉ ΠΌΠ΅Π±Π΅Π»ΡΠ½ΠΎΠΉ ΠΎΠ±ΠΈΠ²ΠΊΠΎΠΉ β ΠΎΠ½Π° ΠΏΠ»ΠΎΡΠ½Π°Ρ, ΠΈΠΌΠ΅Π΅Ρ Π΄Π»ΠΈΡΠ΅Π»ΡΠ½ΡΠΉ ΡΡΠΎΠΊ ΡΠ»ΡΠΆΠ±Ρ ΠΈ Π½Π΅ΠΏΠ»ΠΎΡ ΠΎ ΡΠΎΠΏΡΠΎΡΠΈΠ²Π»ΡΠ΅ΡΡΡ ΠΎΡΡΡΡΠΌ ΠΊΠΎΠ³ΠΎΡΠΊΠ°ΠΌ. Π‘ ΡΠ°ΠΊΠΈΠΌ Π½Π°Π±ΠΎΡΠΎΠΌ Π²ΠΏΠΎΠ»Π½Π΅ Π²ΠΎΠ·ΠΌΠΎΠΆΠ½ΠΎ ΠΏΠΎΡΡΡΠΎΠΈΡΡ Π΄ΠΎΠΌΠΈΠΊ Π΄Π»Ρ ΠΊΠΎΡΠΊΠΈ Π·Π° 1-2 Π΄Π½Ρ.
ΠΠ°ΠΈΠ±ΠΎΠ»Π΅Π΅ Π±ΡΠ΄ΠΆΠ΅ΡΠ½ΡΠΉ Π²Π°ΡΠΈΠ°Π½Ρ Π΄ΠΎΠΌΠΈΠΊΠ° Π΄Π»Ρ ΠΊΠΎΡΠΊΠΈ β ΡΡΠΎ ΡΠΎΠ»ΡΡΡΠΉ ΠΊΠ°ΡΡΠΎΠ½. ΠΠΎΠΆΠ½ΠΎ Π±ΡΠ°ΡΡ ΠΈ Π½ΠΎΠ²ΡΠ΅ Π»ΠΈΡΡΡ, ΠΈ ΠΏΡΠΈΡΠΏΠΎΡΠΎΠ±ΠΈΡΡ Π΄Π»Ρ ΠΏΡΠΎΠ΅ΠΊΡΠ° ΠΎΡΡΠ°Π²ΡΡΡΡΡ ΡΠΏΠ°ΠΊΠΎΠ²ΠΊΡ ΠΎΡ ΠΊΡΡΠΏΠ½ΠΎΠΉ Π±ΡΡΠΎΠ²ΠΎΠΉ ΡΠ΅Ρ Π½ΠΈΠΊΠΈ (Ρ ΠΎΠ»ΠΎΠ΄ΠΈΠ»ΡΠ½ΠΈΠΊΠΎΠ², ΡΠ΅Π»Π΅Π²ΠΈΠ·ΠΎΡΠΎΠ², ΠΊΡΡ ΠΎΠ½Π½ΡΡ ΠΏΠ»ΠΈΡ).
ΠΠΎΡΡΠΈΡΠΎΠ²Π°Π½Π½ΡΠ΅ ΠΊΠΎΡΠΎΠ±ΠΊΠΈ ΠΎΡΠ»ΠΈΡΠ½ΠΎ Π΄Π΅ΡΠΆΠ°Ρ ΡΠΎΡΠΌΡ, Π»Π΅Π³ΠΊΠΎ ΡΠ°Π·ΡΠ΅Π·Π°ΡΡΡΡ ΠΈ ΡΠΊΠ»Π΅ΠΈΠ²Π°ΡΡΡΡ. ΠΠ°Π±ΠΎΡ ΠΏΡΠΈΡΠΏΠΎΡΠΎΠ±Π»Π΅Π½ΠΈΠΉ Π΄Π»Ρ ΡΠ°ΠΊΠΎΠ³ΠΎ Π΄ΠΎΠΌΠΈΠΊΠ°:
- ΠΎΡΡΡΡΠΉ Π½ΠΎΠΆ ΠΈ Π½ΠΎΠΆΠ½ΠΈΡΡ;
- Π»ΠΈΠ½Π΅ΠΉΠΊΠ° ΠΈ ΠΊΠ°ΡΠ°Π½Π΄Π°Ρ;
- ΠΊΠ»Π΅ΠΉ;
- ΠΊΠ°Π½ΡΠ΅Π»ΡΡΡΠΊΠΈΠΉ ΡΡΠ΅ΠΏΠ»Π΅Ρ.
ΠΡΠΊΠΈΠ· ΠΈ ΡΡ Π΅ΠΌΡ Π΄ΠΎΠΌΠΈΠΊΠ° Π΄Π»Ρ ΠΊΠΎΡΠΊΠΈ ΠΌΠΎΠΆΠ½ΠΎ ΡΠΈΡΠΎΠ²Π°ΡΡ ΠΏΡΡΠΌΠΎ Π½Π° ΠΌΠ°ΡΠ΅ΡΠΈΠ°Π»Π΅ ΠΈ ΡΡΠ°Π·Ρ ΠΆΠ΅ Π²ΡΡΠ΅Π·Π°ΡΡ ΠΏΠΎ Π½Π°ΠΌΠ΅ΡΠ΅Π½Π½ΡΠΌ Π»ΠΈΠ½ΠΈΡΠΌ.
Π’ΠΊΠ°Π½Π΅Π²ΠΎ-ΠΏΠΎΡΠΎΠ»ΠΎΠ½ΠΎΠ²ΡΠΉ Π΄ΠΎΠΌΠΈΠΊ. ΠΠ»Ρ Π½Π΅Π³ΠΎ Π½ΡΠΆΠ½ΠΎ ΠΌΠ΅Π½ΡΡΠ΅ Π²ΡΠ΅Π³ΠΎ ΠΈΠ½ΡΡΡΡΠΌΠ΅Π½ΡΠΎΠ², Π° ΠΆΠ΅Π½ΡΠΊΠΈΠ΅ ΡΡΠΊΠΈ ΡΠΏΡΠ°Π²ΡΡΡΡ Ρ ΡΠ°Π±ΠΎΡΠΎΠΉ Π·Π° ΡΡΠΈΡΠ°Π½Π½ΡΠ΅ ΡΠ°ΡΡ. ΠΠΎ ΡΠ²Π΅ΠΉΠ½Π°Ρ ΠΌΠ°ΡΠΈΠ½ΠΊΠ°, ΡΠΏΠΎΡΠΎΠ±Π½Π°Ρ ΠΎΠ±ΡΠ°Π±Π°ΡΡΠ²Π°ΡΡ ΠΊΡΠ°Ρ ΠΈ ΡΠΎΠ΅Π΄ΠΈΠ½ΡΡΡ Π½Π΅ΡΠΊΠΎΠ»ΡΠΊΠΎ ΡΠ»ΠΎΠ΅Π² ΠΏΠ»ΠΎΡΠ½ΠΎΠΉ ΡΠΊΠ°Π½ΠΈ, ΠΏΠΎΡΡΠ΅Π±ΡΠ΅ΡΡΡ ΠΎΠ±ΡΠ·Π°ΡΠ΅Π»ΡΠ½ΠΎ.
Π’ΠΊΠ°Π½Π΅Π²ΡΠ΅ Π΄ΠΎΠΌΠΈΠΊΠΈ ΠΌΠΎΠ³ΡΡ Π±ΡΡΡ ΠΈ ΡΠΎΠ²ΡΠ΅ΠΌ ΠΏΡΠΎΡΡΡΠΌΠΈ, Π±Π΅Π· ΡΠΈΡΠΎΠΊΠΈΡ Π²Π½ΡΡΡΠ΅Π½Π½ΠΈΡ ΡΠ»Π΅ΠΌΠ΅Π½ΡΠΎΠ². ΠΠ»Ρ ΡΡΠΎΠ³ΠΎ Π΄ΠΎΠΏΠΎΠ»Π½ΠΈΡΠ΅Π»ΡΠ½ΠΎ ΠΏΠΎΠ½Π°Π΄ΠΎΠ±ΡΡΡΡ ΡΠΎΠ½ΠΊΠΈΠ΅ Π΄Π΅ΡΠ΅Π²ΡΠ½Π½ΡΠ΅ ΡΠ΅ΠΉΠΊΠΈ, Π° ΠΊΠΎΠ½ΡΡΡΡΠΊΡΠΈΡ Π±ΡΠ΄Π΅Ρ ΠΎΡΠ΅Π½Ρ ΠΏΠΎΡ ΠΎΠΆΠ° Π½Π° ΠΏΠΎΡ ΠΎΠ΄Π½ΡΡ ΠΏΠ°Π»Π°ΡΠΊΡ ΠΈΠ»ΠΈ ΠΈΠ½Π΄Π΅ΠΉΡΠΊΠΈΠΉ Π²ΠΈΠ³Π²Π°ΠΌ. ΠΡΠ³ΠΊΠΈΠΉ Π΄ΠΎΠΌΠΈΠΊ Π΄Π»Ρ ΠΊΠΎΡΠΊΠΈ, ΠΊΠΎΡΠΎΡΡΠΉ ΠΌΠΎΠΆΠ½ΠΎ ΡΠ΄Π΅Π»Π°ΡΡ ΡΠ²ΠΎΠΈΠΌΠΈ ΡΡΠΊΠ°ΠΌΠΈ, ΠΎΠ±ΡΡΠ½ΠΎ ΠΏΠΎΠ»ΡΡΠ°Π΅ΡΡΡ Π°Π²ΡΠΎΡΡΠΊΠΈΠΌ β ΠΊΠ°ΠΆΠ΄ΡΠΉ Π²Π»Π°Π΄Π΅Π»Π΅Ρ ΠΏΡΠΈΠ΄ΡΠΌΡΠ²Π°Π΅Ρ Π΄Π»Ρ ΡΠ²ΠΎΠ΅Π³ΠΎ ΠΏΠΈΡΠΎΠΌΡΠ° ΡΡΠΎ-ΡΠΎ ΠΈΠ½Π΄ΠΈΠ²ΠΈΠ΄ΡΠ°Π»ΡΠ½ΠΎΠ΅.
Π‘ΡΡΠ΅ΡΡΠ²ΡΡΡ ΠΈ ΡΠΎΠ²ΡΠ΅ΠΌ ΡΠΊΠ·ΠΎΡΠΈΡΠ΅ΡΠΊΠΈΠ΅ ΡΠΏΠΎΡΠΎΠ±Ρ ΠΎΠ±ΡΡΡΡΠΎΠΉΡΡΠ²Π° ΠΊΠΎΡΠ°ΡΡΠ΅Π³ΠΎ Π΄ΠΎΠΌΠΈΠΊΠ°. ΠΠ°ΠΏΡΠΈΠΌΠ΅Ρ, ΠΏΠ»Π΅ΡΠ΅Π½ΠΈΠ΅ ΠΈΠ· Π³Π°Π·Π΅ΡΠ½ΡΡ ΡΡΡΠ±ΠΎΡΠ΅ΠΊ. Π ΡΠ΅Π·ΡΠ»ΡΡΠ°ΡΠ΅ ΠΏΠΎΠ»ΡΡΠ°Π΅ΡΡΡ ΠΏΠΎΠ΄ΠΎΠ±ΠΈΠ΅ ΠΊΠΎΡΠ·ΠΈΠ½ΠΊΠΈ ΠΏΡΠΎΠΈΠ·Π²ΠΎΠ»ΡΠ½ΠΎΠΉ ΡΠΎΡΠΌΡ β Π²ΡΠ΅ Π·Π°Π²ΠΈΡΠΈΡ ΠΎΡ ΡΠ°Π½ΡΠ°Π·ΠΈΠΈ ΠΈ ΠΏΠΎΡΡΠ°ΡΠ΅Π½Π½ΠΎΠ³ΠΎ Π²ΡΠ΅ΠΌΠ΅Π½ΠΈ. ΠΠΎ ΠΆΠ΅ΡΡΠΊΠΎΠ΅ Π΄Π½ΠΎ Π² Π΄ΠΎΠΌΠΈΠΊΠ΅ Π²ΡΠ΅ ΡΠ°Π²Π½ΠΎ ΠΏΡΠΈΠ΄Π΅ΡΡΡ ΠΏΡΠΈΠΊΡΡΡΡ ΠΌΡΠ³ΠΊΠΎΠΉ ΠΏΠΎΡΠΎΠ»ΠΎΠ½ΠΎΠ²ΠΎΠΉ ΠΏΠΎΠ΄ΡΡΠΈΠ»ΠΊΠΎΠΉ ΠΈΠ»ΠΈ Π΄ΡΡΠ³ΠΈΠΌ ΠΏΠ»ΠΎΡΠ½ΡΠΌ ΠΌΠ°ΡΡΠ°ΡΠΈΠΊΠΎΠΌ.
ΠΠ½ΠΎΠ³ΠΎΡΡΠ°ΠΆΠ½Π°Ρ ΠΊΠΎΠ½ΡΡΡΡΠΊΡΠΈΡ ΠΈΠ· ΡΠ°Π½Π΅ΡΡ Π΄Π»Ρ ΠΊΠΎΡΠΊΠΈ
Π‘Π»ΠΎΠΆΠ½ΡΠ΅ ΠΏΡΠΎΠ΅ΠΊΡΡ Π»ΡΡΡΠ΅ Π²ΡΠ΅Π³ΠΎ Π΄Π΅Π»Π°ΡΡ ΠΈΠ· Π΄Π΅ΡΠ΅Π²Π°. ΠΡΠΎΡ ΠΌΠ°ΡΠ΅ΡΠΈΠ°Π» ΠΏΠΎΠ·Π²ΠΎΠ»ΡΠ΅Ρ ΡΠ΅Π°Π»ΠΈΠ·ΠΎΠ²Π°ΡΡ Π»ΡΠ±ΠΎΠΉ ΡΡΠΊΠΈΠ· ΠΈ ΡΡΠΎ ΠΎΡΠ΅Π½Ρ Π²Π°ΠΆΠ½ΠΎ, ΠΏΠΎΠ·ΠΆΠ΅ ΠΌΠΎΠΆΠ½ΠΎ Π²Π΅ΡΠ½ΡΡΡΡΡ ΠΊ Π΄ΠΎΡΠ°Π±ΠΎΡΠΊΠ΅ ΠΈ ΡΠ»ΡΡΡΠΈΡΡ ΠΊΠΎΠΌΠΏΠ»Π΅ΠΊΡ, ΠΏΡΠΈΡΡΡΠΎΠΈΠ² ΠΊ Π½Π΅ΠΌΡ Π΄ΠΎΠΏΠΎΠ»Π½ΠΈΡΠ΅Π»ΡΠ½ΡΠ΅ ΡΠ»Π΅ΠΌΠ΅Π½ΡΡ.
ΠΡΠΈ ΡΡΠΎΠΌ ΡΠ΅ΡΡΠ΅ΠΆΠΈ Ρ ΡΠ°Π·ΠΌΠ΅ΡΠ°ΠΌΠΈ Π΄ΠΎΠΌΠΈΠΊΠ° Π΄Π»Ρ ΠΊΠΎΡΠΊΠΈ, Π½Π°ΠΏΡΠΈΠΌΠ΅Ρ, ΠΈΠ· ΡΠ°Π½Π΅ΡΡ, Π΄ΠΎΠ»ΠΆΠ½Ρ ΡΡΠ°Π·Ρ ΠΆΠ΅ ΠΏΡΠ΅Π΄ΡΡΠΌΠ°ΡΡΠΈΠ²Π°ΡΡ Π±ΡΠ΄ΡΡΠ΅Π΅ ΡΠ°Π·Π²ΠΈΡΠΈΠ΅ ΠΈΠ³ΡΠΎΠ²ΠΎΠΉ Π·ΠΎΠ½Ρ. Π ΠΏΡΠΎΡΠΈΠ²Π½ΠΎΠΌ ΡΠ»ΡΡΠ°Π΅ ΠΏΡΠΈΠ΄Π΅ΡΡΡ ΠΏΠ΅ΡΠ΅Π΄Π΅Π»ΡΠ²Π°ΡΡ ΠΎΡΠ½ΠΎΠ²Π°Π½ΠΈΠ΅ ΠΈ Π²Π½ΠΎΡΠΈΡΡ ΠΈΠ·ΠΌΠ΅Π½Π΅Π½ΠΈΡ Π²ΠΎ Π²ΡΡ ΠΊΠΎΠ½ΡΡΡΡΠΊΡΠΈΡ.ΠΠ·Π³ΠΎΡΠΎΠ²Π»Π΅Π½ΠΈΠ΅ ΠΈΠ³ΡΠΎΠ²ΠΎΠ³ΠΎ ΠΊΠΎΠΌΠΏΠ»Π΅ΠΊΡΠ° ΠΏΠΎΡΡΠ°ΠΏΠ½ΠΎ
ΠΡΠ»ΠΈ Π²Π»Π°Π΄Π΅Π»Π΅Ρ ΠΏΠ»Π°Π½ΠΈΡΡΠ΅Ρ ΠΈΠ·Π³ΠΎΡΠΎΠ²ΠΈΡΡ Π΄Π»Ρ ΠΊΠΎΡΠΊΠΈ ΠΈΠ³ΡΠΎΠ²ΠΎΠΉ ΠΊΠΎΠΌΠΏΠ»Π΅ΠΊΡ, Π½Π΅ ΡΠ΅ΠΊΠΎΠΌΠ΅Π½Π΄ΡΠ΅ΡΡΡ ΡΠΊΠΎΠ½ΠΎΠΌΠΈΡΡ Π½Π° ΡΠ°Π·ΠΌΠ΅ΡΠ°Ρ ΠΏΠ»Π°ΡΡΠΎΡΠΌΡ-ΠΏΠΎΠ΄ΡΡΠ°Π²ΠΊΠΈ. ΠΠ½Π° Π΄ΠΎΠ»ΠΆΠ½Π° Π±ΡΡΡ Π±ΠΎΠ»ΡΡΠΎΠΉ ΠΈ ΠΊΡΠ΅ΠΏΠΊΠΎΠΉ.
- ΠΡΠ½ΠΎΠ²Π½ΠΎΠΉ ΠΊΠΎΡΠ°ΡΠΈΠΉ Π΄ΠΎΠΌΠΈΠΊ Π΄ΠΎΠΌ Π½ΡΠΆΠ½ΠΎ ΠΏΠΎΡΡΠ°Π²ΠΈΡΡ ΠΏΠΎΡΠ΅ΡΠ΅Π΄ΠΈΠ½Π΅. Π Π΄Π°Π»ΡΠ½Π΅ΠΉΡΠ΅ΠΌ ΠΏΠΎΠ΄ΠΎΠ±Π½Π°Ρ ΠΏΠ»Π°Π½ΠΈΡΠΎΠ²ΠΊΠ° ΠΏΠΎΠ·Π²ΠΎΠ»ΠΈΡ ΠΎΡΠ³Π°Π½ΠΈΠ·ΠΎΠ²Π°ΡΡ ΠΏΡΠΎΡΡΡΠ°Π½ΡΡΠ²ΠΎ ΡΠ»Π΅Π²Π° ΠΈ ΡΠΏΡΠ°Π²Π° ΠΎΡ Π³Π»Π°Π²Π½ΠΎΠ³ΠΎ ΡΡΡΠΎΠ΅Π½ΠΈΡ.
- ΠΡΠ»ΠΈ ΠΏΠ»ΠΎΡΠ°Π΄ΠΊΠ°-ΠΎΡΠ½ΠΎΠ²Π°Π½ΠΈΠ΅ Π±ΡΠ΄Π΅Ρ Π΄ΠΎΡΡΠ°ΡΠΎΡΠ½ΠΎ Π³Π»ΡΠ±ΠΎΠΊΠΎΠΉ, ΡΠΎ ΠΌΠΎΠΆΠ½ΠΎ Π·Π°Π΄Π΅ΠΉΡΡΠ²ΠΎΠ²Π°ΡΡ ΠΏΡΠΎΡΡΡΠ°Π½ΡΡΠ²ΠΎ ΡΠ·Π°Π΄ΠΈ ΠΈ Π²ΠΏΠ΅ΡΠ΅Π΄ΠΈ Π΄Π»Ρ Π΄ΠΎΠΏΠΎΠ»Π½ΠΈΡΠ΅Π»ΡΠ½ΡΡ Π°ΠΊΡΠ΅ΡΡΡΠ°ΡΠΎΠ² β Π»Π΅ΡΠ΅Π½ΠΎΠΊ, ΠΏΠ΅ΡΠ΅Ρ ΠΎΠ΄ΠΎΠ², ΡΠ°Π·ΠΌΠ΅ΡΠ΅Π½ΠΈΡ ΠΌΡΠ³ΠΊΠΈΡ ΡΡΠΊΠ°Π²ΠΎΠ² ΠΈ ΠΏΡΠΎΡΠΈΡ ΠΏΠΎΠ΄ΠΎΠ±Π½ΡΡ Π»Π°Π±ΠΈΡΠΈΠ½ΡΠΎΠ². Π£ ΠΊΠΎΡΠ΅ΠΊ ΠΎΠ½ΠΈ Π½ΠΈΠΊΠΎΠ³Π΄Π° Π½Π΅ ΠΎΡΡΠ°ΡΡΡΡ Π±Π΅Π· Π²Π½ΠΈΠΌΠ°Π½ΠΈΡ.
- ΠΠΎΡΠ°ΠΌ ΡΡΠ°Π΄ΠΈΡΠΈΠΎΠ½Π½ΠΎ Π½ΡΠ°Π²ΡΡΡΡ ΠΌΠ½ΠΎΠ³ΠΎΡΡΡΡΠ½ΡΠ΅ ΡΡΡΠΎΠ΅Π½ΠΈΡ. ΠΠΎΡΡΠΎΠΌΡ ΡΠ°Π·ΠΌΠ΅ΡΠ΅Π½ΠΈΠ΅ ΡΠ»Π΅ΠΌΠ΅Π½ΡΠΎΠ² ΡΠ°Π·ΡΠΌΠ½ΠΎ Π·Π°ΡΠ°Π½Π΅Π΅ ΠΏΠ»Π°Π½ΠΈΡΠΎΠ²Π°ΡΡ Π½Π΅ ΡΠΎΠ»ΡΠΊΠΎ Π² Π³ΠΎΡΠΈΠ·ΠΎΠ½ΡΠ°Π»ΡΠ½ΠΎΠΉ, Π½ΠΎ ΠΈ Π² Π²Π΅ΡΡΠΈΠΊΠ°Π»ΡΠ½ΠΎΠΉ ΠΏΠ»ΠΎΡΠΊΠΎΡΡΠΈ.

Π£Π½ΠΈΠ²Π΅ΡΡΠ°Π»ΡΠ½ΡΠΉ ΡΠ°Π½Π΅ΡΠ½ΡΠΉ Π΄ΠΎΠΌΠΈΠΊ Π΄Π»Ρ ΠΊΠΎΡΠ° Π»Π΅Π³ΠΊΠΎ ΡΠ΄Π΅Π»Π°ΡΡ ΡΠ²ΠΎΠΈΠΌΠΈ ΡΡΠΊΠ°ΠΌΠΈ. Π Π±ΡΠ΄ΡΡΠ΅ΠΌ ΠΊ Π½Π΅ΠΌΡ ΠΌΠΎΠΆΠ½ΠΎ Π±ΡΠ΄Π΅Ρ ΠΏΡΠΈΡΠΎΠ΅Π΄ΠΈΠ½ΠΈΡΡ Π»ΡΠ±ΡΠ΅ Π΄ΡΡΠ³ΠΈΠ΅ ΠΌΠ°ΡΠ΅ΡΠΈΠ°Π»Ρ ΠΈ ΡΠΎΡΠΌΡ β ΠΎΡ ΠΌΡΠ³ΠΊΠΈΡ ΡΠΊΠ°Π½Π΅Π²ΡΡ Π΄ΠΎ Π±ΡΠΌΠ°ΠΆΠ½ΡΡ ΠΈ ΠΏΠ»Π°ΡΡΠΈΠΊΠΎΠ²ΡΡ .
ΠΡΠΈΡΡΡΠ°ΠΈΠ²Π°Π΅ΠΌ Π΄Π΅ΡΠ΅Π²ΠΎ ΠΊ Π΄ΠΎΠΌΠΈΠΊΡ
ΠΠ΄Π΅ΡΡ Π»ΡΡΡΠ΅ Π²ΡΠ΅Π³ΠΎ Π½ΠΈΡΠ΅Π³ΠΎ Π½Π΅ ΠΈΠ·ΠΎΠ±ΡΠ΅ΡΠ°ΡΡ, Π° Π½Π°ΠΉΡΠΈ Π² Π»Π΅ΡΡ ΠΈΠ»ΠΈ ΠΏΠ°ΡΠΊΠ΅ Π²Π΅ΡΠΊΡ ΠΏΠΎΠ΄Ρ ΠΎΠ΄ΡΡΠ΅Π³ΠΎ ΡΠ°Π·ΠΌΠ΅ΡΠ°.
- ΠΡΠΈΡΡΠΈΡΡ ΠΎΡ ΠΎΡΡΠ°ΡΠΊΠΎΠ² ΠΊΠΎΡΡ ΠΈ ΡΠ΄Π°Π»ΠΈΡΡ ΠΏΠΎΠ²ΡΠ΅ΠΆΠ΄Π΅Π½ΠΈΡ (Π΅ΡΠ»ΠΈ ΠΎΠ½ΠΈ Π΅ΡΡΡ).
- Π’ΡΠ°ΡΠ΅Π»ΡΠ½ΠΎ Π²ΡΡΡΡΠΈΡΡ.
- ΠΠ±ΡΠ°Π±ΠΎΡΠ°ΡΡ Π°Π½ΡΠΈΡΠ΅ΠΏΡΠΈΠΊΠΎΠΌ.
- ΠΡΠΈΠΊΡΠ΅ΠΏΠΈΡΡ ΠΊ ΡΡΠ΅Π½ΠΊΠ΅ Π΄Π΅ΡΠ΅Π²ΡΠ½Π½ΠΎΠ³ΠΎ Π΄ΠΎΠΌΠΈΠΊΠ° ΡΠΊΠΎΠ±Π°ΠΌΠΈ, Π° ΠΊ ΠΎΡΠ½ΠΎΠ²Π°Π½ΠΈΡ ΠΊΠΎΠ½ΡΡΡΡΠΊΡΠΈΠΈ β ΠΌΠ΅ΡΠ°Π»Π»ΠΈΡΠ΅ΡΠΊΠΈΠΌΠΈ ΡΠ³ΠΎΠ»ΠΊΠ°ΠΌΠΈ. ΠΠ΅ΡΡΠ° ΡΠΎΠ΅Π΄ΠΈΠ½Π΅Π½ΠΈΡ ΡΠ»Π΅ΠΌΠ΅Π½ΡΠΎΠ² ΠΊΠΎΠ½ΡΡΡΡΠΊΡΠΈΠΈ Π½ΡΠΆΠ½ΠΎ ΡΠΏΡΡΡΠ°ΡΡ ΠΏΠΎΠ΄ ΠΌΡΠ³ΠΊΡΡ ΡΠΊΠ°Π½Π΅Π²ΡΡ ΠΎΠ±ΡΠΈΠ²ΠΊΡ. Π’Π°ΠΊ Π½Π΅ ΠΈΡΠΏΠΎΡΡΠΈΡΡΡ Π²Π½Π΅ΡΠ½ΠΈΠΉ Π²ΠΈΠ΄, Π° ΠΊΠΎΡΠΊΠ° Π½Π΅ ΡΠΌΠΎΠΆΠ΅Ρ ΠΏΠΎΡΠ°Π½ΠΈΡΡΡΡ ΠΎ ΠΆΠ΅Π»Π΅Π·ΠΎ.
- ΠΡΠ»ΠΈ Ρ Π΄Π΅ΡΠ΅Π²Π° Π΅ΡΡΡ ΡΠ°Π·Π²Π΅ΡΠ²Π»Π΅Π½ΠΈΡ, ΡΠ΅ΠΊΠΎΠΌΠ΅Π½Π΄ΡΠ΅ΡΡΡ ΡΡΡΠ°Π½Π°Π²Π»ΠΈΠ²Π°ΡΡ Π΅Π³ΠΎ Π²Π΅ΡΡ Π½Π΅ΠΉ ΡΠ°ΡΡΡΡ Π²Π½ΠΈΠ·. Π’ΠΎΠ³Π΄Π° ΠΎΡΠ½ΠΎΠ²Π°Π½ΠΈΠ΅ ΡΡΡΠΎΠΉΡΠΈΠ²ΠΎ ΡΠΎΠ΅Π΄ΠΈΠ½ΡΠ΅ΡΡΡ Ρ Π²Π΅ΡΠΊΠ°ΠΌΠΈ Π² Π½Π΅ΡΠΊΠΎΠ»ΡΠΊΠΈΡ ΡΠΎΡΠΊΠ°Ρ .
- ΠΠ° Π²Π΅ΡΡ
ΡΡΠΊΠ΅ ΡΡΠ²ΠΎΠ»Π° ΠΎΠ±ΡΡΡΡΠ°ΠΈΠ²Π°ΡΡ ΡΠΈΡΠΎΠΊΡΡ Π΄Π΅ΡΠ΅Π²ΡΠ½Π½ΡΡ ΡΠΌΠΎΡΡΠΎΠ²ΡΡ ΠΏΠ»ΠΎΡΠ°Π΄ΠΊΡ. ΠΠΎΡΠΊΠ° ΡΠΌΠΎΠΆΠ΅Ρ Π·Π°Π±ΠΈΡΠ°ΡΡΡΡ Π½Π°Π²Π΅ΡΡ
ΠΈ Π±ΡΠ΄Π΅Ρ ΡΡΠ²ΡΡΠ²ΠΎΠ²Π°ΡΡ ΡΠ΅Π±Ρ ΠΊΠΎΠΌΡΠΎΡΡΠ½ΠΎ, ΠΊΠ°ΠΊ Π² ΠΏΡΠΈΡΠΎΠ΄Π½ΠΎΠΉ ΡΡΠ΅Π΄Π΅.

ΠΠ°ΠΆΠ½ΠΎ! ΠΠ΅ Π½ΡΠΆΠ½ΠΎ ΠΎΠ±ΠΌΠ°ΡΡΠ²Π°ΡΡ Π΄Π΅ΡΠ΅Π²ΠΎ Π²Π΅ΡΠ΅Π²ΠΊΠΎΠΉ ΠΈΠ»ΠΈ Π·Π°ΠΊΡΡΠ²Π°ΡΡ Π΅Π³ΠΎ ΡΠΊΠ°Π½ΡΡ. ΠΠ°ΡΡΡΠ°Π»ΡΠ½Π°Ρ Π΄ΡΠ΅Π²Π΅ΡΠΈΠ½Π° Π±ΡΠ΄Π΅Ρ Π΄Π»Ρ ΠΊΠΎΡΠΊΠΈ ΠΈΠ΄Π΅Π°Π»ΡΠ½ΠΎΠΉ ΠΊΠΎΠ³ΡΠ΅ΡΠΎΡΠΊΠΎΠΉ.
ΠΠ·Π³ΠΎΡΠΎΠ²Π»Π΅Π½ΠΈΠ΅ ΠΊΠΎΠ³ΡΠ΅ΡΠΎΡΠΊΠΈ ΡΠ²ΠΎΠΈΠΌΠΈ ΡΡΠΊΠ°ΠΌΠΈ
ΠΡΡΠ³ΠΎΠΉ ΡΠΏΠΎΡΠΎΠ± ΠΎΠ±ΡΡΡΡΠΎΠΈΡΡ ΠΊΠΎΡΠΊΠ΅ ΠΌΠ΅ΡΡΠΎ Π΄Π»Ρ ΡΡΠ°ΡΠΈΠ²Π°Π½ΠΈΡ ΠΊΠΎΠ³ΡΠ΅ΠΉ β ΠΈΠ·Π³ΠΎΡΠΎΠ²Π»Π΅Π½ΠΈΠ΅ ΠΏΡΠΈΡΠΏΠΎΡΠΎΠ±Π»Π΅Π½ΠΈΡ ΡΠ²ΠΎΠΈΠΌΠΈ ΡΡΠΊΠ°ΠΌΠΈ.
- ΠΠ·ΡΡΡ ΠΎΡΡΠ΅Π·ΠΎΠΊ ΠΏΠ»Π°ΡΡΠΈΠΊΠΎΠ²ΠΎΠΉ ΡΡΡΠ±Ρ (Γ 150 ΠΌΠΌ ΠΈΠ»ΠΈ Π±ΠΎΠ»ΡΡΠ΅). ΠΠ»ΠΈΠ½Π° ΠΎΠΏΡΠ΅Π΄Π΅Π»ΡΠ΅ΡΡΡ ΠΏΠΎ ΡΠ°Π·ΠΌΠ΅ΡΡ ΠΊΠΎΡΠΊΠΈ. ΠΠ»Ρ Π±ΠΎΠ»ΡΡΠΎΠ³ΠΎ ΠΌΠ΅ΠΉΠ½-ΠΊΡΠ½Π° Π½ΡΠΆΠ½ΠΎ ΠΏΡΠ΅Π΄ΡΡΠΌΠΎΡΡΠ΅ΡΡ Π½Π΅ ΠΌΠ΅Π½Π΅Π΅ ΠΌΠ΅ΡΡΠ°, Π° ΠΎΠ±ΡΡΠ½ΠΎΠΌΡ Π±Π΅ΡΠΏΠΎΡΠΎΠ΄Π½ΠΎΠΌΡ Π±ΡΠ΄Π΅Ρ Π²ΠΏΠΎΠ»Π½Π΅ Π΄ΠΎΡΡΠ°ΡΠΎΡΠ½ΠΎ 60-70 ΡΠΌ.
- ΠΡΠΈΠ³ΠΎΡΠΎΠ²ΠΈΡΡ ΡΠΎΠ»ΡΡΡΡ Π²Π΅ΡΠ΅Π²ΠΊΡ β Π»ΡΡΡΠ΅ Π΄ΡΡΠ³ΠΈΡ ΠΏΠΎΠ΄Ρ ΠΎΠ΄ΠΈΡ Π΄ΠΆΡΡΠΎΠ²ΡΠΉ ΠΊΠ°Π½Π°Ρ.
- Π Π½ΠΈΠΆΠ½Π΅ΠΉ ΡΠ°ΡΡΠΈ ΡΡΡΠ±Ρ ΠΏΡΠΈΠΊΡΠ΅ΠΏΠΈΡΡ 3-4 ΠΌΠ΅ΡΠ°Π»Π»ΠΈΡΠ΅ΡΠΊΠΈΡ ΡΠ³ΠΎΠ»ΠΊΠ°. Π Π΄Π°Π»ΡΠ½Π΅ΠΉΡΠ΅ΠΌ ΠΎΠ½ΠΈ ΠΏΠΎΠ½Π°Π΄ΠΎΠ±ΡΡΡΡ Π΄Π»Ρ Π½Π°Π΄Π΅ΠΆΠ½ΠΎΠ³ΠΎ ΡΠΎΠ΅Π΄ΠΈΠ½Π΅Π½ΠΈΡ Ρ ΠΎΡΠ½ΠΎΠ²Π°Π½ΠΈΠ΅ΠΌ ΠΈΠ³ΡΠΎΠ²ΠΎΠΉ Π·ΠΎΠ½Ρ.
- ΠΡΠ»ΠΈ ΠΏΠ»Π°Π½ΠΈΡΡΠ΅ΡΡΡ Π΄ΠΎΠΏΠΎΠ»Π½ΠΈΡΠ΅Π»ΡΠ½ΡΠΉ ΡΠΎΠ΅Π΄ΠΈΠ½ΠΈΡΠ΅Π»ΡΠ½ΡΠΉ ΡΠ·Π΅Π» Π½Π° ΡΡΠ΅Π½ΠΊΠ΅ Π΄ΠΎΠΌΠΈΠΊΠ°, ΡΠΎ ΡΡΠ°Π·Ρ ΠΆΠ΅ ΡΡΡΠ°Π½Π°Π²Π»ΠΈΠ²Π°ΡΡ ΠΏΠΎΠ»ΡΠΊΡΡΠ³Π»ΡΡ ΡΠΊΠΎΠ±Ρ Π½Π° Π½ΡΠΆΠ½ΡΡ Π²ΡΡΠΎΡΡ. ΠΡΠ΅ ΠΌΠ΅ΡΠ°Π»Π»ΠΈΡΠ΅ΡΠΊΠΈΠ΅ ΡΠ»Π΅ΠΌΠ΅Π½ΡΡ ΠΌΠΎΠ½ΡΠΈΡΡΡΡΡΡ Π·Π°Π±Π»Π°Π³ΠΎΠ²ΡΠ΅ΠΌΠ΅Π½Π½ΠΎ ΠΈ Π² Π΄Π°Π»ΡΠ½Π΅ΠΉΡΠ΅ΠΌ Π·Π°ΠΊΡΡΠ²Π°ΡΡΡΡ Π²Π΅ΡΠ΅Π²ΠΎΡΠ½ΠΎΠΉ ΠΎΠΏΠ»Π΅ΡΠΊΠΎΠΉ.

- ΠΠ±ΠΌΠΎΡΠ°ΡΡ ΠΊΡΠ°ΠΉ ΡΠ½ΡΡΠ° ΠΈΠ·ΠΎΠ»Π΅Π½ΡΠΎΠΉ ΠΈ ΡΠ΅ΡΠ΅Π· ΡΡΠΎ ΡΠΏΠ»ΠΎΡΠ½Π΅Π½ΠΈΠ΅ ΠΏΡΠΈΠΊΡΡΡΠΈΡΡ ΠΊ ΡΡΡΠ±Π΅ ΡΠ°ΠΌΠΎΡΠ΅Π·ΠΎΠΌ.
- ΠΡΡΠ³ΠΎΠΉ ΡΠΏΠΎΡΠΎΠ± β ΠΏΡΠΎΡΠ²Π΅ΡΠ»ΠΈΡΡ Π²Π½ΠΈΠ·Ρ ΠΎΡΠ²Π΅ΡΡΡΠΈΠ΅ ΠΏΠΎ Π΄ΠΈΠ°ΠΌΠ΅ΡΡΡ Π²Π΅ΡΠ΅Π²ΠΊΠΈ, ΠΏΡΠΎΠΏΡΡΡΠΈΡΡ Π² Π½Π΅Π΅ ΠΊΠΎΠ½ΡΠΈΠΊ ΠΈ Ρ ΠΎΠ±ΡΠ°ΡΠ½ΠΎΠΉ ΡΡΠΎΡΠΎΠ½Ρ Π·Π°Π²ΡΠ·Π°ΡΡ ΡΠΎΠ»ΡΡΡΠΉ ΡΠ·Π΅Π». ΠΠ½ Π½Π΅ Π΄Π°ΡΡ ΠΊΠ°Π½Π°ΡΡ Π²ΡΠΉΡΠΈ Π½Π°ΡΡΠΆΡ ΠΈ Π±ΡΠ΄Π΅Ρ ΠΎΠ±Π΅ΡΠΏΠ΅ΡΠΈΠ²Π°ΡΡ ΠΏΠ»ΠΎΡΠ½ΡΡ Π½Π°ΡΡΠΆΠΊΡ Π²ΠΈΡΠΊΠΎΠ².
- Π’ΡΠ°ΡΠ΅Π»ΡΠ½ΠΎ ΠΈ ΡΡΠ³ΠΎ ΠΎΠ±ΠΌΠΎΡΠ°ΡΡ ΡΡΡΠ±Ρ ΠΏΠΎ Π²ΡΠ΅ΠΉ Π΄Π»ΠΈΠ½Π΅, Π·Π°ΠΊΡΡΠ²Π°Ρ ΠΌΠ΅ΡΠ°Π»Π»ΠΈΡΠ΅ΡΠΊΠΈΠ΅ Π΄Π΅ΡΠ°Π»ΠΈ ΠΈ Π½Π΅ ΠΎΡΡΠ°Π²Π»ΡΡ ΡΠ²ΠΎΠ±ΠΎΠ΄Π½ΠΎΠ³ΠΎ ΠΌΠ΅ΡΡΠ° ΠΌΠ΅ΠΆΠ΄Ρ ΠΎΠ±ΠΎΡΠΎΡΠ°ΠΌΠΈ.
- ΠΠ°Π²Π΅ΡΡ Ρ ΡΠ½ΠΎΠ²Π° ΡΠΏΠ»ΠΎΡΠ½ΠΈΡΡ ΠΊΡΠ°ΠΉ ΠΈΠ·ΠΎΠ»Π΅Π½ΡΠΎΠΉ ΠΈ ΠΏΡΠΈΠΊΡΡΡΠΈΡΡ Π΅Π³ΠΎ ΠΊ ΠΏΠ»Π°ΡΡΠΈΠΊΡ.
ΠΠΎΡΠ°ΡΠΈΠΉ Π΄ΠΎΠΌΠΈΠΊ Ρ ΠΊΠΎΠ³ΡΠ΅ΡΠΎΡΠΊΠΎΠΉ, ΠΈΠ·Π³ΠΎΡΠΎΠ²Π»Π΅Π½Π½ΠΎΠΉ ΡΠ²ΠΎΠΈΠΌΠΈ ΡΡΠΊΠ°ΠΌΠΈ β ΡΡΠΎ ΡΠΆΠ΅ Ρ ΠΎΡΠΎΡΠΈΠΉ Π·Π°Π΄Π΅Π» Π΄Π»Ρ Π±ΡΠ΄ΡΡΠ΅Π³ΠΎ ΠΈΠ³ΡΠΎΠ²ΠΎΠ³ΠΎ ΠΊΠΎΠΌΠΏΠ»Π΅ΠΊΡΠ°. ΠΠ΅ΡΠ΅Π²ΠΎΡΠ½ΠΎΠ΅ ΠΏΡΠΈΡΠΏΠΎΡΠΎΠ±Π»Π΅Π½ΠΈΠ΅ Π½Π΅ΡΠΊΠΎΠ»ΡΠΊΠΎ ΡΡΡΡΠΏΠ°Π΅Ρ Π½Π°ΡΡΡΠ°Π»ΡΠ½ΠΎΠΌΡ Π΄Π΅ΡΠ΅Π²Ρ, Π½ΠΎ Π² ΡΠ΅Π»ΠΎΠΌ ΠΎΡΠ»ΠΈΡΠ½ΠΎ ΡΠΏΡΠ°Π²Π»ΡΠ΅ΡΡΡ Ρ Π·Π°Π΄Π°ΡΠ΅ΠΉ ΠΈ Π΄ΠΎΠ»Π³ΠΎ Π²ΡΠ΄Π΅ΡΠΆΠΈΠ²Π°Π΅Ρ Π½Π°ΠΏΠΎΡ ΠΎΡΡΡΡΡ ΠΊΠΎΡΠ°ΡΡΠΈΡ ΠΊΠΎΠ³ΡΠ΅ΠΉ.
ΠΠ°ΠΊ ΡΠ²ΠΎΠΈΠΌΠΈ ΡΡΠΊΠ°ΠΌΠΈ ΡΠ΄Π΅Π»Π°ΡΡ Π΄ΠΎΠΌΠΈΠΊ ΠΊΠΎΡΠΊΠ΅
Π§ΡΠΎΠ±Ρ ΡΠ²ΠΎΠΈΠΌΠΈ ΡΡΠΊΠ°ΠΌΠΈ ΡΠ΄Π΅Π»Π°ΡΡ ΠΏΡΠΎΡΡΠΎΠΉ Π΄ΠΎΠΌΠΈΠΊ Π΄Π»Ρ ΠΊΠΎΡΠ°, ΠΏΠΎΠ½Π°Π΄ΠΎΠ±ΡΡΡΡ ΡΠ΅ΡΡΠ΅ΠΆΠΈ Ρ ΡΠ°Π·ΠΌΠ΅ΡΠ°ΠΌΠΈ ΠΈ ΠΌΠ°ΡΠ΅ΡΠΈΠ°Π», ΠΊΠΎΡΠΎΡΡΠΉ Π²Π»Π°Π΄Π΅Π»Π΅Ρ ΠΆΠΈΠ²ΠΎΡΠ½ΠΎΠ³ΠΎ Π²ΡΠ±ΠΈΡΠ°Π΅Ρ Π½Π° ΡΠ²ΠΎΠ΅ ΡΡΠΌΠΎΡΡΠ΅Π½ΠΈΠ΅.
ΠΠΎΠΌΠΈΠΊ Π΄Π»Ρ ΠΊΠΎΡΠΊΠΈ ΠΈΠ· ΠΊΠ°ΡΡΠΎΠ½Π°
ΠΠΎΠ΄ΠΎΠΉΠ΄Π΅Ρ Π»ΡΠ±ΠΎΠΉ ΠΏΠ»ΠΎΡΠ½ΡΠΉ ΠΌΠ°ΡΠ΅ΡΠΈΠ°Π», ΡΠΏΠΎΡΠΎΠ±Π½ΡΠΉ Π΄Π΅ΡΠΆΠ°ΡΡ ΡΡΡΠΎΠΉΡΠΈΠ²ΡΡ ΡΠΎΡΠΌΡ. Π’ΡΠ°Π΄ΠΈΡΠΈΠΎΠ½Π½ΠΎ ΠΈΡΠΏΠΎΠ»ΡΠ·ΡΡΡΡΡ Π³ΠΎΡΡΠΈΡΠΎΠ²Π°Π½Π½ΡΠ΅ Π»ΠΈΡΡΡ, ΠΊΠΎΡΠΎΡΡΠ΅ ΠΎΡΡΠ°ΡΡΡΡ ΠΎΡ ΡΠΏΠ°ΠΊΠΎΠ²ΠΎΡΠ½ΡΡ ΠΊΠΎΡΠΎΠ±ΠΎΠΊ.
ΠΡΠ»ΠΈ Π² Π½Π°Π»ΠΈΡΠΈΠΈ Ρ ΠΌΠ°ΡΡΠ΅ΡΠ° ΠΈΠΌΠ΅Π΅ΡΡΡ ΠΊΠΎΡΠΎΠ±ΠΊΠ° Π±ΠΎΠ»ΡΡΠΎΠ³ΠΎ ΡΠ°Π·ΠΌΠ΅ΡΠ°, ΡΠΎ ΠΌΠΎΠΆΠ½ΠΎ ΡΠ΄Π΅Π»Π°ΡΡ ΠΎΠ±ΡΡΡ Π²ΡΠΊΡΠΎΠΉΠΊΡ Ρ ΡΡΠ΅ΡΠΎΠΌ Π»ΠΈΠ½ΠΈΠΉ ΡΠ³ΠΈΠ±ΠΎΠ². Π ΡΠ°ΠΊΠΎΠΌ ΠΏΡΠΎΠ΅ΠΊΡΠ΅ Π±ΡΠ΄Π΅Ρ ΠΌΠ°Π»ΠΎ ΡΠΊΠ»Π΅Π΅ΠΊ, Π° Π·Π½Π°ΡΠΈΡ Π²ΡΡΠ΅ ΠΏΡΠΎΡΠ½ΠΎΡΡΡ Π²ΡΠ΅Π³ΠΎ Π΄ΠΎΠΌΠΈΠΊΠ°.
ΠΠ° ΠΌΠ°Π»Π΅Π½ΡΠΊΠΈΡ Π»ΠΈΡΡΠ°Ρ ΡΠΈΡΡΡΡ ΠΎΡΠ΄Π΅Π»ΡΠ½ΡΠ΅ ΡΠ°ΡΡΠΈ ΠΊΠΎΠ½ΡΡΡΡΠΊΡΠΈΠΈ, ΠΎΡΡΠ°Π²Π»ΡΡΡ Π·Π°ΠΏΠ°Ρ Π½Π° Π»ΠΈΠ½ΠΈΡ ΡΠ³ΠΈΠ±Π° ΠΈ ΠΏΠ»ΠΎΡΠ°Π΄Ρ ΡΠΊΠ»Π΅ΠΉΠΊΠΈ. Π’Π°ΠΊΠΎΠΉ ΠΊΠ°ΡΡΠΎΠ½Π½ΡΠΉ Π΄ΠΎΠΌΠΈΠΊ Π΄Π»Ρ ΠΊΠΎΡΠΎΠ² ΠΌΠΎΠΆΠ½ΠΎ Π΄ΠΎΠΏΠΎΠ»Π½ΠΈΡΠ΅Π»ΡΠ½ΠΎ ΠΏΡΠΎΡΠΈΡΡ ΡΡΡΠΎΠ²ΠΎΠΉ Π½ΠΈΡΠΊΠΎΠΉ Π² ΠΌΠ΅ΡΡΠ°Ρ ΡΠΎΠ΅Π΄ΠΈΠ½Π΅Π½ΠΈΡ.
ΠΠ· Π΄Π΅ΡΠ΅Π²Π°
ΠΠ΅ΡΠ΅Π²ΡΠ½Π½ΡΠΉ Π΄ΠΎΠΌΠΈΠΊ Π΄Π»Ρ ΠΊΠΎΡΠΊΠΈ β ΡΠ°ΠΌΡΠΉ ΠΏΡΠΎΡΠ½ΡΠΉ ΠΈ Π½Π°Π΄Π΅ΠΆΠ½ΡΠΉ Π²Π°ΡΠΈΠ°Π½Ρ ΠΈΠ· Π²ΡΠ΅Ρ ΠΏΡΠΎΠ΅ΠΊΡΠΎΠ². ΠΠ½ Π²ΡΠ³ΠΎΠ΄Π΅Π½ ΠΏΠΎ ΠΌΠ½ΠΎΠ³ΠΈΠΌ ΡΡΠ»ΠΎΠ²ΠΈΡΠΌ:
- Π΄ΠΎΠ»Π³ΠΎ ΡΠ»ΡΠΆΠΈΡ;
- ΠΏΠΎΠ΄Ρ ΠΎΠ΄ΠΈΡ Π΄Π»Ρ Π°ΠΊΡΠΈΠ²Π½ΡΡ ΠΆΠΈΠ²ΠΎΡΠ½ΡΡ , ΠΊΠΎΡΠΎΡΡΠ΅ Π»ΡΠ±ΡΡ Π·Π°ΠΏΡΡΠ³ΠΈΠ²Π°ΡΡ Π½Π° ΠΊΡΡΡΡ ΠΈΠ»ΠΈ ΡΠΎΡΠΈΡΡ ΠΊΠΎΠ³ΡΠΈ ΠΎ ΡΡΠ΅Π½ΠΊΠΈ;
- ΠΊ Π½Π΅ΠΌΡ Π»Π΅Π³ΠΊΠΎ ΠΏΡΠΈΡΠΎΠ΅Π΄ΠΈΠ½ΡΡΡΡΡ Π΄ΡΡΠ³ΠΈΠ΅ ΡΠ»Π΅ΠΌΠ΅Π½ΡΡ, Π° Π·ΠΎΠ½Π° ΠΎΡΠ΄ΡΡ Π° ΡΡΠ°Π½ΡΡΠΎΡΠΌΠΈΡΡΠ΅ΡΡΡ Π² ΠΈΠ³ΡΠΎΠ²ΡΡ ΠΏΠ»ΠΎΡΠ°Π΄ΠΊΡ Π΄Π»Ρ ΠΊΠΎΡΠΊΠΈ.
ΠΠ΄Π΅ΡΡ Π½Π΅ ΠΎΠ±ΠΎΠΉΡΠΈΡΡ Π±Π΅Π· Π½Π°Π±ΠΎΡΠ° ΡΡΠΎΠ»ΡΡΠ½ΡΡ
ΠΈΠ½ΡΡΡΡΠΌΠ΅Π½ΡΠΎΠ², Π½ΠΎ ΡΠ΅Π·ΡΠ»ΡΡΠ°Ρ Π²ΡΠ΅Π³Π΄Π° ΠΎΡΠ΅Π½Ρ Π²ΠΏΠ΅ΡΠ°ΡΠ»ΡΡΡΠΈΠΉ β ΠΈΠ½Π΄ΠΈΠ²ΠΈΠ΄ΡΠ°Π»ΡΠ½ΡΠ΅ ΠΏΡΠΎΠ΅ΠΊΡΡ ΡΡΠΈΡΡΠ²Π°ΡΡ ΠΎΡΠΎΠ±Π΅Π½Π½ΠΎΡΡΠΈ ΠΏΡΠΎΡΡΡΠ°Π½ΡΡΠ²Π° ΠΈ Π²ΠΏΠΈΡΡΠ²Π°ΡΡΡΡ Π² ΠΈΠ½ΡΠ΅ΡΡΠ΅Ρ ΠΊΠΎΠΌΠ½Π°ΡΡ.
ΠΠΎΡΠ°Π³ΠΎΠ²Π°Ρ ΠΈΠ½ΡΡΡΡΠΊΡΠΈΡ ΡΠ°ΠΌΠΎΠ΄Π΅Π»ΡΠ½ΠΎΠ³ΠΎ Π΄Π΅ΡΠ΅Π²ΡΠ½Π½ΠΎΠ³ΠΎ Π΄ΠΎΠΌΠΈΠΊΠ° Π΄Π»Ρ ΠΊΠΎΡΠΊΠΈ.
- Π‘Π΄Π΅Π»Π°ΡΡ Π½ΠΈΠΆΠ½Π΅Π΅ ΠΎΡΠ½ΠΎΠ²Π°Π½ΠΈΠ΅ Π²ΡΠ΅ΠΉ ΠΊΠΎΠ½ΡΡΡΡΠΊΡΠΈΠΈ (Π½Π΅ ΠΌΠ΅Π½Π΅Π΅ 600Ρ 600 ΠΌΠΌ).
- Π Π°Π·ΠΌΠ΅ΡΠΈΡΡ Π»ΠΈΡΡΡ ΡΠ°Π½Π΅ΡΡ 400Ρ 400 ΠΌΠΌ (5 ΡΡΡΠΊ).
- Π ΠΎΠ΄Π½ΠΎΠΉ ΠΈΠ· ΡΡΠ΅Π½ΠΎΠΊ Π»ΠΎΠ±Π·ΠΈΠΊΠΎΠΌ Π²ΡΡΠ΅Π·Π°ΡΡ ΠΊΡΡΠ³Π»ΠΎΠ΅ ΠΎΡΠ²Π΅ΡΡΡΠΈΠ΅ (Γ 150-200 ΠΌΠΌ). Π§Π΅ΡΠ΅Π· Π½Π΅Π³ΠΎ ΠΊΠΎΡΠΊΠ° Π±ΡΠ΄Π΅Ρ Π·Π°Ρ ΠΎΠ΄ΠΈΡΡ Π² Π΄ΠΎΠΌΠΈΠΊ.
- ΠΡΠΎΠ΄ΡΠΌΠ°ΡΡ ΡΠΈΡΡΠ΅ΠΌΡ ΠΊΡΠ΅ΠΏΠ»Π΅Π½ΠΈΡ ΡΡΠ΅Π½ΠΎΠΊ ΠΈ ΠΎΡΠ½ΠΎΠ²Π°Π½ΠΈΡ. ΠΡ ΠΌΠΎΠΆΠ½ΠΎ ΠΎΠ±ΡΠ΅Π΄ΠΈΠ½ΠΈΡΡ ΡΠ°ΠΌΠΎΡΠ΅Π·Π°ΠΌΠΈ, ΠΏΡΠΈ ΠΏΠΎΠΌΠΎΡΠΈ ΡΠ³ΠΎΠ»ΠΊΠΎΠ² ΠΈΠ»ΠΈ Π΄Π΅ΡΠ΅Π²ΡΠ½Π½ΡΡ ΡΠ΅Π΅ΠΊ. ΠΡΠ»ΠΈ ΠΈΡΠΏΠΎΠ»ΡΠ·ΡΡΡΡΡ ΡΡΡΡΠΏΡ ΠΈΠ»ΠΈ Π³Π²ΠΎΠ·Π΄ΠΈ, ΠΎΡΡΡΡΠ΅ ΠΊΠΎΠ½ΡΠΈΠΊΠΈ Π½Π΅ Π΄ΠΎΠ»ΠΆΠ½Ρ Π²ΡΡΡΡΠΏΠ°ΡΡ Π½Π° ΠΏΠΎΠ²Π΅ΡΡ Π½ΠΎΡΡΡ β ΡΠ°ΠΊΠΈΠ΅ ΠΌΠ΅ΡΡΠ° ΡΡΠ°ΡΠ΅Π»ΡΠ½ΠΎ Π·Π°ΡΠΈΡΠ°ΡΡ Π½Π°ΠΏΠΈΠ»ΡΠ½ΠΈΠΊΠΎΠΌ ΠΈΠ»ΠΈ Π½Π°ΠΆΠ΄Π°ΡΠ½ΠΎΠΉ Π±ΡΠΌΠ°Π³ΠΎΠΉ.
- Π‘ΠΎΠ±ΡΠ°ΡΡ ΠΊΠ°ΡΠΊΠ°Ρ Π΄ΠΎΠΌΠΈΠΊΠ° (2 Π±ΠΎΠΊΠΎΠ²ΡΡ ΠΏΠ»ΡΡ ΠΏΠ΅ΡΠ΅Π΄Π½ΡΡ ΠΈ Π·Π°Π΄Π½ΡΡ).
- Π‘Π΄Π΅Π»Π°ΡΡ ΠΎΠΊΠ»Π΅ΠΉΠΊΡ ΡΠΊΠ°Π½ΡΡ, Π°ΠΊΠΊΡΡΠ°ΡΠ½ΠΎ Π·Π°ΠΊΡΡΡΡ Π²ΡΠ΅ ΠΌΠ΅ΡΠ°Π»Π»ΠΈΡΠ΅ΡΠΊΠΈΠ΅ ΡΠ»Π΅ΠΌΠ΅Π½ΡΡ, ΡΡΠΎΠ±Ρ ΠΊΠΎΡΠΊΠ° Π½Π΅ ΠΌΠΎΠ³Π»Π° ΠΎ Π½ΠΈΡ ΡΠ»ΡΡΠ°ΠΉΠ½ΠΎ ΠΏΠΎΡΠ°Π½ΠΈΡΡΡΡ.
- ΠΡΡΡΠ° Π΄ΠΎΠΌΠΈΠΊΠ° ΠΎΠ±ΡΠ·Π°ΡΠ΅Π»ΡΠ½ΠΎ Π΄ΠΎΠ»ΠΆΠ½Π° Π±ΡΡΡ ΡΡΠ΅ΠΌΠ½ΠΎΠΉ. Π’Π°ΠΊ Π±ΡΠ΄Π΅Ρ Π»Π΅Π³ΡΠ΅ ΡΠΈΡΡΠΈΡΡ Π΅Π³ΠΎ Π²Π½ΡΡΡΠ΅Π½Π½Π΅Π΅ ΠΏΡΠΎΡΡΡΠ°Π½ΡΡΠ²ΠΎ ΠΈ Π΄Π΅Π»Π°ΡΡ Π΄Π΅Π·ΠΈΠ½ΡΠ΅ΠΊΡΠΈΡ.
- Π‘ΠΎΠ΅Π΄ΠΈΠ½ΠΈΡΡ Π΄ΠΎΠΌΠΈΠΊ Ρ ΠΏΠ»ΠΎΡΠ°Π΄ΠΊΠΎΠΉ-ΠΎΡΠ½ΠΎΠ²Π°Π½ΠΈΠ΅ΠΌ ΠΈ Π·Π°Π²Π΅ΡΡΠΈΡΡ ΠΎΠΊΠ»Π΅ΠΉΠΊΡ Π²Π½Π΅ΡΠ½ΠΈΡ
ΡΠ»Π΅ΠΌΠ΅Π½ΡΠΎΠ².

ΠΡΠ»ΠΈ Π΅ΡΡΡ Π·Π°ΡΠ°Π½Π΅Π΅ ΠΏΠΎΠ΄Π³ΠΎΡΠΎΠ²Π»Π΅Π½Π½Π°Ρ ΠΊΠΎΠ³ΡΠ΅ΡΠΎΡΠΊΠ°, ΡΠΎ Π΅Π΅ ΡΠ»Π΅Π΄ΡΠ΅Ρ Π·Π°ΠΊΡΠ΅ΠΏΠΈΡΡ Π½Π° ΠΎΡΠ½ΠΎΠ²Π½ΠΎΠΉ ΠΊΠΎΠ½ΡΡΡΡΠΊΡΠΈΠΈ.
ΠΡΠΊΡΠΎΠΉΠΊΠ° Π΄ΠΎΠΌΠΈΠΊΠ° Π΄Π»Ρ ΠΊΠΎΡΠΊΠΈ ΠΈΠ· ΡΠΊΠ°Π½ΠΈ ΠΈ ΠΏΠΎΡΠΎΠ»ΠΎΠ½Π°
ΠΠΎΡΠΈΠ² Π΄ΠΎΠΌΠΈΠΊΠ° Π΄Π»Ρ ΠΊΠΎΡΠΊΠΈ ΡΠ²ΠΎΠΈΠΌΠΈ ΡΡΠΊΠ°ΠΌΠΈ Π²ΡΠ³ΠΎΠ΄Π΅Π½ ΠΏΠΎ Π΄Π²ΡΠΌ ΠΏΡΠΈΡΠΈΠ½Π°ΠΌ:
- Π£ Π·Π°ΠΏΠ°ΡΠ»ΠΈΠ²ΠΎΠΉ Ρ ΠΎΠ·ΡΠΉΠΊΠΈ Π²ΡΠ΅Π³Π΄Π° Π½Π°ΠΉΠ΄Π΅ΡΡΡ ΡΠΊΠ°Π½Ρ ΠΎΡ ΡΡΠ°ΡΠΎΠΉ ΠΊΡΡΡΠΊΠΈ ΠΈΠ»ΠΈ Π΄ΡΡΠ³ΠΎΠΉ Π²Π΅ΡΡ Π½Π΅ΠΉ ΠΎΠ΄Π΅ΠΆΠ΄Ρ. ΠΠ½Π° ΠΏΠ»ΠΎΡΠ½Π°Ρ, ΠΊΡΠ΅ΠΏΠΊΠ°Ρ ΠΈ ΠΏΠΎΠ»ΡΡΠΈΡ Π²ΡΠΎΡΡΡ ΠΆΠΈΠ·Π½Ρ Π² Π²ΠΈΠ΄Π΅ ΠΊΠΎΡΠ°ΡΡΠ΅Π³ΠΎ Π΄ΠΎΠΌΠΈΠΊΠ°.
- ΠΡΠ³ΠΊΡΡ ΠΊΠΎΠ½ΡΡΡΡΠΊΡΠΈΡ Π»Π΅Π³ΠΊΠΎ ΠΏΠ΅ΡΠ΅ΠΌΠ΅ΡΠ°ΡΡ Ρ ΠΌΠ΅ΡΡΠ° Π½Π° ΠΌΠ΅ΡΡΠΎ, Π° ΠΏΡΠΈ Π½Π΅ΠΎΠ±Ρ ΠΎΠ΄ΠΈΠΌΠΎΡΡΠΈ Π΅Π΅ ΠΌΠΎΠΆΠ½ΠΎ Π΄Π°ΠΆΠ΅ ΠΏΠΎΠ»ΠΎΠΆΠΈΡΡ Π² Π½Π΅Π±ΠΎΠ»ΡΡΠΎΠΉ ΠΏΠ°ΠΊΠ΅Ρ.
ΠΡΠ΅ ΡΡΠΎ ΠΏΠΎΠ½Π°Π΄ΠΎΠ±ΠΈΡΡΡ β ΡΡΠΎ ΡΠ²Π΅ΠΉΠ½Π°Ρ ΠΌΠ°ΡΠΈΠ½Π°, ΠΏΡΠΎΡΠ½ΡΠ΅ Π½ΠΈΡΠΊΠΈ ΠΈ ΠΏΠΎΡΠΎΠ»ΠΎΠ½.
Π¨Π°Π±Π»ΠΎΠ½ Π²ΡΠΊΡΠΎΠΉΠΊΠΈ Π΄ΠΎΠΌΠΈΠΊΠ° Π΄Π»Ρ ΠΊΠΎΡΠΊΠΈ ΠΈΠ· ΡΠΊΠ°Π½ΠΈ ΠΌΠΎΠΆΠ½ΠΎ ΡΡΠ°Π½ΡΡΠΎΡΠΌΠΈΡΠΎΠ²Π°ΡΡ β ΡΠ²Π΅Π»ΠΈΡΠΈΠ²Π°ΡΡ ΠΈΠ»ΠΈ ΡΠΌΠ΅Π½ΡΡΠ°ΡΡ Π² Π·Π°Π²ΠΈΡΠΈΠΌΠΎΡΡΠΈ ΠΎΡ ΡΠ°Π·ΠΌΠ΅ΡΠΎΠ² Π΄ΠΎΠΌΠ°ΡΠ½Π΅Π³ΠΎ ΠΏΠΈΡΠΎΠΌΡΠ°.
ΠΠΎΠ΄Π²Π΅ΡΠ½ΠΎΠΉ Π΄ΠΎΠΌΠΈΠΊ Π΄Π»Ρ ΠΊΠΎΡΠΊΠΈ
Π’Π°ΠΊΠΎΠΉ Π΄ΠΎΠΌΠΈΠΊ ΠΏΠΎΠ΄Ρ
ΠΎΠ΄ΠΈΡ Π΄Π»Ρ ΠΊΠΎΡΠ΅Π½ΠΊΠ°. ΠΡΠΈ ΠΈΠ·Π³ΠΎΡΠΎΠ²Π»Π΅Π½ΠΈΠΈ ΠΊΠΎΠ½ΡΡΡΡΠΊΡΠΈΠΈ Π²Π°ΠΆΠ½ΠΎ ΠΈΡΠΏΠΎΠ»ΡΠ·ΠΎΠ²Π°ΡΡ ΠΊΡΠ΅ΠΏΠΊΠΈΠΉ ΡΠ½ΡΡ, ΡΠΏΠΎΡΠΎΠ±Π½ΡΠΉ Π²ΡΠ΄Π΅ΡΠΆΠ°ΡΡ Π²Π΅Ρ ΠΆΠΈΠ²ΠΎΡΠ½ΠΎΠ³ΠΎ. ΠΠΎΠ΄ΡΠΎΡΡΠΈΠ΅ ΠΊΠΎΡΠΊΠΈ ΡΠΆΠ΅ Π½Π΅ Π»ΡΠ±ΡΡ ΡΠ°ΠΊΠΈΠ΅ ΡΠ±Π΅ΠΆΠΈΡΠ°, Π½ΠΎ ΠΌΠ°Π»Π΅Π½ΡΠΊΠΈΠ΅ ΠΏΠΈΡΠΎΠΌΡΡ ΠΎΡ
ΠΎΡΠ½ΠΎ ΠΈΠΌΠΈ ΠΏΠΎΠ»ΡΠ·ΡΡΡΡΡ.
ΠΠ°ΠΆΠ½ΠΎ! ΠΠ»Ρ Π±ΠΎΠ»ΡΡΠΈΡ ΠΊΠΎΡΠ΅ΠΊ Π»ΡΡΡΠ΅ ΡΠ΄Π΅Π»Π°ΡΡ Π³Π°ΠΌΠ°ΠΊ. ΠΠΎ ΡΠ·ΠΊΠΈΠΌ ΠΊΡΠ°ΡΠΌ ΠΊΡΠ΅ΠΏΠΊΠΎΠΉ ΡΠΊΠ°Π½ΠΈ ΠΏΡΠΎΡΠΈΠ²Π°ΡΡ ΠΌΠ΅ΡΡΠ° Π΄Π»Ρ Π²ΡΡΠ°Π²ΠΊΠΈ ΡΠ΅ΠΉΠΊΠΈ. ΠΠ°ΡΠ΅ΠΌ ΠΊ Π½Π΅ΠΉ ΠΏΡΠΈΠΊΡΠ΅ΠΏΠ»ΡΡΡ ΠΏΡΠΎΡΠ½ΡΠΉ ΡΠ½ΡΡ ΠΈ ΠΏΠΎΠ΄Π²Π΅ΡΠΈΠ²Π°ΡΡ ΠΊ Π²Π΅ΡΡΠΈΠΊΠ°Π»ΡΠ½ΡΠΌ ΡΠ»Π΅ΠΌΠ΅Π½ΡΠ°ΠΌ ΠΈΠ³ΡΠΎΠ²ΠΎΠΉ Π·ΠΎΠ½Ρ (Π½Π°ΠΏΡΠΈΠΌΠ΅Ρ, ΠΌΠ΅ΠΆΠ΄Ρ ΠΊΠΎΠ³ΡΠ΅ΡΠΎΡΠΊΠΎΠΉ ΠΈ Π΄Π΅ΡΠ΅Π²ΠΎΠΌ).
ΠΡΠ΅Π²ΡΠ°ΡΠ΅Π½ΠΈΠ΅ ΡΡΠ°ΡΠΎΠ³ΠΎ ΡΠ²ΠΈΡΠ΅ΡΠ°
Π’Π°ΠΊΠΎΠ΅ ΠΈΠ·Π΄Π΅Π»ΠΈΠ΅ ΡΠ»ΠΎΠΆΠ½ΠΎ Π½Π°Π·Π²Π°ΡΡ ΠΏΠΎΠ»Π½ΠΎΡΠ΅Π½Π½ΡΠΌ Π΄ΠΎΠΌΠΈΠΊΠΎΠΌ, ΡΡΠΈΡΡΠΌ ΡΠ²ΠΎΠΈΠΌΠΈ ΡΡΠΊΠ°ΠΌΠΈ. ΠΡΠΎ, ΡΠΊΠΎΡΠ΅Π΅ Π²ΡΠ΅Π³ΠΎ, ΠΏΡΠΎΡΡΠ°Ρ Π»Π΅ΠΆΠ°Π½ΠΊΠ°, Π½ΠΎ ΠΎΡΠ΅Π½Ρ ΡΠΈΠΌΠΏΠ°ΡΠΈΡΠ½Π°Ρ ΠΈ ΠΎΡΠΈΠ³ΠΈΠ½Π°Π»ΡΠ½Π°Ρ.
Π ΡΠΊΠ°Π²Π° ΡΠ²ΠΈΡΠ΅ΡΠ° ΠΈΠ»ΠΈ Π΄ΠΆΠ΅ΠΌΠΏΠ΅ΡΠ° Π²ΡΡΠ°Π²Π»ΡΡΡ ΠΎΠ΄ΠΈΠ½ Π² ΠΎΠ΄ΠΈΠ½ ΠΈ ΡΠΊΡΠ΅ΠΏΠ»ΡΡΡ Π½ΠΈΡΠΊΠΎΠΉ. ΠΠ°ΡΠ΅ΠΌ Π²ΠΊΠ»Π°Π΄ΡΠ²Π°ΡΡ Π² Π½ΠΈΡ Π½Π°ΠΏΠΎΠ»Π½ΠΈΡΠ΅Π»Ρ β ΠΎΠ±ΡΠ΅Π·ΠΊΠΈ ΡΠΊΠ°Π½ΠΈ, Π²Π΅ΡΠΎΡΡ, Π²ΠΎΠΉΠ»ΠΎΠΊ, ΠΏΠΎΡΠΎΠ»ΠΎΠ½ ΠΈΠ»ΠΈ Π΄Π°ΠΆΠ΅ ΠΌΠ½ΠΎΠ³ΠΎ ΠΏΠ»ΠΎΡΠ½ΠΎΠΉ Π±ΡΠΌΠ°Π³ΠΈ. ΠΠ°ΠΆΠ½ΠΎ ΡΡΠΎΡΠΌΠΈΡΠΎΠ²Π°ΡΡ ΠΎΠΊΡΡΠ³Π»ΡΠΉ Π±ΠΎΡΡΠΈΠΊ. ΠΠ°Π»Π΅Π΅ ΠΊ Π½ΠΈΠ·Ρ ΡΡΠΎΠ³ΠΎ Π²Π°Π»ΠΈΠΊΠ° ΠΏΡΠΈΡΠΈΠ²Π°ΡΡ ΠΎΡΠ½ΠΎΠ²Π½ΡΡ ΡΠ°ΡΡΡ ΡΠ²ΠΈΡΠ΅ΡΠ°, Π° Π³ΠΎΡΠ»ΠΎΠ²ΠΈΠ½Ρ Π·Π°ΠΊΡΠ΅ΠΏΠ»ΡΡΡ Π½ΠΈΡΠΊΠΎΠΉ, ΡΡΠΎΠ±Ρ ΠΎΠ½Π° ΡΠ»ΡΠΆΠΈΠ»Π° ΠΏΡΠΎΠ΄ΠΎΠ»ΠΆΠ΅Π½ΠΈΠ΅ΠΌ Π²Π½Π΅ΡΠ½Π΅Π³ΠΎ ΠΊΠΎΠ½ΡΡΡΠ°.
ΠΠ· Π³Π°Π·Π΅ΡΠ½ΡΡ ΡΡΡΠ±ΠΎΡΠ΅ΠΊ
Π‘Π°ΠΌΡΠΉ ΠΎΡΠΈΠ³ΠΈΠ½Π°Π»ΡΠ½ΡΠΉ ΠΏΡΠΎΠ΅ΠΊΡ ΠΊΠΎΡΠ°ΡΡΠ΅Π³ΠΎ Π΄ΠΎΠΌΠΈΠΊΠ°. Π Π΅Π³ΠΎ ΠΎΡΠ½ΠΎΠ²Π΅ Π»Π΅ΠΆΠΈΡ ΡΡΠ°Π΄ΠΈΡΠΈΠΎΠ½Π½ΠΎΠ΅ ΠΏΠ»Π΅ΡΠ΅Π½ΠΈΠ΅ ΠΊΠΎΡΠ·ΠΈΠ½ΠΎΠΊ, Π½ΠΎ Π½Π° ΡΡΠΎΡ ΡΠ°Π· ΠΈΡΡ
ΠΎΠ΄Π½ΡΠΌ ΠΌΠ°ΡΠ΅ΡΠΈΠ°Π»ΠΎΠΌ ΡΠ»ΡΠΆΠΈΡ Π±ΡΠΌΠ°Π³Π°.
- Π‘ ΠΏΠΎΠΌΠΎΡΡΡ Π΄Π»ΠΈΠ½Π½ΠΎΠΉ Π²ΡΠ·Π°Π»ΡΠ½ΠΎΠΉ ΡΠΏΠΈΡΡ Π½ΡΠΆΠ½ΠΎ ΡΠ΄Π΅Π»Π°ΡΡ ΠΌΠ½ΠΎΠΆΠ΅ΡΡΠ²ΠΎ ΡΡΡΠ±ΠΎΡΠ΅ΠΊ. ΠΠΎΠ½ΡΡ ΡΠΊΡΠ΅ΠΏΠ»ΡΡΡΡΡ ΠΊΠ°Π½ΡΠ΅Π»ΡΡΡΠΊΠΈΠΌ ΠΊΠ»Π΅Π΅ΠΌ.
- ΠΠ²Π΅Π·Π΄ΠΎΡΠΊΠΎΠΉ ΡΠΊΠ»Π°Π΄ΡΠ²Π°ΡΡ 4 Π³ΡΡΠΏΠΏΡ ΡΡΡΠ±ΠΎΡΠ΅ΠΊ ΠΏΠΎ 4 ΡΡΡΠΊΠΈ Π² ΠΊΠ°ΠΆΠ΄ΠΎΠΉ.
- ΠΠΏΠ»Π΅ΡΠΊΡ Π½Π°ΡΠΈΠ½Π°ΡΡ ΠΎΡ ΡΠ΅Π½ΡΡΠ°, ΡΠ½Π°ΡΠ°Π»Π° ΠΎΠ±Π²ΡΠ·ΡΠ²Π°ΡΡ ΠΏΠΎ 4 ΡΡΡΠ±ΠΎΡΠΊΠΈ, ΡΠ°ΡΠΏΠΎΠ»ΠΎΠΆΠ΅Π½Π½ΡΠ΅ ΠΏΠΎ Π΄ΠΈΠ°Π³ΠΎΠ½Π°Π»ΠΈ. Π§Π΅ΡΠ΅Π· 4-5 ΡΠΌ ΡΠ°Π·Π΄Π΅Π»ΡΡΡ ΠΈΡ ΠΏΠΎ 2, Π° Π΅ΡΠ΅ ΡΠ΅ΡΠ΅Π· 5 ΡΠΌ Π²ΡΠ΅ ΡΡΡΠ±ΠΎΡΠΊΠΈ ΡΠ°Π·Π²ΠΎΠ΄ΡΡ ΠΈ ΠΏΡΠΎΠ΄ΠΎΠ»ΠΆΠ°ΡΡ ΠΊΡΡΠ³ΠΎΠ²ΠΎΠ΅ ΠΏΠ»Π΅ΡΠ΅Π½ΠΈΠ΅.
- Π’Π°ΠΊΠΈΠΌ ΠΎΠ±ΡΠ°Π·ΠΎΠΌ ΡΠΎΠ·Π΄Π°Π΅ΡΡΡ Π΄Π½ΠΈΡΠ΅ ΠΊΠΎΡΠ·ΠΈΠ½ΠΊΠΈ (ΠΏΡΠΈΠΌΠ΅ΡΠ½ΠΎ 35 ΡΠΌ).
- ΠΠ°Π»Π΅Π΅ ΡΠ°Π΄ΠΈΠ°Π»ΡΠ½ΡΠ΅ ΡΡΡΠ±ΠΎΡΠΊΠΈ-ΡΠ΅Π±ΡΠ° Π·Π°Π³ΠΈΠ±Π°ΡΡ Π²Π²Π΅ΡΡ , ΠΏΠ»Π΅ΡΠ΅Π½ΠΈΠ΅ ΠΏΡΠΎΠ΄ΠΎΠ»ΠΆΠ°ΡΡ Π² Π²Π΅ΡΡΠΈΠΊΠ°Π»ΡΠ½ΠΎΠΉ ΠΏΠ»ΠΎΡΠΊΠΎΡΡΠΈ.
- Π€ΠΎΡΠΌΠΈΡΠΎΠ²Π°Π½ΠΈΠ΅ Π²Ρ ΠΎΠ΄Π° Π΄Π΅Π»Π°ΡΡ ΠΎΠ±ΡΠ°ΡΠ½ΡΠΌ ΡΠΏΠΎΡΠΎΠ±ΠΎΠΌ β ΠΎΠ±ΡΠ΅Π΄ΠΈΠ½ΡΡΡ ΡΠ»Π΅ΠΌΠ΅Π½ΡΡ ΠΏΠΎ 2-4 ΡΡΡΠΊΠΈ, ΡΡΠΎΠ±Ρ ΠΎΠ±ΡΠ°Π·ΠΎΠ²ΡΠ²Π°Π»ΠΈΡΡ ΠΎΡΠ²Π΅ΡΡΡΠΈΡ.
ΠΠ° Π΄Π½ΠΎ ΠΌΠΎΠΆΠ½ΠΎ ΠΏΠΎΠ»ΠΎΠΆΠΈΡΡ ΠΌΡΠ³ΠΊΡΡ ΠΏΠΎΠ΄ΡΡΠΈΠ»ΠΊΡ, ΡΡΠΎΠ±Ρ ΠΊΠΎΡΠΊΠ° Π½Π΅ Π»Π΅ΠΆΠ°Π»Π° Π½Π° ΠΏΠ»Π΅ΡΠ΅Π½ΠΎΠΉ ΠΏΠΎΠ²Π΅ΡΡ Π½ΠΎΡΡΠΈ.
ΠΠΎΡΠΎΠ²ΠΎΠ΅ ΠΈΠ·Π΄Π΅Π»ΠΈΠ΅ ΠΎΠΊΡΠ°ΡΠΈΠ²Π°ΡΡ, ΠΏΠΎΠΊΡΡΠ²Π°ΡΡ Π»Π°ΠΊΠΎΠΌ ΠΈΠ»ΠΈ ΠΌΠΎΡΠΈΠ»ΠΊΠΎΠΉ Π½Π° Π²ΠΎΠ΄Π½ΠΎΠΉ ΠΎΡΠ½ΠΎΠ²Π΅. Π’Π°ΠΊΡΡ ΠΊΠΎΡΠ·ΠΈΠ½ΠΊΡ, Π°Π½Π°Π»ΠΎΠ³ΠΈΡΠ½ΠΎ Π΄ΠΎΠΌΠΈΠΊΡ Π΄Π»Ρ ΠΊΠΎΡΠΊΠΈ ΠΈΠ· ΠΏΠΎΡΠΎΠ»ΠΎΠ½Π° ΠΈ ΡΠΊΠ°Π½ΠΈ, ΠΌΠΎΠΆΠ½ΠΎ ΠΏΠΎΠ΄Π²Π΅ΡΠΈΠ²Π°ΡΡ Π½Π° ΡΡΠΎΠΉΠΊΠ°Ρ
, ΡΡΠΎΠ±Ρ ΠΈΡΠΏΠΎΠ»ΡΠ·ΠΎΠ²Π°ΡΡ Π΅Π΅ Π² ΠΊΠ°ΡΠ΅ΡΡΠ²Π΅ Π΄ΠΎΠΏΠΎΠ»Π½ΠΈΡΠ΅Π»ΡΠ½ΠΎΠ³ΠΎ ΠΏΡΠ΅Π΄ΠΌΠ΅ΡΠ° ΠΈΠ³ΡΠΎΠ²ΠΎΠΉ Π·ΠΎΠ½Ρ.
ΠΠΎΠ»Π΅Π·Π½ΡΠ΅ ΡΠΎΠ²Π΅ΡΡ
ΠΠΈ ΠΎΠ΄Π½Π° ΠΏΠΎΡΠ°Π³ΠΎΠ²Π°Ρ ΠΈΠ½ΡΡΡΡΠΊΡΠΈΡ Π΄Π»Ρ ΡΠΎΠ·Π΄Π°Π½ΠΈΡ Π΄ΠΎΠΌΠΈΠΊΠ° Π΄Π»Ρ ΠΊΠΎΡΠΊΠΈ ΡΠ²ΠΎΠΈΠΌΠΈ ΡΡΠΊΠ°ΠΌΠΈ Π½Π΅ ΠΌΠΎΠΆΠ΅Ρ ΡΡΠΈΡΠ°ΡΡΡΡ Π°Π±ΡΠΎΠ»ΡΡΠ½ΠΎ Π²Π΅ΡΠ½ΠΎΠΉ. ΠΡΠ΅Π³Π΄Π° ΡΡΠΈΡΡΠ²Π°ΡΡΡΡ ΠΈΠ½Π΄ΠΈΠ²ΠΈΠ΄ΡΠ°Π»ΡΠ½ΡΠ΅ ΠΎΡΠΎΠ±Π΅Π½Π½ΠΎΡΡΠΈ ΠΆΠΈΠ²ΠΎΡΠ½ΠΎΠ³ΠΎ, Π΅Π³ΠΎ ΡΠΎΡΡ ΠΈ Π²Π΅Ρ, ΡΠ΅ΠΌΠΏΠ΅ΡΠ°ΠΌΠ΅Π½Ρ ΠΈ Π°ΠΊΡΠΈΠ²Π½ΠΎΡΡΡ.
- Π ΠΏΡΠΎΡΠ΅ΡΡΠ΅ ΠΈΠ·Π³ΠΎΡΠΎΠ²Π»Π΅Π½ΠΈΡ Π΄ΠΎΠΌΠΈΠΊΠ° Π΄Π»Ρ ΠΊΠΎΡΠ΅Π½ΠΊΠ° ΡΠ»Π΅Π΄ΡΠ΅Ρ ΠΎΡΠΈΠ΅Π½ΡΠΈΡΠΎΠ²Π°ΡΡΡΡ Π½Π° ΡΠΎ, ΡΡΠΎ ΠΆΠΈΠ²ΠΎΡΠ½ΠΎΠ΅ ΡΠΎ Π²ΡΠ΅ΠΌΠ΅Π½Π΅ΠΌ Π²ΡΡΠ°ΡΡΠ΅Ρ β Π²ΡΡΠ΄ Π»ΠΈ Π²Π»Π°Π΄Π΅Π»ΡΡΡ Π² Π΄Π°Π»ΡΠ½Π΅ΠΉΡΠ΅ΠΌ Π·Π°Ρ ΠΎΡΠ΅ΡΡΡ ΠΏΠ΅ΡΠ΅Π΄Π΅Π»ΡΠ²Π°ΡΡ ΠΊΠΎΠ½ΡΡΡΡΠΊΡΠΈΡ.
- ΠΠ΅ ΡΠ΅ΠΊΠΎΠΌΠ΅Π½Π΄ΡΠ΅ΡΡΡ ΠΎΠ±Π²ΡΠ·ΡΠ²Π°ΡΡ ΠΊΠΎΠ³ΡΠ΅ΡΠΎΡΠΊΠΈ ΡΠ»ΠΈΡΠΊΠΎΠΌ ΡΠΎΠ½ΠΊΠΎΠΉ Π²Π΅ΡΠ΅Π²ΠΊΠΎΠΉ β ΠΎΠ½ΠΈ Π±ΡΡΡΡΠΎ ΡΠ²ΡΡΡΡ ΠΈ ΡΠ»ΠΎΠΆΠ½ΠΎ Π·Π°ΠΌΠ΅Π½ΡΡΡΡΡ.
- Π Π΄Π΅ΡΠ΅Π²ΡΠ½Π½ΡΡ Π΄ΠΎΠΌΠΈΠΊΠ°Ρ Π½ΡΠΆΠ½ΠΎ Π΄Π΅Π»Π°ΡΡ Π½Π΅ΡΠΊΠΎΠ»ΡΠΊΠΎ ΠΎΡΠ²Π΅ΡΡΡΠΈΠΉ. Π ΠΏΡΠΈΡΠΎΠ΄Π΅ Π² ΠΆΠΈΠ»ΠΈΡΠ΅ ΠΊΠΎΡΠ΅ΠΊ Π²ΡΠ΅Π³Π΄Π° Π΅ΡΡΡ Π΄ΠΎΠΏΠΎΠ»Π½ΠΈΡΠ΅Π»ΡΠ½ΡΠ΅ Π²ΡΡ ΠΎΠ΄Ρ, ΠΊΠΎΡΠΎΡΡΠΌΠΈ ΠΎΠ½ΠΈ ΠΎΡ ΠΎΡΠ½ΠΎ ΠΏΠΎΠ»ΡΠ·ΡΡΡΡΡ.
- ΠΡΠ»ΠΈ Π΄ΠΎΠΌΠΈΠΊ ΠΌΠ½ΠΎΠ³ΠΎΡΡΡΡΠ½ΡΠΉ, ΡΠΎ Π½ΡΠΆΠ½ΠΎ ΠΏΠΎΠ΄Π³ΠΎΡΠΎΠ²ΠΈΡΡ ΠΈ Π³ΠΎΡΠΈΠ·ΠΎΠ½ΡΠ°Π»ΡΠ½ΡΠ΅, ΠΈ Π²Π΅ΡΡΠΈΠΊΠ°Π»ΡΠ½ΡΠ΅ Ρ ΠΎΠ΄Ρ.
ΠΡΠΈ ΡΠΎΠ·Π΄Π°Π½ΠΈΠΈ ΠΏΠΎΠ»Π½ΠΎΡΠ΅Π½Π½ΠΎΠΉ ΠΈΠ³ΡΠΎΠ²ΠΎΠΉ Π·ΠΎΠ½Ρ Π΄Π΅Π»Π°ΡΡ Π»Π΅ΡΠ΅Π½ΠΊΠΈ, ΡΡΠ°Π²ΡΡ ΠΏΠΎΠΏΠ΅ΡΠ΅ΡΠ½ΡΠ΅ Π±ΡΡΡΡΡ, ΠΏΠΎΠ΄Π²Π΅ΡΠΈΠ²Π°ΡΡ ΠΊΠ°Π½Π°ΡΠΈΠΊΠΈ ΠΈ ΠΈΠ³ΡΡΡΠΊΠΈ. ΠΠΎΡΠΊΠΈ ΠΏΡΠ΅Π²ΡΠ°ΡΠ°ΡΡ Π² ΠΈΠ½Π²Π΅Π½ΡΠ°ΡΡ Π΄Π»Ρ ΠΈΠ³Ρ Π»ΡΠ±ΠΎΠΉ ΠΏΡΠ΅Π΄ΠΌΠ΅Ρ. Π ΠΈΡ
ΠΏΡΠΈΡΠΎΠ΄Π΅ Π·Π°Π»ΠΎΠΆΠ΅Π½Π° ΡΠ½ΠΈΠΊΠ°Π»ΡΠ½Π°Ρ ΡΠΏΠΎΡΠΎΠ±Π½ΠΎΡΡΡ ΠΈΡΠΏΠΎΠ»ΡΠ·ΠΎΠ²Π°ΡΡ Π²ΡΠ΅ ΠΏΠΎΠ΄ΡΡΡΠ½ΡΠ΅ ΡΡΠ΅Π΄ΡΡΠ²Π°.
Π ΡΠΏΠ΅ΡΠΈΠ°Π»ΠΈΡΡΡ Π·Π°ΠΌΠ΅ΡΠΈΠ»ΠΈ, ΡΡΠΎ ΡΠ΅ΠΌ Π±ΠΎΠ»ΡΡΠ΅ Π²ΠΎΠ·ΠΌΠΎΠΆΠ½ΠΎΡΡΠΈ Ρ ΠΆΠΈΠ²ΠΎΡΠ½ΠΎΠ³ΠΎ ΡΠ°Π·Π½ΠΎΠΎΠ±ΡΠ°Π·Π½ΠΎ Π΄Π²ΠΈΠ³Π°ΡΡΡΡ ΠΈ ΠΏΡΡΠ³Π°ΡΡ, ΡΠ΅ΠΌ ΠΊΡΠ΅ΠΏΡΠ΅ Π΅Π³ΠΎ ΠΊΠΎΡΡΡΠΊ ΠΈ ΡΠ²ΡΠ·ΠΊΠΈ, ΡΡΡΠΎΠΉΡΠΈΠ²Π΅Π΅ ΠΏΡΠΈΡ
ΠΈΠΊΠ° ΠΈ Π½ΠΈΠΊΠΎΠ³Π΄Π° Π½Π΅ Π±ΡΠ²Π°Π΅Ρ ΠΏΡΠΎΠ±Π»Π΅ΠΌ Ρ Π»ΠΈΡΠ½ΠΈΠΌ Π²Π΅ΡΠΎΠΌ.
ΠΠΎΠΌΠΈΠΊ Π΄Π»Ρ ΠΊΠΎΡΠΊΠΈ ΡΠ²ΠΎΠΈΠΌΠΈ ΡΡΠΊΠ°ΠΌΠΈ
ΠΠΎΡΡ β Ρ ΠΎΠ·ΡΠ΅Π²Π° ΠΆΠΈΠ·Π½ΠΈ ΠΈ ΡΡΠΎ Π±Ρ Π½ΠΈ Π³ΠΎΠ²ΠΎΡΠΈΠ»ΠΈ ΠΊΠΈΠ½ΠΎΠ»ΠΎΠ³ΠΈ, ΡΠΏΠΎΡΠΈΡΡ Ρ ΡΠ°ΠΊΡΠ°ΠΌΠΈ Π½Π΅Π²ΠΎΠ·ΠΌΠΎΠΆΠ½ΠΎ. Π£ ΠΊΠ°ΠΆΠ΄ΠΎΠ³ΠΎ ΡΡΠ΅ΡΡΠ΅Π³ΠΎ ΡΠ΅Π»ΠΎΠ²Π΅ΠΊΠ° ΠΏΡΡΠΌΠΎ ΡΠ΅ΠΉΡΠ°Ρ, Π² ΡΡΠΎΡ ΡΠ°ΠΌΡΠΉ ΠΌΠΎΠΌΠ΅Π½Ρ Π½Π° ΡΡΠΊΠ°Ρ Π»Π΅ΠΆΠΈΡ ΠΊΠΎΡΠΊΠ° ΠΈΠ»ΠΈ ΠΊΠΎΡ. ΠΠΎ ΠΆΠΈΠ²ΠΎΡΠ½ΠΎΠ΅ ΠΎΡΠ΅Π½Ρ ΡΠ²ΠΎΠ΅Π½ΡΠ°Π²Π½ΠΎΠ΅, Π³Π»ΡΠ±ΠΎΠΊΠΎΠ΅ ΠΈ Π½Π΅ Π΄ΠΎ ΠΊΠΎΠ½ΡΠ° ΠΏΠΎΠ½ΡΡΠ½ΠΎΠ΅. ΠΡΠΎ Π½Π΅ Π°ΠΊΠ²Π°ΡΠΈΡΠΌΠ½Π°Ρ ΡΡΠ±ΠΊΠ° Ρ ΠΎΡΠ΅Π½Ρ ΠΎΠ³ΡΠ°Π½ΠΈΡΠ΅Π½Π½ΡΠΌ ΡΠΏΠΈΡΠΊΠΎΠΌ Π·Π°ΠΏΡΠΎΡΠΎΠ². ΠΠΎΡΠ°ΠΌ Π½Π΅Π΄ΠΎΡΡΠ°ΡΠΎΡΠ½ΠΎ Π²Π½ΠΈΠΌΠ°Π½ΠΈΡ, Π²ΡΠ΅Π³Π΄Π° ΠΌΠ°Π»ΠΎ ΠΏΡΠΎΡΡΠΎΡΠ°, Π΅ΠΆΠ΅ΠΌΠΈΠ½ΡΡΠ½ΠΎ ΡΡΠ΅ΠΌΠ»ΡΡΡΡΡ ΠΈΡ ΠΏΡΠ°Π²Π°. Π ΡΠ²Π΅ΡΠ΅ Π±ΠΎΡΡΠ±Ρ Π·Π° ΠΏΡΠ°Π²Π° ΠΊΠΎΡΠΎΠ², ΡΠ΅Π³ΠΎΠ΄Π½Ρ ΠΌΡ ΡΠ°ΡΡΠΌΠΎΡΡΠΈΠΌ ΡΡΡΡΠΎΠΉΡΡΠ²ΠΎ ΠΊΠΎΡΠ°ΡΡΠ΅Π³ΠΎ Π΄ΠΎΠΌΠ°, ΠΊΠ°ΠΊ ΠΎΠ΄Π½Ρ ΠΈΠ· Π½Π΅ΠΏΡΠ΅ΠΌΠ΅Π½Π½ΡΡ ΠΎΠ±ΡΠ·Π°Π½Π½ΠΎΡΡΠ΅ΠΉ Ρ ΠΎΠ·ΡΠΈΠ½Π°.
Π‘ΠΎΠ΄Π΅ΡΠΆΠ°Π½ΠΈΠ΅:
- ΠΡΠΆΠ΅Π½ Π»ΠΈ ΠΊΠΎΡΠ°ΠΌ ΡΠ²ΠΎΠΉ ΡΠ³ΠΎΠ»ΠΎΠΊ?
- ΠΡΠ±ΠΎΡ ΠΊΠΎΠ½ΡΡΡΡΠΊΡΠΈΠΈ Π΄ΠΎΠΌΠΈΠΊΠ°
- ΠΡΠΊΡΠΎΠΉΠΊΠΈ ΠΈ ΡΠ΅ΡΡΠ΅ΠΆΠΈ Π΄ΠΎΠΌΠΈΠΊΠ° Π΄Π»Ρ ΠΊΠΎΡΠ΅ΠΊ
- ΠΠΎΡΠΊΠ° ΠΈΠ»ΠΈ ΠΊΠΎΡ
- ΠΠ°ΡΠ΅ΡΠΈΠ°Π»Ρ Π΄Π»Ρ ΡΡΡΠΎΠΈΡΠ΅Π»ΡΡΡΠ²Π°
ΠΡΠΆΠ΅Π½ Π»ΠΈ ΠΊΠΎΡΠ°ΠΌ ΡΠ²ΠΎΠΉ ΡΠ³ΠΎΠ»ΠΎΠΊ?
ΠΠ°ΠΆΠ΄ΠΎΠΌΡ ΠΆΠΈΠ²ΠΎΠΌΡ ΡΡΡΠ΅ΡΡΠ²Ρ Π½Π΅ΠΎΠ±Ρ
ΠΎΠ΄ΠΈΠΌΠΎ ΡΠ²ΠΎΡ Π»ΠΈΡΠ½ΠΎΠ΅ ΠΏΡΠΎΡΡΡΠ°Π½ΡΡΠ²ΠΎ, Π½Π° ΠΊΠΎΡΠΎΡΠΎΠ΅ Π±ΠΎΠ»ΡΡΠ΅ Π½ΠΈΠΊΡΠΎ Π½Π΅ ΠΏΡΠ΅ΡΠ΅Π½Π΄ΡΠ΅Ρ.
Π‘Π΄Π΅Π»Π°Π² Π΄ΠΎΠΌΠΈΠΊ Π΄Π»Ρ ΠΊΠΎΡΠΊΠΈ ΡΠ²ΠΎΠΈΠΌΠΈ ΡΡΠΊΠ°ΠΌΠΈ ΠΏΠΎΡΠ°Π³ΠΎΠ²Π°Ρ ΠΈΠ½ΡΡΡΡΠΊΡΠΈΡ Π΄Π»Ρ ΠΊΠΎΡΠΎΡΠΎΠ³ΠΎ Π±ΡΠ΄Π΅Ρ ΠΏΡΠ΅Π΄ΡΡΠ°Π²Π»Π΅Π½Π° Π½ΠΈΠΆΠ΅, ΠΌΡ Π²ΡΡΠ°Π·ΠΈΠΌ ΡΠ²Π°ΠΆΠ΅Π½ΠΈΠ΅ ΠΊ Π½ΠΎΡΠΎΠ²ΠΈΡΡΠΎΠΌΡ Π·Π²Π΅ΡΡ ΠΈ, Π²ΠΎΠ·ΠΌΠΎΠΆΠ½ΠΎ, ΠΏΠΎΠ»ΡΡΠΈΠΌ Π±ΠΎΠ»Π΅Π΅ Π²ΡΡΠΎΠΊΠΈΠΉ ΡΡΠΎΠ²Π΅Π½Ρ Π΄ΠΎΠ²Π΅ΡΠΈΡ Ρ ΠΊΠΎΡΠ°ΡΡΠ΅ΠΉ ΡΡΠΎΡΠΎΠ½Ρ. ΠΡΠΎ ΠΌΠΎΠΆΠ΅Ρ Π²ΡΡΠ°ΠΆΠ°ΡΡΡΡ Π² ΡΠ½ΠΈΠΆΠ΅Π½ΠΈΠΈ ΡΠ°ΡΡΠΎΡΡ Π°ΡΠ°ΠΊ Π½Π° ΠΌΡΡΠΎΡΠ½ΠΎΠ΅ Π²Π΅Π΄ΡΠΎ, ΠΏΠΎΠ΄ΡΡΠΌΠΎΠ² Π² ΡΠ΅ΡΡΡ ΡΡΡΠ° Ρ ΠΏΡΠΎΡΡΠ±ΠΎΠΉ ΠΏΠ΅ΡΠ΅ΠΊΡΡΠΈΡΡ ΠΈΠ»ΠΈ ΠΏΡΠΎΡΡΠΎ ΠΏΠΎΠΈΠ³ΡΠ°ΡΡ ΠΊΠ»ΡΠ±ΠΎΡΠΊΠΎΠΌ, ΡΠ»ΠΎΠ²ΠΎΠΌ, Π΄Π°ΠΉΡΠ΅ ΠΊΠΎΡΡ ΡΠ²ΠΎΠΉ ΡΠ³ΠΎΠ»ΠΎΠΊ ΠΈ ΠΎΠ½ ΠΎΡΡΠ°Π²ΠΈΡ Π² ΠΏΠΎΠΊΠΎΠ΅ Π²Π°Ρ Π»ΠΈΡΠ½ΡΠΉ ΠΏΡΠΎΡΡΠΎΡ, Π΅ΡΠ»ΠΈ, ΠΊΠΎΠ½Π΅ΡΠ½ΠΎ, ΡΡΠΎΡ ΡΠ³ΠΎΠ»ΠΎΠΊ ΠΏΡΠΈΠ΄ΡΡΡΡ Ρ
Π²ΠΎΡΡΠ°ΡΠΎΠΌΡ ΠΏΠΎ Π΄ΡΡΠ΅.
Π Π°Π±ΠΎΡΡ Π² ΠΎΠ±ΡΠ΅ΠΌ-ΡΠΎ Π½Π΅ ΡΠ°ΠΊ ΠΌΠ½ΠΎΠ³ΠΎ, Π³Π»Π°Π²Π½ΠΎΠ΅ β Π·Π½Π°ΡΡ ΡΡΠΎ ΠΈΠΌΠ΅Π½Π½ΠΎ Π»ΡΠ±ΠΈΡ ΠΊΠΎΡ. ΠΡΠ΅Π½Ρ ΡΡΠ°ΡΠ°Ρ ΡΡ Π΅ΠΌΠ°, ΠΊΠΎΡΠΎΡΠ°Ρ ΠΏΠΎΠ΄ΠΊΡΠΏΠ°Π΅Ρ Π±ΠΎΠ»ΡΡΠΈΠ½ΡΡΠ²ΠΎ Π·Π²Π΅ΡΠ΅ΠΉ β Π²ΠΎΠΉΠ»ΠΎΡΠ½ΡΠ΅ Π³Π½ΡΠ·Π΄ΡΡΠΊΠΈ. ΠΠΎ ΡΡΡΠΈ, ΡΡΠΎ ΠΎΠ±ΡΡΠ½ΡΠΉ Π²Π°Π»Π΅Π½ΠΎΠΊ, ΠΎΡΠΎΡΠΌΠ»Π΅Π½Π½ΡΠΉ ΡΠ°ΠΊ, ΡΡΠΎΠ±Ρ ΠΊΠΎΡ Π΄ΡΠΌΠ°Π», ΡΡΠΎ Π²Ρ ΡΡΡΠ΄ΠΈΠ»ΠΈΡΡ Π½Π°Π΄ Π΅Π³ΠΎ ΠΈΠ·Π³ΠΎΡΠΎΠ²Π»Π΅Π½ΠΈΠ΅ΠΌ ΠΊΠ°ΠΊ ΠΌΠΈΠ½ΠΈΠΌΡΠΌ ΠΏΡΡΡ Π½Π΅Π΄Π΅Π»Ρ. ΠΡΠΈΡΡΠΌ Π²Π°Π»Π΅Π½ΠΎΠΊ ΠΎΠ±ΡΠ·Π°Π½ Π±ΡΡΡ ΡΡΡΠΎΠ³ΠΎ ΠΏΠΎ ΡΠ°Π·ΠΌΠ΅ΡΠ°ΠΌ ΠΊΠΎΡΠ°, ΠΈΠ½Π°ΡΠ΅ Π²ΡΠ΅ ΡΡΠ°ΡΠ°Π½ΠΈΡ ΡΠ³ΠΎΠ΄ΠΈΡΡ Π΅ΠΌΡ Π±ΡΠ΄ΡΡ ΡΡΠ΅ΡΠ½ΡΠΌΠΈ.
ΠΡΠ±ΠΎΡ ΠΊΠΎΠ½ΡΡΡΡΠΊΡΠΈΠΈ Π΄ΠΎΠΌΠΈΠΊΠ°
Π ΠΏΡΠΎΠ΄Π°ΠΆΠ΅ ΡΡΡΠ΅ΡΡΠ²ΡΠ΅Ρ ΠΌΠ°ΡΡΠ° Π²ΡΡΠΊΠΈΡ
ΠΊΠΎΠ½ΡΡΡΡΠΊΡΠΈΠΉ, ΠΊΠΎΡΠΎΡΡΠ΅ ΠΌΠΎΠ³ΡΡ ΡΡΠΈΡΡΠ²Π°ΡΡ ΠΏΡΠΈΠ²ΡΡΠΊΠΈ ΠΊΠΎΡΠ°.
ΠΡΡΡ Π΄Π°ΠΆΠ΅ Π°Π±ΡΠΎΠ»ΡΡΠ½ΠΎ Π½Π΅Π»Π΅ΠΏΡΠ΅ ΡΡΡΠΊΠΎΠ²ΠΈΠ½Ρ, Π²ΡΠΎΠ΄Π΅ Π΄ΠΎΠΌΠΈΠΊΠ° ΡΡΠ°Π»Π΅ΡΠ°. ΠΠ΄Π΅ΡΡ Π½ΡΠΆΠ½ΠΎ ΠΏΠΎΠ½ΠΈΠΌΠ°ΡΡ, ΡΡΠΎ ΠΊΠΎΡ Π² ΠΆΠΈΠ·Π½ΠΈ Π½Π΅ ΡΡΠ°Π½Π΅Ρ ΡΠΏΠ°ΡΡ Π±Π»ΠΈΠΆΠ΅ ΠΏΡΡΠΈ ΠΌΠ΅ΡΡΠΎΠ² ΠΎΡ ΠΎΡΡ
ΠΎΠΆΠ΅Π³ΠΎ ΠΌΠ΅ΡΡΠ°, Π²Π΅ΡΠ° Π½Π΅ ΠΏΠΎΠ·Π²ΠΎΠ»ΡΠ΅Ρ, ΠΏΠΎΡΡΠΎΠΌΡ ΠΏΠΎΠ»Π½ΠΎΡΡΡΡ ΠΏΠΎΠ»Π°Π³Π°ΡΡΡΡ Π½Π° ΠΏΠΎΠΊΡΠΏΠ½ΡΠ΅ ΠΊΠΎΠ½ΡΡΡΡΠΊΡΠΈΠΈ β Π±Π΅Π·Π½Π°Π΄ΡΠΆΠ½ΠΎΠ΅ Π·Π°Π½ΡΡΠΈΠ΅. ΠΠ° ΠΈΡΠΊΠ»ΡΡΠ΅Π½ΠΈΠ΅ΠΌ Π΄ΠΎΠΌΠΈΠΊΠΎΠ² Ρ ΠΊΠΎΠ³ΡΠ΅ΡΠΎΡΠΊΠΎΠΉ, Π±Π΅Π· ΠΊΠΎΡΠΎΡΠΎΠΉ Π½Π΅ΠΊΠΎΡΠΎΡΡΠ΅ ΠΊΠΎΡΠ°ΡΡΠΈ ΡΠ°ΡΡ ΠΆΠΈΡΡ Π½Π΅ Π² ΡΠΎΡΡΠΎΡΠ½ΠΈΠΈ. ΠΠ° ΠΈ ΠΏΡΠΈ ΠΊΠΎΠ½ΡΡΡΡΠΈΡΠΎΠ²Π°Π½ΠΈΠΈ ΡΠ°ΠΌΠΎΠ΄Π΅Π»ΡΠ½ΠΎΠ³ΠΎ Π΄ΠΎΠΌΠΈΠΊΠ° ΠΊΠΎΠ³ΡΠ΅ΡΠΎΡΠΊΠ° Π±ΡΠ΄Π΅Ρ ΡΠΎΠ²ΡΠ΅ΠΌ Π½Π΅ Π»ΠΈΡΠ½Π΅ΠΉ. ΠΠ½Π° ΡΠΏΠ°ΡΡΡ ΠΎΡ ΠΏΠΎΠ»Π½ΠΎΠ³ΠΎ ΡΠ½ΠΈΡΡΠΎΠΆΠ΅Π½ΠΈΡ ΠΌΡΠ³ΠΊΡΡ ΠΌΠ΅Π±Π΅Π»Ρ ΠΈ, Π²ΠΎΠ·ΠΌΠΎΠΆΠ½ΠΎ, ΡΡΠΈ-ΡΠΎ ΠΊΠΎΠ»Π³ΠΎΡΠΊΠΈ.
ΠΡΡΡ Π΅ΡΡ ΠΎΠ΄Π½Π° Ρ ΠΎΡΠΎΡΠ°Ρ ΡΠ°ΠΊΡΠΈΠΊΠ° β Π²ΡΠ΅ΠΌΠ΅Π½Π½ΡΠΉ Π΄ΠΎΠΌ Π΄Π»Ρ ΠΊΠΎΡΠ°. Π’Π°ΠΊΠ°Ρ ΠΊΠΎΠ½ΡΡΡΡΠΊΡΠΈΡ Π±ΡΠ΄Π΅Ρ ΠΎΠΏΡΠΈΠΌΠ°Π»ΡΠ½Π° Π΄Π»Ρ ΡΠ΅ΡΠ²Π΅ΡΠΎΠ½ΠΎΠ³ΠΈΡ Ρ Π½Π΅ΡΡΠ°Π²Π½ΠΎΠ²Π΅ΡΠ΅Π½Π½ΡΠΌ Ρ Π°ΡΠ°ΠΊΡΠ΅ΡΠΎΠΌ, ΠΊΠΎΡΠΎΡΡΠΌ Π½Π΅ ΡΡΠΆΠ΄Ρ ΠΏΠ΅ΡΠ΅ΠΌΠ΅Π½Ρ ΠΈ Π½ΠΎΠ²ΡΠ΅ ΠΎΡΡΡΠ΅Π½ΠΈΡ. ΠΠΈΡΠ΅Π³ΠΎ ΠΆΠ΅ Π½Π΅ Π±ΡΠ΄Π΅Ρ ΡΡΠΎΠΈΡ ΡΠΎΠΎΡΡΠ΄ΠΈΡΡ Π»ΡΠ±ΠΈΠΌΠΎΠΌΡ ΠΆΠΈΠ²ΠΎΡΠ½ΠΎΠΌΡ Π΄ΠΎΠΌΠΈΠΊ ΠΈΠ· Π³Π°Π·Π΅ΡΠ½ΡΡ ΡΡΡΠ±ΠΎΡΠ΅ΠΊ, ΠΊ ΠΏΡΠΈΠΌΠ΅ΡΡ, ΡΠ°ΠΊΠΎΠΉ, ΠΊΠ°ΠΊ Π½Π° ΡΠΎΡΠΎ Π½ΠΈΠΆΠ΅?
Π Π΅ΠΌΡ Π±ΡΠ΄Π΅Ρ ΠΏΡΠΈΡΡΠ½ΠΎ, ΡΠ΅ΠΌ Π±ΠΎΠ»Π΅Π΅, ΡΡΠΎ ΠΊΠ°ΠΊ ΡΠΎΠ»ΡΠΊΠΎ Π²ΠΈΠ»Π»Π° Π½Π°Π΄ΠΎΠ΅ΡΡ, ΠΊΠΎΡ ΡΠ°ΡΠΏΡΠ°Π²ΠΈΡΡΡ Ρ Π½Π΅ΠΉ Π² Π΄Π²Π° ΡΡΠ΅ΡΠ°. Π’ΠΎΠ³Π΄Π° ΠΌΠΎΠΆΠ½ΠΎ Π±ΡΠ΄Π΅Ρ ΠΏΠΎΡΡΡΠΎΠΈΡΡ Π΄ΠΎΠΌ Π΄Π»Ρ ΠΊΠΎΡΠ° ΠΈΠ· ΠΊΠΎΡΠΎΠ±ΠΎΠΊ ΠΎΡ ΠΎΠ±ΡΠ²ΠΈ, ΠΊΠΎΡΠΎΡΡΠ΅ ΡΠ°Π½ΠΎ ΠΈΠ»ΠΈ ΠΏΠΎΠ·Π΄Π½ΠΎ Π²ΡΠ΅ ΡΠ°Π²Π½ΠΎ ΠΎΠΊΠ°ΠΆΡΡΡΡ Π½Π° ΠΌΡΡΠΎΡΠΊΠ΅.
ΠΠΎ ΠΎΠ± ΡΡΠΎΠΌ ΠΊΠΎΡ Π·Π½Π°ΡΡ Π½Π΅ Π΄ΠΎΠ»ΠΆΠ΅Π½!
ΠΡΠΊΡΠΎΠΉΠΊΠΈ ΠΈ ΡΠ΅ΡΡΠ΅ΠΆΠΈ Π΄ΠΎΠΌΠΈΠΊΠ° Π΄Π»Ρ ΠΊΠΎΡΠ΅ΠΊ
Π‘Π»ΠΎΠΆΠ½ΠΎΡΡΡ Π²ΡΠ±ΠΎΡΠ° ΠΊΠΎΠ½ΡΡΡΡΠΊΡΠΈΠΈ Π΄ΠΎΠΌΠΈΠΊΠ° Π΄Π»Ρ ΠΊΠΎΡΠΊΠΈ Π² ΡΠΎΠΌ, ΡΡΠΎ ΠΊΠ°ΠΆΠ΄Π°Ρ ΠΊΠΎΡΠΊΠ° ΠΈ ΠΊΠ°ΠΆΠ΄ΡΠΉ ΠΊΠΎΡ β Π»ΠΈΡΠ½ΠΎΡΡΡ. ΠΠ΅Π· ΠΏΡΠ΅ΡΠ²Π΅Π»ΠΈΡΠ΅Π½ΠΈΠΉ. ΠΠΎΡΠΎΠ΄ΠΈΡΡΡΠ΅ ΠΊΠΎΡΡ Π²ΠΎΡΡΠΎΡΠ½ΡΡ ΠΊΡΠΎΠ²Π΅ΠΉ ΠΈΠΌΠ΅ΡΡ ΠΎΠ±ΡΠΊΠ½ΠΎΠ²Π΅Π½ΠΈΠ΅ ΠΏΠΎΡΡΠ³ΠΈΠ²Π°ΡΡΡΡ Π½Π° ΡΡΠΏΠΎΡΠΊΠ°Ρ , ΡΡΠΎ Π³ΠΎΠ²ΠΎΡΠΈΡ ΠΎ ΡΠΎΠΌ, ΡΡΠΎ Π΅Ρ ΠΏΡΠ΅Π΄ΠΊΠΈ ΠΆΠΈΠ»ΠΈ Π² Π΄ΡΠΏΠ»Π°Ρ Π΄Π΅ΡΠ΅Π²ΡΠ΅Π². ΠΠΎΡΡΠΎΠΌΡ, Π·Π°ΠΌΠ΅ΡΠΈΠ² ΡΠ°ΠΊΠΈΠ΅ ΠΏΠΎΠ²Π°Π΄ΠΊΠΈ Ρ ΡΠ²ΠΎΠ΅Π³ΠΎ ΠΏΠΈΡΠΎΠΌΡΠ°, ΠΌΠΎΠΆΠ½ΠΎ Π·Π°ΠΏΡΠΎΡΡΠΎ ΠΏΠΎΡΡΡΠΎΠΈΡΡ Π΄ΠΎΠΌΠΈΠΊ, Π½Π°ΠΏΠΎΠΌΠΈΠ½Π°ΡΡΠΈΠΉ ΠΏΠΎ ΡΠ°Π·ΠΌΠ΅ΡΠ°ΠΌ Π΄ΡΠΏΠ»ΠΎ ΠΈ, ΡΠΊΠΎΡΠ΅Π΅ Π²ΡΠ΅Π³ΠΎ, ΠΊΠΎΡΠΊΠ° Ρ ΡΠ΄ΠΎΠ²ΠΎΠ»ΡΡΡΠ²ΠΈΠ΅ΠΌ ΠΈΠΌ Π²ΠΎΡΠΏΠΎΠ»ΡΠ·ΡΠ΅ΡΡΡ.
Π§ΡΠΎ ΠΊΠ°ΡΠ°Π΅ΡΡΡ ΡΠ°Π·ΠΌΠ΅ΡΠΎΠ², ΡΠΎ ΠΊΠ°ΠΊ ΡΠ°ΠΊΠΎΠ²ΡΡ , ΡΠ°Π·ΠΌΠ΅ΡΠΎΠ² Ρ ΠΊΠΎΡΠΎΠ² Π½Π΅Ρ. ΠΠ½ΠΈ ΠΊΠ°ΠΊΠΈΠΌ-ΡΠΎ ΠΎΠ±ΡΠ°Π·ΠΎΠΌ ΠΌΠΎΠ³ΡΡ ΠΏΡΠΎΠ½ΠΈΠΊΠ°ΡΡ ΠΊΡΠ΄Π° ΡΠ³ΠΎΠ΄Π½ΠΎ ΡΠ΅ΡΠ΅Π· Π°Π±ΡΠΎΠ»ΡΡΠ½ΠΎ Π½Π΅Π²Π΅ΡΠΎΡΡΠ½ΡΠ΅ ΡΠ΅Π»ΠΈ, ΠΈΠΌΠ΅Ρ Π΄Π°ΠΆΠ΅ Π²Π½ΡΡΠΈΡΠ΅Π»ΡΠ½ΡΠ΅ Π³Π°Π±Π°ΡΠΈΡΡ. ΠΠΎ ΠΏΡΠΈ Π²ΡΠ±ΠΎΡΠ΅ ΠΊΠΎΠ½ΡΡΡΡΠΊΡΠΈΠΈ Π²Ρ ΠΎΠ΄Π° ΡΡΠΎΠΈΡ Π²ΡΡ-ΡΠ°ΠΊΠΈ ΡΠ΄Π΅Π»Π°ΡΡ ΡΠ°ΠΊ, ΡΡΠΎΠ±Ρ ΠΆΠΈΠ²ΠΎΡΠ½ΠΎΠ΅ Π±Π΅Π· ΡΡΠΈΠ»ΠΈΠΉ ΠΏΡΠΎΠ½ΠΈΠΊΠ°Π»ΠΎ Π² ΡΠ±Π΅ΠΆΠΈΡΠ΅, Π²ΠΌΠ΅ΡΡΠ΅ Ρ ΡΠ΅ΠΌ, ΡΡΠΎΠ±Ρ Π²Ρ ΠΎΠ΄ ΠΎΠ³ΡΠ°ΠΆΠ΄Π°Π» Π΄ΠΎΠΌΠΈΠΊ ΠΎΡ ΡΠ²Π΅ΡΠ°, ΠΏΠΎΡΠΊΠΎΠ»ΡΠΊΡ Π³Π»Π°Π·Π° Ρ ΠΊΠΎΡΠ΅ΠΊ ΠΎΡΠ΅Π½Ρ ΡΡΠ²ΡΡΠ²ΠΈΡΠ΅Π»ΡΠ½ΡΠ΅.
ΠΠ»Ρ ΠΏΡΠΈΠΌΠ΅ΡΠ° ΠΏΡΠΈΠ²Π΅Π΄ΡΠΌ Π²ΡΠΊΡΠΎΠΉΠΊΠΈ ΠΈ ΡΠ΅ΡΡΠ΅ΠΆΠΈ Π΄ΠΎΠΌΠΈΠΊΠ° Π΄Π»Ρ ΠΊΠΎΡΠ΅ΠΊ Ρ ΠΏΠ»ΠΎΡΠ°Π΄ΠΊΠ°ΠΌΠΈ Π½Π° Π½Π΅ΡΠΊΠΎΠ»ΡΠΊΠΈΡ
ΡΡΠΎΠ²Π½ΡΡ
.
Π Π°Π·ΠΌΠ΅ΡΡ ΡΡΠΈΡ
ΠΏΠ»ΠΎΡΠ°Π΄ΠΎΠΊ ΡΠ°Π·Π½ΡΠ΅ β 35Ρ
35, Π° Π²ΡΠΎΡΠ°Ρ Π½Π° 10 ΠΌΠΌ Π±ΠΎΠ»ΡΡΠ΅. ΠΠ°ΡΠ΅ΡΠΈΠ°Π»ΠΎΠΌ Π΄Π»Ρ ΡΠ°ΠΊΠΎΠΉ ΠΎΡΠ½ΠΎΠ²Π°ΡΠ΅Π»ΡΠ½ΠΎΠΉ Π²ΠΈΠ»Π»Ρ ΠΌΠΎΠΆΠ΅Ρ ΡΠ»ΡΠΆΠΈΡΡ ΠΊΠ°ΠΊ ΠΠ‘Π, ΡΠ°ΠΊ ΠΈ ΠΏΠ»ΠΈΡΠ° OSB. Π Π°Π·ΠΌΠ΅ΡΡ ΡΠ°ΠΌΠΎΠ³ΠΎ Π΄ΠΎΠΌΠΈΠΊΠ° Π΄ΠΎΠ»ΠΆΠ½Ρ ΠΏΠΎΠ΄ΡΠ°Π·ΡΠΌΠ΅Π²Π°ΡΡ, ΡΡΠΎ ΠΊΠΎΡΠΊΠ° ΠΌΠΎΠΆΠ΅Ρ Π²ΡΡΡΠ½ΡΡΡΡΡ Π² Π½Π΅ΠΌ Π² ΠΏΠΎΠ»Π½ΡΠΉ ΡΠΎΡΡ. ΠΠΎ ΠΈ ΡΡΠΎ Π½Π΅ Π²ΡΠ΅.
ΠΠΎΡΠΊΠ° ΠΈΠ»ΠΈ ΠΊΠΎΡ
ΠΠΎΡΡ ΠΈ ΠΊΠΎΡΠΊΠΈ ΡΡΠ΅Π±ΡΡΡ ΡΠ°Π·Π½ΡΡ ΠΏΠΎΠ΄Ρ ΠΎΠ΄ΠΎΠ² ΠΊ ΠΏΡΠΎΠ΅ΠΊΡΠΈΡΠΎΠ²Π°Π½ΠΈΡ ΠΊΠΎΠ½ΡΡΡΡΠΊΡΠΈΠΈ. Π ΠΏΡΠΈΠΌΠ΅ΡΡ, Π΄Π»Ρ ΠΊΠΎΡΠ° ΠΎΠΏΡΠΈΠΌΠ°Π»ΡΠ½ΡΠΌ ΠΏΠΎΠ»ΠΎΠΆΠ΅Π½ΠΈΠ΅ΠΌ Π΄ΠΎΠΌΠΈΠΊΠ°, Π² ΠΊΠΎΡΠΎΡΠΎΠΌ ΠΎΠ½ ΡΡΠ²ΡΡΠ²ΠΎΠ²Π°Π» Π±Ρ ΡΠ΅Π±Ρ Π² Π±Π΅Π·ΠΎΠΏΠ°ΡΠ½ΠΎΡΡΠΈ, Π±ΡΠ΄Π΅Ρ Π²ΡΡΠ΅ ΡΡΠΎΠ²Π½Ρ ΠΏΠΎΠ»Π°, ΠΏΡΠΈΡΡΠΌ ΡΠΎΠ²Π΅ΡΡΠ΅Π½Π½ΠΎ Π½Π΅ΠΎΠ±ΡΠ·Π°ΡΠ΅Π»ΡΠ½ΠΎ Π΄Π΅Π»Π°ΡΡ Π²Ρ ΠΎΠ΄. ΠΠΎΡΡ Π½ΡΠ°Π²ΠΈΡΡΡ Π±ΡΡΡ Π½Π° Π²ΡΡΠΎΡΠ΅ ΠΈ ΡΠ»Π΅Π΄ΠΈΡΡ Π·Π° ΠΏΡΠΎΠΈΡΡ ΠΎΠ΄ΡΡΠΈΠΌ. ΠΠΎΡΠΊΠΈ ΡΡΠ²ΡΡΠ²ΡΡΡ ΡΠ΅Π±Ρ ΠΊΠΎΠΌΡΠΎΡΡΠ½Π΅Π΅, ΠΊΠΎΠ³Π΄Π° Π΅Ρ ΠΆΠΈΠ»ΠΈΡΠ΅ ΠΌΠ°ΠΊΡΠΈΠΌΠ°Π»ΡΠ½ΠΎ Π·Π°ΡΠΈΡΠ΅Π½ΠΎ ΠΈ ΠΏΡΠΎΡ ΠΎΠ΄ Π΄ΠΎΠ»ΠΆΠ΅Π½ Π±ΡΡΡ ΡΠ·ΠΊΠΈΠΌ. ΠΡΠΎΠ±Π΅Π½Π½ΠΎ ΡΡΠΎ ΠΊΠ°ΡΠ°Π΅ΡΡΡ ΠΊΠΎΡΠ΅ΠΊ, ΠΊΠΎΡΠΎΡΡΠ΅ ΠΆΠ΄ΡΡ ΠΏΠΎΡΠΎΠΌΡΡΠ²Π°.
ΠΠ°ΡΠ΅ΡΠΈΠ°Π»Ρ Π΄Π»Ρ ΡΡΡΠΎΠΈΡΠ΅Π»ΡΡΡΠ²Π°
ΠΠΏΡΠΈΠΌΠ°Π»ΡΠ½ΡΠΌΠΈ ΠΈ Π½Π΅Π΄ΠΎΡΠΎΠ³ΠΈΠΌΠΈ ΠΌΠ°ΡΠ΅ΡΠΈΠ°Π»Π°ΠΌΠΈ Π΄Π»Ρ ΡΡΡΠΎΠΈΡΠ΅Π»ΡΡΡΠ²Π° ΠΊΠΎΡΠ°ΡΡΠ΅Π³ΠΎ ΡΠ±Π΅ΠΆΠΈΡΠ° ΠΏΠΎ ΡΡΠΈΠΌ ΡΠ΅ΡΡΠ΅ΠΆΠ°ΠΌ ΡΡΠ°Π½ΡΡ:
ΡΠ°Π½Π΅ΡΠ° 12 ΠΌΠΌ, ΠΏΠ»ΠΈΡΡ ΠΠ‘Π, ΠΈ Π½ΠΈΠΊΠ°ΠΊΠΎΠ³ΠΎ ΡΠ΅Π½ΠΎΠ»ΠΎΠ²ΠΎΠ³ΠΎ Π·Π°ΠΏΠ°Ρ Π°;
Π΄ΠΆΡΡΠΎΠ²Π°Ρ Π²Π΅ΡΡΠ²ΠΊΠ° ΠΈΠ»ΠΈ ΠΏΠ΅Π½ΠΊΠΎΠ²ΡΠΉ ΠΊΠ°Π½Π°Ρ;
Π΄Π»Ρ ΡΡΡΡΠΎΠΉΡΡΠ²Π° Π»Π΅ΠΆΠ°Π½ΠΊΠΈ ΠΌΠΎΠΆΠ½ΠΎ ΠΈΡΠΏΠΎΠ»ΡΠ·ΠΎΠ²Π°ΡΡ ΠΏΡΠΎΡΠ½ΡΠΉ ΡΡΡ ΠΎΠΉ ΡΡΠΊ, ΠΎ ΠΊΠΎΡΠΎΡΡΠΉ ΠΊΠΎΡ Π±ΡΠ΄Π΅ ΠΏΡΠ°Π²ΠΈΡΡ ΠΊΠΎΠ³ΡΠΈ;
Π½Π΅ Π½ΠΎΠ²ΡΠΉ ΠΌΠ΅Π±Π΅Π»ΡΠ½ΡΠΉ ΠΏΠΎΡΠΎΠ»ΠΎΠ½, Π½Π΅ Π½ΠΎΠ²ΡΠΉ ΠΏΠΎΡΠΎΠΌΡ ΡΡΠΎ Π² Π½Π΅ΠΌ ΠΌΠ΅Π½ΡΡΠ΅ Π·Π°ΠΏΠ°Ρ Π° Ρ ΠΈΠΌΠΈΠΈ;
ΠΌΠ΅Π±Π΅Π»ΡΠ½Π°Ρ ΡΠΊΠ°Π½Ρ ΡΠΎ ΡΡΠΎΠΉΠΊΠΈΠΌ Π΄ΠΎΠΌΠ°ΡΠ½ΠΈΠΌ Π·Π°ΠΏΠ°Ρ ΠΎΠΌ;
Π΄Π»Ρ ΠΏΠΎΠ΄ΡΡΠΈΠ»ΠΊΠΈ ΠΏΠΎΠ΄ΠΎΠΉΠ΄ΡΡ ΡΡΡΠ³Π°Π½Π½ΡΠΉ ΡΠΈΠ½ΡΠ΅ΠΏΠΎΠ½, ΡΠΎΠΆΠ΅ Π±/Ρ;
ΠΊΠ»Π΅ΠΈΡΡ Π»ΡΡΡΠ΅ Π½Π° ΠΠΠ, ΠΎΠ½ Π½Π΅ ΠΈΠ·Π»ΡΡΠ°Π΅Ρ Π·Π°ΠΏΠ°Ρ Π°.

Π’Π΅Ρ Π½ΠΎΠ»ΠΎΠ³ΠΈΡ ΡΡΡΠΎΠΈΡΠ΅Π»ΡΡΡΠ²Π° ΠΊΠΎΡΠ°ΡΡΠ΅Π³ΠΎ Π΄ΠΎΠΌΠ° Π·Π°Π²ΠΈΡΠΈΡ ΠΎΡ ΡΠΈΠΏΠ°, ΠΊΠΎΡΠΎΡΡΠΉ ΠΏΠΎΠ½ΡΠ°Π²ΠΈΡΡΡ Π²Π°ΡΠ΅ΠΌΡ ΠΏΠΈΡΠΎΠΌΡΡ, Π° ΡΠ°ΠΊΠΆΠ΅ ΠΎΡ Π½Π°Π»ΠΈΡΠΈΡ ΠΌΠ°ΡΠ΅ΡΠΈΠ°Π»ΠΎΠ² ΠΈ Π½Π°Π²ΡΠΊΠΎΠ². Π£Π΄Π°ΡΠ½ΠΎΠΉ Π²ΡΠ΅ΠΌ ΡΠ°Π±ΠΎΡΡ!
ΠΠΎΠΌΠΈΠΊ Π΄Π»Ρ ΠΊΠΎΡΠΊΠΈ Ρ ΠΊΠΎΠ³ΡΠ΅ΡΠΎΡΠΊΠΎΠΉ ΡΠ²ΠΎΠΈΠΌΠΈ ΡΡΠΊΠ°ΠΌΠΈ (Π€ΠΎΡΠΎ + ΡΠ΅ΡΡΠ΅ΠΆΠΈ) | Π‘Π²ΠΎΠΈΠΌΠΈ ΡΡΠΊΠ°ΠΌΠΈ
Π§ΡΠΎΠ±Ρ ΠΌΠΎΠΈ ΠΏΡΡΠΈΡΡΡΠ΅ ΠΏΠΈΡΠΎΠΌΡΡ Π½Π΅ ΡΠ°ΡΠ°ΠΏΠ°Π»ΠΈ ΠΌΠ΅Π±Π΅Π»Ρ ΠΈ ΡΡΠ΅Π½Ρ, Π½ΠΎ ΠΏΡΠΈ ΡΡΠΎΠΌ ΠΌΠΎΠ³Π»ΠΈ ΠΏΠΎΡΠ΅Π·Π²ΠΈΡΡΡΡ ΠΈ ΠΏΠΎΡΠΎΡΠΈΡΡ ΠΊΠΎΠ³ΠΎΡΠΊΠΈ, ΠΏΠΎΡΡΡΠΎΠΈΠ» Π΄Π»Ρ Π½ΠΈΡ Π½Π°ΡΡΠΎΡΡΠΈΠΉ Β«Π΄ΠΎΠΌ-Π°ΡΡΡΠ°ΠΊΡΠΈΠΎΠ½Β».
Π ΠΈΠ½ΡΠ΅ΡΠ½Π΅ΡΠ΅ Π½Π°ΡΠ΅Π» ΠΏΠΎΠ΄Ρ ΠΎΠ΄ΡΡΠΈΠΉ ΡΠ΅ΡΡΠ΅ΠΆ ΠΊΠΎΠ½ΡΡΡΡΠΊΡΠΈΠΈ Ρ ΡΠ°Π·ΠΌΠ΅ΡΠ°ΠΌΠΈ Π²ΡΠ΅Ρ Π΄Π΅ΡΠ°Π»Π΅ΠΉ (ΡΠΌ. ΡΠΈΡ)ΠΠ· ΠΌΠ½ΠΎΠ³ΠΎΡΠ»ΠΎΠΉΠ½ΠΎΠΉ ΡΠ°Π½Π΅ΡΡ ΡΠΎΠ»ΡΠΈΠ½ΠΎΠΉ 1 ΠΌΠΌ Π²ΡΡΠ΅Π·Π°Π» Π½Π΅ΠΎΠ±Ρ ΠΎΠ΄ΠΈΠΌΡΠ΅ Π·Π°Π³ΠΎΡΠΎΠ²ΠΊΠΈ). Π£ ΠΊΠ°ΠΆΠ΄ΠΎΠΉ Π½Π°ΠΆΠ΄Π°ΡΠ½ΠΎΠΉ Π±ΡΠΌΠ°Π³ΠΎΠΉ ΠΎΠ±ΡΠ°Π±ΠΎΡΠ°Π» ΠΊΡΠΎΠΌΠΊΠΈ ΠΈ ΠΎΡΡΠ»ΠΈΡΠΎΠ²Π°Π» Π²ΡΠ΅ ΠΏΠΎΠ²Π΅ΡΡ Π½ΠΎΡΡΠΈ.
ΠΠ° ΠΌΠ΅ΡΠ°Π»Π»ΠΈΡΠ΅ΡΠΊΠΈΠ΅ ΡΠ³ΠΎΠ»ΠΊΠΈ ΠΈ ΡΠ°ΠΌΠΎΡΠ΅Π·Ρ ΡΠΎΠ±ΡΠ°Π» ΠΈΠ· Π΄Π΅ΡΠ°Π»Π΅ΠΉ β 1, 2, 3 (ΡΠΌ. ΡΠΈΡ.) Π½ΠΈΠΆΠ½ΡΡ ΡΠ°ΡΡΡ ΠΊΠΎΠ½ΡΡΡΡΠΊΡΠΈΠΈ (ΡΠΎΡΠΎ 1)
ΠΠ°ΡΠ΅ΠΌ ΠΈΠ· ΠΎΠ΄Π½ΠΎΠΉ Π΄Π΅ΡΠ°Π»ΠΈ β7 ΠΈ Π΄Π²ΡΡ β2 ΠΈΠ·Π³ΠΎΡΠΎΠ²ΠΈΠ» Π²ΡΠΎΡΡΡ ΡΠ°ΡΡΡ Π°ΡΡΡΠ°ΠΊΡΠΈΠΎΠ½Π° (ΡΠΎΡΠΎ 2)
ΠΠ· ΠΎΡΡΠ°Π²ΡΠΈΡ ΡΡ Π΄Π΅ΡΠ°Π»Π΅ΠΉ ΡΠ°ΠΊΠΆΠ΅ Π½Π° ΠΌΠ΅ΡΠ°Π»Π»ΠΈΡΠ΅ΡΠΊΠΈΠ΅ ΡΠ³ΠΎΠ»ΠΊΠΈ ΠΈ ΡΠ°ΠΌΠΎΡΠ΅Π·Ρ ΡΠΎΠ΅Π΄ΠΈΠ½ΠΈΠ» ΠΏΠΎΡΠ»Π΅Π΄Π½ΡΡ, ΡΡΠ΅ΡΡΡ ΡΠ°ΡΡΡ ΠΊΠΎΠ½ΡΡΡΡΠΊΡΠΈΠΈ (ΡΠΎΡΠΎΠ)
ΠΠ· Π³ΠΎΡΠΎΠ²ΡΡ
ΡΠ΅ΠΊΡΠΈΠΉ ΡΠΎΠ±ΡΠ°Π» Π°ΡΡΡΠ°ΠΊΡΠΈΠΎΠ½ (ΡΠΎΡΠΎ 4).
Π Π½ΠΈΠΆΠ½Π΅ΠΉ ΡΠ°ΡΡΠΈ Π²Π΅ΡΡΠΈΠΊΠ°Π»ΡΠ½ΠΎ ΠΏΡΠΈΠΊΡΠ΅ΠΏΠΈΠ» ΠΊΠΎΠ½ΡΡΡΡΠΊΡΠΈΡ, ΠΊΠΎΡΠΎΡΡΡ ΠΈΠ·Π³ΠΎΡΠΎΠ²ΠΈΠ» ΠΏΠΎΡΠ»Π΅Π΄Π½Π΅ΠΉ (ΡΠΎΡΠΎ 4 ΠΏ.1) ΠΠ°ΡΠ΅ΠΌ ΠΊ Π½Π΅ΠΉ ΠΏΠΎΡΠ΅ΡΠ΅Π΄ΠΈΠ½Π΅ ΠΏΡΠΈΠΊΡΠ΅ΠΏΠΈΠ» Π²ΡΠΎΡΡΡ ΡΠ΅ΠΊΡΠΈΡ (2) ΠΠ»Ρ ΠΆΠ΅ΡΡΠΊΠΎΡΡΠΈ ΠΌΠ΅ΠΆΠ΄Ρ Π΄ΠΎΠΌΠΈΠΊΠ°ΠΌΠΈ Π·Π°ΠΊΡΠ΅ΠΏΠΈΠ» ΠΏΠΎ Π΄Π²Π΅ ΠΏΠΎΠ»ΠΈΠΏΡΠΎΠΏΠΈΠ»Π΅Π½ΠΎΠ²ΡΠ΅ ΡΡΡΠ±Ρ Π΄Π»ΠΈΠ½ΠΎΠΉ 220 ΡΠΌ ΠΈ 270 ΡΠΌ (d 50 ΠΌΠΌ). ΠΠ»Π΅ΠΊΡΡΠΎΠ»ΠΎΠ±Π·ΠΈΠΊΠΎΠΌ Π² ΡΡΠ΅Π½ΠΊΠ°Ρ
Π΄ΠΎΠΌΠΈΠΊΠΎΠ² Π²ΡΡΠ΅Π·Π°Π» ΠΎΡΠ²Π΅ΡΡΡΠΈΡ (ΡΠΎΡΠΎ 5).
ΠΡΡ ΠΊΠΎΠ½ΡΡΡΡΠΊΡΠΈΡ ΠΎΠΊΠ»Π΅ΠΈΠ» ΠΊΠΎΠ²ΡΠΎΠ»ΠΈΠ½ΠΎΠΌ. ΠΠ· ΠΏΠΎΠ»ΠΎΡΠ½Π° Π²ΡΡΠ΅Π·Π°Π» Π΄Π΅ΡΠ°Π»ΠΈ Π½ΡΠΆΠ½ΠΎΠ³ΠΎ ΡΠ°Π·ΠΌΠ΅ΡΠ° ΠΈ ΡΠ΅ΡΠΌΠΎΠΏΠΈΡΡΠΎΠ»Π΅ΡΠΎΠΌ ΠΏΡΠΈΠΊΠ»Π΅ΠΈΠ» ΠΈΡ ΠΊ ΡΡΠ΅Π½ΠΊΠ°ΠΌ ΠΈΠ·Π½ΡΡΡΠΈ, Π·Π°ΡΠ΅ΠΌ ΡΠ½Π°ΡΡΠΆΠΈ (ΡΠΎΡΠΎ 6). ΠΠ»Π°ΡΡΠΈΠΊΠΎΠ²ΡΠ΅ ΡΡΠΎΠΉΠΊΠΈ, ΠΎΠ½ΠΈ ΠΆΠ΅ ΠΊΠΎΠ³ΡΠ΅ΡΠΎΡΠΊΠΈ, ΠΎΠ±ΠΌΠΎΡΠ°Π» Π΄ΠΆΡΡΠΎΠ²ΠΎΠΉ Π²Π΅ΡΠ΅Π²ΠΊΠΎΠΉ, ΡΠ°ΠΊΠΆΠ΅ ΡΠΈΠΊΡΠΈΡΡΡ Π΅Π΅ Π³ΠΎΡΡΡΠΈΠΌ ΠΊΠ»Π΅Π΅ΠΌ. ΠΠ»Ρ ΡΠ΄ΠΎΠ±ΡΡΠ²Π° ΠΊ Π΄Π½Ρ ΠΊΠΎΠ½ΡΡΡΡΠΊΡΠΈΠΈ ΠΏΡΠΈΠΊΡΡΡΠΈΠ» ΠΌΠ΅Π±Π΅Π»ΡΠ½ΡΠ΅ ΠΊΠΎΠ»Π΅ΡΠΈΠΊΠΈ. ΠΠΎΡΠΊΠ°ΠΌ Π½ΠΎΠ²ΡΠΉ Π΄ΠΎΠΌ ΠΏΠΎΠ½ΡΠ°Π²ΠΈΠ»ΡΡ.
Π§ΠΈΡΠ°ΠΉΡΠ΅ ΡΠ°ΠΊΠΆΠ΅: ΠΠΎΡΠΊΠΈΠ½ Π΄ΠΎΠΌ ΡΠ²ΠΎΠΈΠΌΠΈ ΡΡΠΊΠ°ΠΌΠΈ β ΠΌΠ°ΡΡΠ΅Ρ ΠΊΠ»Π°ΡΡ (+ΡΠΎΡΠΎ)
ΠΠΠ ΠΠΠ― ΠΠΠ¨ΠΠ Π‘ΠΠΠΠΠ Π Π£ΠΠΠΠ Π€ΠΠ’Π + Π§ΠΠ Π’ΠΠ
Π’Π°ΠΊΠΆΠ΅ ΡΠΎΠ²Π΅ΡΡΠ΅ΠΌ ΠΏΡΠΎΡΠΈΡΠ°ΡΡ: ΠΠ½ΠΎΠ³ΠΎΡΡΠ°ΠΆΠ½ΡΠΉ Π΄ΠΎΠΌΠΈΠΊ Π΄Π»Ρ ΠΊΠΎΡΠΊΠΈ ΡΠ²ΠΎΠΈΠΌΠΈ ΡΡΠΊΠ°ΠΌΠΈ (ΡΠΎΡΠΎ + ΡΠ΅ΡΡΠ΅ΠΆ)
ΠΠΠΠΠΠ ΠΠΠ―Β ΠΠΠ¨ΠΠ, ΠΠΠΠ’ΠΠ’ΠΠ§ΠΠΒ Π ΠΠ . Π‘ΠΠΠΠΠ Π Π£ΠΠΠΠ β ΠΠΠΠ Π Π‘ΠΠΠΠ’Π« ΠΠ’ Π§ΠΠ’ΠΠ’ΠΠΠΠ
ΠΠΠ Π£Π¨ΠΠ ΠΠΠ― ΠΠΠ’ΠΠ Π‘ΠΠΠΠΠ Π Π£ΠΠΠΠ
ΠΠΎΡΡΡΠ°ΠΌ, Π΄Π° ΠΈ Π²Π·ΡΠΎΡΠ»ΡΠΌ ΠΊΠΎΡΠ°ΠΌ, ΠΎΠ±ΡΠ·Π°ΡΠ΅Π»ΡΠ½ΠΎ Π½Π°Π΄ΠΎ ΠΊΡΠ΄Π°-ΡΠΎ Π·Π°Π»Π΅Π·ΡΡ, ΡΡΠΎ-ΡΠΎ ΠΏΠΎΠ³ΡΡΠ·ΡΡ, ΠΏΠΎΠ²Π°Π»ΠΈΡΡ, ΡΠ±ΡΠΎΡΠΈΡΡ.
ΠΡΠ΅Π΄Π»Π°Π³Π°Ρ ΡΠΌΠ°ΡΡΠ΅ΡΠΈΡΡ Π΄Π»Ρ ΡΠ²ΠΎΠΈΡ
Π»ΡΠ±ΠΈΠΌΡΠ΅Π² ΠΈΠ³ΡΡΡΠΊΠΈ ΠΈΠ· Π΄ΠΎΡΡΡΠΏΠ½ΡΡ
ΠΌΠ°ΡΠ΅ΡΠΈΠ°Π»ΠΎΠ² β Π²ΡΡΠ»ΠΎΠΊ ΠΎΡ ΠΏΠΎΠ»ΠΎΡΠ΅Π½Π΅Ρ, Π΄ΠΆΡΡΠ°, ΠΊΠΎΡΠΎΠ±ΠΊΠΈ ΠΈ ΠΎΠ±ΡΠ΅Π·ΠΊΠΎΠ² ΠΌΠ΅Ρ
Π°.
- ΠΠ»Ρ ΠΏΠ΅ΡΠ²ΡΡ Π΄Π²ΡΡ ΠΈΠ³ΡΡΡΠ΅ΠΊ ΠΏΠΎΠ΄Π³ΠΎΡΠΎΠ²ΠΈΠ»Π° Π·Π°Π³ΠΎΡΠΎΠ²ΠΊΠΈ Π½Π° Π²Π΅ΡΠ΅Π²ΠΊΠ΅. ΠΠ»Ρ ΠΎΠ΄Π½ΠΎΠΉ ΠΈΠ· Π½ΠΈΡ Π²Π·ΡΠ»Π° ΠΊΡΡΠΎΠΊ Π²Π°ΡΡ, ΠΎΠ±ΠΌΠΎΡΠ°Π»Π° ΠΏΠ»ΠΎΡΠ½ΠΎ Π΄ΠΆΡΡΠΎΠΌ, Π·Π°ΡΠΈΠΊΡΠΈΡΠΎΠ²Π°Π»Π° ΡΠ΅ΡΠΌΠΎΠΏΠΈΡΡΠΎΠ»Π΅ΡΠΎΠΌ, ΠΎΡΡΠ°Π²ΠΈΠ² ΠΊΠΎΠ½Π΅Ρ Π½ΠΈΡΠΈ Π΄Π»ΠΈΠ½ΠΎΠΉ ΠΏΡΠΈΠΌΠ΅ΡΠ½ΠΎ 15-20ΡΠΌ. ΠΠ»Ρ Π²ΡΠΎΡΠΎΠΉ ΠΎΠ±Π²ΠΈΠ»Π° ΡΠΏΠ°Π³Π°ΡΠΎΠΌ ΠΊΠΎΠ»ΡΡΠΎ ΡΡΠΎΡΠ½ΠΎΠ³ΠΎ ΠΊΠ°ΡΠ½ΠΈΠ·Π° ΠΈ ΡΠ°ΠΊΠΆΠ΅ ΠΎΡΡΠ°Π²ΠΈΠ»Π° ΠΎΡΡΠ΅Π·ΠΎΠΊ Π½ΠΈΡΠΈ. Π’ΡΠ΅ΡΡΡ Π·Π°Π³ΠΎΡΠΎΠ²ΠΊΡ Π²ΡΠΏΠΎΠ»Π½ΠΈΠ»Π° Π² Π²ΠΈΠ΄Π΅ ΠΏΠΎΠΌΠΏΠΎΠ½Π° ΠΈΠ· ΠΊΡΡΠΎΡΠΊΠ° ΠΌΠ΅Ρ Π°.
- ΠΠ° ΠΊΠ°ΠΆΠ΄ΠΎΠΉ ΠΈΠ· Π΄Π²ΡΡ Π²ΡΡΠ»ΠΎΠΊ ΠΎΡ Π±ΡΠΌΠ°Π³ΠΈ Π²ΡΡΠ΅Π·Π°Π»Π° Π½ΠΎΠΆΠ½ΠΈΡΠ°ΠΌΠΈ ΠΎΡΠ²Π΅ΡΡΡΠΈΠ΅ ΠΏΠΎ ΡΠ΅Π½ΡΡΡ. ΠΡΠΎΠ΄Π΅Π»Π° ΠΈΠ·Π½ΡΡΡΠΈ ΡΠ²ΠΎΠ±ΠΎΠ΄Π½ΡΠ΅ ΠΊΠΎΠ½ΡΡ Π½ΠΈΡΠ΅ΠΉ: Π²ΠΎΠ΄Π½ΡβΠΎΡ ΠΊΠΎΠ»ΡΡΠ° ΠΈ ΠΌΠ΅Ρ ΠΎΠ²ΠΎΠ³ΠΎ ΠΏΠΎΠΌΠΏΠΎΠ½Π°, Π° Π²ΠΎ Π²ΡΠΎΡΡΡ β ΠΎΡ ΡΠ°ΡΠΈΠΊΠ°. ΠΠ° ΠΊΠΎΠ½ΡΠ΅ Π·Π°Π²ΡΠ·Π°Π»Π° Π½Π΅ΡΠΊΠΎΠ»ΡΠΊΠΎ ΡΠ·Π»ΠΎΠ² ΠΈ Π·Π°ΡΠΈΠΊΡΠΈΡΠΎΠ²Π°Π»Π° ΡΠ΅ΡΠΌΠΎΠΏΠΈΡΡΠΎΠ»Π΅ΡΠΎΠΌ. ΠΡΠΈΠΌΠ΅ΡΠ½ΠΎ 2 ΡΠΌ ΠΏΠΎ ΠΊΡΠ°ΡΠΌ ΠΎΠΊΠ»Π΅ΠΈΠ»Π° ΠΌΠ΅Ρ ΠΎΠ²ΡΠΌΠΈ ΠΏΠΎΠ»ΠΎΡΠΊΠ°ΠΌΠΈ, Π° ΡΠ΅Π½ΡΡΠ°Π»ΡΠ½ΡΡ ΡΠ°ΡΡΡ ΠΎΠ±ΠΌΠΎΡΠ°Π»Π° Π² Π΄Π²Π° ΡΠ»ΠΎΡ ΡΠΏΠ°Π³Π°ΡΠΎΠΌ.
- ΠΠ»Ρ ΡΡΠ΅ΡΡΠ΅ΠΉ ΠΈΠ³ΡΡΡΠΊΠΈ Π·Π° ΠΎΡΠ½ΠΎΠ²Ρ ΠΈΡΠΏΠΎΠ»ΡΠ·ΠΎΠ²Π°Π»Π° ΠΊΠΎΡΠΎΠ±ΠΊΡ ΠΈΠ· ΠΏΠ»ΠΎΡΠ½ΠΎΠ³ΠΎ ΠΊΠ°ΡΡΠΎΠ½Π°. ΠΠ°ΠΌΠ΅ΡΠΈΠ»Π° ΡΠ²Π΅ΡΡ
Ρ Π½Π΅ΡΠΊΠΎΠ»ΡΠΊΠΎ ΠΊΡΡΠ»ΡΡ
ΠΎΡΠ²Π΅ΡΡΡΠΈΠΉ ΠΈ Π²ΡΡΠ΅Π·Π°Π»Π° ΠΈΡ
. Π‘ΠΊΠ»Π΅ΠΈΠ»Π° ΠΊΠΎΡΠΎΠ±ΠΊΡ, ΡΡΠΎΠ±Ρ ΠΎΠ½Π° Π½Π΅ ΠΎΡΠΊΡΡΠ²Π°Π»Π°ΡΡ.
Π‘Π²Π΅ΡΡ Ρ ΠΎΠΊΠ»Π΅ΠΈΠ»Π° Π·Π°Π³ΠΎΡΠΎΠ²ΠΊΡ ΠΊΡΡΠΊΠΎΠΌ ΠΌΠ΅Ρ Π°. ΠΠ° ΠΌΠ΅ΡΡΠ°Ρ ΠΎΡΠ²Π΅ΡΡΡΠΈΠΉ Π² ΠΊΠ°ΡΡΠΎΠ½Π΅ Π½ΠΎΠΆΠ½ΠΈΡΠ°ΠΌΠΈ Π²ΡΠΏΠΎΠ»Π½ΠΈΠ»Π° Π½Π°Π΄ΡΠ΅Π·Ρ ΠΈ ΠΏΠΎΠ΄ΠΊΠ»Π΅ΠΈΠ»Π° ΠΊΡΠ°Ρ ΠΌΠ΅Ρ Π° Π²Π½ΡΡΡΡ ΠΊΠΎΡΠΎΠ±ΠΊΠΈ. ΠΡΡΠ»ΠΊΡ ΠΎΡ ΡΠΎΠ»ΡΠ³ΠΈ ΠΎΠ±ΠΌΠΎΡΠ°Π»Π° Π΄ΠΆΡΡΠΎΠΌ. Π‘Π²Π΅ΡΡ Ρ ΠΏΡΠΈΠ²ΡΠ·Π°Π»Π° Π²Π΅ΡΠ΅Π²ΠΊΡ Ρ ΠΌΡΡΠΈΠΊΠΎΠΌ. ΠΡΠΏΠΎΠ»Π½ΠΈΠ»Π° Π΄ΠΎΠΏΠΎΠ»Π½ΠΈΡΠ΅Π»ΡΠ½ΠΎΠ΅ ΠΎΡΠ²Π΅ΡΡΡΠΈΠ΅ Π² ΠΊΠ°ΡΡΠΎΠ½Π½ΠΎΠΌ ΠΎΡΠ½ΠΎΠ²Π°Π½ΠΈΠΈ ΠΈ ΡΠΊΠ°Π½ΠΈ ΠΏΠΎ Π΄ΠΈΠ°ΠΌΠ΅ΡΡΡ Π²ΡΡΠ»ΠΊΠΈ. ΠΡΠΈΠΊΠ»Π΅ΠΈΠ»Π° ΠΏΠΎΡΠ»Π΅Π΄Π½ΡΡ ΠΊΠΎ Π΄Π½Ρ. ΠΠ½ΡΡΡΡΠΊΠΎΡΠΎΠ±Π° ΠΏΠΎΠΌΠ΅ΡΠ°Ρ Π½Π΅Π±ΠΎΠ»ΡΡΠΈΠ΅ ΠΌΡΡΠΈΠΊΠΈ, ΠΊΠΎΡΠΎΡΡΠ΅ ΠΊΠΎΡ ΠΈΡΠ΅Ρ Π»Π°ΠΏΠ°ΠΌΠΈ ΡΠ΅ΡΠ΅Π· ΠΎΡΠ²Π΅ΡΡΡΠΈΡ ΠΈ Π΄ΠΎΡΡΠ°Π΅Ρ.
Β© ΠΠ²ΡΠΎΡ: ΠΠ½ΡΠΎΠ½ΠΈΠ½Π° ΠΡΡΠΈΠ½ΡΠΊΠ°Ρ, Π³. Π₯Π°ΡΡΠΊΠΎΠ². Π€ΠΎΡΠΎ Π°Π²ΡΠΎΡΠ°
ΠΠΠΠΠ ΠΠΠ― ΠΠΠ¨ΠΠ Π‘ΠΠΠΠΠ Π Π£ΠΠΠΠ (Π‘ ΠΠΠΠ’ΠΠ’ΠΠ§ΠΠΠ) ΠΠΠ ΠΠΠΠ’ ΠΠ ΠΠΠΠΠ
Β© ΠΠ²ΡΠΎΡ: ΠΠΈΠΊΠΎΠ»Π°ΠΉ ΠΠ±Π³Π°ΡΡΠ½, Ρ. Π ΠΎΠ΄Π½ΠΈΡΠΎΠΊ Π‘Π°ΡΠ°ΡΠΎΠ²ΡΠΊΠΎΠΉ ΠΎΠ±Π». Π€ΠΎΡΠΎ Π°Π²ΡΠΎΡΠ°
ΠΠΠ‘Π’Π Π£ΠΠΠΠ’ ΠΠΠ― ΠΠΠ‘Π’ΠΠ ΠΠ Π ΠΠΠ‘Π’ΠΠ ΠΠ¦, Π Π’ΠΠΠΠ Π« ΠΠΠ― ΠΠΠΠ ΠΠ§ΠΠΠ¬ ΠΠΠ¨ΠΠΠ. ΠΠΠ‘ΠΠΠΠ’ΠΠΠ― ΠΠΠ‘Π’ΠΠΠΠ. ΠΠ‘Π’Π¬ ΠΠ’ΠΠ«ΠΠ«.ΠΠΈΠΆΠ΅ Π΄ΡΡΠ³ΠΈΠ΅ Π·Π°ΠΏΠΈΡΠΈ ΠΏΠΎ ΡΠ΅ΠΌΠ΅ «ΠΠ°ΠΊ ΡΠ΄Π΅Π»Π°ΡΡ ΡΠ²ΠΎΠΈΠΌΠΈ ΡΡΠΊΠ°ΠΌΠΈ — Π΄ΠΎΠΌΠΎΡ ΠΎΠ·ΡΠΈΠ½Ρ!»
ΠΠΎΠ΄ΠΏΠΈΡΠΈΡΠ΅ΡΡ Π½Π° ΠΎΠ±Π½ΠΎΠ²Π»Π΅Π½ΠΈΡ Π² Π½Π°ΡΠΈΡ Π³ΡΡΠΏΠΏΠ°Ρ ΠΈ ΠΏΠΎΠ΄Π΅Π»ΠΈΡΠ΅ΡΡ.
ΠΡΠ΄Π΅ΠΌ Π΄ΡΡΠ·ΡΡΠΌΠΈ!
ΠΠΎΠΌΠΈΠΊ Π΄Π»Ρ ΠΊΠΎΡΠΊΠΈ ΡΠ²ΠΎΠΈΠΌΠΈ ΡΡΠΊΠ°ΠΌΠΈ: ΡΠ΅ΡΡΠ΅ΠΆΠΈ Ρ ΡΠ°Π·ΠΌΠ΅ΡΠ°ΠΌΠΈ | ΠΠ΄Π΅ΠΈ Π΄Π»Ρ Π΄ΠΎΠΌΠ°
ΠΠ° ΡΡΠ΅Π½ΠΈΠ΅ 7 ΠΌΠΈΠ½.
ΠΡΠΎΡΠΌΠΎΡΡΠΎΠ² 45.1k. ΠΠΏΡΠ±Π»ΠΈΠΊΠΎΠ²Π°Π½ΠΎ
Π ΡΠ²ΠΎΠ΅ΠΎΠ±ΡΠ°Π·Π½ΠΎΠΌ Ρ Π°ΡΠ°ΠΊΡΠ΅ΡΠ΅ ΠΊΠΎΡΠ΅ΠΊ Π·Π½Π°ΡΡ Π΄Π°ΠΆΠ΅ ΡΠ΅ Π»ΡΠ΄ΠΈ, ΠΊΠΎΡΠΎΡΡΠ΅ Π½ΠΈΠΊΠ°ΠΊΠΈΡ Π΄ΠΎΠΌΠ°ΡΠ½ΠΈΡ ΠΏΠΈΡΠΎΠΌΡΠ΅Π² Π½ΠΈΠΊΠΎΠ³Π΄Π° Π½Π΅ Π΄Π΅ΡΠΆΠ°Π»ΠΈ. Π Π² ΡΠ°ΠΌΠΎΠΌ Π΄Π΅Π»Π΅ Ρ ΠΏΡΡΠΈΡΡΡΠΌ Π΄ΡΡΠ³ΠΎΠΌ Π½Π΅ ΠΊΠ°ΠΆΠ΄ΠΎΠΌΡ ΡΠ΄Π°ΡΡΡΡ Π½Π°ΠΉΡΠΈ ΠΎΠ±ΡΠΈΠΉ ΡΠ·ΡΠΊ. ΠΠΎΡΠΊΠΈ ΠΏΡΠΈΠ²ΡΠΊΠ»ΠΈ ΡΠ°ΠΌΠΎΡΡΠΎΡΡΠ΅Π»ΡΠ½ΠΎ ΡΠ΅ΡΠ°ΡΡ, Π³Π΄Π΅ ΠΈΠΌ Π΅ΡΡΡ ΠΈ ΡΠΏΠ°ΡΡ, ΠΊΠΎΠ³Π΄Π° ΠΏΡΠΈΡ ΠΎΠ΄ΠΈΡΡ ΠΊ Ρ ΠΎΠ·ΡΠΈΠ½Ρ Π·Π° Π»Π°ΡΠΊΠΎΠΉ, Π° ΠΊΠΎΠ³Π΄Π° ΠΎΡΠ΄ΡΡ Π°ΡΡ. ΠΠΎΠ΄ΡΠΈΠ½ΠΈΡΡ ΡΡΠΈΡ ΠΆΠΈΠ²ΠΎΡΠ½ΡΡ ΡΠ²ΠΎΠ΅ΠΉ Π²ΠΎΠ»Π΅ ΠΌΠΎΠΆΠ½ΠΎ, Π½ΠΎ Π² ΡΡΠΎΠΌ ΡΠ»ΡΡΠ°Π΅ Π²Ρ ΠΏΠΎΠ»ΡΡΠΈΡΠ΅ ΡΡΠ°Π²ΠΌΠΈΡΠΎΠ²Π°Π½Π½ΠΎΠ΅ ΠΈ Π½Π΅Π°Π΄Π΅ΠΊΠ²Π°ΡΠ½ΠΎΠ΅ ΡΡΡΠ΅ΡΡΠ²ΠΎ, Π»ΠΈΡΡ ΠΎΡΠ΄Π°Π»Π΅Π½Π½ΠΎ Π½Π°ΠΏΠΎΠΌΠΈΠ½Π°ΡΡΠ΅Π΅ Π½Π°ΡΡΠΎΡΡΠ΅Π³ΠΎ Π΄ΠΎΠΌΠ°ΡΠ½Π΅Π³ΠΎ ΠΏΠΈΡΠΎΠΌΡΠ°.
Π ΠΊΠΎΡΠΊΠ°ΠΌ Π½ΡΠΆΠ½ΠΎ ΠΎΡΠ½ΠΎΡΠΈΡΡΡΡ Ρ Π»ΡΠ±ΠΎΠ²ΡΡ, ΡΡΡΠΎΠ³ΠΎΡΡΡΡ ΠΈ ΡΠ²Π°ΠΆΠ΅Π½ΠΈΠ΅ΠΌ. ΠΠΌΠ΅Π½Π½ΠΎ ΡΠ°ΠΊΠΎΠΉ ΠΏΠΎΠ΄Ρ ΠΎΠ΄ ΠΏΡΠΈΠ½Π΅ΡΠ΅Ρ ΡΠ²ΠΎΠΈ ΠΏΠ»ΠΎΠ΄Ρ. ΠΡΠΎ Π½Π΅ ΡΠ°Π·Π²Π»Π΅ΡΠ΅Π½ΠΈΠ΅, Π½Π΅ ΠΏΡΠΎΡΡΠ°Ρ ΠΏΠΎΠΊΡΠΏΠΊΠ°. ΠΠΎΡΠΊΠ° Π΄ΠΎΠ»ΠΆΠ½Π° ΡΡΠ°ΡΡ ΡΠ»Π΅Π½ΠΎΠΌ ΡΠ΅ΠΌΡΠΈ, Π° Π² ΠΈΠ½ΠΎΠΌ ΡΠ»ΡΡΠ°Π΅ ΡΠΎΠ²ΠΌΠ΅ΡΡΠ½Π°Ρ ΠΆΠΈΠ·Π½Ρ Ρ ΠΏΠΈΡΠΎΠΌΡΠ΅ΠΌ ΠΏΡΠ΅Π²ΡΠ°ΡΠΈΡΡΡ Π² Π½Π°ΡΡΠΎΡΡΠΈΠΉ Π°Π΄. Π Π² ΡΠ΅ΠΌΡΠ΅ ΠΎΡΠ½ΠΎΡΠ΅Π½ΠΈΡ ΠΏΠΎΡΡΡΠΎΠ΅Π½Ρ Π½Π° Π΄ΠΎΠ²Π΅ΡΠΈΠΈ ΠΈ Π²Π·Π°ΠΈΠΌΠΎΠ²ΡΡΡΡΠΊΠ΅.
Π₯ΠΎΡΠΈΡΠ΅, ΡΡΠΎΠ±Ρ Π²Π°Ρ ΠΏΡΡΠΈΡΡΡΠΉ Π΄ΡΡΠ³ ΠΏΠ΅ΡΠ΅ΡΡΠ°Π» Π½ΡΡΡΡΡ ΠΊ Π²Π°ΠΌ Π² ΠΏΠΎΡΡΠ΅Π»Ρ? Π’Π°ΠΊ ΠΏΠΎΠ΄Π³ΠΎΡΠΎΠ²ΡΡΠ΅ Π΄Π»Ρ Π½Π΅Π³ΠΎ ΠΎΡΠ΄Π΅Π»ΡΠ½ΠΎΠ΅ ΠΌΠ΅ΡΡΠΎ.
ΠΡΠ»ΠΈ Ρ ΠΊΠΎΡΠΊΠΈ Π½Π΅ Π±ΡΠ΄Π΅Ρ ΡΠ²ΠΎΠ΅Π³ΠΎ Π΄ΠΎΠΌΠ°, ΡΠΎ ΠΎΠ½Π° ΠΏΠΎΡΡΠ΅ΠΏΠ΅Π½Π½ΠΎ ΠΏΡΠΈΡΠ²ΠΎΠΈΡ ΡΠ΅Π±Π΅ Π²Π°Ρ.
ΠΠ°ΠΊΠΈΠΌΠΈ ΠΌΠΎΠ³ΡΡ Π±ΡΡΡ Π΄ΠΎΠΌΠΈΠΊΠΈ Π΄Π»Ρ ΠΊΠΎΡΠ΅ΠΊ?
Π ΡΠ΅ΠΌΠ°ΡΠΈΡΠ΅ΡΠΊΠΈΡ ΠΌΠ°Π³Π°Π·ΠΈΠ½Π°Ρ ΠΌΠΎΠΆΠ½ΠΎ Π²ΡΡΡΠ΅ΡΠΈΡΡ ΡΠ°ΠΌΡΠ΅ ΡΠ°Π·Π½ΡΠ΅ ΠΌΠΎΠ΄Π΅Π»ΠΈ Π΄ΠΎΠΌΠΈΠΊΠΎΠ², ΠΎΡΠ»ΠΈΡΠ°ΡΡΠΈΠ΅ΡΡ Π½Π΅ ΡΠΎΠ»ΡΠΊΠΎ ΡΠΎΡΠΌΠΎΠΉ, Π½ΠΎ ΠΈ ΠΈΡΠΏΠΎΠ»ΡΠ·ΡΠ΅ΠΌΡΠΌΠΈ ΠΌΠ°ΡΠ΅ΡΠΈΠ°Π»Π°ΠΌΠΈ, ΡΠ²Π΅ΡΠ°ΠΌΠΈ, ΡΡΠ½ΠΊΡΠΈΠΎΠ½Π°Π»ΡΠ½ΠΎΡΡΡΡ. Π’ΠΎΠ»ΡΠΊΠΎ Π²ΠΎΡ ΠΊΠ°ΠΏΡΠΈΠ·Π½ΠΎΡΡΡ ΠΊΠΎΡΠ΅ΠΊ Π±Π΅Π· ΠΏΡΠ΅ΡΠ²Π΅Π»ΠΈΡΠ΅Π½ΠΈΡ ΠΎΠ³ΡΠΎΠΌΠ½Π°. ΠΡΠ»ΠΈ Π²Π΄ΡΡΠ³ ΠΆΠΈΠ²ΠΎΡΠ½ΠΎΠΌΡ Π½Π΅ ΠΏΠΎΠ½ΡΠ°Π²ΠΈΡΡΡ Π·Π°ΠΏΠ°Ρ ΠΊΡΠΏΠ»Π΅Π½Π½ΠΎΠΉ Π²Π΅ΡΠΈ, ΠΆΠΈΡΡ Π² ΡΠ°ΠΊΠΎΠΌ Π΄ΠΎΠΌΠ΅ ΠΎΠ½ΠΎ Π½Π΅ Π±ΡΠ΄Π΅Ρ.
Π Π²ΠΎΡ ΠΏΡΠ΅Π΄ΠΌΠ΅Ρ, ΡΠ΄Π΅Π»Π°Π½Π½ΡΠΉ Ρ ΠΎΠ·ΡΠΉΡΠΊΠΈΠΌΠΈ ΡΡΠΊΠ°ΠΌΠΈ, ΠΏΠ°Ρ Π½Π΅Ρ ΡΠ°ΠΊΠΆΠ΅, ΠΊΠ°ΠΊ ΠΈ ΠΎΡΡΠ°Π»ΡΠ½ΠΎΠΉ Π΄ΠΎΠΌ. ΠΠ½ Π½Π΅ Π²ΡΠ±ΠΈΠ²Π°Π΅ΡΡΡ ΠΈΠ· ΠΎΠ±ΡΠ΅Π³ΠΎ Π°Π½ΡΠ°ΠΌΠ±Π»Ρ, ΠΏΠΎΡΡΠΎΠΌΡ Π±ΡΠ΄Π΅Ρ Π²ΠΎΡΠΏΡΠΈΠ½ΡΡ, ΠΊΠ°ΠΊ Π½Π΅ΡΡΠΎ ΠΏΡΠΈΠ²ΡΡΠ½ΠΎΠ΅ ΠΈ ΡΠΎΠ΄Π½ΠΎΠ΅. Π ΡΠΎΠΌΡ ΠΆΠ΅ Ρ Π²Π°Ρ ΠΏΠΎΡΠ²ΠΈΡΡΡ Π²ΠΎΠ·ΠΌΠΎΠΆΠ½ΠΎΡΡΡ Π²ΠΊΠ»ΡΡΠΈΡΡ Π΄ΠΎΠΌΠΈΠΊ Π΄Π»Ρ ΠΊΠΎΡΠΊΠΈ Π² ΠΈΠ½ΡΠ΅ΡΡΠ΅Ρ ΠΊΠ²Π°ΡΡΠΈΡΡ, ΠΏΡΠ΅Π²ΡΠ°ΡΠΈΡΡ Π΅Π³ΠΎ Π² ΠΎΠ΄ΠΈΠ½ ΠΈΠ· Π²Π°ΠΆΠ½ΡΡ ΠΈ ΡΡΠΊΠΈΡ Π°ΠΊΡΠ΅ΡΡΡΠ°ΡΠΎΠ² ΠΈΠ»ΠΈ ΠΆΠ΅ ΡΠΊΡΡΡΡ ΠΎΡ Π²Π½ΠΈΠΌΠ°ΡΠ΅Π»ΡΠ½ΡΡ Π³Π»Π°Π· Π³ΠΎΡΡΠ΅ΠΉ.
Π ΠΏΠ΅ΡΠ²ΡΡ ΠΎΡΠ΅ΡΠ΅Π΄Ρ Π½ΡΠΆΠ½ΠΎ ΠΎΠΏΡΠ΅Π΄Π΅Π»ΠΈΡΡΡΡ Ρ ΡΠΈΠΏΠΎΠΌ Π΄ΠΎΠΌΠΈΠΊΠ°. Π‘ΡΡΠ΅ΡΡΠ²ΡΠ΅Ρ Π½Π΅ΡΠΊΠΎΠ»ΡΠΊΠΎ ΠΏΠΎΠΏΡΠ»ΡΡΠ½ΡΡ Π²Π°ΡΠΈΠ°Π½ΡΠΎΠ²:
- Π³Π°ΠΌΠ°ΠΊ. Π’Π°ΠΊΠ°Ρ ΡΠ΄ΠΎΠ±Π½Π°Ρ Π»Π΅ΠΆΠ°Π½ΠΊΠ° ΠΌΠΎΠΆΠ΅Ρ ΡΠ°Π·ΠΌΠ΅ΡΡΠΈΡΡΡΡ ΠΏΠΎΠ΄ ΠΊΡΠ΅ΡΠ»ΠΎΠΌ, ΡΡΡΠ»ΠΎΠΌ ΠΈΠ»ΠΈ ΡΡΠΎΠ»ΠΎΠΌ.
Π§Π΅ΡΡΡΠ΅ ΠΊΡΠ΅ΠΏΠ»Π΅Π½ΠΈΡ ΠΏΠΎ ΠΊΡΠ°ΡΠΌ Π΄Π°ΡΡ Π²ΠΎΠ·ΠΌΠΎΠΆΠ½ΠΎΡΡΡ Π»Π΅Π³ΠΊΠΎ Π·Π°ΡΠΈΠΊΡΠΈΡΠΎΠ²Π°ΡΡ Π³Π°ΠΌΠ°ΠΊ Π½Π° Π½ΡΠΆΠ½ΠΎΠΌ ΡΡΠΎΠ²Π½Π΅; - ΠΊΠ°ΡΡΠΎΠ½Π½Π°Ρ ΠΊΠΎΡΠΎΠ±ΠΊΠ°. ΠΡΠ°ΠΊΡΠΈΡΠ½ΠΎΡΡΡ ΡΡΠΎΠ³ΠΎ Π΄ΠΎΠΌΠΈΠΊΠ° Π²Π΅ΡΡΠΌΠ° ΡΠΎΠΌΠ½ΠΈΡΠ΅Π»ΡΠ½Π°, Π° Π²ΠΎΡ Π²Π½Π΅ΡΠ½ΠΈΠΉ Π²ΠΈΠ΄ ΠΏΠΎΡΠ°ΠΆΠ°Π΅Ρ Π΄Π°ΠΆΠ΅ ΡΠ°ΠΌΠΎΠ³ΠΎ ΠΈΡΠΊΡΡΠ΅Π½Π½ΠΎΠ³ΠΎ Π²Π»Π°Π΄Π΅Π»ΡΡΠ° ΠΊΠΎΡΠ΅ΡΠ΅ΠΊ. ΠΠΎΠΆΠ½ΠΎ Π²ΡΡΡΠ΅ΡΠΈΡΡ ΠΊΠ°ΡΡΠΎΠ½Π½ΡΠ΅ Π΄ΠΎΠΌΠΈΠΊΠΈ Π² Π²ΠΈΠ΄Π΅ Π΄Π²ΠΎΡΡΠΎΠ² ΠΈ Π²ΠΈΠ³Π²Π°ΠΌΠΎΠ² Ρ ΡΠ΄ΠΈΠ²ΠΈΡΠ΅Π»ΡΠ½ΡΠΌΠΈ ΡΠΈΡΡΠ½ΠΊΠ°ΠΌΠΈ;
- Π»Π΅ΠΆΠ°Π½ΠΊΠ°. ΠΠΎΠΏΡΠ»ΡΡΠ½ΡΠΉ ΡΠΏΠΎΡΠΎΠ± ΡΠ°Π·ΠΌΠ΅ΡΡΠΈΡΡ Π΄ΠΎΠΌΠ°ΡΠ½Π΅Π³ΠΎ ΠΏΠΈΡΠΎΠΌΡΠ° Ρ ΠΊΠΎΠΌΡΠΎΡΡΠΎΠΌ ΠΈ Π±Π΅Π· ΠΎΡΠΎΠ±ΡΡ ΡΡΠ°Ρ. ΠΠ΅ΠΆΠ°Π½ΠΊΠΈ ΠΌΠΎΠ³ΡΡ Π±ΡΡΡ ΡΠ°Π·Π½ΡΠΌΠΈ ΠΊΠ°ΠΊ ΠΏΠΎ ΡΠΎΡΠΌΠ΅, ΡΠ°ΠΊ ΠΈ ΠΏΠΎ Π½Π°ΠΏΠΎΠ»Π½Π΅Π½ΠΈΡ. ΠΠΎΠΆΠ½ΠΎ Π²ΡΡΡΠ΅ΡΠΈΡΡ Π·Π°ΠΊΡΡΡΡΠ΅ ΠΌΠΎΠ΄Π΅Π»ΠΈ Ρ ΡΠΎΠ»ΡΡΡΠΌ ΠΌΠ°ΡΡΠ°ΡΠΎΠΌ, Π½ΠΎ ΡΠ°ΠΊΠΆΠ΅ ΡΡΡΠ΅ΡΡΠ²ΡΡΡ ΠΈ ΠΌΠΈΠ½ΠΈΠΌΠ°Π»ΠΈΡΡΠΈΡΠ½ΡΠ΅ Π²Π°ΡΠΈΠ°Π½ΡΡ;
- Π΄ΠΈΠ²Π°Π½ΡΠΈΠΊ (ΠΈΠ»ΠΈ ΠΊΡΠΎΠ²Π°ΡΡ). ΠΡΠΈΠ³ΠΈΠ½Π°Π»ΡΠ½ΡΠΉ ΡΠΏΠΎΡΠΎΠ± ΠΏΡΠΈΠ΄Π°ΡΡ Π΄ΠΎΠΌΠ°ΡΠ½Π΅ΠΌΡ ΠΏΠΈΡΠΎΠΌΡΡ ΡΠ΅Π»ΠΎΠ²Π΅ΡΠ΅ΡΠΊΠΈΠ΅ ΡΠ΅ΡΡΡ. Π’Π°ΠΊΠ°Ρ ΠΊΡΠΎΡ ΠΎΡΠ½Π°Ρ ΠΌΠ΅Π±Π΅Π»Ρ ΡΠΌΠΎΡΡΠΈΡΡΡ ΠΈΠ·ΡΡΠΊΠ°Π½Π½ΠΎ ΠΈ Π½Π΅ΠΎΠ±ΡΡΠ½ΠΎ. ΠΠΎ Ρ Π½Π΅Ρ Π΅ΡΡΡ ΡΡΡΠ΅ΡΡΠ²Π΅Π½Π½ΡΠΉ Π½Π΅Π΄ΠΎΡΡΠ°ΡΠΎΠΊ β Π²ΡΡΠΎΠΊΠ°Ρ ΡΡΠΎΠΈΠΌΠΎΡΡΡ;
- Π΄ΠΎΠΌΠΈΠΊ-Π±ΡΠ΄ΠΊΠ°. ΠΡΠΎΡΡΡΠ΅ ΠΈ ΡΠ΄ΠΎΠ±Π½ΡΠ΅ Π±ΡΠ΄ΠΊΠΈ Π΄Π°ΡΡΡ ΠΆΠΈΠ²ΠΎΡΠ½ΠΎΠΌΡ ΡΡΠ²ΡΡΠ²ΠΎ Π·Π°ΡΠΈΡΠ΅Π½Π½ΠΎΡΡΠΈ. ΠΡΠΈ ΡΡΠΎΠΌ ΠΈΠ·Π³ΠΎΡΠΎΠ²ΠΈΡΡ ΡΠ°ΠΊΡΡ ΠΊΠΎΠ½ΡΡΡΡΠΊΡΠΈΡ ΡΠ²ΠΎΠΈΠΌΠΈ ΡΡΠΊΠ°ΠΌΠΈ β Π½Π΅ΡΠ»ΠΎΠΆΠ½Π°Ρ Π·Π°Π΄Π°ΡΠ°;
- ΠΈΠ³ΡΠΎΠ²ΠΎΠΉ ΠΊΠΎΠΌΠΏΠ»Π΅ΠΊΡ.
ΠΠ°ΡΡΠΎΡΡΠΈΠΉ ΡΠ°ΠΉ Π΄Π»Ρ Π΄ΠΎΠΌΠ°ΡΠ½Π΅Π³ΠΎ ΠΆΠΈΠ²ΠΎΡΠ½ΠΎΠ³ΠΎ. ΠΠΎΠΌΠΈΠΌΠΎ ΡΠ°ΠΌΠΎΠ³ΠΎ Π΄ΠΎΠΌΠ° Π² ΡΠ°ΠΊΡΡ ΠΊΠΎΠ½ΡΡΡΡΠΊΡΠΈΡ Π²Ρ
ΠΎΠ΄ΠΈΡ Π΅ΡΠ΅ ΠΈ ΡΠ΅Π»ΡΠΉ Π°ΡΡΠΎΡΡΠΈΠΌΠ΅Π½Ρ ΠΈΠ³ΡΠΎΠ²ΡΡ
ΠΌΠΎΠ΄ΡΠ»Π΅ΠΉ. ΠΠΎΠ»ΠΎΡΠΊΠΈ, ΠΊΠΎΠ³ΡΠ΅ΡΠΎΡΠΊΠΈ, Π³Π°ΠΌΠ°ΠΊΠΈ ΠΈ Π΄ΡΡΠ³ΠΈΠ΅ Π½Π΅ ΠΌΠ΅Π½Π΅Π΅ ΡΠ²Π»Π΅ΠΊΠ°ΡΠ΅Π»ΡΠ½ΡΠ΅ ΠΈ Π»ΡΠ±ΠΈΠΌΡΠ΅ ΠΆΠΈΠ²ΠΎΡΠ½ΡΠΌΠΈ ΡΠ»Π΅ΠΌΠ΅Π½ΡΡ Π·Π°Π½ΠΈΠΌΠ°ΡΡ Π½Π΅ΠΌΠ°Π»ΠΎ ΠΌΠ΅ΡΡΠ°. ΠΡΠ΄ΡΡΠ΅ ΡΠ°ΠΊΠΆΠ΅ Π³ΠΎΡΠΎΠ²Ρ ΡΠ°ΡΡΡΠ°ΡΡΡΡ Ρ ΠΊΡΡΠΏΠ½ΠΎΠΉ ΡΡΠΌΠΌΠΎΠΉ, ΠΏΠΎΡΠΊΠΎΠ»ΡΠΊΡ ΠΏΠΎΠ΄ΠΎΠ±Π½ΡΠΉ ΠΊΠΎΠΌΠΏΠ»Π΅ΠΊΡ β Π΄ΠΎΡΠΎΠ³ΠΎΠ΅ ΡΠ΄ΠΎΠ²ΠΎΠ»ΡΡΡΠ²ΠΈΠ΅; - Π²ΡΡΡΠΎΠ΅Π½Π½ΡΠΉ Π΄ΠΎΠΌΠΈΠΊ. ΠΡΠΎΡ Π²Π°ΡΠΈΠ°Π½Ρ ΠΈΠ΄Π΅Π°Π»ΡΠ½ΠΎ ΠΏΠΎΠ΄Ρ ΠΎΠ΄ΠΈΡ Π΄Π»Ρ Π»ΡΠ΄Π΅ΠΉ, ΠΊΠΎΡΠΎΡΡΠ΅ Π½Π΅ Ρ ΠΎΡΡΡ, ΡΡΠΎΠ±Ρ Β«ΠΊΠΎΡΠ°ΡΡΡ ΠΌΠ΅Π±Π΅Π»ΡΒ» Π²Π»ΠΈΡΠ»Π° Π½Π° ΠΈΠ½ΡΠ΅ΡΡΠ΅Ρ ΠΏΠΎΠΌΠ΅ΡΠ΅Π½ΠΈΡ. Π ΡΠ°ΠΊΠΎΠΌ ΡΠ»ΡΡΠ°Π΅ Π»Π΅ΠΆΠ°Π½ΠΊΠ° ΡΠ°Π·ΠΌΠ΅ΡΠ°Π΅ΡΡΡ Π²Π½ΡΡΡΠΈ ΡΡΠΌΠ±Ρ ΠΈΠ»ΠΈ ΠΏΡΡΠ° Ρ ΠΎΡΠ΄Π΅Π»ΡΠ½ΡΠΌ Π²Ρ ΠΎΠ΄ΠΎΠΌ Π΄Π»Ρ ΠΊΠΎΡΠΊΠΈ. Π£ ΠΆΠΈΠ²ΠΎΡΠ½ΠΎΠ³ΠΎ Π΄ΠΎΠ»ΠΆΠ΅Π½ Π±ΡΡΡ ΠΏΠΎΡΡΠΎΡΠ½Π½ΡΠΉ Π΄ΠΎΡΡΡΠΏ ΠΊ ΡΠ²ΠΎΠ΅ΠΌΡ Π΄ΠΎΠΌΡ, Π° Ρ ΠΎΠ·ΡΠΈΠ½ ΡΠΌΠΎΠΆΠ΅Ρ ΠΈΡΠΏΠΎΠ»ΡΠ·ΠΎΠ²Π°ΡΡ ΠΏΡΠ΅Π΄ΠΌΠ΅Ρ ΠΏΠΎ Π½Π°Π·Π½Π°ΡΠ΅Π½ΠΈΡ.
ΠΠΎΠΌΠΈΠΊ Π΄Π»Ρ ΠΊΠΎΡΠΊΠΈ ΡΠ²ΠΎΠΈΠΌΠΈ ΡΡΠΊΠ°ΠΌΠΈ: ΠΏΠΎΡΠ°Π³ΠΎΠ²Π°Ρ ΠΈΠ½ΡΡΡΡΠΊΡΠΈΡ
ΠΠ·Π³ΠΎΡΠΎΠ²ΠΈΡΡ ΠΌΠΈΠ»ΡΠΉ ΠΈ ΡΡΡΠ½ΡΠΉ Π΄ΠΎΠΌΠΈΠΊ ΠΌΠΎΠΆΠ½ΠΎ Π±Π΅Π· ΠΎΡΠΎΠ±ΡΡ ΡΡΠΈΠ»ΠΈΠΉ Π²ΡΠ΅Π³ΠΎ Π·Π° Π½Π΅ΡΠΊΠΎΠ»ΡΠΊΠΎ ΡΠ°ΡΠΎΠ². ΠΠ°ΠΊ ΡΡΠΎ ΡΠ΄Π΅Π»Π°ΡΡ? ΠΠΎΠ΄Π³ΠΎΡΠΎΠ²ΡΡΠ΅ ΠΌΡΠ³ΠΊΠΈΠΉ Π½Π°ΠΏΠΎΠ»Π½ΠΈΡΠ΅Π»Ρ (ΡΠΈΠ½ΡΠ΅ΠΏΠΎΠ½ ΠΈΠ»ΠΈ ΠΏΠΎΡΠΎΠ»ΠΎΠ½), ΠΊΡΠ°ΡΠΈΠ²ΡΡ ΡΠΊΠ°Π½Ρ Π΄Π»Ρ Π²Π½Π΅ΡΠ½Π΅ΠΉ ΠΎΡΠ΄Π΅Π»ΠΊΠΈ ΠΈ ΠΏΡΠΎΡΠ½ΡΡ ΡΠΊΠ°Π½Ρ Π΄Π»Ρ ΠΎΡΠ΄Π΅Π»ΠΊΠΈ Π²Π½ΡΡΡΠΈ.
ΠΠ°ΡΠ΅ΡΡΠΈΡΠ΅ ΠΏΡΠ΅Π΄ΠΏΠΎΠ»Π°Π³Π°Π΅ΠΌΡΠΉ Π΄ΠΎΠΌ, ΠΈΡΠΏΠΎΠ»ΡΠ·ΡΡ ΡΠ΅Π°Π»ΡΠ½ΡΠ΅ ΡΠ°Π·ΠΌΠ΅ΡΡ.
ΠΠ½ ΠΌΠΎΠΆΠ΅Ρ Π±ΡΡΡ ΠΏΡΡΠΌΠΎΡΠ³ΠΎΠ»ΡΠ½ΡΠΌ ΠΈΠ»ΠΈ ΡΠΈΠ»ΠΈΠ½Π΄ΡΠΈΡΠ΅ΡΠΊΠΈΠΌ, Π² ΡΠΎΡΠΌΠ΅ Π²Π°ΡΠ΅ΠΆΠΊΠΈ ΠΈΠ»ΠΈ Π½ΠΎΡΠΊΠ° β Π²ΡΠ΅ Π·Π°Π²ΠΈΡΠΈΡ ΠΎΡ Π²Π°ΡΠ΅ΠΉ ΡΠ°Π½ΡΠ°Π·ΠΈΠΈ. ΠΠΎΠ΄Π³ΠΎΡΠΎΠ²ΡΡΠ΅ Π²ΡΠΊΡΠΎΠΉΠΊΠΈ Π΄Π»Ρ Π²ΡΠ΅Ρ
Π΄Π΅ΡΠ°Π»Π΅ΠΉ. ΠΡΠ»ΠΈ Π²Ρ Π±ΡΠ΄Π΅ΡΠ΅ Π΄Π΅Π»Π°ΡΡ ΡΠ°ΠΌΡΡ ΠΏΡΠΎΡΡΡΡ ΠΌΠΎΠ΄Π΅Π»Ρ ΠΈΠ· Π΄Π²ΡΡ
ΡΠ»Π΅ΠΌΠ΅Π½ΡΠΎΠ², ΡΠΎ ΡΡΡΠΈΡΠ΅ ΡΠ°Π·ΠΌΠ΅ΡΡ Π²Ρ
ΠΎΠ΄Π° Π½Π° Π΄Π°Π½Π½ΠΎΠΌ ΡΡΠ°ΠΏΠ΅.
ΠΠ°ΠΆΠ΄ΡΡ Π·Π°Π³ΠΎΡΠΎΠ²ΠΊΡ Π΄Π΅Π»Π°ΡΡ ΠΏΠΎ ΠΏΡΠΈΠ½ΡΠΈΠΏΡ Β«ΡΠ»ΠΎΠ΅Π½ΠΎΠ³ΠΎ ΠΏΠΈΡΠΎΠ³Π°Β»: ΠΎΠ±ΠΈΠ²ΠΊΠ°, Π½Π°ΠΏΠΎΠ»Π½ΠΈΡΠ΅Π»Ρ, ΠΏΠΎΠ΄ΠΊΠ»Π°Π΄Π°. ΠΡΠ΅ ΡΡΠΈ ΡΠ»ΠΎΡ ΡΡΠΈΠ²Π°ΡΡ ΠΌΠ΅ΠΆΠ΄Ρ ΡΠΎΠ±ΠΎΠΉ ΠΏΠΎ ΠΏΠ΅ΡΠΈΠΌΠ΅ΡΡΡ. ΠΠ°ΡΠ΅ΠΌ Π² Π½ΡΠΆΠ½ΠΎΠΌ ΠΏΠΎΡΡΠ΄ΠΊΠ΅ ΡΡΠΈΠ²Π°ΡΡΡΡ ΠΈ Π΄Π΅ΡΠ°Π»ΠΈ Π΄ΠΎΠΌΠΈΠΊΠ°. ΠΠΎΠΌΠ½ΠΈΡΠ΅ ΠΎ ΡΠΎΠΌ, ΡΡΠΎ ΡΠΊΠ°Π½Ρ Π΄Π»Ρ Π²Π½Π΅ΡΠ½Π΅ΠΉ ΠΎΡΠ΄Π΅Π»ΠΊΠΈ Π΄ΠΎΠ»ΠΆΠ½Π° ΠΎΠΊΠ°Π·Π°ΡΡΡΡ ΡΠ½Π°ΡΡΠΆΠΈ, Π° Π΄Π»Ρ Π²Π½ΡΡΡΠ΅Π½Π½Π΅ΠΉ β Π²Π½ΡΡΡΠΈ. ΠΡΠ»ΠΈ Π΄Π΅ΡΠ°Π»ΠΈ ΠΈΠΌΠ΅ΡΡ Π½Π΅ΡΠΈΠΌΠΌΠ΅ΡΡΠΈΡΠ½ΡΡ ΡΠΎΡΠΌΡ, ΡΠΎ ΠΎΠ±ΡΠ°ΡΠΈΡΠ΅ Π²Π½ΠΈΠΌΠ°Π½ΠΈΠ΅ Π½Π° ΡΠ°ΡΠΏΠΎΠ»ΠΎΠΆΠ΅Π½ΠΈΠ΅ ΡΠ»ΠΎΠ΅Π² Π΄ΠΎ Π²ΡΡΠ΅Π·Π°Π½ΠΈΡ.
ΠΠΎΠΌΠΈΠΊ Π΄Π»Ρ ΠΊΠΎΡΠΊΠΈ ΠΈΠ· ΠΊΠΎΡΠΎΠ±ΠΊΠΈ: ΠΏΠΎΡΡΠ°ΠΏΠ½ΠΎ
Π‘Π°ΠΌΡΠΉ ΠΏΡΠΎΡΡΠΎΠΉ ΡΠΏΠΎΡΠΎΠ± ΠΏΠΎΡΠ°Π΄ΠΎΠ²Π°ΡΡ ΠΆΠΈΠ²ΠΎΡΠ½ΠΎΠ΅ Π½Π°ΡΡΠΎΡΡΠΈΠΌ Π΄ΠΎΠΌΠΎΠΌ β ΠΈΠ·Π³ΠΎΡΠΎΠ²ΠΈΡΡ Π΅Π³ΠΎ ΠΈΠ· ΠΊΠ°ΡΡΠΎΠ½Π½ΠΎΠΉ ΠΊΠΎΡΠΎΠ±ΠΊΠΈ. Π‘ ΡΡΠΎΠΉ Π·Π°Π΄Π°ΡΠ΅ΠΉ ΡΠΏΡΠ°Π²ΠΈΡΡΡ Π΄Π°ΠΆΠ΅ ΡΠ΅Π±Π΅Π½ΠΎΠΊ, Π²Π΅Π΄Ρ Π²Π°ΠΌ Π½Π΅ Π½ΡΠΆΠ½ΠΎ Π±ΡΠ΄Π΅Ρ ΠΏΠΈΠ»ΠΈΡΡ ΠΈ ΡΠ²Π΅ΡΠ»ΠΈΡΡ. Π§ΡΠΎ ΠΆΠ΅ ΠΏΠΎΡΡΠ΅Π±ΡΠ΅ΡΡΡ Π΄Π»Ρ ΡΠΎΠ·Π΄Π°Π½ΠΈΡ ΠΏΠΎΠ΄ΠΎΠ±Π½ΠΎΠ³ΠΎ Π΄ΠΎΠΌΠ°:
- ΡΠ°ΠΌΠ° ΠΊΠΎΡΠΎΠ±ΠΊΠ°,
- Π½ΠΎΠΆ,
- ΠΊΠ»Π΅ΠΉ,
- Π³ΠΈΠ΄ΡΠΎΠΈΠ·ΠΎΠ»ΠΈΡΡΡΡΠΈΠΉ ΠΌΠ°ΡΠ΅ΡΠΈΠ°Π»,
- Π»ΠΈΠ½Π΅ΠΉΠΊΠ°,
- ΡΠΊΠΎΡΡ,
- ΠΊΠΎΠ²ΡΠΎΠ»ΠΈΠ½ ΠΈΠ»ΠΈ ΠΊΡΡΠΎΡΠ΅ΠΊ ΠΊΠΎΠ²ΡΠ°,
- ΠΊΠ°ΡΠ°Π½Π΄Π°Ρ.

- ΠΡΠ°ΠΏ.Β ΠΡΠ΅ΠΆΠ΄Π΅ Π²ΡΠ΅Π³ΠΎ ΠΏΠΎΠ΄Π±Π΅ΡΠΈΡΠ΅ ΠΊΠΎΡΠΎΠ±ΠΊΡ ΡΠ°ΠΊΠΎΠ³ΠΎ ΡΠ°Π·ΠΌΠ΅ΡΠ°, ΡΡΠΎΠ±Ρ ΠΊΠΎΡΠΊΠ° Π»Π΅Π³ΠΊΠΎ Π² Π½Π΅ΠΉ ΠΏΠΎΠΌΠ΅ΡΠ°Π»Π°ΡΡ. ΠΠΈΠ²ΠΎΡΠ½ΠΎΠ΅ Π΄ΠΎΠ»ΠΆΠ½ΠΎ Π½Π΅ ΡΠΎΠ»ΡΠΊΠΎ ΠΈΠΌΠ΅ΡΡ Π²ΠΎΠ·ΠΌΠΎΠΆΠ½ΠΎΡΡΡ Π²ΡΡΠ°ΡΡ Π²Π½ΡΡΡΠΈ, Π½ΠΎ ΠΈ ΡΠ²ΠΎΠ±ΠΎΠ΄Π½ΠΎ ΡΠ°Π·Π²Π΅ΡΠ½ΡΡΡΡΡ. ΠΠΎΠΌΠ½ΠΈΡΠ΅ ΠΎ ΡΠΎΠΌ, ΡΡΠΎ ΠΊΠΎΡΠΊΠΈ ΡΡΡΠ°ΠΌΠ±ΠΎΠ²ΡΠ²Π°ΡΡ ΠΏΠΎΠ²Π΅ΡΡ Π½ΠΎΡΡΡ ΠΏΠ΅ΡΠ΅Π΄ ΡΠ΅ΠΌ, ΠΊΠ°ΠΊ Π»Π΅ΡΡ Π½Π° Π½Π΅Ρ. ΠΡΠ»ΠΈ ΠΏΡΠΎΡΡΡΠ°Π½ΡΡΠ²ΠΎ Π±ΡΠ΄Π΅Ρ ΠΌΠ°Π»Π΅Π½ΡΠΊΠΈΠΌ, ΠΆΠΈΠ²ΠΎΡΠ½ΠΎΠ΅ Π² ΡΠ°ΠΊΠΎΠΌ Π΄ΠΎΠΌΠΈΠΊΠ΅ Π½Π°Π΄ΠΎΠ»Π³ΠΎ Π½Π΅ ΠΎΡΡΠ°Π½Π΅ΡΡΡ.
- ΠΡΠ°ΠΏ.Β Π‘ΠΎΠ±Π΅ΡΠΈΡΠ΅ ΠΊΠΎΡΠΎΠ±ΠΊΡ, ΠΏΡΠΎΠΊΠ»Π΅ΠΉΡΠ΅ Π²ΡΠ΅ ΡΡΡΠΊΠΈ. ΠΠ· Π³ΠΈΠ΄ΡΠΎΠΈΠ·ΠΎΠ»ΠΈΡΡΡΡΠ΅Π³ΠΎ ΠΌΠ°ΡΠ΅ΡΠΈΠ°Π»Π° Π²ΡΡΠ΅ΠΆΡΡΠ΅ ΡΠ΅ΡΡΡΠ΅ ΠΎΡΠ΄Π΅Π»ΡΠ½ΡΡ ΠΊΡΡΠΎΡΠΊΠ°. ΠΠ΅ΡΠ²ΡΠΉ Π΄ΠΎΠ»ΠΆΠ΅Π½ Π·Π°ΠΊΡΡΠ²Π°ΡΡ Π΄Π½ΠΎ ΠΊΠΎΡΠΎΠ±ΠΊΠΈ ΠΈ Π±ΠΎΠΊΠΎΠ²ΡΠ΅ ΡΡΠ΅Π½ΠΊΠΈ, Π²ΡΠΎΡΠΎΠΉ β ΠΏΠΎΡΠΎΠ»ΠΎΠΊ, Π° ΡΡΠ΅ΡΠΈΠΉ ΠΈ ΡΠ΅ΡΠ²Π΅ΡΡΡΠΉ β Π·Π°Π΄Π½ΡΡ ΠΈ ΠΏΠ΅ΡΠ΅Π΄Π½ΡΡ ΡΡΠ΅Π½ΠΊΠΈ ΡΠΎΠΎΡΠ²Π΅ΡΡΡΠ²Π΅Π½Π½ΠΎ. ΠΠΊΠΊΡΡΠ°ΡΠ½ΠΎ ΠΏΡΠΈΠΊΠ»Π΅ΠΉΡΠ΅ Π²ΡΠ΅ Π·Π°Π³ΠΎΡΠΎΠ²ΠΊΠΈ, ΠΈΡΠΏΠΎΠ»ΡΠ·ΡΡ ΠΊΠ»Π΅ΠΉ Π±Π΅Π· ΡΠ΅Π·ΠΊΠΎΠ³ΠΎ Π·Π°ΠΏΠ°Ρ Π°.
- ΠΡΠ°ΠΏ.Β ΠΠ· ΠΊΠΎΠ²ΡΠΎΠ»ΠΈΠ½Π° Π²ΡΡΠ΅ΠΆΡΡΠ΅ ΠΊΡΡΠΎΡΠ΅ΠΊ ΡΠ°ΠΊΠΎΠ³ΠΎ ΡΠ°Π·ΠΌΠ΅ΡΠ°, ΡΡΠΎΠ±Ρ ΠΎΠ½ ΠΏΠΎΠ»Π½ΠΎΡΡΡΡ ΡΠΊΡΡΠ²Π°Π» ΠΊΠ°ΡΡΠΎΠ½Π½ΠΎΠ΅ ΠΎΡΠ½ΠΎΠ²Π°Π½ΠΈΠ΅. Π’Π°ΠΊΠΈΠΌ ΠΎΠ±ΡΠ°Π·ΠΎΠΌ Π²Ρ Π½Π΅ ΡΠΎΠ»ΡΠΊΠΎ ΠΏΡΠΈΠ΄Π°Π΄ΠΈΡΠ΅ Π΄ΠΎΠΌΠΈΠΊΡ ΠΏΡΠΈΠ²Π»Π΅ΠΊΠ°ΡΠ΅Π»ΡΠ½ΡΠΉ Π²Π½Π΅ΡΠ½ΠΈΠΉ Π²ΠΈΠ΄, Π½ΠΎ ΠΈ ΡΠ²Π΅Π»ΠΈΡΠΈΡΠ΅ Π΅Π³ΠΎ ΡΡΠ½ΠΊΡΠΈΠΎΠ½Π°Π»ΡΠ½ΠΎΡΡΡ, Π²Π΅Π΄Ρ ΠΎ ΡΠ°ΠΊΡΡ ΠΏΠΎΠ²Π΅ΡΡ Π½ΠΎΡΡΡ ΠΌΠΎΠΆΠ½ΠΎ ΡΠΎΡΠΈΡΡ ΠΊΠΎΠ³ΡΠΈ.
ΠΠΎΠΌΠΈΠΊ Π΄Π»Ρ ΠΊΠΎΡΠΊΠΈ ΠΈΠ· Π³Π°Π·Π΅ΡΠ½ΡΡ ΡΡΡΠ±ΠΎΡΠ΅ΠΊ ΡΠ²ΠΎΠΈΠΌΠΈ ΡΡΠΊΠ°ΠΌΠΈ
ΠΡΡ ΠΎΠ΄ΠΈΠ½ ΡΠΏΠΎΡΠΎΠ± ΡΠΎΠ·Π΄Π°ΡΡ ΠΊΡΠ°ΡΠΈΠ²ΠΎΠ΅ ΠΈ Π½Π΅ΠΎΠ±ΡΡΠ½ΠΎΠ΅ ΠΆΠΈΠ»ΠΈΡΠ΅ Π΄Π»Ρ ΠΏΠΈΡΠΎΠΌΡΠ° Β«ΠΈΠ· Π½ΠΈΡΠ΅Π³ΠΎΒ» β ΠΈΡΠΏΠΎΠ»ΡΠ·ΠΎΠ²Π°Π½ΠΈΠ΅ Π³Π°Π·Π΅ΡΠ½ΡΡ
ΡΡΡΠ±ΠΎΡΠ΅ΠΊ.
ΠΠ°ΡΠ΅ΡΠΈΠ°Π»Π° ΠΏΠΎΡΡΠ΅Π±ΡΠ΅ΡΡΡ ΠΌΠ½ΠΎΠ³ΠΎ, ΡΠ°ΠΊ ΡΡΠΎ ΡΠ΅ΠΊΠΎΠΌΠ΅Π½Π΄ΡΠ΅ΠΌ Π½Π°ΡΠ°ΡΡ ΠΊΠΎΠΏΠΈΡΡ Π³Π°Π·Π΅ΡΡ Π·Π°ΡΠ°Π½Π΅Π΅.
Π§ΡΠΎ Π΅ΡΡ Π±ΡΠ΄Π΅Ρ Π½ΡΠΆΠ½ΠΎ?
- ΡΠΏΠΈΡΡ,
- Π³Π°Π·Π΅ΡΡ,
- Π»Π°ΠΊ,
- ΠΊΠ»Π΅ΠΉ,
- Π½ΠΎΠΆ ΠΈΠ»ΠΈ Π½ΠΎΠΆΠ½ΠΈΡΡ.
Π§ΡΠΎΠ±Ρ ΠΏΠΎΠ»ΡΡΠΈΡΡ ΠΊΡΠ°ΡΠΈΠ²ΡΠ΅ ΠΈ Π³ΠΈΠ±ΠΊΠΈΠ΅ ΡΡΡΠ±ΠΎΡΠΊΠΈ, Π΄Π΅ΡΠΆΠΈΡΠ΅ ΡΠΏΠΈΡΡ ΠΏΠΎΠ΄ ΡΠ³Π»ΠΎΠΌ Π² 45 Π³ΡΠ°Π΄ΡΡΠΎΠ² ΠΏΠΎ ΠΎΡΠ½ΠΎΡΠ΅Π½ΠΈΡ ΠΊ Π³Π°Π·Π΅ΡΠ΅. ΠΠΊΠΊΡΡΠ°ΡΠ½ΠΎ Π½Π°ΠΊΡΡΡΠΈΠ²Π°ΠΉΡΠ΅ Π±ΡΠΌΠ°Π³Ρ Π½Π° ΠΎΡΠ½ΠΎΠ²Π°Π½ΠΈΠ΅ ΡΠ°ΠΊ, ΡΡΠΎΠ±Ρ ΠΊΠΎΠ½ΡΡΡΡΠΊΡΠΈΡ ΠΏΠΎΠ»ΡΡΠ°Π»Π°ΡΡ ΡΡΠ³ΠΎΠΉ. ΠΠ΅ Π½ΡΠΆΠ½ΠΎ ΠΏΠΎΠ»Π½ΠΎΡΡΡΡ ΡΠΌΠ°Π·ΡΠ²Π°ΡΡ Π²ΡΡ ΠΏΠΎΠ²Π΅ΡΡ Π½ΠΎΡΡΡ ΠΊΠ»Π΅Π΅ΠΌ, Π΄ΠΎΡΡΠ°ΡΠΎΡΠ½ΠΎ Π»ΠΈΡΡ Π·Π°ΠΊΡΠ΅ΠΏΠΈΡΡ ΠΊΠΎΠ½ΡΡ ΡΡΡΠ±ΠΎΡΠΊΠΈ.
ΠΠΎΠ³Π΄Π° Π·Π°Π³ΠΎΡΠΎΠ²ΠΊΠΈ Π±ΡΠ΄ΡΡ Π³ΠΎΡΠΎΠ²Ρ, ΡΠ°Π·Π»ΠΎΠΆΠΈΡΠ΅ ΠΈΡ ΡΠ°ΠΊ, ΠΊΠ°ΠΊ ΡΠΊΠ°Π·Π°Π½ΠΎ Π½Π° ΡΠΎΡΠΎ Π½ΠΈΠΆΠ΅.
ΠΠ΅ΡΠ΅ΠΏΠ»Π΅ΡΠΈΡΠ΅ ΠΌΠ΅ΠΆΠ΄Ρ ΡΠΎΠ±ΠΎΠΉ ΡΡΡΠ±ΠΎΡΠΊΠΈ, ΡΡΠΎΠ±Ρ Π·Π°Π»ΠΎΠΆΠΈΡΡ ΠΎΡΠ½ΠΎΠ²Π°Π½ΠΈΠ΅ Π΄ΠΎΠΌΠΈΠΊΠ°. ΠΠΎΠ»ΡΡΠΈΠ²ΡΡΡΡΡ ΠΎΡΠ½ΠΎΠ²Ρ ΠΏΠΎΡΡΠ΅ΠΏΠ΅Π½Π½ΠΎ ΠΎΠΏΠ»Π΅ΡΠ°ΠΉΡΠ΅ Π΄ΠΎ ΡΠ΅Ρ ΠΏΠΎΡ, ΠΏΠΎΠΊΠ° Π½Π΅ Π΄ΠΎΡΡΠΈΠ³Π½Π΅ΡΠ΅ Π½ΡΠΆΠ½ΠΎΠ³ΠΎ ΡΠ°Π·ΠΌΠ΅ΡΠ°. ΠΠΎΡΠ»Π΅ ΡΡΠΎΠ³ΠΎ ΠΏΠΎΠ΄Π³ΠΎΡΠΎΠ²ΡΡΠ΅ ΠΏΡΠ΅Π΄ΠΌΠ΅Ρ ΠΏΠΎ ΠΎΠ±ΡΠ΅ΠΌΡ Π½Π°ΠΏΠΎΠΌΠΈΠ½Π°ΡΡΠΈΠΉ Π±ΡΠ΄ΡΡΠ΅Π³ΠΎ ΠΆΠΈΠ»ΡΡΠ°. ΠΡΠΎ ΠΌΠΎΠΆΠ΅Ρ Π±ΡΡΡ ΠΌΡΡ ΠΈΠ»ΠΈ Π±ΠΎΠ»ΡΡΠΎΠΉ ΠΊΡΡΠΎΠΊ ΠΊΠ°ΡΡΠΎΠ½Π°, ΠΏΠ»ΡΡΠ΅Π²Π°Ρ ΠΈΠ³ΡΡΡΠΊΠ° ΠΈΠ»ΠΈ ΠΏΠ°ΠΊΠ΅Ρ Ρ ΠΌΠΎΡΠΊΠ°ΠΌΠΈ Π½ΠΈΡΠΎΠΊ.
ΠΠΎΡΠ»Π΅ ΡΡΠΎΠ³ΠΎ ΠΌΠΎΠΆΠ½ΠΎ ΠΏΡΠΈΡΡΡΠΏΠΈΡΡ ΠΊ ΠΎΠΏΠ»Π΅ΡΠ°Π½ΠΈΡ ΡΡΠ΅Π½ΠΎΠΊ, Π°ΠΊΠΊΡΡΠ°ΡΠ½ΠΎ ΠΏΡΠΈΠ΄Π°Π²Π°Ρ Π΄ΠΎΠΌΠΈΠΊΡ Π½ΡΠΆΠ½ΡΡ ΡΠΎΡΠΌΡ.
ΠΠΎΠΌΠ½ΠΈΡΠ΅ ΠΎ ΡΠΎΠΌ, ΡΡΠΎ ΠΆΠΈΠ²ΠΎΡΠ½ΠΎΠΌΡ Π½ΡΠΆΠ΅Π½ ΠΏΡΠΎΡΡΠΎΡΠ½ΡΠΉ Π²Ρ
ΠΎΠ΄. ΠΡΠ»ΠΈ ΠΏΡΠΎΡ
ΠΎΠ΄ ΠΎΠΊΠ°ΠΆΠ΅ΡΡΡ ΡΠ»ΠΈΡΠΊΠΎΠΌ ΡΠ·ΠΊΠΈΠΌ, ΡΠΎ ΠΊΠΎΡΠΊΠ° Π²ΡΡΠ΄ Π»ΠΈ ΡΠΎΠ³Π»Π°ΡΠΈΡΡΡ ΠΆΠΈΡΡ Π² ΡΠ°ΠΊΠΎΠΌ Π΄ΠΎΠΌΠ΅.
ΠΠ°ΠΊΠΎΠ½ΡΠΈΡΠ΅ ΠΏΠ»Π΅ΡΠ΅Π½ΠΈΠ΅ ΡΠ°ΠΊ, ΠΊΠ°ΠΊ ΡΠΊΠ°Π·Π°Π½ΠΎ Π½Π° ΡΠΎΡΠΎ.
ΠΠ°ΡΠ΅ΠΌ Π²ΡΠΊΡΠΎΠΉΡΠ΅ ΠΊΠΎΠ½ΡΡΡΡΠΊΡΠΈΡ Π»Π°ΠΊΠΎΠΌ Π΄Π»Ρ ΠΏΡΠΎΡΠ½ΠΎΡΡΠΈ ΠΈ Π³ΠΈΠ΄ΡΠΎΠΈΠ·ΠΎΠ»ΡΡΠΈΠΈ. Π§Π΅ΡΠ΅Π· Π½Π΅ΡΠΊΠΎΠ»ΡΠΊΠΎ Π΄Π½Π΅ΠΉ Π·Π°ΠΏΠ°Ρ ΡΠΉΠ΄Π΅Ρ, Π° Π΄ΠΎΠΌΠΈΠΊ ΠΌΠΎΠΆΠ½ΠΎ ΠΏΡΠ΅Π΄ΡΡΠ°Π²Π»ΡΡΡ ΠΏΠΈΡΠΎΠΌΡΡ.
ΠΠ΅ΡΠ΅Π²ΡΠ½Π½ΡΠΉ Π΄ΠΎΠΌΠΈΠΊ Π΄Π»Ρ ΠΊΠΎΡΠΊΠΈ: ΠΈΠ½ΡΡΡΡΠΊΡΠΈΡ
ΠΠ°ΠΌ ΠΏΠΎΡΡΠ΅Π±ΡΠ΅ΡΡΡ:
- ΡΠ°Π½Π΅ΡΠ°,
- ΠΌΠ΅Π±Π΅Π»ΡΠ½ΡΠ΅ ΡΠ³ΠΎΠ»ΠΊΠΈ,
- ΠΏΠΎΡΠΎΠ»ΠΎΠ½ (ΠΏΠΎ ΠΆΠ΅Π»Π°Π½ΠΈΡ),
- ΠΆΠΈΠ΄ΠΊΠΈΠΉ ΠΊΠ»Π΅ΠΉ,
- Π½Π°ΠΆΠ΄Π°ΡΠ½Π°Ρ Π±ΡΠΌΠ°Π³Π°,
- ΠΊΠΎΠ²ΡΠΎΠ»ΠΈΠ½ ΠΈΠ»ΠΈ Π»ΡΠ±ΠΎΠΉ Π΄ΡΡΠ³ΠΎΠΉ ΠΏΠ»ΠΎΡΠ½ΡΠΉ ΠΌΠ°ΡΠ΅ΡΠΈΠ°Π».
ΠΠ· ΡΠ°Π½Π΅ΡΡ Π²ΡΠΏΠΈΠ»ΠΈΡΠ΅ 6 ΠΎΠ΄ΠΈΠ½Π°ΠΊΠΎΠ²ΡΡ ΠΊΠ²Π°Π΄ΡΠ°ΡΠΎΠ² Π½ΡΠΆΠ½ΠΎΠ³ΠΎ ΡΠ°Π·ΠΌΠ΅ΡΠ° (ΠΏΠΎ ΡΠ°Π·ΠΌΠ΅ΡΡ ΠΎΡΠ½ΠΎΠ²Π°Π½ΠΈΡ ΠΈ ΡΡΠ΅Π±ΡΠ΅ΠΌΠΎΠΉ Π²ΡΡΠΎΡΠ΅). Π Π΄Π²ΡΡ Π·Π°Π³ΠΎΡΠΎΠ²ΠΊΠ°Ρ Π½ΡΠΆΠ½ΠΎ Π²ΡΡΠ΅Π·Π°ΡΡ ΠΎΡΠ²Π΅ΡΡΡΠΈΡ, ΡΠ΅ΡΠ΅Π· ΠΊΠΎΡΠΎΡΡΠ΅ ΠΆΠΈΠ²ΠΎΡΠ½ΠΎΠ΅ Π±ΡΠ΄Π΅Ρ ΠΏΠΎΠΏΠ°Π΄Π°ΡΡ Π² Π΄ΠΎΠΌΠΈΠΊ.
ΠΠΊΠΊΡΡΠ°ΡΠ½ΠΎ ΡΠΎΠ΅Π΄ΠΈΠ½ΠΈΡΠ΅ 5 ΠΊΠ²Π°Π΄ΡΠ°ΡΠΎΠ², ΡΠΎΠ·Π΄Π°Π² Π΄ΠΎΠΌΠΈΠΊ Π±Π΅Π· ΠΊΡΡΡΠΈ. Π‘ΠΊΡΠ΅ΠΏΠΈΡΠ΅ Π²ΡΠ΅ Π΄Π΅ΡΠ°Π»ΠΈ ΠΌΠ΅Π±Π΅Π»ΡΠ½ΡΠΌΠΈ ΡΠ³ΠΎΠ»ΠΊΠ°ΠΌΠΈ. Π’Π΅ΠΏΠ΅ΡΡ Π΄ΠΎΠΌΠΈΠΊ Π½ΡΠΆΠ½ΠΎ ΠΎΠ±Π±ΠΈΡΡ Π²Π½ΡΡΡΠΈ. ΠΡΠ»ΠΈ Π²Ρ Ρ
ΠΎΡΠΈΡΠ΅ ΡΠΎΠ·Π΄Π°ΡΡ Π±ΠΎΠ»Π΅Π΅ ΡΡΡΠ½ΠΎΠ΅ ΠΈ ΠΊΠΎΠΌΡΠΎΡΡΠ½ΠΎΠ΅ ΠΆΠΈΠ»ΠΈΡΠ΅, ΡΠΎ ΠΏΠΎΠ»ΠΎΠΆΠΈΡΠ΅ ΠΏΠΎΠ΄ ΠΎΠ±ΠΈΠ²ΠΊΡ ΡΠ»ΠΎΠΉ ΠΏΠΎΡΠΎΠ»ΠΎΠ½Π°.
ΠΡΠΈΠΊΡΠ΅ΠΏΠΈΡΡ ΠΌΠ°ΡΠ΅ΡΠΈΠ°Π»Ρ ΠΌΠΎΠΆΠ½ΠΎ ΠΊΠ»Π΅Π΅ΠΌ ΠΈΠ»ΠΈ ΡΠΏΠ΅ΡΠΈΠ°Π»ΡΠ½ΡΠΌ ΠΌΠ΅Π±Π΅Π»ΡΠ½ΡΠΌ ΡΡΠ΅ΠΏΠ»Π΅ΡΠΎΠΌ (Π² ΡΡΠΎΠΌ ΡΠ»ΡΡΠ°Π΅ Π²Π½ΠΈΠΌΠ°ΡΠ΅Π»ΡΠ½ΠΎ ΡΠ»Π΅Π΄ΠΈΡΠ΅ Π·Π° ΡΠΊΠΎΠ±Π°ΠΌΠΈ β ΠΎΠ½ΠΈ Π½Π΅ Π΄ΠΎΠ»ΠΆΠ½Ρ ΡΠΎΡΡΠ°ΡΡ). ΠΠ±ΡΠ°Π±ΠΎΡΠ°ΠΉΡΠ΅ Π²Ρ
ΠΎΠ΄Π½ΡΠ΅ ΠΎΡΠ²Π΅ΡΡΡΠΈΡ Π½Π°ΠΆΠ΄Π°ΡΠ½ΠΎΠΉ Π±ΡΠΌΠ°Π³ΠΎΠΉ, ΡΡΠΎΠ±Ρ ΠΈΡΠΊΠ»ΡΡΠΈΡΡ Π²ΠΎΠ·ΠΌΠΎΠΆΠ½ΡΠ΅ ΡΡΠ°Π²ΠΌΡ.
ΠΡΠΈ ΠΆΠ΅Π»Π°Π½ΠΈΠΈ Π²Ρ ΠΌΠΎΠΆΠ΅ΡΠ΅ Π΄ΠΎΠΏΠΎΠ»Π½ΠΈΡΡ ΠΊΠΎΠ½ΡΡΡΡΠΊΡΠΈΡ ΠΊΠΎΠ³ΡΠ΅ΡΠΎΡΠΊΠΎΠΉ ΠΈΠ»ΠΈ ΠΎΠ±Π·ΠΎΡΠ½ΠΎΠΉ ΠΏΠ»ΠΎΡΠ°Π΄ΠΊΠΎΠΉ, ΡΠ°Π·ΠΌΠ΅ΡΡΠΈΠ² ΠΈΡ Π½Π° ΡΠ°ΠΌΠΎΠΌ Π΄ΠΎΠΌΠΈΠΊΠ΅ ΠΈΠ»ΠΈ ΡΡΠ΄ΠΎΠΌ Ρ Π½ΠΈΠΌ.
ΠΠΎΠΌΠΈΠΊ Π΄Π»Ρ ΠΊΠΎΡΠΊΠΈ ΡΠ²ΠΎΠΈΠΌΠΈ ΡΡΠΊΠ°ΠΌΠΈ: Π²ΠΈΠ΄Π΅ΠΎ
Π‘Π΄Π΅Π»Π°ΡΡ ΠΈΠ΄Π΅Π°Π»ΡΠ½ΡΠΉ Π΄ΠΎΠΌΠΈΠΊ Π΄Π»Ρ Π²Π°ΡΠ΅Π³ΠΎ ΠΏΠΈΡΠΎΠΌΡΠ° ΠΏΠΎΠΌΠΎΠΆΠ΅Ρ ΡΠ»Π΅Π΄ΡΡΡΠ΅Π΅ Π²ΠΈΠ΄Π΅ΠΎ.
ΠΠ°ΠΊ ΡΠ΄Π΅Π»Π°ΡΡ ΡΠ΄ΠΎΠ±Π½ΡΠΉ Π΄ΠΎΠΌΠΈΠΊ Π΄Π»Ρ ΠΊΠΎΡΠΊΠΈ ΠΈΠ· ΠΏΠΎΠ΄ΡΡΡΠ½ΡΡ ΠΌΠ°ΡΠ΅ΡΠΈΠ°Π»ΠΎΠ²
ΠΠΎΠΌΠΈΠΊ Π΄Π»Ρ ΠΊΠΎΡΠΊΠΈΒ β ΡΡΠΎ Π½Π΅ ΠΏΡΠΈΡΡΠ΄Π° Ρ
ΠΎΠ·ΡΠ΅Π², Π° Π½Π΅ΠΎΠ±Ρ
ΠΎΠ΄ΠΈΠΌΠΎΡΡΡ Π΄Π»Ρ ΠΎΠ±Π΅ΡΠΏΠ΅ΡΠ΅Π½ΠΈΡ ΠΊΠΎΠΌΡΠΎΡΡΠ° Π΄ΠΎΠΌΠ°ΡΠ½Π΅Π³ΠΎ Π»ΡΠ±ΠΈΠΌΡΠ°. ΠΠ²Π°ΡΡΠΈΡΠ° ΠΈΠ»ΠΈ Π΄ΠΎΠΌΒ β ΡΡΠΎ ΡΠ΅ΡΡΠΈΡΠΎΡΠΈΡ ΠΆΠΈΠ²ΠΎΡΠ½ΠΎΠ³ΠΎ, Π·Π° ΠΊΠΎΡΠΎΡΡΡ ΠΎΠ½ Π½Π΅ΡΠ΅Ρ ΠΎΡΠ²Π΅ΡΡΡΠ²Π΅Π½Π½ΠΎΡΡΡ Π½Π° ΡΡΠΎΠ²Π½Π΅ ΠΈΠ½ΡΡΠΈΠ½ΠΊΡΠΎΠ². ΠΠΎΡΡΠΎΠΌΡ ΠΌΠΎΠΆΠ½ΠΎ Π½Π°Π±Π»ΡΠ΄Π°ΡΡ ΠΏΠΎΡΡΠΎΡΠ½Π½ΡΠ΅ ΠΏΡΠΎΠ²Π΅ΡΠΊΠΈ ΡΠ³Π»ΠΎΠ², ΠΎΠ±Π½ΡΡ
ΠΈΠ²Π°Π½ΠΈΠ΅ Π½ΠΎΠ²ΡΡ
ΠΏΡΠ΅Π΄ΠΌΠ΅ΡΠΎΠ². ΠΠΌΠΏΡΠΎΠ²ΠΈΠ·ΠΈΡΠΎΠ²Π°Π½Π½ΠΎΠ΅ ΡΠ±Π΅ΠΆΠΈΡΠ΅ Π½Π΅ΠΎΠ±Ρ
ΠΎΠ΄ΠΈΠΌΠΎ Π΄Π»Ρ ΠΏΠΎΠ»Π½ΠΎΡΠ΅Π½Π½ΠΎΠ³ΠΎ ΠΎΡΠ΄ΡΡ
Π°.
ΠΠ°ΠΊ ΡΠ΄Π΅Π»Π°ΡΡ Π΄ΠΎΠΌΠΈΠΊ Π΄Π»Ρ ΠΊΠΎΡΠΊΠΈ ΠΈΠ· ΠΏΠΎΠ΄ΡΡΡΠ½ΡΡ
ΠΌΠ°ΡΠ΅ΡΠΈΠ°Π»ΠΎΠ²?
ΠΠΎΡΠ°ΡΡΠΈ ΡΡΠ΅Π±ΠΎΠ²Π°Π½ΠΈΡ ΠΊ ΠΆΠΈΠ»ΠΈΡΡ
Π‘Π½Π°ΡΠ°Π»Π° Π½Π΅ΠΎΠ±Ρ ΠΎΠ΄ΠΈΠΌΠΎ ΡΠ°Π·ΠΎΠ±ΡΠ°ΡΡΡΡ β Π½ΡΠΆΠ΅Π½ Π΄ΠΎΠΌ Π΄Π»Ρ ΠΆΠΈΠ²ΠΎΡΠ½ΠΎΠ³ΠΎ ΠΈΠ»ΠΈ Π»Π΅ΠΆΠ°Π½ΠΊΠ°. Π ΠΏΠΎΡΠ»Π΅Π΄Π½Π΅ΠΌ ΡΠ»ΡΡΠ°Π΅ ΠΎΠ±ΡΡΡΡΠ°ΠΈΠ²Π°Π΅ΡΡΡ Π½Π΅Π±ΠΎΠ»ΡΡΠΎΠ΅ Β«Π³Π½Π΅Π·Π΄ΠΎΒ» ΠΈΠ· ΠΌΡΠ³ΠΊΠΈΡ ΠΌΠ°ΡΠ΅ΡΠΈΠ°Π»ΠΎΠ². ΠΠ»ΡΡΠ΅ΡΠ½Π°ΡΠΈΠ²Π° β ΡΠ΄Π΅Π»Π°ΡΡ Π»Π΅ΠΆΠ°Π½ΠΊΡ ΠΏΠΎ Π°Π½Π°Π»ΠΎΠ³ΠΈΠΈ Ρ ΠΊΠ»Π°ΡΡΠΈΡΠ΅ΡΠΊΠΈΠΌ Π³Π°ΠΌΠ°ΠΊΠΎΠΌ. ΠΠ°ΠΆΠ½ΠΎ, ΡΡΠΎΠ±Ρ Π»ΡΠ±ΠΈΠΌΠ΅Ρ ΠΈΠΌΠ΅Π» ΡΠ²ΠΎΠ±ΠΎΠ΄Π½ΡΠΉ Π΄ΠΎΡΡΡΠΏ ΠΊ ΡΠΏΠ°Π»ΡΠ½ΠΎΠΌΡ ΠΌΠ΅ΡΡΡ ΠΈ ΠΌΠΎΠ³ ΡΠ΄ΠΎΠ±Π½ΠΎ ΡΠ°ΡΠΏΠΎΠ»ΠΎΠΆΠΈΡΡΡΡ.
Π ΠΎΡΠ»ΠΈΡΠΈΠ΅ ΠΎΡ ΡΡΠΎΠ³ΠΎ Π²Π°ΡΠΈΠ°Π½ΡΠ°, Π΄ΠΎΠΌΠΈΠΊ β ΡΡΠΎ ΠΏΠΎΠ»Π½ΠΎΡΠ΅Π½Π½Π°Ρ ΠΊΠΎΠ½ΡΡΡΡΠΊΡΠΈΡ ΡΠΎ ΡΡΠ΅Π½Π°ΠΌΠΈ ΠΈ ΠΊΡΡΡΠ΅ΠΉ. ΠΠ±ΡΠ·Π°ΡΠ΅Π»ΡΠ½ΠΎ ΡΡΠΈΡΡΠ²Π°ΡΡΡΡ ΡΠ°ΠΊΠΈΠ΅ ΠΏΡΠ΅Π΄ΠΏΠΎΡΡΠ΅Π½ΠΈΡ ΠΊΠΎΡΠΊΠΈ:
- Π Π΅ΠΊΠΎΠΌΠ΅Π½Π΄ΡΠ΅ΡΡΡ ΡΠ΄Π΅Π»Π°ΡΡ Π΄Π²Π° Π²Ρ ΠΎΠ΄Π°. ΠΠ½ΠΈ Π΄ΠΎΠ»ΠΆΠ½Ρ Π±ΡΡΡ Π΄ΠΎΡΡΠ°ΡΠΎΡΠ½ΠΎ Π±ΠΎΠ»ΡΡΠΈΠΌΠΈ, ΡΡΠΎΠ±Ρ ΠΎΠ±Π΅ΡΠΏΠ΅ΡΠΈΡΡ ΠΎΠ±Π·ΠΎΡ ΠΈΠ· Π΄ΠΎΠΌΠΈΠΊΠ°.
- ΠΠΎΠ±ΠΈΠ»ΡΠ½ΠΎΡΡΡ β Π²ΠΎΠ·ΠΌΠΎΠΆΠ½ΠΎΡΡΡ ΠΏΠ΅ΡΠ΅Π½ΠΎΡΠ° ΠΊΠΎΠ½ΡΡΡΡΠΊΡΠΈΠΈ, ΠΌΠ΅Π½ΡΡ Π΅Π³ΠΎ ΠΏΠΎΠ»ΠΎΠΆΠ΅Π½ΠΈΠ΅ Π² ΠΊΠΎΠΌΠ½Π°ΡΠ΅.
- Π¦Π²Π΅Ρ Π½Π΅ ΠΈΠΌΠ΅Π΅Ρ Π·Π½Π°ΡΠ΅Π½ΠΈΡ β ΠΊΠΎΡΡ ΠΏΠ»ΠΎΡ ΠΎ ΡΠ°Π·Π»ΠΈΡΠ°ΡΡ ΠΎΡΡΠ΅Π½ΠΊΠΈ. ΠΡΠΎ ΠΌΠΎΠΆΠ½ΠΎ ΠΈΡΠΏΠΎΠ»ΡΠ·ΠΎΠ²Π°ΡΡ Π΄Π»Ρ Π²ΠΏΠΈΡΡΠ²Π°Π½ΠΈΡ Π΄ΠΎΠΌΠ° Π² ΠΈΠ½ΡΠ΅ΡΡΠ΅Ρ ΠΏΠΎΠΌΠ΅ΡΠ΅Π½ΠΈΡ.
- ΠΡΠΈΡΠΎΠ΄Π½ΡΠ΅ ΠΌΠ°ΡΠ΅ΡΠΈΠ°Π»Ρ. ΠΠ°ΠΏΠ°Ρ ΠΏΠΎ ΠΌΠ°ΠΊΡΠΈΠΌΡΠΌΡ Π½Π΅ΠΉΡΡΠ°Π»ΡΠ½ΡΠΉ.
ΠΠ½Π΅ΡΠ½ΠΈΠΉ Π²ΠΈΠ΄ ΡΠ°ΠΊΠΆΠ΅ Π½Π΅ ΠΈΠΌΠ΅Π΅Ρ Π·Π½Π°ΡΠ΅Π½ΠΈΡ. ΠΠ»Ρ ΠΆΠΈΠ²ΠΎΡΠ½ΠΎΠ³ΠΎ Π²Π°ΠΆΠ½ΠΎ Π½Π°Π»ΠΈΡΠΈΠ΅ ΠΎΡΠ½ΠΎΡΠΈΡΠ΅Π»ΡΠ½ΠΎ Π·Π°ΠΊΡΡΡΠΎΠ³ΠΎ ΠΏΡΠΎΡΡΡΠ°Π½ΡΡΠ²Π°.
Π Π²ΠΈΠ΄Π΅ΠΎΠΌΠ°ΡΠ΅ΡΠΈΠ°Π»Π΅ ΠΌΠΎΠΆΠ½ΠΎ ΠΏΠΎΡΠΌΠΎΡΡΠ΅ΡΡ ΠΏΡΠΈΠΌΠ΅Ρ, ΠΊΠ°ΠΊ ΡΠ΄Π΅Π»Π°ΡΡ ΡΠ΄ΠΎΠ±Π½ΡΠΉ Π΄ΠΎΠΌΠΈΠΊΒ Π΄Π»Ρ ΠΊΠΎΡΠΊΠΈ ΡΠ²ΠΎΠΈΠΌΠΈ ΡΡΠΊΠ°ΠΌΠΈ Ρ Π΄ΠΎΠΏΠΎΠ»Π½ΠΈΡΠ΅Π»ΡΠ½ΡΠΌΠΈ ΠΈΠ³ΡΠΎΠ²ΡΠΌΠΈ ΡΠ»Π΅ΠΌΠ΅Π½ΡΠ°ΠΌΠΈ:
ΠΠ°ΡΠ΅ΡΠΈΠ°Π»Ρ Π΄Π»Ρ ΠΈΠ·Π³ΠΎΡΠΎΠ²Π»Π΅Π½ΠΈΡ: ΠΎΠ±Π·ΠΎΡ ΠΎΠΏΡΠΈΠΌΠ°Π»ΡΠ½ΡΡ
ΠΠΎΠΌΠΈΠΊ Π΄Π»Ρ ΠΊΠΎΡΠΊΠΈ ΠΆΠ΅Π»Π°ΡΠ΅Π»ΡΠ½ΠΎ Π΄Π΅Π»Π°ΡΡ ΠΈΠ· ΠΏΡΠΈΡΠΎΠ΄Π½ΡΡ , Π½ΠΎ Π΄ΠΎΠ»Π³ΠΎΠ²Π΅ΡΠ½ΡΡ ΠΌΠ°ΡΠ΅ΡΠΈΠ°Π»ΠΎΠ². Π’ΡΠ°Π΄ΠΈΡΠΈΠΎΠ½Π½ΠΎΠ΅ ΡΠ΅ΡΠ΅Π½ΠΈΠ΅ β ΠΊΠ°ΡΡΠΎΠ½, Π½Π΅ ΠΏΠΎΠ΄ΠΎΠΉΠ΄Π΅Ρ Π΄Π»Ρ ΡΡΠΎΠ³ΠΎ. ΠΠ½ ΠΌΠΎΠΆΠ΅Ρ ΠΏΡΠΈΠΌΠ΅Π½ΡΡΡΡΡ ΡΠΎΠ»ΡΠΊΠΎ Π΄Π»Ρ Π²ΡΠ΅ΠΌΠ΅Π½Π½ΠΎΠΉ ΠΊΠΎΠ½ΡΡΡΡΠΊΡΠΈΠΈ. Π§Π΅ΡΠ΅Π· 2-3 ΠΌΠ΅ΡΡΡΠ° ΠΎΠ½Π° ΠΏΡΠΈΠ΄Π΅Ρ Π² Π½Π΅Π³ΠΎΠ΄Π½ΠΎΡΡΡ β Π΄Π΅ΡΠ΅ΠΊΡΡ ΡΡΠ΅Π½, ΠΈΠ·ΠΌΠ΅Π½Π΅Π½ΠΈΠ΅ ΠΊΠΎΠ½ΡΠΈΠ³ΡΡΠ°ΡΠΈΠΈ ΠΈΠ·-Π·Π° Π½ΠΈΠ·ΠΊΠΎΠ³ΠΎ ΠΏΠΎΠΊΠ°Π·Π°ΡΠ΅Π»Ρ ΠΆΠ΅ΡΡΠΊΠΎΡΡΠΈ.
ΠΠ»Ρ ΠΈΠ·Π³ΠΎΡΠΎΠ²Π»Π΅Π½ΠΈΡ ΡΠ΅ΠΊΠΎΠΌΠ΅Π½Π΄ΡΠ΅ΡΡΡ ΠΈΡΠΏΠΎΠ»ΡΠ·ΠΎΠ²Π°ΡΡ ΡΠ»Π΅Π΄ΡΡΡΠΈΠ΅ ΠΌΠ°ΡΠ΅ΡΠΈΠ°Π»Ρ:
- ΠΠ°ΡΠΊΠ°Ρ: ΡΠ°Π½Π΅ΡΠ°, ΠΠΠ ΠΈΠ»ΠΈ ΠΠ‘Π. Π’ΠΎΠ»ΡΠΈΠ½Π° ΠΈ ΡΠ²Π΅Ρ Π½Π΅ ΠΈΠΌΠ΅Π΅Ρ Π·Π½Π°ΡΠ΅Π½ΠΈΡ. ΠΠ°ΠΆΠ½ΠΎ, ΡΡΠΎΠ±Ρ ΠΎΠ½ΠΈ Π½Π΅ Π±ΡΠ»ΠΈ ΠΏΡΠΎΠΏΠΈΡΠ°Π½Ρ Π·Π°ΡΠΈΡΠ½ΡΠΌΠΈ ΡΡΠ΅Π΄ΡΡΠ²Π°ΠΌΠΈ.
- ΠΠ±ΠΈΠ²ΠΊΠ° ΠΈΠ· ΠΏΠ»ΠΎΡΠ½ΠΎΠ³ΠΎ ΠΌΠ°ΡΠ΅ΡΠΈΠ°Π»Π° β ΠΏΠ»ΡΡ ΠΈΠ»ΠΈ ΠΊΠΎΠ²ΡΠΎΠ»ΠΈΠ½. ΠΠ½ΠΈ ΡΡΡΠΎΠΉΡΠΈΠ²Ρ ΠΊ ΠΊΠΎΠ³ΡΡΠΌ ΠΆΠΈΠ²ΠΎΡΠ½ΠΎΠ³ΠΎ, Ρ Π°ΡΠ°ΠΊΡΠ΅ΡΠΈΠ·ΡΡΡΡΡ ΠΌΡΠ³ΠΊΠΈΠΌ ΠΏΠΎΠΊΡΡΡΠΈΠ΅ΠΌ.
- ΠΡΠ΅ΠΏΠ»Π΅Π½ΠΈΠ΅Β β ΠΌΠ΅Ρ
Π°Π½ΠΈΡΠ΅ΡΠΊΠΎΠ΅ ΡΠ°Π·Π±ΠΎΡΠ½ΠΎΠ΅ ΠΈΠ»ΠΈ Π½Π° ΠΊΠ»Π΅ΠΉ ΠΠΠ.
ΠΠ΅ΡΠ²ΠΎΠ΅ Π΄Π°ΡΡ Π²ΠΎΠ·ΠΌΠΎΠΆΠ½ΠΎΡΡΡ Π²ΠΎΡΡΡΠ°Π½ΠΎΠ²ΠΈΡΡ ΠΈΠ·Π½Π°ΡΠ°Π»ΡΠ½ΡΠΉ Π²ΠΈΠ΄ Π΄ΠΎΠΌΠΈΠΊΠ°, Π·Π°ΠΌΠ΅Π½ΠΈΡΡ Π²Π½ΡΡΡΠ΅Π½Π½ΡΡ ΠΎΠ±ΠΈΠ²ΠΊΡ. ΠΡΠΎΡΠΎΠ΅ β ΠΏΡΠΎΡΠ΅ Π΄Π»Ρ Π±ΡΡΡΡΠΎΠ³ΠΎ ΠΈΠ·Π³ΠΎΡΠΎΠ²Π»Π΅Π½ΠΈΡ.
ΠΠ°ΡΠ°ΡΡΡΡ ΠΈΡΠΏΠΎΠ»ΡΠ·ΡΡΡ ΠΏΠΎΠ΄ΡΡΡΠ½ΡΠ΅ ΠΌΠ°ΡΠ΅ΡΠΈΠ°Π»Ρ. ΠΠΎ ΠΏΡΠ΅ΠΆΠ΄Π΅ ΡΠ΅ΠΊΠΎΠΌΠ΅Π½Π΄ΡΠ΅ΡΡΡ ΡΠ΄Π΅Π»Π°ΡΡ ΡΠ΅ΡΡΠ΅ΠΆ Π΄ΠΎΠΌΠΈΠΊΠ° Π΄Π»Ρ ΠΊΠΎΡΠΊΠΈ.
ΠΠ°ΡΠ΅ΡΠΈΠ°Π»Ρ Π΄Π»Ρ ΠΈΠ·Π³ΠΎΡΠΎΠ²Π»Π΅Π½ΠΈΡ Π΄ΠΎΠΌΠΈΠΊΠ° Π΄Π»Ρ ΠΊΠΎΡΠΊΠΈ
ΠΡΠΈΠΌΠ΅ΡΡ ΠΊΠΎΠ½ΡΡΡΡΠΊΡΠΈΠΉ Π΄ΠΎΠΌΠΈΠΊΠ°
ΠΠΏΡΠΈΠΌΠ°Π»ΡΠ½ΡΠΉ Π²Π°ΡΠΈΠ°Π½Ρ β ΡΠ΄Π΅Π»Π°ΡΡ ΠΊΠΎΠ½ΡΡΡΡΠΊΡΠΈΡ Ρ ΠΏΠ»ΠΎΡΠΊΠΎΠΉ ΠΊΡΡΡΠ΅ΠΉ, ΠΊΠΎΡΠΎΡΠ°Ρ Π±ΡΠ΄Π΅Ρ Π²ΡΠΏΠΎΠ»Π½ΡΡΡ ΡΡΠ½ΠΊΡΠΈΡ Π»Π΅ΠΆΠ°Π½ΠΊΠΈ. ΠΡΠ»ΠΈ ΠΆΠΈΠ»ΠΈΡΠ΅ Π΄ΠΎΠΌΠ°ΡΠ½Π΅Π³ΠΎ Π»ΡΠ±ΠΈΠΌΡΠ° Π±ΡΠ΄Π΅Ρ ΡΠ°ΡΠΏΠΎΠ»Π°Π³Π°ΡΡΡΡ Π½Π° ΡΠ»ΠΈΡΠ΅ β Π΄Π΅Π»Π°Π΅ΡΡΡ ΠΏΠΎΠ»Π½ΠΎΡΠ΅Π½Π½Π°Ρ ΠΊΡΠΎΠ²Π»Ρ Ρ Π·Π°ΡΠΈΡΠΎΠΉ ΠΎΡ ΠΎΡΠ°Π΄ΠΊΠΎΠ². ΠΠΎΠΌΠΈΠΊ Π΄ΠΎΠ»ΠΆΠ΅Π½ ΠΈΠΌΠ΅ΡΡ ΡΠ΅Π³ΡΠ»ΠΈΡΡΠ΅ΠΌΡΠ΅ ΠΎΠΏΠΎΡΡ.
Π§Π΅ΡΡΠ΅ΠΆ Π΄ΠΎΠΌΠΈΠΊΠ° Π΄Π»Ρ ΠΊΠΎΡΠ΅ΠΊ
ΠΠΎΠΏΠΎΠ»Π½ΠΈΡΠ΅Π»ΡΠ½ΠΎ ΠΌΠΎΠΆΠ½ΠΎ ΠΏΡΠ΅Π΄ΡΡΠΌΠΎΡΡΠ΅ΡΡ ΡΠ°ΠΊΠΈΠ΅ ΡΠ»Π΅ΠΌΠ΅Π½ΡΡ:
- Π‘ΡΠΎΠ»Π±ΠΈΠΊΠΈ Π΄Π»Ρ Β«Π·Π°ΡΠΎΡΠΊΠΈΒ» ΠΊΠΎΠ³ΡΠ΅ΠΉ. ΠΠ½ΠΈ ΠΌΠΎΠ³ΡΡ Π²ΡΠΏΠΎΠ»Π½ΡΡΡ ΠΎΠΏΠΎΡΠ½ΡΠ΅ ΡΡΠ½ΠΊΡΠΈΠΈ Π΄Π»Ρ Π΄ΡΡΠ³ΠΈΡ ΠΊΠΎΠΌΠΏΠΎΠ½Π΅Π½ΡΠΎΠ². ΠΠ°ΡΠ΅ΡΠΈΠ°Π» ΠΈΠ·Π³ΠΎΡΠΎΠ²Π»Π΅Π½ΠΈΡ β Π΄Π΅ΡΠ΅Π²ΡΠ½Π½Π°Ρ ΠΈΠ»ΠΈ ΠΏΠ»Π°ΡΡΠΈΠΊΠΎΠ²Π°Ρ ΡΡΡΠ±Π° 50 ΠΌΠΌ Ρ ΠΎΡΠ΄Π΅Π»ΠΊΠΎΠΉ ΠΌΠ°ΡΠ΅ΡΠΈΠ΅ΠΉ ΠΈΠ»ΠΈ ΡΠΎΠ»ΡΡΠΎΠΉ Π²Π΅ΡΠ΅Π²ΠΊΠΎΠΉ.
- ΠΡΠΊΡΡΡΡΠ΅ ΠΏΠ»ΠΎΡΠ°Π΄ΠΊΠΈ. Π Π°ΡΠΏΠΎΠ»Π°Π³Π°ΡΡΡΡ Π½Π° ΠΎΠΏΠΎΡΠ½ΡΡ ΡΡΠΎΠ»Π±Π°Ρ . ΠΠ»Ρ ΠΊΠΎΡΠΊΠΈ ΡΡΠΎ ΡΠ΄ΠΎΠ±Π½ΠΎΠ΅ ΠΌΠ΅ΡΡΠΎ Π΄Π»Ρ ΠΎΡΠ΄ΡΡ Π° ΠΈΠ»ΠΈ ΠΈΠ³Ρ.
- ΠΠΎΡΠΎΠΊ Π΄Π»Ρ Π΅Π΄Ρ ΠΌΠΎΠΆΠ΅Ρ Π±ΡΡΡ ΠΈΠ½ΡΠ΅Π³ΡΠΈΡΠΎΠ²Π°Π½ Π² ΠΊΠΎΠ½ΡΡΡΡΠΊΡΠΈΡ.

ΠΠΏΡΠΈΠΌΠ°Π»ΡΠ½ΡΠΉ ΡΠ°Π·ΠΌΠ΅Ρ Π΄ΠΎΠΌΠΈΠΊΠ° Π΄Π»Ρ ΠΎΠ΄Π½ΠΎΠΉ ΠΊΠΎΡΠΊΠΈ β 60*45 ΡΠΌ. ΠΡΠ»ΠΈ ΠΆΠΈΠ²ΠΎΡΠ½ΡΡ Π½Π΅ΡΠΊΠΎΠ»ΡΠΊΠΎΒ β ΠΎΠ½ ΡΠ²Π΅Π»ΠΈΡΠΈΠ²Π°Π΅ΡΡΡ Π½Π° 15-20%.
Π Π΅ΠΊΠΎΠΌΠ΅Π½Π΄Π°ΡΠΈΠΈ ΠΏΠΎ ΡΠ°ΠΌΠΎΡΡΠΎΡΡΠ΅Π»ΡΠ½ΠΎΠΌΡ ΠΈΠ·Π³ΠΎΡΠΎΠ²Π»Π΅Π½ΠΈΡ
ΠΠΎΡΠ»Π΅ Π²ΡΠ±ΠΎΡΠ° ΠΌΠ°ΡΠ΅ΡΠΈΠ°Π»ΠΎΠ² ΠΈ ΡΠ΅ΡΡΠ΅ΠΆΠ° ΠΌΠΎΠΆΠ½ΠΎ ΠΏΡΠΈΡΡΡΠΏΠ°ΡΡ ΠΊ ΠΈΠ·Π³ΠΎΡΠΎΠ²Π»Π΅Π½ΠΈΡ Π΄ΠΎΠΌΠΈΠΊΠ° Π΄Π»Ρ ΠΊΠΎΡΠΊΠΈ. Π‘ΠΎΠ³Π»Π°ΡΠ½ΠΎ ΡΡ Π΅ΠΌΠ΅ Π΄Π΅Π»Π°ΡΡΡΡ Π·Π°Π³ΠΎΡΠΎΠ²ΠΊΠΈ ΠΎΡΠ½ΠΎΠ²Ρ, ΡΡΠ΅Π½ ΠΈ ΠΊΡΡΡΠΈΒ β Π²ΡΡΠ΅Π·Π°ΡΡΡΡ Ρ ΠΏΠΎΠΌΠΎΡΡΡ Π½ΠΎΠΆΠΎΠ²ΠΊΠΈ. ΠΠ°ΡΠ΅ΠΌ Π½Π΅ΠΎΠ±Ρ ΠΎΠ΄ΠΈΠΌΠΎ ΠΎΡΠΊΡΡΠΈΡΡ ΠΊΡΠ°Ρ. Π‘ΠΎΠ΅Π΄ΠΈΠ½Π΅Π½ΠΈΠ΅ Π½Π° ΠΊΠ»Π΅Π΅Π²ΠΎΠΉ ΡΠΎΡΡΠ°Π² ΠΈΠ»ΠΈ Π΄Π΅ΡΠ΅Π²ΡΠ½Π½ΡΠΌΠΈ ΡΠΈΠΊΡΠ°ΡΠΎΡΠ°ΠΌΠΈ.
Π§ΡΠΎΠ±Ρ ΠΊΠΎΠ½ΡΡΡΡΠΊΡΠΈΡ ΠΏΠΎΠ»ΡΡΠΈΠ»Π°ΡΡ ΠΌΠ°ΠΊΡΠΈΠΌΠ°Π»ΡΠ½ΠΎ Π½Π°Π΄Π΅ΠΆΠ½ΠΎΠΉ ΠΈ ΡΡΠ½ΠΊΡΠΈΠΎΠ½Π°Π»ΡΠ½ΠΎΠΉ β Π½Π΅ΠΎΠ±Ρ ΠΎΠ΄ΠΈΠΌΠΎ ΡΠ»Π΅Π΄ΠΎΠ²Π°ΡΡ ΡΠ°ΠΊΠΈΠΌ ΡΠ΅ΠΊΠΎΠΌΠ΅Π½Π΄Π°ΡΠΈΡΠΌ:
- ΠΌΠΎΠ½ΡΠ°ΠΆ ΠΌΠ°ΡΠ΅ΡΡΠ°ΡΠΎΠ³ΠΎ ΠΏΠΎΠΊΡΡΡΠΈΡ Π²ΡΠΏΠΎΠ»Π½ΡΠ΅ΡΡΡ ΠΏΠΎΡΠ»Π΅ ΠΈΠ·Π³ΠΎΡΠΎΠ²Π»Π΅Π½ΠΈΡ ΠΊΠ°ΡΠΊΠ°ΡΠ°;
- Π΄Π»Ρ Π½Π°Π΄Π΅ΠΆΠ½ΠΎΠΉ ΡΠΈΠΊΡΠ°ΡΠΈΠΈ ΠΌΠΎΠΆΠ½ΠΎ ΠΈΡΠΏΠΎΠ»ΡΠ·ΠΎΠ²Π°ΡΡ ΠΌΠ΅Π±Π΅Π»ΡΠ½ΡΠΉ ΡΡΠ΅ΠΏΠ»Π΅Ρ Π² ΡΠΎΡΠ΅ΡΠ°Π½ΠΈΠΈ Ρ ΠΊΠ»Π΅Π΅ΠΌ;
- ΠΎΠΊΠ°Π½ΡΠΎΠ²ΠΊΠ° Π²Ρ ΠΎΠ΄Π° ΠΈΠ· ΠΌΡΠ³ΠΊΠΎΠ³ΠΎ ΠΌΠ°ΡΠ΅ΡΠΈΠ°Π»Π° (ΠΏΠΎΡΠΎΠ»ΠΎΠ½Π°) Π΄Π»Ρ Π·Π°ΡΠΈΡΡ ΠΊΠΎΡΠΊΠΈ ΠΎΡ Π²ΠΎΠ·ΠΌΠΎΠΆΠ½ΡΡ ΡΠ°ΡΠ°ΠΏΠΈΠ½;
- ΠΎΡΡΡΡΡΡΠ²ΠΈΠ΅ ΠΏΠΎΠ΄ΡΠ²Π΅ΡΠΊΠΈ, ΡΠ°ΠΊ ΠΊΠ°ΠΊ ΡΡΠΎ Π²ΡΠ·ΡΠ²Π°Π΅Ρ Π΄ΠΈΡΠΊΠΎΠΌΡΠΎΡΡ Ρ ΠΆΠΈΠ²ΠΎΡΠ½ΠΎΠ³ΠΎ.
ΠΡΠ΅ ΠΎΡΡΠ°Π»ΡΠ½ΠΎΠ΅ ΠΌΠΎΠΆΠ½ΠΎ Π΄Π΅Π»Π°ΡΡ ΠΏΠΎ ΡΠ²ΠΎΠ΅ΠΌΡ ΡΡΠΌΠΎΡΡΠ΅Π½ΠΈΡ.
ΠΠ°ΠΆΠ½ΠΎ, ΡΡΠΎΠ±Ρ Π±ΡΠ΄ΡΡΠ΅Π΅ ΠΆΠΈΠ»ΠΈΡΠ΅ Π΄ΠΎΠΌΠ°ΡΠ½Π΅Π³ΠΎ ΠΏΠΈΡΠΎΠΌΡΠ° Π±ΡΠ»ΠΎ ΡΠ΄ΠΎΠ±Π½ΠΎ ΠΈ ΠΏΡΠ°ΠΊΡΠΈΡΠ½ΠΎ.
ΠΠΎΠΌΠΈΠΊ Π΄Π»Ρ ΠΊΠΎΡΠΊΠΈ ΠΈΠ· Π΄Π΅ΡΠ΅Π²Π° ΡΠ²ΠΎΠΈΠΌΠΈ ΡΡΠΊΠ°ΠΌΠΈ: ΠΈΠ· ΡΠ°Π½Π΅ΡΡ ΠΈ Π΄ΡΠΏ Ρ ΡΠ΅ΡΡΠ΅ΠΆΠ°ΠΌΠΈ, ΡΡ Π΅ΠΌΠ°ΠΌΠΈ, ΠΏΡΠΎΠ΅ΠΊΡΠΎΠΌ ΠΈ ΡΠ°Π·ΠΌΠ΅ΡΠ°ΠΌΠΈ, ΠΊΠ°ΠΊ ΡΠ΄Π΅Π»Π°ΡΡ ΠΈΠ»ΠΈ ΡΠΌΠ°ΡΡΠ΅ΡΠΈΡΡ, ΡΠ°Π·Π½ΡΠ΅ Π²ΠΈΠ΄Ρ
Π£ ΠΌΠ½ΠΎΠ³ΠΈΡ Π»ΡΠ΄Π΅ΠΉ Π² Π΄ΠΎΠΌΠ΅ ΠΆΠΈΠ²Π΅Ρ ΠΊΠΎΡΠΊΠ°, Π° ΡΠ°ΡΡΠΎ Π΄Π°ΠΆΠ΅ Π½Π΅ ΠΎΠ΄Π½Π°. ΠΠΈΡΠΎΠΌΠ΅Ρ ΡΡΠ°Π½ΠΎΠ²ΠΈΡΡΡ ΡΠ°ΡΡΡΡ ΡΠ΅ΠΌΡΠΈ ΠΈ Π΄Π»Ρ Π½Π΅Π³ΠΎ Ρ ΠΎΡΠ΅ΡΡΡ ΡΠ΄Π΅Π»Π°ΡΡ ΡΡΠΎ-ΡΠΎ ΠΏΡΠΈΡΡΠ½ΠΎΠ΅. ΠΡΡΡΠ΅ Π²ΡΠ΅Π³ΠΎ ΡΠΎΠΎΡΡΠ΄ΠΈΡΡ ΡΠ°ΠΊΠΎΠΉ Π΄ΠΎΠΌΠΈΠΊ, Π² ΠΊΠΎΡΠΎΡΠΎΠΌ ΠΊΠΎΡΠΊΠ° ΡΡΠ²ΡΡΠ²ΠΎΠ²Π°Π»Π° Π±Ρ ΡΠ΅Π±Ρ ΠΊΠΎΠΌΡΠΎΡΡΠ½ΠΎ ΠΈ Π·Π°ΡΠΈΡΠ΅Π½Π½ΠΎ.
ΠΠ΄Π½Π°ΠΊΠΎ Π½Π΅ΠΊΠΎΡΠΎΡΡΠ΅ Ρ ΠΎΠ·ΡΠ΅Π²Π° Π½Π΅ Π·Π°Π΄ΡΠΌΡΠ²Π°ΡΡΡΡ Π½Π°Π΄ ΡΡΠΈΠΌ, ΠΈ ΠΆΠΈΠ²ΠΎΡΠ½ΠΎΠ΅ ΡΠ°ΠΌΠΎΡΡΠΎΡΡΠ΅Π»ΡΠ½ΠΎ ΠΈΡΠ΅Ρ ΡΠΊΡΠΎΠΌΠ½ΡΠΉ ΡΠ³ΠΎΠ»ΠΎΠΊ Π΄Π»Ρ ΠΎΡΠ΄ΡΡ Π°. ΠΡΠΎ ΠΌΠΎΠΆΠ΅Ρ ΠΏΡΠΈΠ²Π΅ΡΡΠΈ ΠΊ ΠΏΠΎΡΡΠ΅ ΠΌΡΠ³ΠΊΠΎΠΉ ΠΌΠ΅Π±Π΅Π»ΠΈ, ΠΊΠΎΡΠΎΡΡΡ ΠΊΠΎΡΠΊΠΈ Π½Π΅ΡΠ΅Π΄ΠΊΠΎ ΠΈΡΠΏΠΎΠ»ΡΠ·ΡΡΡ ΠΊΠ°ΠΊ ΠΊΠΎΠ³ΡΠ΅ΡΠΎΡΠΊΡ. Π ΡΠΎΠΌΡ ΠΆΠ΅ Π½Π° ΠΊΡΠ΅ΡΠ»Π΅ ΠΌΠΎΠΆΠ΅Ρ ΠΎΡΡΠ°ΡΡΡΡ ΠΌΠ½ΠΎΠ³ΠΎ ΡΠ΅ΡΡΡΠΈ ΠΈ Π΄Π»Ρ Π½Π΅Π³ΠΎ ΠΏΠΎΡΡΠ΅Π±ΡΠ΅ΡΡΡ ΡΠΈΡΡΠΊΠ°.
ΠΠΎΠΌΠΈΠΊ Π΄Π»Ρ ΠΊΠΎΡΠΊΠΈ Π»ΡΡΡΠ΅ ΡΠ΄Π΅Π»Π°ΡΡ ΡΠ²ΠΎΠΈΠΌΠΈ ΡΡΠΊΠ°ΠΌΠΈ, ΠΏΠΎΡΠΎΠΌΡ ΠΊΠ°ΠΊ ΠΆΠΈΠ²ΠΎΡΠ½ΠΎΠ΅ ΡΡΠ²ΡΡΠ²ΡΠ΅Ρ Π·Π°ΠΏΠ°Ρ
ΡΡΠΊ ΠΌΠ°ΡΡΠ΅ΡΠ°. Π§Π°ΡΡΠΎ Π±ΡΠ²Π°ΡΡ ΡΠΈΡΡΠ°ΡΠΈΠΈ, ΠΊΠΎΠ³Π΄Π° ΠΆΠΈΠ²ΠΎΡΠ½ΠΎΠ΅ Π½Π΅ ΠΏΡΠΈΠ·Π½Π°Π΅Ρ ΠΊΡΠΏΠ»Π΅Π½Π½ΡΠΉ Π΄ΠΎΠΌΠΈΠΊ ΠΈ ΠΏΡΠΎΠ΄ΠΎΠ»ΠΆΠ°Π΅Ρ ΡΠΏΠ°ΡΡ Π½Π° Π»ΡΠ±ΠΈΠΌΠΎΠΌ Π΄ΠΈΠ²Π°Π½Π΅. ΠΠΎΡΡΠ²ΡΡΠ²ΠΎΠ²Π°Π² Π·Π½Π°ΠΊΠΎΠΌΡΠΉ Π·Π°ΠΏΠ°Ρ
, ΠΏΠΈΡΠΎΠΌΠ΅Ρ Π±ΡΡΡΡΠ΅Π΅ ΠΏΡΠΈΠ²ΡΠΊΠ½Π΅Ρ ΠΊ Π½ΠΎΠ²ΠΎΠΌΡ ΠΆΠΈΠ»ΡΡ.
ΠΡΠΎΠ±Π΅Π½Π½ΠΎΡΡΠΈ
ΠΠΎΠΌΠΈΠΊ ΠΈΠ· Π΄Π΅ΡΠ΅Π²Π° ΡΠ΄Π΅Π»Π°ΡΡ Π½Π΅ΠΌΠ½ΠΎΠ³ΠΎ ΡΠ»ΠΎΠΆΠ½Π΅Π΅, ΡΠ΅ΠΌ ΠΈΠ· ΠΊΠ°ΡΡΠΎΠ½Π° ΠΈ Π΄ΡΡΠ³ΠΈΡ ΠΌΠ°ΡΠ΅ΡΠΈΠ°Π»ΠΎΠ². Π’Π΅ΠΌ Π½Π΅ ΠΌΠ΅Π½Π΅Π΅, ΠΎΠ½ Π±ΡΠ΄Π΅Ρ Π±ΠΎΠ»Π΅Π΅ ΠΏΡΠΎΡΠ½ΡΠΌ ΠΈ Π΄ΠΎΠ»Π³ΠΎΠ²Π΅ΡΠ½ΡΠΌ, Π° ΡΠ°ΠΊΠΆΠ΅ Π·Π°ΠΌΠ΅ΡΠ°ΡΠ΅Π»ΡΠ½ΠΎ Π²ΠΏΠΈΡΠ΅ΡΡΡ Π² ΠΈΠ½ΡΠ΅ΡΡΠ΅Ρ.
ΠΡΠ±ΠΎΡ ΠΌΠ°ΡΠ΅ΡΠΈΠ»Π°
ΠΡΠ±ΠΎΡ ΠΌΠ°ΡΠ΅ΡΠΈΠ°Π»Π° Π·Π°Π²ΠΈΡΠΈΡ ΠΎΡ ΠΏΠΎΠΆΠ΅Π»Π°Π½ΠΈΠΉ ΠΌΠ°ΡΡΠ΅ΡΠ°. Π‘ΠΏΠ°Π»ΡΠ½ΠΎΠ΅ ΠΌΠ΅ΡΡΠΎ ΠΌΠΎΠΆΠ½ΠΎ ΡΠΎΠΎΡΡΠ΄ΠΈΡΡ ΠΈΠ· Π»ΡΠ±ΡΡ Π΄ΠΎΡΠΎΠΊ, ΡΠ°ΠΊΠΈΡ ΠΊΠ°ΠΊ ΠΠ‘Π, ΡΠ°Π½Π΅ΡΠ°, ΠΠΠ€ ΠΈ ΠΈΠ· Π½Π°ΡΡΡΠ°Π»ΡΠ½ΠΎΠ³ΠΎ Π΄Π΅ΡΠ΅Π²Π°.
ΠΠ°ΠΆΠ½ΠΎ!
ΠΠ»Π°Π²Π½ΠΎΠ΅, ΡΡΠΎ Π½ΡΠΆΠ½ΠΎ ΡΡΠΈΡΡΠ²Π°ΡΡ ΠΏΡΠΈ Π²ΡΠ±ΠΎΡΠ΅ ΠΌΠ°ΡΠ΅ΡΠΈΠ»Π°, ΡΡΠΎ ΠΎΡΡΡΡΡΡΠ²ΠΈΠ΅ ΡΠ΅Π·ΠΊΠΎΠ³ΠΎ Π·Π°ΠΏΠ°Ρ Π°. ΠΡΠ»ΠΈ ΠΌΠ°ΡΠ΅ΡΠΈΠ°Π» Π²ΡΠ΅ ΠΆΠ΅ Π½Π΅ΠΌΠ½ΠΎΠ³ΠΎ ΠΏΠ°Ρ Π½Π΅Ρ, Π΄Π°ΡΠΌ Π΅ΠΌΡ Π²ΡΠ²Π΅ΡΡΠΈΡΡΡΡ ΠΈ ΡΠΎΠ»ΡΠΊΠΎ ΠΏΠΎΡΠ»Π΅ ΡΡΠΎΠ³ΠΎ ΠΏΡΠΈΡΡΡΠΏΠ°Π΅ΠΌ ΠΊ ΡΠ°Π±ΠΎΡΠ΅. ΠΠ΅ΡΠΎΠ±Π»ΡΠ΄Π΅Π½ΠΈΠ΅ Π΄Π°Π½Π½ΠΎΠ³ΠΎ ΠΏΡΠ°Π²ΠΈΠ»Π° ΠΏΡΠΈΠ²Π΅Π΄Π΅Ρ ΠΊ ΡΠΎΠΌΡ, ΡΡΠΎ ΠΊΠΎΡΠΊΠ° ΠΎΡΠΊΠ°ΠΆΠ΅ΡΡΡ ΠΆΠΈΡΡ Π² Π½ΠΎΠ²ΠΎΠΌ Π΄ΠΎΠΌΠΈΠΊΠ΅.
Π€Π°Π½Π΅ΡΠ°
Π§ΡΠΎΠ±Ρ ΡΠ΄Π΅Π»Π°ΡΡ ΠΆΠΈΠ»ΡΠ΅ ΠΈΠ· ΡΠ°Π½Π΅ΡΡ ΠΏΠΎΠ½Π°Π΄ΠΎΠ±ΡΡΡΡ ΡΠ°ΠΊΠΈΠ΅ ΠΌΠ°ΡΠ΅ΡΠΈΠ°Π»Ρ:
- Π€Π°Π½Π΅ΡΠ°, ΠΏΠ»ΠΎΡΠ½ΠΎΡΡΡΡ ΠΎΡ 10 Π΄ΠΎ 20 ΠΌΠΌ.
- ΠΠΎΠ»ΠΎΡΠΎΠΊ ΠΈ Π³Π²ΠΎΠ·Π΄ΠΈ ΠΈΠ»ΠΈ ΡΡΡΡΠΏΠΎΠ²Π΅ΡΡ ΠΈ ΡΠ°ΠΌΠΎΡΠ΅Π·Ρ.
- ΠΠ»Π΅ΠΉ ΠΠΠ.
- ΠΠΎΡΠΎΠ»ΠΎΠ½.
- ΠΠΈΠ½Π΅ΠΉΠΊΠ°, ΡΠΈΡΠΊΡΠ»Ρ, Π½ΠΎΠΆΠ½ΠΈΡΡ.
- ΠΠ»Π΅ΠΊΡΡΠΎΠ»ΠΎΠ±Π·ΠΈΠΊ.

Π Π·Π°Π²ΠΈΡΠΈΠΌΠΎΡΡΠΈ ΠΎΡ ΠΏΠ»ΠΎΡΠ°Π΄ΠΈ ΠΏΠΎΠΌΠ΅ΡΠ΅Π½ΠΈΡ ΠΈ ΡΠ°Π·ΠΌΠ΅ΡΠΎΠ² ΠΆΠΈΠ²ΠΎΡΠ½ΠΎΠ³ΠΎ Π΄Π΅Π»Π°Π΅ΠΌ ΡΠ΅ΡΡΠ΅ΠΆ Π΄Π»Ρ Π΄ΠΎΠΌΠΈΠΊΠ°. ΠΠΎΡΠ»Π΅ ΡΠ΅Π³ΠΎ, Π²ΡΡΠ΅Π·Π°Π΅ΠΌ ΡΠ»Π΅ΠΊΡΡΠΎΠ»ΠΎΠ±Π·ΠΈΠΊΠΎΠΌ ΠΎΡΠ½ΠΎΠ²Π°Π½ΠΈΠ΅, Π²Π΅ΡΡ Π½ΡΡ, Π·Π°Π΄Π½ΡΡ, ΠΏΠ΅ΡΠ΅Π΄Π½ΡΡ ΠΈ Π±ΠΎΠΊΠΎΠ²ΡΠ΅ ΡΠ΅ΠΊΡΠΈΠΈ.
ΠΠ°ΠΆΠ½ΠΎ!
ΠΡΠ΅Π½Π΅Π±ΡΠ΅ΠΆΠ΅Π½ΠΈΠ΅ ΡΠ΅ΡΡΠ΅ΠΆΠΎΠΌ ΠΌΠΎΠΆΠ΅Ρ ΠΏΡΠΈΠ²Π΅ΡΡΠΈ ΠΊ Π½Π΅ΡΠΎΡΠ½ΡΠΌ ΡΠ°ΡΡΠ΅ΡΠ°ΠΌ Π² ΠΎΠ±ΡΠ°Π±ΠΎΡΠΊΠ΅ ΡΠ°Π½Π΅ΡΡ, Π°, ΡΠ»Π΅Π΄ΠΎΠ²Π°ΡΠ΅Π»ΡΠ½ΠΎ, ΠΊ ΠΏΠΎΡΡΠ΅ ΠΌΠ°ΡΠ΅ΡΠΈΠ°Π»Π°.
ΠΡ ΠΎΠ΄ Π² ΡΠ±Π΅ΠΆΠΈΡΠ΅ Π΄ΠΎΠ»ΠΆΠ΅Π½ Π±ΡΡΡ Π±ΠΎΠ»ΡΡΠ΅ Π³ΠΎΠ»ΠΎΠ²Ρ ΠΊΠΎΡΠΊΠΈ. Π‘ ΠΏΠΎΠΌΠΎΡΡΡ Π»ΠΈΠ½Π΅ΠΉΠΊΠΈ Π½Π°Ρ ΠΎΠ΄ΠΈΠΌ ΡΠ΅Π½ΡΡ Π½Π° ΠΏΠ΅ΡΠ΅Π΄Π½Π΅ΠΉ ΡΠ΅ΠΊΡΠΈΠΈ, ΡΠ΅ΡΡΠΈΠΌ ΡΠΈΡΠΊΡΠ»Π΅ΠΌ ΠΎΠΊΡΡΠΆΠ½ΠΎΡΡΡ ΠΈ Π²ΡΡΠ΅Π·Π°Π΅ΠΌ ΠΎΡΠ²Π΅ΡΡΡΠΈΠ΅. ΠΠ΅ΡΠ΅Π΄ ΡΠ±ΠΎΡΠΊΠΎΠΉ Π²ΡΠ΅Ρ ΡΠ΅ΠΊΡΠΈΠΉ Π½Π΅ΠΎΠ±Ρ ΠΎΠ΄ΠΈΠΌΠΎ ΡΠ΄Π΅Π»Π°ΡΡ ΠΎΠ±Π΄Π΅Π»ΠΊΡ Π²ΡΠ΅Ρ ΠΏΠΎΠ²Π΅ΡΡ Π½ΠΎΡΡΠ΅ΠΉ ΠΏΠ»ΠΎΡΠ½ΡΠΌ ΠΏΠΎΡΠΎΠ»ΠΎΠ½ΠΎΠΌ. ΠΠ»Ρ ΡΡΠΎΠ³ΠΎ Π½Π°Π½ΠΎΡΠΈΠΌ ΠΊΠ»Π΅ΠΉ ΠΠΠ Π½Π° ΠΌΠ°ΡΠ΅ΡΠΈΠ°Π» ΠΈ ΠΏΡΠΈΠΊΠ»Π΅ΠΈΠ²Π°Π΅ΠΌ Π΅Π³ΠΎ ΠΊ ΡΠ°Π½Π΅ΡΠ½ΡΠΌ Π»ΠΈΡΡΠ°ΠΌ.
Π‘ΠΎΠ²Π΅Ρ!
ΠΡΠΏΠΎΠ»ΡΠ·ΡΠ΅ΠΌ ΡΠΎΠ»ΡΠΊΠΎ ΠΊΠ»Π΅ΠΉ ΠΠΠ, ΠΎΠ½ Π±ΡΡΡΡΠΎ ΡΠΎΡ Π½Π΅Ρ, Π½Π΅ Π²ΡΠ΄Π΅Π»ΡΠ΅Ρ Π·Π°ΠΏΠ°Ρ Π° ΠΈ Π²ΡΠ΅Π΄Π½ΡΡ Π²Π΅ΡΠ΅ΡΡΠ². ΠΠΈΠΊΠ°ΠΊΠΎΠ³ΠΎ ΡΡΠΏΠ΅ΡΠΊΠ»Π΅Ρ Π² ΠΈΠ·Π³ΠΎΡΠΎΠ²Π»Π΅Π½ΠΈΠΈ Π±ΡΡΡ Π½Π΅ Π΄ΠΎΠ»ΠΆΠ½ΠΎ.
ΠΡΠ°Π½Ρ ΠΊΠ°ΠΆΠ΄ΠΎΠΉ ΡΠ΅ΠΊΡΠΈΠΈ Π±ΡΠ΄ΡΡΠ΅Π³ΠΎ Π΄ΠΎΠΌΠΈΠΊΠ° ΡΠΌΠ°Π·ΡΠ²Π°Π΅ΠΌ ΠΊΠ»Π΅Π΅ΠΌ ΠΈ ΡΠΎΠ΅Π΄ΠΈΠ½ΡΠ΅ΠΌ. ΠΠ»Ρ Π·Π°ΠΊΡΠ΅ΠΏΠ»Π΅Π½ΠΈΡ ΠΊΠΎΠ½ΡΡΡΡΠΊΡΠΈΠΈ Π²ΠΎΡΠΏΠΎΠ»ΡΠ·ΡΠ΅ΠΌΡΡ Π³Π²ΠΎΠ·Π΄ΡΠΌΠΈ ΠΈΠ»ΠΈ ΡΠ°ΠΌΠΎΡΠ΅Π·Π°ΠΌΠΈ.
ΠΡΠΈ ΠΏΠΎΠΌΠΎΡΠΈ ΠΊΡΡΠ°ΡΠ΅ΠΊ ΠΎΡΡ
Π²Π°ΡΡΠ²Π°Π΅ΠΌ ΡΠ»ΡΠΏΠΊΠΈ Π³Π²ΠΎΠ·Π΄Π΅ΠΉ, ΡΡΠΎΠ±Ρ ΠΎΠ½ΠΈ ΡΡΠ°Π»ΠΈ Π½Π΅Π·Π°ΠΌΠ΅ΡΠ½Ρ ΠΈ Π·Π°Π±ΠΈΠ²Π°Π΅ΠΌ ΠΈΡ
Π² ΠΊΠΎΠ½ΡΡΡΡΠΊΡΠΈΡ.
ΠΠΎΠ»Π΅Π·Π½ΠΎΠ΅ Π²ΠΈΠ΄Π΅ΠΎ
ΠΠΈΠ΄Π΅ΠΎ ΠΈΠ½ΡΡΡΡΠΊΡΠΈΡ ΠΎ ΡΠΎΠΌ, ΠΊΠ°ΠΊ ΡΠ΄Π΅Π»Π°ΡΡ Π΄ΠΎΠΌΠΈΠΊ Π΄Π»Ρ ΠΊΠΎΡΠΊΠΈ ΠΈΠ· ΡΠ°Π½Π΅ΡΡ.
Β
Β
ΠΠ°ΠΊ ΡΠ΄Π΅Π»Π°ΡΡ ΠΈΠ· Π΄ΡΠΏ
ΠΠ°ΡΠ΅ΡΠΈΠ°Π»Ρ, ΠΊΠΎΡΠΎΡΡΠ΅ Π½Π΅ΠΎΠ±Ρ ΠΎΠ΄ΠΈΠΌΡ Π΄Π»Ρ ΠΈΠ·Π³ΠΎΡΠΎΠ²Π»Π΅Π½ΠΈΡ Π΄ΠΎΠΌΠΈΠΊΠ° Π΄Π»Ρ ΠΊΠΎΡΠΊΠΈ ΠΈΠ· ΠΠ‘Π:
- ΠΠ»ΠΈΡΠ° ΠΠ‘Π.
- ΠΠΎΠ²ΡΠΎΠ»ΠΈΠ½ ΠΈΠ»ΠΈ Π΄ΡΡΠ³ΠΎΠΉ Π°Π½Π°Π»ΠΎΠ³ΠΈΡΠ½ΡΠΉ ΠΌΠ°ΡΠ΅ΡΠΈΠ°Π».
- ΠΠΎΡΠΎΠ»ΠΎΠ½.
- ΠΠΎΠΆΠ½ΠΈΡΡ.
- ΠΠΎΠΆΠΎΠ²ΠΊΠ° ΠΏΠΎ Π΄Π΅ΡΠ΅Π²Ρ.
- Π¨ΡΡΡΠΏΠΎΠ²Π΅ΡΡ ΠΈ ΡΠ°ΠΌΠΎΡΠ΅Π·Ρ.
Π§Π΅ΡΡΠΈΠΌ ΠΏΠ»Π°Π½ Π±ΡΠ΄ΡΡΠ΅Π³ΠΎ ΠΆΠΈΠ»ΠΈΡΠ°, ΠΎΠ½ΠΎ ΠΌΠΎΠΆΠ΅Ρ Π±ΡΡΡ ΠΏΡΠΎΡΡΡΠΌ ΠΈΠ»ΠΈ ΠΆΠ΅ ΠΌΠ½ΠΎΠ³ΠΎΡΡΠΎΠ²Π½Π΅Π²ΡΠΌ. Π ΡΠΎΠΎΡΠ²Π΅ΡΡΡΠ²ΠΈΠΈ Ρ ΠΏΠ»Π°Π½ΠΎΠΌ ΡΠ°ΡΠΏΠΈΠ»ΠΈΠ²Π°Π΅ΠΌ ΠΏΠ»ΠΈΡΡ ΠΠ‘Π Π½Π° ΡΠ°ΡΡΠΈ. ΠΠ±ΠΈΠ²Π°Π΅ΠΌ Π²ΡΠ΅ ΡΠ΅ΠΊΡΠΈΠΈ ΠΊΠΎΠ²ΡΠΎΠ»ΠΈΠ½ΠΎΠΌ. Π ΠΎΡΠ½ΠΎΠ²Π°Π½ΠΈΠΈ, Π³Π΄Π΅ ΡΠΏΠΈΡ ΠΊΠΎΡΠΊΠ°, ΠΏΠΎΠ΄ΠΊΠ»Π°Π΄ΡΠ²Π°Π΅ΠΌ ΠΏΠΎΠ΄ ΠΊΠΎΠ²ΡΠΎΠ»ΠΈΠ½ ΠΏΠΎΡΠΎΠ»ΠΎΠ½. ΠΡΠ»ΠΈ ΠΊΠΎΠ½ΡΡΡΡΠΊΡΠΈΡ ΠΌΠ½ΠΎΠ³ΠΎΡΡΡΡΠ½Π°Ρ, Π΄Π΅Π»Π°Π΅ΠΌ ΡΡΠΎ ΠΏΠΎΠ΄ ΠΊΠ°ΠΆΠ΄ΠΎΠΉ Π²Π΅ΡΡ
Π½Π΅ΠΉ ΠΏΠΎΠ»ΠΊΠΎΠΉ, Π³Π΄Π΅ ΡΠΈΠ΄ΠΈΡ ΠΊΠΎΡ.
Π Π»ΡΠ±ΠΎΠΌ ΠΌΠ΅ΡΡΠ΅ ΠΏΠ΅ΡΠ΅Π΄Π½Π΅ΠΉ ΡΠ΅ΠΊΡΠΈΠΈ Π²ΡΡΠ΅Π·Π°Π΅ΠΌ Π²Ρ
ΠΎΠ΄Π½ΠΎΠ΅ ΠΎΡΠ²Π΅ΡΡΡΠΈΠ΅. ΠΡΠΈ ΠΏΠΎΠΌΠΎΡΠΈ ΡΡΡΡΠΏΠΎΠ²Π΅ΡΡΠ° ΠΈ ΡΠ°ΠΌΠΎΡΠ΅Π·ΠΎΠ² ΡΠΎΠ΅Π΄ΠΈΠ½ΡΠ΅ΠΌ Π²ΡΠ΅ ΡΠ°ΡΡΠΈ ΡΡΡΠΎΠ΅Π½ΠΈΡ. Π§ΡΠΎΠ±Ρ ΡΠ°ΠΌΠΎΡΠ΅Π· Π»Π΅Π³ΡΠ΅ Π²ΠΊΡΡΡΠΈΠ²Π°Π»ΡΡ, Π½ΡΠΆΠ½ΠΎ ΠΏΡΠ΅Π΄Π²Π°ΡΠΈΡΠ΅Π»ΡΠ½ΠΎ ΠΏΡΠΎΡΠ²Π΅ΡΠ»ΠΈΡΡ Π² ΡΡΠΎΠΌ ΠΌΠ΅ΡΡΠ΅ ΠΎΡΠ²Π΅ΡΡΡΠΈΠ΅ ΠΌΠ΅Π½ΡΡΠ΅Π³ΠΎ Π΄ΠΈΠ°ΠΌΠ΅ΡΡΠ°.
Π Π³ΠΎΡΠΎΠ²ΠΎΠΌΡ Π΄ΠΎΠΌΠΈΠΊΡ ΠΌΠΎΠΆΠ½ΠΎ ΠΏΡΠΈΡΠΎΠ΅Π΄ΠΈΠ½ΠΈΡΡ ΠΊΠΎΠ³ΡΠ΅ΡΠΎΡΠΊΡ ΠΈ ΠΈΠ³ΡΠΎΠ²ΡΠ΅ ΡΠ΅ΠΊΡΠΈΠΈ.
ΠΠ΅ΡΠ΅Π²ΠΎ
ΠΡΠ΅ΠΈΠΌΡΡΠ΅ΡΡΠ²ΠΎΠΌ Π΄ΠΎΠΌΠΈΠΊΠ° ΠΈΠ· Π½Π°ΡΡΡΠ°Π»ΡΠ½ΠΎΠ³ΠΎ Π΄Π΅ΡΠ΅Π²Π° ΡΠ²Π»ΡΠ΅ΡΡΡ Π΅Π³ΠΎ Π²ΡΡΠΎΠΊΠ°Ρ ΡΠΊΠΎΠ»ΠΎΠ³ΠΈΡΠ½ΠΎΡΡΡ. ΠΠ°ΠΏΡΠΈΠΌΠ΅Ρ, Π² ΠΏΠ»ΠΈΡΠ΅ ΠΠ‘Π ΠΏΡΠΈΡΡΡΡΡΠ²ΡΡΡ ΡΠΎΡΠΌΠ°Π»ΡΠ΄Π΅Π³ΠΈΠ΄Π½ΡΠ΅ ΡΠΌΠΎΠ»Ρ, ΠΏΠΎΡΡΠΎΠΌΡ Π»ΡΡΡΠΈΠΌ Π²ΡΠ±ΠΎΡΠΎΠΌ Π΄Π»Ρ ΠΈΠ·Π³ΠΎΡΠΎΠ²Π»Π΅Π½ΠΈΡ ΡΡΠ°Π½Π΅Ρ Π½Π°ΡΡΡΠ°Π»ΡΠ½Π°Ρ Π΄ΡΠ΅Π²Π΅ΡΠΈΠ½Π°.
ΠΠ½ΡΡΡΡΠΌΠ΅Π½ΡΡ, ΠΊΠΎΡΠΎΡΡΠ΅ ΠΏΡΠΈΠ³ΠΎΠ΄ΡΡΡΡ Π² ΡΠ°Π±ΠΎΡΠ΅:
- ΠΠΎΡΠΊΠΈ ΠΈΠ· Π½Π°ΡΡΡΠ°Π»ΡΠ½ΠΎΠΉ Π΄ΡΠ΅Π²Π΅ΡΠΈΠ½Ρ, ΡΠΎΠ»ΡΠΈΠ½Π° 10-15 ΠΌΠΌ.
- ΠΠ°ΡΡΡΠ°Π»ΡΠ½Π°Ρ ΡΠΊΠ°Π½Ρ Π΄Π»Ρ ΠΎΠ±ΠΈΠ²ΠΊΠΈ.
- ΠΡΠ΅ΠΏΠ΅ΠΆΠ½ΡΠ΅ Π΄Π΅ΡΠ°Π»ΠΈ.
- ΠΠΎΠΆΠΎΠ²ΠΊΠ° ΠΏΠΎ Π΄Π΅ΡΠ΅Π²Ρ.
- ΠΠ°ΠΆΠ΄Π°ΡΠ½Π°Ρ Π±ΡΠΌΠ°Π³Π°.
- Π¨ΡΡΡΠΏΠΎΠ²Π΅ΡΡ.
- Π£ΡΠ΅ΠΏΠ»ΠΈΡΠ΅Π»Ρ (ΠΏΠ΅Π½ΠΎΠΏΠ»Π°ΡΡ ΠΈΠ»ΠΈ ΡΠΈΠ½ΡΠ΅ΠΏΠΎΠ½).
- ΠΠΈΠ½Π΅ΠΉΠΊΠ° ΠΈ Π½ΠΎΠΆΠ½ΠΈΡΡ.
ΠΠΎΠ»Π΅Π·Π½ΠΎΠ΅ Π²ΠΈΠ΄Π΅ΠΎ
ΠΠ΄ΠΈΠ½ ΠΈΠ· Π²Π°ΡΠΈΠ°Π½ΡΠΎΠ² Π΄ΠΎΠΌΠΈΠΊΠ° ΠΈΠ· Π΄Π΅ΡΠ΅Π²Π° Π² Π²ΠΈΠ΄Π΅ΠΎ Π½ΠΈΠΆΠ΅.
ΠΠΎΠ½ΡΡΡΡΠΈΡΠΎΠ²Π°Π½ΠΈΠ΅, Π±Π΅Π·ΠΎΠΏΠ°ΡΠ½ΠΎΡΡΡ, ΡΠ°Π·ΠΌΠ΅ΡΡ
Π§ΡΠΎΠ±Ρ ΠΊΠΎΡΠΊΠ΅ ΠΊΠΎΠΌΡΠΎΡΡΠ½ΠΎ ΠΆΠΈΠ»ΠΎΡΡ Π² Π΄ΠΎΠΌΠΈΠΊΠ΅, ΠΏΡΠΈ ΠΊΠΎΠ½ΡΡΡΡΠΈΡΠΎΠ²Π°Π½ΠΈΠΈ Π½ΡΠΆΠ½ΠΎ ΡΠΎΠ±Π»ΡΠ΄Π°ΡΡ Π½Π΅ΡΠΊΠΎΠ»ΡΠΊΠΎ ΠΏΡΠ°Π²ΠΈΠ»:
- ΠΡΠΆΠ½ΠΎ ΠΏΡΠΈΡΠΌΠΎΡΡΠ΅ΡΡΡΡ Π½Π° ΠΊΠ°ΠΊΠΎΠΌ ΡΡΠΎΠ²Π½Π΅ ΠΏΠΎ Π²ΡΡΠΎΡΠ΅ ΠΆΠΈΠ²ΠΎΡΠ½ΠΎΠ΅ Π»ΡΠ±ΠΈΡ ΠΏΡΠΎΠ²ΠΎΠ΄ΠΈΡΡ Π²ΡΠ΅ΠΌΡ ΠΈ ΡΡΠ΅ΡΡΡ ΡΡΠΎ ΠΏΡΠΈ ΡΠΎΠ·Π΄Π°Π½ΠΈΠΈ ΠΆΠΈΠ»ΠΈΡΠ°.

- ΠΠ΅Π»ΠΈΡΠΈΠ½Π° ΠΊΠΎΠ½ΡΡΡΡΠΊΡΠΈΠΈ Π΄ΠΎΠ»ΠΆΠ½Π° Π±ΡΡΡ Π½Π΅ΠΌΠ½ΠΎΠ³ΠΎ Π±ΠΎΠ»ΡΡΠ΅ Π³Π°Π±Π°ΡΠΈΡΠΎΠ² ΠΏΠΈΡΠΎΠΌΡΠ°.
- Π§ΡΠΎΠ±Ρ ΠΊΠΎΡΠΊΠ° Π½Π΅ ΡΡΠ°Π²ΠΌΠΈΡΠΎΠ²Π°Π»Π°ΡΡ, ΠΏΠΎΡΠ»Π΅ Π·Π°Π²Π΅ΡΡΠ΅Π½ΠΈΡ ΡΠ°Π±ΠΎΡΡ Π½Π°Π΄ Π΄ΠΎΠΌΠΈΠΊΠΎΠΌ ΠΏΡΠΎΠ²Π΅ΡΡΡΠ΅ Π΅Π³ΠΎ Π½Π° ΠΎΡΡΡΡΡΡΠ²ΠΈΠ΅ ΠΎΡΡΡΡΡ ΡΠ³Π»ΠΎΠ² ΠΈ ΡΠΎΡΡΠ°ΡΠΈΡ Π³Π²ΠΎΠ·Π΄Π΅ΠΉ.
- Π‘ΡΡΠΎΠ΅Π½ΠΈΠ΅ Π΄ΠΎΠ»ΠΆΠ½ΠΎ Π±ΡΡΡ ΡΡΡΠΎΠΉΡΠΈΠ²ΡΠΌ ΠΈ Π½Π΅ ΠΎΠΏΡΠΎΠΊΠΈΠ΄ΡΠ²Π°ΡΡΡΡ ΠΊΠΎΠ³Π΄Π° ΠΊΠΎΡΠΊΠ° Π½Π° Π½Π΅Π³ΠΎ Π·Π°ΠΏΡΡΠ³ΠΈΠ²Π°Π΅Ρ.
ΠΠ°ΡΠΈΠ°Π½ΡΡ
Π‘ΡΡΠ΅ΡΡΠ²ΡΠ΅Ρ ΠΌΠ½ΠΎΠ³ΠΎ ΡΠ°Π·Π½ΠΎΠ²ΠΈΠ΄Π½ΠΎΡΡΠ΅ΠΉ ΠΎΡΠΎΡΠΌΠ»Π΅Π½ΠΈΡ Π΄ΠΎΠΌΠΈΠΊΠ° Π΄Π»Ρ ΠΊΠΎΡΠΊΠΈ. ΠΡΠ±ΠΎΡ Π²Π°ΡΠΈΠ°Π½ΡΠ° Π·Π°Π²ΠΈΡΠΈΡ Π² ΠΏΠ΅ΡΠ²ΡΡ ΠΎΡΠ΅ΡΠ΅Π΄Ρ ΠΎΡ Π΄ΠΈΠ·Π°ΠΉΠ½Π° ΠΈΠ½ΡΠ΅ΡΡΠ΅ΡΠ°.
ΠΠΈΠ³Π²Π°ΠΌ
ΠΠ΅ΠΊΠΎΡΠΎΡΡΠ΅ ΠΊΠΎΡΠΎΡΠΊΠΎΡΠ΅ΡΡΡΠ½ΡΠ΅ ΠΊΠΎΡΠΊΠΈ ΡΠ°ΠΊΠΈΡ
ΠΏΠΎΡΠΎΠ΄, ΠΊΠ°ΠΊ ΡΠΈΠ°ΠΌΡΠΊΠ°Ρ, Π±Π΅Π½Π³Π°Π»ΡΡΠΊΠ°Ρ ΠΈ Π°Π±ΠΈΡΡΠΈΠ½ΡΠΊΠ°Ρ ΡΠ°ΡΡΠΎ Π²ΡΡΠ°ΡΡ Π½Π° Π·Π°Π΄Π½ΠΈΠ΅ Π»Π°ΠΏΠΊΠΈ. ΠΠΎΡΡΠΎΠΌΡ ΠΈΠΌ Π»ΡΡΡΠ΅ ΡΠΎΠΎΡΡΠ΄ΠΈΡΡ ΡΠ±Π΅ΠΆΠΈΡΠ΅ Π² Π²ΠΈΠ΄Π΅ Π²ΠΈΠ³Π²Π°ΠΌΠ°.
ΠΠ΅ΠΎΠ±Ρ
ΠΎΠ΄ΠΈΠΌΡΠ΅ ΠΌΠ°ΡΠ΅ΡΠΈΠ°Π»Ρ ΠΈ ΠΈΠ½ΡΡΡΡΠΌΠ΅Π½ΡΡ:
- Π’ΡΠΈ Π΄Π΅ΡΠ΅Π²ΡΠ½Π½ΡΠ΅ Π΄ΠΎΡΠΊΠΈ.
- Π¨ΡΡΡΠΏΠΎΠ²Π΅ΡΡ ΠΈ ΡΠ΅ΡΡΡΠ΅ ΡΠ°ΠΌΠΎΡΠ΅Π·Π°.
- ΠΠ»Π΅ΠΊΡΡΠΎΠ»ΠΎΠ±Π·ΠΈΠΊ.
- Π ΡΠ»Π΅ΡΠΊΠ°.
ΠΠ΅Π»Π°Π΅ΠΌ Π½Π° Π΄ΠΎΡΠΊΠ΅ ΡΠ°Π·ΠΌΠ΅ΡΠΊΡ. Π‘ ΠΏΠΎΠΌΠΎΡΡΡ Π΄ΡΠ΅Π»ΠΈ ΠΈ Π»ΠΎΠ±Π·ΠΈΠΊΠ° Π²ΡΡΠ΅Π·Π°Π΅ΠΌ Π² Π²Π΅ΡΡ
Π½Π΅ΠΉ ΡΠ°ΡΡΠΈ ΠΏΠ°Π·Ρ Π΄Π»Ρ ΡΠΎΠ²ΠΌΠ΅ΡΠ΅Π½ΠΈΡ Π΄ΠΎΡΠΎΠΊ. Π Π½ΠΈΠΆΠ½Π΅ΠΉ ΡΠ°ΡΡΠΈ Π±ΠΎΠΊΠΎΠ²ΡΡ
Π΄ΠΎΡΠΎΠΊ ΡΠ²Π΅ΡΠ»ΠΈΠΌ Π½Π° ΡΠ°ΡΡΡΠΎΡΠ½ΠΈΠΈ 9 ΡΠΌ ΠΎΡ ΠΊΡΠ°Ρ Π΄Π²Π° ΠΎΡΠ²Π΅ΡΡΡΠΈΡ.
ΠΡΠ½ΠΎΠ²Π°Π½ΠΈΠ΅ Π·Π°ΠΊΡΠ΅ΠΏΠ»ΡΠ΅ΠΌ ΠΌΠ΅ΠΆΠ΄Ρ Π΄ΠΎΡΠΊΠ°ΠΌΠΈ ΠΏΡΠΈ ΠΏΠΎΠΌΠΎΡΠΈ ΡΠ°ΠΌΠΎΡΠ΅Π·ΠΎΠ². ΠΠΎΠΌΠΈΠΊ ΠΌΠΎΠΆΠ½ΠΎ ΡΠΊΡΠ°ΡΠΈΡΡ ΠΎΠ±ΠΈΠ²ΠΊΠΎΠΉ ΠΈΠ»ΠΈ ΠΏΠΎΠΊΡΡΡΡ Π»Π°ΠΊΠΎΠΌ.
ΠΠΎΠ»Π΅Π·Π½ΠΎΠ΅ Π²ΠΈΠ΄Π΅ΠΎ
Π ΡΠΎΠΌ, ΠΊΠ°ΠΊ ΡΠ΄Π΅Π»Π°ΡΡ Π²ΠΈΠ³Π²Π°ΠΌ Π΄Π»Ρ ΠΊΠΎΡΠΊΠΈ β ΠΌΠΎΠΆΠ½ΠΎ ΠΏΠΎΡΠΌΠΎΡΡΠ΅ΡΡ Π² Π²ΠΈΠ΄Π΅ΠΎ Π½ΠΈΠΆΠ΅.
ΠΡΠ±ΠΈΡΠ΅ΡΠΊΠΈΠΉ Π΄ΠΎΠΌΠΈΠΊ
ΠΠ»Ρ ΠΈΠ·Π³ΠΎΡΠΎΠ²Π»Π΅Π½ΠΈΡ ΠΊΡΠ±ΠΈΡΠ΅ΡΠΊΠΎΠ³ΠΎ Π΄ΠΎΠΌΠΈΠΊΠ° ΠΏΠΎΠ½Π°Π΄ΠΎΠ±ΠΈΡΡΡ ΡΡΠ°Π½Π΄Π°ΡΡΠ½ΡΠΉ Π½Π°Π±ΠΎΡ ΠΈΠ½ΡΡΡΡΠΌΠ΅Π½ΡΠΎΠ² ΠΈ ΠΌΠ°ΡΠ΅ΡΠΈΠ°Π»ΠΎΠ²:
- ΠΠΈΡΡ ΡΠ°Π½Π΅ΡΡ, ΠΠ‘Π ΠΈΠ»ΠΈ Π½Π°ΡΡΡΠ°Π»ΡΠ½ΠΎΠΉ Π΄ΡΠ΅Π²Π΅ΡΠΈΠ½Ρ.
- ΠΠΎΠ±Π·ΠΈΠΊ.
- Π¨ΡΡΡΠΏΠΎΠ²Π΅ΡΡ Ρ ΡΠ°ΠΌΠΎΡΠ΅Π·Π°ΠΌΠΈ.
- ΠΠΎΡΠΎΠ»ΠΎΠ½.
- ΠΠ»Π°ΡΡΠΈΠΊΠΎΠ²Π°Ρ ΠΈΠ»ΠΈ ΠΊΠ°ΡΡΠΎΠ½Π½Π°Ρ ΡΡΡΠ±Π°, ΠΎΠΊΠΎΠ»ΠΎ 12 ΡΠΌ Π² Π΄ΠΈΠ°ΠΌΠ΅ΡΡΠ΅.
- ΠΠΆΡΡΠΎΠ²Π°Ρ Π²Π΅ΡΠ΅Π²ΠΊΠ°.
- ΠΠ΅Π±Π΅Π»ΡΠ½ΡΠ΅ ΡΠ³ΠΎΠ»ΠΊΠΈ.
- ΠΠΈΠ½Π΅ΠΉΠΊΠ°.
ΠΡΠΏΠΈΠ»ΠΈΠ²Π°Π΅ΠΌ ΡΡΠ΅Π½Ρ ΠΆΠΈΠ»ΠΈΡΠ° Π½ΡΠΆΠ½ΠΎΠ³ΠΎ ΡΠ°Π·ΠΌΠ΅ΡΠ°, Π²ΡΠ΅Π³ΠΎ ΠΏΠΎΠ»ΡΡΠ°Π΅ΡΡΡ ΡΠ΅ΡΡΡ ΠΎΠ΄ΠΈΠ½Π°ΠΊΠΎΠ²ΡΡ ΡΠ°ΡΡΠ΅ΠΉ. Π ΠΎΠ΄Π½ΠΎΠΉ ΡΠ΅ΠΊΡΠΈΠΈ Π²ΡΡΠ΅Π·Π°Π΅ΡΡΡ ΠΊΡΡΠ³Π»ΠΎΠ΅ ΠΎΡΠ²Π΅ΡΡΡΠΈΠ΅ Π΄Π»Ρ Π²Ρ ΠΎΠ΄Π°. ΠΡΠΈ ΠΏΠΎΠΌΠΎΡΠΈ ΠΌΠ΅Π±Π΅Π»ΡΠ½ΡΡ ΡΠ³ΠΎΠ»ΠΊΠΎΠ² ΡΠΎΠ±ΠΈΡΠ°Π΅ΠΌ ΠΊΠΎΠ½ΡΡΡΡΠΊΡΠΈΡ ΠΈ ΠΎΠ±ΠΊΠ»Π΅ΠΈΠ²Π°Π΅ΠΌ ΠΈΠ·Π½ΡΡΡΠΈ ΠΏΠΎΡΠΎΠ»ΠΎΠ½ΠΎΠΌ. Π’ΡΡΠ±Ρ ΠΏΠ»ΠΎΡΠ½ΠΎ ΠΎΠ±ΠΌΠ°ΡΡΠ²Π°Π΅ΠΌ Π΄ΠΆΡΡΠΎΠ²ΠΎΠΉ Π²Π΅ΡΠ΅Π²ΠΊΠΎΠΉ ΠΈ Π·Π°ΠΊΡΠ΅ΠΏΠ»ΡΠ΅ΠΌ Π½Π° ΠΊΡΡΡΠ΅ Π΄ΠΎΠΌΠΈΠΊΠ°.
Π§ΡΠΎΠ±Ρ Π΄ΠΎΠΌΠΈΠΊ Π±ΡΠ» ΡΡΡΠΎΠΉΡΠΈΠ², Π΅Π³ΠΎ Π½ΡΠΆΠ½ΠΎ ΠΏΡΠΈΠΊΡΡΡΠΈΡΡ ΠΊ ΠΏΠΎΠ»Ρ. ΠΡΠ»ΠΈ ΡΠ°ΠΊΠΎΠΉ Π²ΠΎΠ·ΠΌΠΎΠΆΠ½ΠΎΡΡΠΈ Π½Π΅Ρ, ΡΠΎ ΠΊΠΎ Π΄Π½Ρ Π΄ΠΎΠΌΠ° ΠΏΡΠΈΠΊΡΠ΅ΠΏΠ»ΡΠ΅ΠΌ Π΄ΠΎΡΠΊΡ Π±ΠΎΠ»ΡΡΠ΅Π³ΠΎ ΡΠ°Π·ΠΌΠ΅ΡΠ°, ΡΠ΅ΠΌ ΡΠ°ΠΌ ΠΊΡΠ±.
ΠΡΡΠ°ΡΠΈ, ΠΊΡΠ±ΠΈΡΠ΅ΡΠΊΠΈΠΉ Π΄ΠΎΠΌ Π»Π΅Π³ΠΊΠΎ ΡΠ΄Π΅Π»Π°ΡΡ ΠΈ ΠΈΠ· ΠΊΠ°ΡΡΠΎΠ½Π°.
ΠΠ°ΠΊ ΡΠΌΠ°ΡΡΠ΅ΡΠΈΡΡ Π΄ΠΎΠΌ βΠ±Π΅Π· ΠΊΡΡΡΠΈβ?
Π‘Π°ΠΌΡΠ΅ ΠΏΠΎΠΏΡΠ»ΡΡΠ½ΡΠ΅ Π²Π°ΡΠΈΠ°Π½ΡΡ Π»Π΅ΠΆΠ°ΠΊΠΎΠ²:
- ΠΠ΅ΠΆΠ°ΠΊ Ρ Π±ΠΎΡΡΠ°ΠΌΠΈ.
- ΠΠ΅ΠΆΠ°ΠΊ, ΠΊΡΠ΅ΠΏΡΡΠΈΠΉΡΡ Π½Π° Π±Π°ΡΠ°ΡΠ΅Ρ.
ΠΠ°ΡΠ΅ΡΠΈΠ°Π»Ρ Π΄Π»Ρ ΠΈΠ·Π³ΠΎΡΠΎΠ²Π»Π΅Π½ΠΈΡ Π»Π΅ΠΆΠ°Π½ΠΊΠΈ Π΄Π»Ρ ΠΊΠΎΡΠ΅ΠΊ:
- ΠΠΎΡΠΊΠΈ ΠΠ‘Π ΠΈΠ»ΠΈ ΡΠ°Π½Π΅ΡΠ°.
- ΠΠ°ΡΡΡΠ°Π»ΡΠ½Π°Ρ ΡΠΊΠ°Π½Ρ.
- Π‘ΠΈΠ½ΡΠ΅ΠΏΠΎΠ½ ΠΈΠ»ΠΈ ΠΏΠΎΡΠΎΠ»ΠΎΠ½.
- ΠΡΠ΅ΠΏΠ΅ΠΆΠ½ΡΠ΅ ΡΠ»Π΅ΠΌΠ΅Π½ΡΡ.
- Π¨ΡΡΡΠΏΠΎΠ²Π΅ΡΡ Ρ ΡΠ°ΠΌΠΎΡΠ΅Π·Π°ΠΌΠΈ.
ΠΠΎΠ΄Π³ΠΎΡΠΎΠ²ΠΈΠΌ Π΄Π΅ΡΠ΅Π²ΡΠ½Π½ΡΠΉ ΠΊΠ°ΡΠΊΠ°Ρ. ΠΡΡΠ΅ΠΆΠ΅ΠΌ Π½ΡΠΆΠ½ΠΎΠ³ΠΎ ΡΠ°Π·ΠΌΠ΅ΡΠ° 2 Π΄ΠΎΡΠΊΠΈ ΠΈ ΡΠΊΡΠ΅ΠΏΠΈΠΌ ΠΈΡ ΠΏΠΎΠ΄ ΡΠ³Π»ΠΎΠΌ 90 Π³ΡΠ°Π΄ΡΡΠΎΠ² Ρ ΠΏΠΎΠΌΠΎΡΡΡ ΡΠ°ΠΌΠΎΡΠ΅Π·ΠΎΠ². ΠΡΠΎ ΠΈ Π±ΡΠ΄Π΅Ρ ΡΠΏΠ°Π»ΡΠ½ΠΎΠ΅ ΠΌΠ΅ΡΡΠΎ. ΠΡΠΈΠΊΡΠ΅ΠΏΠΈΡΠ΅ ΠΊ ΠΊΠ°ΡΠΊΠ°ΡΡ ΠΏΠΎΡΠΎΠ»ΠΎΠ½ ΠΈΠ»ΠΈ ΡΠΈΠ½ΡΠ΅ΠΏΠΎΠ½ ΠΈ ΠΎΠ±ΡΡΠ½ΠΈΡΠ΅ ΡΠΊΠ°Π½ΡΡ. ΠΠ΅ΡΡ Π½ΡΡ ΡΠ°ΡΡΡ Π½ΡΠΆΠ½ΠΎ ΠΏΡΠΎΡΠ½ΠΎ Π·Π°ΠΊΡΠ΅ΠΏΠΈΡΡ Π½Π° Π±Π°ΡΠ°ΡΠ΅Π΅, ΡΡΠΎΠ±Ρ Π²ΠΎ Π²ΡΠ΅ΠΌΡ Π·Π°ΠΏΡΡΠ³ΠΈΠ²Π°Π½ΠΈΡ ΠΊΠΎΡΠΊΠ° Π½Π΅ ΡΠΏΠ°Π»Π°.
Π‘ΠΏΡΠ°Π²ΠΊΠ°!
ΠΠ½Π°Π»ΠΎΠ³ΠΈΡΠ½ΠΎ Π²ΡΠΏΠΎΠ»Π½ΡΠ΅ΡΡΡ Π»Π΅ΠΆΠ°Π½ΠΊΠ° Ρ Π±ΠΎΡΡΠ°ΠΌΠΈ. ΠΡΡΠ΅Π·Π°Π΅ΠΌ ΠΈΠ· Π΄ΠΎΡΠΊΠΈ ΠΎΡΠ½ΠΎΠ²Π°Π½ΠΈΠ΅ ΡΠΏΠ°Π»ΡΠ½ΠΎΠ³ΠΎ ΠΌΠ΅ΡΡΠ° ΠΈ ΡΠ΅ΡΡΡΠ΅ Π±ΠΎΡΡΠΈΠΊΠ°. Π‘ΠΊΡΠ΅ΠΏΠ»ΡΠ΅ΠΌ ΠΈΡ ΠΌΠ΅ΠΆΠ΄Ρ ΡΠΎΠ±ΠΎΠΉ Ρ ΠΏΠΎΠΌΠΎΡΡΡ ΡΡΡΠΎΠΏΠΎΠ²Π΅ΡΡΠ° ΠΈ ΡΠ°ΠΌΠΎΡΠ΅Π·ΠΎΠ². ΠΠΎΡΠ»Π΅ ΡΠ΅Π³ΠΎ Π·Π°ΠΏΠΎΠ»Π½ΡΠ΅ΠΌ ΠΌΡΠ³ΠΊΠΈΠΌ ΠΌΠ°ΡΠ΅ΡΠΈΠ°Π»ΠΎΠΌ ΠΈΠ»ΠΈ ΠΊΠ»Π°Π΄Π΅ΠΌ Π½Π° Π»Π΅ΠΆΠ°ΠΊ ΠΌΡΠ³ΠΊΡΡ ΠΏΠΎΠ΄ΡΡΠΊΡ.
Π₯ΠΎΡΠΈΡΠ΅ ΡΠΎΠ·Π΄Π°ΡΡ ΠΏΡΠΎΡΡΠΎ ΠΌΡΠ³ΠΊΡΡ Π»Π΅ΠΆΠ°Π½ΠΊΡ? ΠΡΠΎ Π΄ΡΡΠ³ΠΎΠΉ ΡΠΈΠΏ Π΄ΠΎΠΌΠΎΠ², ΠΊΠΎΡΠΎΡΡΠ΅ Π΄Π΅Π»Π°ΡΡΡΡ Π½Π° ΠΏΠΎΡΡΠ΄ΠΎΠΊ ΠΏΡΠΎΡΠ΅, ΠΏΠΎΠ²Π΅ΡΡΡΠ΅ β ΡΠΈΡΠ°ΠΉΡΠ΅ ΡΡΡ.
Π‘ΠΊΠ°Π·ΠΎΡΠ½ΡΠ΅ Π΄ΠΎΠΌΠ°
Π‘ΠΊΠ°Π·ΠΎΡΠ½ΡΠ΅ Π΄ΠΎΠΌΠ° ΡΡΠ΅Π±ΡΡΡ Π±ΠΎΠ»ΡΡΠ΅Π³ΠΎ ΡΡΡΠ΄Π° ΠΈ ΡΠ°Π½ΡΠ°Π·ΠΈΠΈ, ΡΠ΅ΠΌ ΠΎΠ±ΡΡΠ½ΡΠ΅. Π§ΡΠΎΠ±Ρ ΡΠ΄Π΅Π»Π°ΡΡ Π΄Π΅ΡΠ΅Π²ΡΠ½Π½ΡΠΉ Π΄ΠΎΠΌΠΈΠΊ ΠΈΠ· ΠΌΠ°Π»Π΅Π½ΡΠΊΠΈΡ Π±ΡΠ΅Π²Π΅Π½ ΠΏΠΎΡΡΠ΅Π±ΡΠ΅ΡΡΡ ΡΡΠΈΠ΄ΡΠΈΠ²ΠΎΡΡΡ ΠΈ ΠΌΠ½ΠΎΠ³ΠΎ Π²ΡΠ΅ΠΌΠ΅Π½ΠΈ. ΠΠ°ΠΆΠ΄ΠΎΠ΅ Π±ΡΠ΅Π²Π½ΡΡΠΊΠΎ Π½ΡΠΆΠ½ΠΎ Π²ΡΡΠ΅Π·Π°ΡΡ ΠΈ ΡΠΊΡΠ΅ΠΏΠΈΡΡ Ρ ΠΏΡΠ΅Π΄ΡΠ΄ΡΡΠΈΠΌ. ΠΡΠ»ΠΈ ΠΏΠΎΡΡΠ°ΡΠ°ΡΡΡΡ, ΡΠΎ ΠΏΠΎΠ»ΡΡΠΈΠ²ΡΠΈΠΉΡΡ ΡΠ΅Π·ΡΠ»ΡΡΠ°Ρ Π½Π΅ΠΏΡΠ΅ΠΌΠ΅Π½Π½ΠΎ ΠΎΠ±ΡΠ°Π΄ΡΠ΅Ρ.
Π‘ΡΡΠ΅ΡΡΠ²ΡΡΡ ΠΈ Π±ΠΎΠ»Π΅Π΅ ΡΠ»ΠΎΠΆΠ½ΡΠ΅ Π² ΠΈΡΠΏΠΎΠ»Π½Π΅Π½ΠΈΠΈ Π²Π°ΡΠΈΠ°Π½ΡΡ ΡΠΊΠ°Π·ΠΎΡΠ½ΠΎΠ³ΠΎ ΠΆΠΈΠ»ΠΈΡΠ°, Π½Π°ΠΏΡΠΈΠΌΠ΅Ρ, Π΄ΠΎΠΌΠΈΠΊ Ρ ΠΎΠ±Π±ΠΈΡΠ°. ΠΠΎΠ»ΡΡΠΎΠ΅ ΠΆΠ΅Π»Π°Π½ΠΈΠ΅, ΡΠ°Π½ΡΠ°Π·ΠΈΡ ΠΈ ΡΡΡΠ΄ΠΎΠ»ΡΠ±ΠΈΠ΅ ΠΏΠΎΠΌΠΎΠ³ΡΡ ΡΠ΄Π΅Π»Π°ΡΡ Π½Π°ΡΡΠΎΡΡΠΈΠΉ ΡΠΊΠ°Π·ΠΎΡΠ½ΡΠΉ Π΄ΠΎΠΌΠΈΠΊ Π΄Π»Ρ ΠΊΠΎΡΠΊΠΈ.
ΠΠΎΠΌ ΠΈΠ· ΡΠ°Π½Π΅ΡΡ
ΠΠΎΠ΄Π±ΠΈΡΠ°ΡΡ ΠΌΠ°ΡΠ΅ΡΠΈΠ°Π» Π΄Π»Ρ ΠΊΠΎΡΠ°ΡΡΠ΅Π³ΠΎ Π΄ΠΎΠΌΠΈΠΊΠ° Π½ΡΠΆΠ½ΠΎ Ρ ΡΡΠ΅ΡΠΎΠΌ ΠΎΡΠΎΠ±ΡΡ ΠΏΡΠΈΠ½ΡΠΈΠΏΠΎΠ², ΠΊΠΎΡΠΎΡΡΠΌ ΡΠΎΠΎΡΠ²Π΅ΡΡΡΠ²ΡΠ΅Ρ ΡΠ°Π½Π΅ΡΠ°:
- ΠΠ΅Π·ΠΎΠΏΠ°ΡΠ½ΠΎΡΡΡ β Π² Π΄ΠΎΠΌΠΈΠΊΠ΅ Π½Π΅ Π΄ΠΎΠ»ΠΆΠ½ΠΎ ΠΈΠΌΠ΅ΡΡΡΡ ΠΎΡΡΡΡΡ ΠΊΡΠ°Π΅Π² ΠΈ ΡΠ³Π»ΠΎΠ², ΡΠ»ΠΈΡΠΊΠΎΠΌ ΠΌΠ΅Π»ΠΊΠΈΡ Π΄Π΅ΡΠ°Π»Π΅ΠΉ ΠΈΠ»ΠΈ ΡΠΎΡΡΠ°ΡΠΈΡ Π½ΠΈΡΠΎΠΊ. ΠΡΠΆΠ½ΠΎ ΠΏΡΠΎΡΠ»Π΅Π΄ΠΈΡΡ, ΡΡΠΎΠ±Ρ ΠΊΠΎΡ Π½Π΅ ΠΏΠΎΡΠ°Π½ΠΈΠ» Π»Π°ΠΏΠΊΡ ΠΈ Π½ΠΈΡΠ΅Π³ΠΎ Π½Π΅ ΠΏΡΠΎΠ³Π»ΠΎΡΠΈΠ».
- ΠΠ°ΡΠ΅ΡΡΠ²ΠΎ β Π΄ΠΎΠΌΠΈΠΊ ΡΠ»Π΅Π΄ΡΠ΅Ρ ΡΡΡΠΎΠΈΡΡ ΠΈΠ· Π½Π°ΡΡΡΠ°Π»ΡΠ½ΡΡ
ΠΌΠ°ΡΠ΅ΡΠΈΠ°Π»ΠΎΠ², ΠΏΠΎΠ»ΡΠ·ΠΎΠ²Π°ΡΡΡΡ ΡΠΎΠ»ΡΠΊΠΎ Π½Π΅ΡΠΎΠΊΡΠΈΡΠ½ΡΠΌΠΈ ΠΊΡΠ°ΡΠΊΠ°ΠΌΠΈ ΠΈ ΠΊΠ»Π΅Π΅ΠΌ.

- ΠΠΈΠ³ΠΈΠ΅Π½ΠΈΡΠ½ΠΎΡΡΡ β ΠΌΠ΅ΡΡΠΎ ΠΎΡΠ΄ΡΡ Π° ΠΏΠΈΡΠΎΠΌΡΠ° ΡΡΠ΅Π±ΡΠ΅ΡΡΡ ΠΏΠΎΡΡΠΎΡΠ½Π½ΠΎ ΠΌΡΡΡ ΠΈ Π΄Π΅Π·ΠΈΠ½ΡΠΈΡΠΈΡΠΎΠ²Π°ΡΡ.
- ΠΠΎΠΏΠΎΠ»Π½ΠΈΡΠ΅Π»ΡΠ½Π°Ρ ΡΡΠ΅ΠΏΠ»Π΅Π½ΠΎΡΡΡΒ β ΠΏΠΎΠ·Π²ΠΎΠ»ΡΠ΅Ρ Π΅Π³ΠΎ ΠΈΡΠΏΠΎΠ»ΡΠ·ΠΎΠ²Π°ΡΡ ΠΈ Π² ΠΊΠ°ΡΠ΅ΡΡΠ²Π΅ ΡΠ»ΠΈΡΠ½ΠΎΠ³ΠΎ.
ΠΠΎΠΌΠΏΠ»Π΅ΠΊΡ
Π€Π°Π½Π΅ΡΠ° Π΄ΠΎΡΡΠ°ΡΠΎΡΠ½ΠΎ ΠΏΡΠΎΡΠ½ΡΠΉ ΠΈ ΡΠΊΠΎΠ»ΠΎΠ³ΠΈΡΠ½ΡΠΉ ΠΌΠ°ΡΠ΅ΡΠΈΠ°Π», ΠΈΠ· Π½Π΅Π³ΠΎ ΠΌΠΎΠΆΠ½ΠΎ ΡΠΎΠ·Π΄Π°ΡΡ ΡΠ΅Π»ΡΠΉ ΠΊΠΎΠΌΠΏΠ»Π΅ΠΊΡ Π΄Π»Ρ ΠΊΠΎΡΠΊΠΈ, Π³Π΄Π΅ Π±ΡΠ΄Π΅Ρ ΠΌΠ΅ΡΡΠΎ Π΄Π»Ρ ΠΎΡΠ΄ΡΡ Π°, ΠΈΠ³Ρ Ρ.Π΄.
ΠΡΠΆΠ½ΠΎ Π·Π°ΡΠ°Π½Π΅Π΅ ΡΠΏΡΠΎΠ΅ΠΊΡΠΈΡΠΎΠ²Π°ΡΡ ΠΏΠΎΡΡΡΠΎΠΉΠΊΡ ΠΈ ΡΠ°ΡΡΡΠΈΡΠ°ΡΡ Π·Π°ΡΡΠ°ΡΡ, ΠΏΠΎΠ΄Π³ΠΎΡΠΎΠ²ΠΈΡΡ Π½Π΅ΠΎΠ±Ρ ΠΎΠ΄ΠΈΠΌΡΠ΅ ΠΈΠ½ΡΡΡΡΠΌΠ΅Π½ΡΡ, ΠΏΡΠΎΠ²Π΅ΡΡΠΈ ΡΠ°ΡΡΠ΅ΡΡ. ΠΡΡΠΎΡΠ° ΠΊΠΎΠ½ΡΡΡΡΠΊΡΠΈΠΈ ΠΌΠΎΠΆΠ΅Ρ Π±ΡΡΡ ΠΌΠ°ΠΊΡΠΈΠΌΠ°Π»ΡΠ½ΠΎ Π±ΠΎΠ»ΡΡΠΎΠΉ, ΡΠ°ΠΊ ΠΊΠ°ΠΊ ΠΊΠΎΡΠΊΠ΅ ΠΏΡΠΈΠ΄Π΅ΡΡΡ ΠΏΠΎ Π΄ΡΡΠ΅ ΡΠ°ΠΊΠΎΠ΅ ΡΠ°Π·Π²Π»Π΅ΡΠ΅Π½ΠΈΠ΅.Β Π Π²Π΅Π΄Ρ ΠΌΠΎΠΆΠ½ΠΎ ΡΠΎΠ·Π΄Π°ΡΡ ΠΊΡΠ°ΡΠΈΠ²ΡΡ Π΄Π²ΡΡ ΡΡΠ°ΠΆΠΊΡ ΠΈΠ»ΠΈ ΡΠ΅Π»ΡΠΉ Π·Π°ΠΌΠΎΠΊ Π½Π΅ ΡΠΎΠ»ΡΠΊΠΎ ΠΈΠ· ΡΠ°Π½Π΅ΡΡ, Π½ΠΎ ΠΈ ΠΈΠ· ΠΊΠΎΡΠΎΠ±ΠΎΠΊ β ΠΎΠ± ΡΡΠΎΠΌ ΠΏΠΎΠ΄ΡΠΎΠ±Π½Π΅ΠΉ ΠΌΠΎΠΆΠ½ΠΎ ΠΏΠΎΡΠΈΡΠ°ΡΡ Π² Π΄Π°Π½Π½ΠΎΠΉ ΡΡΠ°ΡΡΠ΅.
ΠΡΠΎΡΡΠΎΠΉ Π²Π°ΡΠΈΠ°Π½Ρ Ρ ΡΠ΅ΡΡΠ΅ΠΆΠΎΠΌ
- ΠΠ·ΡΡΡ Π»ΠΈΡΡ ΡΠ°Π½Π΅ΡΡ ΠΈ ΡΠ΄Π΅Π»Π°ΡΡ 3 Π±ΠΎΠΊΠΎΠ²ΡΠ΅ ΡΡΠΎΡΠΎΠ½Ρ Π΄ΠΎΠΌΠΈΠΊΠ°, ΠΏΠΎΠ» ΠΊΠ²Π°Π΄ΡΠ°ΡΠ½ΠΎΠΉ ΡΠΎΡΠΌΡ.
- ΠΠ»Ρ ΠΊΡΡΡΠΈ ΠΏΠΎΠ½Π°Π΄ΠΎΠ±ΡΡΡΡ 2 ΠΊΠ²Π°Π΄ΡΠ°ΡΠ° ΠΌΠ°ΡΠ΅ΡΠΈΠ°Π»Π°, ΠΊΠΎΡΠΎΡΡΠ΅ ΡΠΊΡΡΡΠΈΠ²Π°ΡΡΡΡ ΡΠ³ΠΎΠ»ΠΊΠ°ΠΌΠΈ Π΄Π»Ρ ΠΌΠ΅Π±Π΅Π»ΠΈ.
- ΠΡΡΡΠ° ΠΈ ΡΡΠ΅Π½Ρ ΡΠΊΡΠ΅ΠΏΠ»ΡΡΡΡΡ ΡΠ°ΠΌΠΎΡΠ΅Π·Π°ΠΌΠΈ.

- ΠΠ· ΠΏΠ΅Π½ΠΎΠΏΠ»Π°ΡΡΠ° ΠΏΠΎΠ΄Π³ΠΎΡΠ°Π²Π»ΠΈΠ²Π°ΡΡΡΡ ΡΡΠΎΠ½ΡΠ°Π»ΡΠ½ΡΠ΅ ΡΡΠΎΡΠΎΠ½Ρ ΠΊΡΡΡΠΈ ΠΈ ΠΏΠ΅ΡΠ΅Π΄Π½ΡΡ ΡΡΠ΅Π½Π° Ρ Π²Ρ ΠΎΠ΄ΠΎΠΌ. Π Π΄Π΅ΡΠ°Π»ΡΡ Π΄Π»Ρ ΠΊΡΡΡΠΈ ΠΏΡΠΎΠ΄Π΅Π»ΡΠ²Π°ΡΡΡΡ Π²Π΅Π½ΡΠΈΠ»ΡΡΠΈΠΎΠ½Π½ΡΠ΅ ΠΎΡΠ²Π΅ΡΡΡΠΈΡ.
- ΠΠ·Π½ΡΡΡΠΈ Ρ ΠΎΡΠΎΡΠΎ ΠΎΠ±ΠΊΠ»Π΅ΠΈΡΡ Π΄ΠΎΠΌΠΈΠΊ ΡΠ»ΠΈΡΠΎΠΌ, Π° Π²Π½ΠΈΠ· ΠΏΠΎΠ»ΠΎΠΆΠΈΡΡ ΠΏΠΎΠ΄ΡΡΠΊΡ.
Π‘Ρ Π΅ΠΌΠ° Π΄ΠΎΠΌΠ° Ρ ΠΊΡΡΡΠ΅ΠΉ
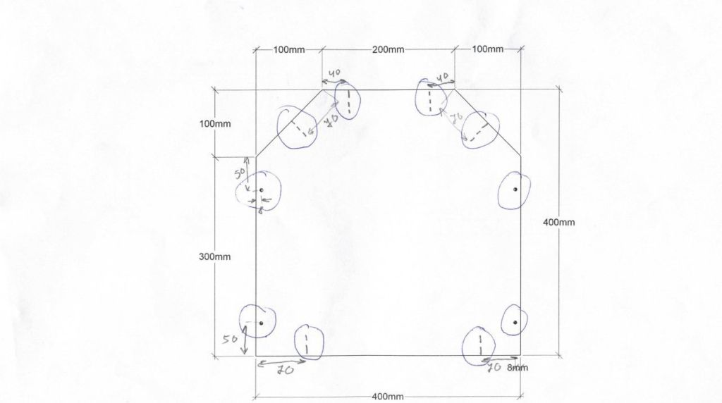
Π§Π΅ΡΡΠΈΠΌ Π½Π° Π±ΡΠΌΠ°Π³Π΅ Π΄ΠΎΠΌΠΈΠΊ Ρ ΠΊΡΡΡΠ΅ΠΉ, ΡΠ°Π·ΠΌΠ΅ΡΡ ΠΊΠΎΡΠΎΡΠΎΠ³ΠΎ:
- Π²ΡΡΠΎΡΠ° β 40 ΡΠΌ;
- ΡΠΈΡΠΈΠ½Π° β 42 ΡΠΌ;
- Π³Π»ΡΠ±ΠΈΠ½Π° β 54 ΡΠΌ.
ΠΡΠΈ ΠΆΠ΅Π»Π°Π½ΠΈΠΈ ΡΡΠΈ ΠΏΠ°ΡΠ°ΠΌΠ΅ΡΡΡ ΠΌΠΎΠΆΠ½ΠΎ ΠΈΠ·ΠΌΠ΅Π½ΠΈΡΡ Π² ΡΠΎΠΎΡΠ²Π΅ΡΡΡΠ²ΠΈΠΈ Ρ ΡΠ°Π·ΠΌΠ΅ΡΠ°ΠΌΠΈ ΠΆΠΈΠ²ΠΎΡΠ½ΠΎΠ³ΠΎ.
Π‘ ΠΏΠΎΠΌΠΎΡΡΡ Π½ΠΎΠΆΠΎΠ²ΠΊΠΈ Π²ΡΡΠ΅Π·Π°Π΅ΠΌ Π΄ΠΎΡΠΊΠΈ Π½ΡΠΆΠ½ΠΎΠ³ΠΎ ΡΠ°Π·ΠΌΠ΅ΡΠ°. ΠΠ° ΠΏΠ΅ΡΠ΅Π΄Π½Π΅ΠΉ ΡΠ°ΡΡΠΈ ΠΏΡΠΎΡΠ΅Π·Π°Π΅ΠΌ ΠΏΡΠΎΡ ΠΎΠ΄ Π² Π΄ΠΎΠΌ. ΠΡΡΠ»ΠΈΡΠΎΠ²ΡΠ²Π°Π΅ΠΌ Π΅Π³ΠΎ Π³ΡΠ°Π½Ρ Π½Π°ΠΆΠ΄Π°ΡΠ½ΠΎΠΉ Π±ΡΠΌΠ°Π³ΠΎΠΉ, ΡΡΠΎΠ±Ρ ΠΆΠΈΠ²ΠΎΡΠ½ΠΎΠ΅ Π½Π΅ ΠΏΠΎΡΠ°Π½ΠΈΠ»ΠΎΡΡ ΠΏΡΠΈ Π²Ρ ΠΎΠ΄Π΅ ΠΈ Π²ΡΡ ΠΎΠ΄Π΅.
ΠΠ°ΠΊΡΠ΅ΠΏΠ»ΡΠ΅ΠΌ ΡΠΈΠ½ΡΠ΅ΠΏΠΎΠ½ ΠΈ ΠΎΠ±ΡΠΈΠ²Π°Π΅ΠΌ ΠΎΡΠ½ΠΎΠ²Π°Π½ΠΈΠ΅ ΠΈ Π±ΠΎΠΊΠΎΠ²ΡΠ΅ ΡΡΠ΅Π½ΠΊΠΈ Π²Π½ΡΡΡΠΈ Π΄ΠΎΠΌΠΈΠΊΠ° Π½Π°ΡΡΡΠ°Π»ΡΠ½ΠΎΠΉ ΡΠΊΠ°Π½ΡΡ. ΠΠ°Π»Π΅Π΅ ΠΏΡΠΈ ΠΏΠΎΠΌΠΎΡΠΈ ΠΊΡΠ΅ΠΏΠ΅ΠΆΠ° ΡΠΎΠ΅Π΄ΠΈΠ½ΡΠ΅ΠΌ Π²ΡΠ΅ Π΄Π΅ΡΠ°Π»ΠΈ ΠΌΠ΅ΠΆΠ΄Ρ ΡΠΎΠ±ΠΎΠΉ. ΠΡΡΡΡ ΠΊΡΠ΅ΠΏΠΈΠΌ ΠΊΠ°ΠΊ Π²ΡΠΎΡΠΎΠΉ ΡΡΠΎΠ²Π΅Π½Ρ ΠΈ Π΄Π΅Π»Π°Π΅ΠΌ ΠΎΠ³ΡΠ°ΠΆΠ΄Π΅Π½ΠΈΠ΅. ΠΠ»Ρ Π΄Π΅ΠΊΠΎΡΠ° ΠΌΠΎΠΆΠ½ΠΎ Π²ΡΡΠ΅Π·Π°ΡΡ ΠΈΠ· Π΄ΠΎΡΠΊΠΈ Π»Π΅ΡΡΠ½ΠΈΡΡ ΠΈ ΠΏΠΎΠ΄ΡΡΠ°Π²ΠΈΡΡ ΠΊ Π΄ΠΎΠΌΡ.
Π‘ΠΎΠ²Π΅Ρ!
ΠΠ»Ρ ΠΎΠ±ΠΈΠ²ΠΊΠΈ Π½Π΅ΠΎΠ±Ρ ΠΎΠ΄ΠΈΠΌΠΎ ΠΈΡΠΏΠΎΠ»ΡΠ·ΠΎΠ²Π°ΡΡ Π½Π°ΡΡΡΠ°Π»ΡΠ½ΡΠ΅ ΡΠΊΠ°Π½ΠΈ.
Π‘ΠΈΠ½ΡΠ΅ΡΠΈΡΠ΅ΡΠΊΠ°Ρ ΡΠΊΠ°Π½Ρ ΡΠ°Π·ΡΠ΅ΡΠ΅Π½Π°, ΡΠΎΠ»ΡΠΊΠΎ Π΅ΡΠ»ΠΈ ΠΎΠ½Π° Π½Π΅ ΡΠ»Π΅ΠΊΡΡΠΈΠ·ΡΠ΅ΡΡΡ. Π ΠΏΡΠΈΠΌΠ΅ΡΡ, ΡΠ΅Π»ΠΊ Π΄Π»Ρ ΠΎΠ±ΠΈΠ²ΠΊΠΈ Π½Π΅ ΠΏΠΎΠ΄ΠΎΠΉΠ΄Π΅Ρ.
ΠΠΎΠ»Π΅Π·Π½ΠΎΠ΅ Π²ΠΈΠ΄Π΅ΠΎ
ΠΡΠ΅ ΠΎΠ΄Π½ΠΎ Π²ΠΈΠ΄Π΅ΠΎ Ρ ΡΠ΅ΠΌ, ΠΊΠ°ΠΊ ΡΠΎΠΎΡΡΠ΄ΠΈΡΡ Π΄ΠΎΠΌ Π΄Π»Ρ ΠΊΠΎΡΠ°.
ΠΠ°ΡΠΈΠ°Π½ΡΡ ΠΈΠ· ΡΡΠ°ΡΡΡ Π²Π΅ΡΠ΅ΠΉ
ΠΠ· ΡΡΠ°ΡΡΡ Π΄Π΅ΡΠ΅Π²ΡΠ½Π½ΡΡ Π²Π΅ΡΠ΅ΠΉ ΠΌΠΎΠΆΠ½ΠΎ ΠΈΠ·Π³ΠΎΡΠΎΠ²ΠΈΡΡ ΠΌΠ½ΠΎΠΆΠ΅ΡΡΠ²ΠΎ ΠΎΡΠΈΠ³ΠΈΠ½Π°Π»ΡΠ½ΡΡ Π΄ΠΎΠΌΠΈΠΊΠΎΠ² Π΄Π»Ρ ΠΏΠΈΡΠΎΠΌΡΠ΅Π².
ΠΠ· ΡΡΠ°ΡΠΎΠΉ ΠΌΠ΅Π±Π΅Π»ΠΈ
ΠΡΠ²ΠΎΠ΄
ΠΠ°ΠΊ Π²ΠΈΠ΄ΠΈΡΠ΅ ΡΠΎΠ·Π΄Π°Π½ΠΈΠ΅ Π΄ΠΎΠΌΠΈΠΊΠ° Π΄Π»Ρ ΠΊΠΎΡΠΊΠΈ β ΡΡΠΎ ΡΠ²Π»Π΅ΠΊΠ°ΡΠ΅Π»ΡΠ½ΡΠΉ ΠΏΡΠΎΡΠ΅ΡΡ, ΠΊΠΎΡΠΎΡΡΠΉ Π½Π° ΡΠ°ΠΌΠΎΠΌ Π΄Π΅Π»Π΅ Π½Π΅ ΡΠ°ΠΊ ΡΡΡΠ°ΡΠ΅Π½, ΠΊΠ°ΠΊ ΠΊΠ°Π·Π°Π»ΠΎΡΡ Π±Ρ.
ΠΠΊΡΠΏΠ΅ΡΠΈΠΌΠ΅Π½ΡΠΈΡΡΠΉΡΠ΅, Π½Π΅ Π±ΠΎΠΉΡΠ΅ΡΡ! ΠΠ»Π°Π²Π½ΠΎΠ΅, ΡΡΠΎΠ±Ρ ΠΌΠ°ΡΠ΅ΡΠΈΠ°Π»Ρ Π±ΡΠ»ΠΈ Π½Π°ΡΡΡΠ°Π»ΡΠ½ΡΠΌΠΈ ΠΈ Π²ΡΡ ΠΊΠΎΠ½ΡΡΡΡΠΊΡΠΈΡ Π±ΡΠ»Π° Ρ
ΠΎΡΠΎΡΠΎ Π·Π°ΠΊΡΠ΅ΠΏΠ»Π΅Π½Π°. ΠΠ΅ Π½Π°ΡΠ»ΠΈ Π²Π°ΡΠΈΠ°Π½Ρ, ΠΊΠΎΡΠΎΡΡΠΉ ΠΈΡΠΊΠ°Π»ΠΈ β ΠΏΠΎΡΠΌΠΎΡΡΠΈΡΠ΅ ΠΎΠ±ΡΡΡ ΡΡΠ°ΡΡΡ Π½Π° ΡΡΡ ΡΠ΅ΠΌΡ.
ΡΠ΅ΡΡΠ΅ΠΆΠΈ ΠΈ ΡΠ°Π·ΠΌΠ΅ΡΡ, ΠΏΠΎΡΠ°Π³ΠΎΠ²Π°Ρ ΠΈΠ½ΡΡΡΡΠΊΡΠΈΡ
ΠΠΎΡΠΊΠ° Ρ ΠΎΡΡ ΠΈ Π΄ΠΎΠΌΠ°ΡΠ½Π΅Π΅ ΠΆΠΈΠ²ΠΎΡΠ½ΠΎΠ΅, Π½ΠΎ ΠΏΠΎ ΡΠ²ΠΎΠ΅ΠΉ Π½Π°ΡΡΡΠ΅ Π°Π±ΡΠΎΠ»ΡΡΠ½ΠΎ Π½Π΅Π·Π°Π²ΠΈΡΠΈΠΌΠΎΠ΅ ΡΡΡΠ΅ΡΡΠ²ΠΎ. ΠΠ»Ρ ΡΠΎΠ³ΠΎ ΡΡΠΎΠ±Ρ ΡΡΠ²ΡΡΠ²ΠΎΠ²Π°ΡΡ ΡΠ΅Π±Ρ ΠΊΠΎΠΌΡΠΎΡΡΠ½ΠΎ, Π΅ΠΉ ΠΏΡΠΎΡΡΠΎ Π½Π΅ΠΎΠ±Ρ ΠΎΠ΄ΠΈΠΌΠΎ ΠΈΠΌΠ΅ΡΡ ΡΠΎΠ±ΡΡΠ²Π΅Π½Π½ΠΎΠ΅ ΠΏΡΠΎΡΡΡΠ°Π½ΡΡΠ²ΠΎ Π² ΠΊΠ²Π°ΡΡΠΈΡΠ΅. ΠΡΠ΅Π½Ρ ΡΠ°ΡΡΠΎ ΠΎΠ½ΠΈ ΡΠ°ΠΌΠΈ Π²ΡΠ±ΠΈΡΠ°ΡΡ ΠΌΠ΅ΡΡΠΎ Π΄Π»Ρ ΡΠ½Π° ΠΈ ΠΈΠ³Ρ. ΠΡΡΡΠ΅Π΅, ΡΡΠΎ ΠΌΠΎΠΆΠ΅Ρ ΡΠ΄Π΅Π»Π°ΡΡ Ρ ΠΎΠ·ΡΠΈΠ½ Π΄Π»Ρ ΡΠ²ΠΎΠ΅Π³ΠΎ ΠΏΠΈΡΠΎΠΌΡΠ°, ΡΡΠΎ ΠΏΠΎΡΡΠ°Π²ΠΈΡΡ ΡΡΠ΄Π° ΡΠΏΠ΅ΡΠΈΠ°Π»ΡΠ½ΡΠΉ Π΄ΠΎΠΌΠΈΠΊ. ΠΠ³ΠΎ ΠΌΠΎΠΆΠ½ΠΎ ΠΏΡΠΈΠΎΠ±ΡΠ΅ΡΡΠΈ Π² Π·ΠΎΠΎΠΌΠ°Π³Π°Π·ΠΈΠ½Π΅ ΠΈΠ»ΠΈ ΡΠΌΠ°ΡΡΠ΅ΡΠΈΡΡ ΡΠ°ΠΌΠΎΡΡΠΎΡΡΠ΅Π»ΡΠ½ΠΎ. Π ΠΏΠΎΡΠ»Π΅Π΄Π½Π΅ΠΌ ΡΠ»ΡΡΠ°Π΅ ΠΏΡΠΈΠ³ΠΎΠ΄ΡΡΡΡ ΡΠ΅ΡΡΠ΅ΠΆΠΈ Ρ ΡΠΎΡΠ½ΡΠΌΠΈ ΡΠ°Π·ΠΌΠ΅ΡΠ°ΠΌΠΈ Π±ΡΠ΄ΡΡΠ΅ΠΉ ΠΊΠΎΠ½ΡΡΡΡΠΊΡΠΈΠΈ.
Π‘ ΡΠ΅Π³ΠΎ Π½Π°ΡΠ°ΡΡ ΠΈΠ·Π³ΠΎΡΠΎΠ²Π»Π΅Π½ΠΈΠ΅ Π΄ΠΎΠΌΠΈΠΊΠ°
ΠΠ»Ρ ΡΠΎΠ³ΠΎ ΡΡΠΎΠ±Ρ ΠΊΠΎΡΠ°ΡΠΈΠΉ Π΄ΠΎΠΌΠΈΠΊ ΠΏΠΎΠ½ΡΠ°Π²ΠΈΠ»ΡΡ ΠΏΠΈΡΠΎΠΌΡΡ ΠΈ Π±ΡΠ» ΡΠ΄ΠΎΠ±Π½ΡΠΌ Π΄Π»Ρ ΡΠ½Π° ΠΈ ΠΈΠ³Ρ, Π½Π΅ΠΎΠ±Ρ
ΠΎΠ΄ΠΈΠΌΠΎ ΡΡΠ°ΡΠ΅Π»ΡΠ½ΠΎ ΠΏΡΠΎΠ΄ΡΠΌΠ°ΡΡ Π΅Π³ΠΎ Π΄ΠΈΠ·Π°ΠΉΠ½. ΠΠΌΠ΅Π½Π½ΠΎ Ρ ΡΡΠΎΠ³ΠΎ ΠΎΠ±ΡΡΠ½ΠΎ Π½Π°ΡΠΈΠ½Π°ΡΡ. Π Π°Π·ΠΌΠ΅ΡΡ Π΄ΠΎΠ»ΠΆΠ½Ρ Π±ΡΡΡ ΠΏΠΎΠ΄ΠΎΠ±ΡΠ°Π½Ρ ΡΠ°ΠΊ, ΡΡΠΎΠ±Ρ Π³ΠΎΡΠΎΠ²ΠΎΠ΅ ΠΈΠ·Π΄Π΅Π»ΠΈΠ΅ Π±ΡΠ»ΠΎ ΠΏΡΠΎΡΡΠΎΡΠ½ΡΠΌ. ΠΡΠ»ΠΈ ΡΠΌΠ°ΡΡΠ΅ΡΠΈΡΡ Β«Π²ΠΏΡΠΈΡΡΠΊΒ», ΠΆΠΈΠ²ΠΎΡΠ½ΠΎΠ΅ Π½Π΅ ΠΏΠΎΡΡΠ²ΡΡΠ²ΡΠ΅Ρ Ρ Π΅Π±Ρ Π² Π½ΡΠΌ ΠΊΠΎΠΌΡΠΎΡΡΠ½ΠΎ.
ΠΡΠΈΠΌΠ΅Ρ ΡΠ΅ΡΡΠ΅ΠΆΠ°
ΠΠ° ΡΡ Π΅ΠΌΠ΅ ΠΏΡΠ΅Π΄ΡΡΠ°Π²Π»Π΅Π½Ρ ΡΠΎΠ»ΡΠΊΠΎ ΠΎΡΠ½ΠΎΠ²Π½ΡΠ΅ ΡΠ°ΡΡΠΈ ΠΊΠΎΡΠ°ΡΡΠ΅Π³ΠΎ Π΄ΠΎΠΌΠΈΠΊΠ°. ΠΠΎ ΠΊ Π½ΠΈΠΌ Π΅ΡΡ ΠΌΠΎΠ³ΡΡ Π±ΡΡΡ Π΄ΠΎΠ±Π°Π²Π»Π΅Π½Ρ ΠΊΠΎΠ³ΡΠ΅ΡΠΎΡΠΊΠΈ, ΡΡΠΎΠ»Π±ΠΈΠΊΠΈ, ΠΏΠΎ ΠΊΠΎΡΠΎΡΡΠΌ ΠΆΠΈΠ²ΠΎΡΠ½ΠΎΠ΅ ΡΠΌΠΎΠΆΠ΅Ρ Π»Π°Π·ΠΈΡΡ, Π΄ΠΎΠΏΠΎΠ»Π½ΠΈΡΠ΅Π»ΡΠ½ΡΠ΅ ΠΎΡΠΊΡΡΡΡΠ΅ Π»Π΅ΠΆΠ°Π½ΠΊΠΈ. ΠΡΠ»ΠΈ Ρ ΠΎΠ·ΡΠ΅Π²Π° ΡΠ²ΡΡΠ΄ΠΎ ΡΠ΅ΡΠΈΠ»ΠΈ ΡΠ΄Π΅Π»Π°ΡΡ Π΄ΠΎΠΌΠΈΠΊΠΈ Π΄Π»Ρ ΠΊΠΎΡΠ΅ΠΊ ΡΠ²ΠΎΠΈΠΌΠΈ ΡΡΠΊΠ°ΠΌΠΈ, ΡΠ΅ΡΡΠ΅ΠΆΠΈ ΠΌΠΎΠΆΠ½ΠΎ Π·Π°ΠΊΠ°Π·Π°ΡΡ ΠΈ Ρ ΡΠΏΠ΅ΡΠΈΠ°Π»ΠΈΡΡΠΎΠ².
ΠΠΎΠΊΠΎΠ²ΡΠ΅ ΡΡΠ΅Π½ΠΊΠΈ 2 Π΄Π΅ΡΠ°Π»ΠΈ, ΠΏΠ΅ΡΠ΅Π΄Π½ΡΡ ΠΈ Π·Π°Π΄Π½ΡΡ ΡΡΠ΅Π½ΠΊΠ° (ΡΠ°Π·ΠΌΠ΅Ρ Π»Π°Π·Π° ΠΏΡΠΎΠΈΠ·Π²ΠΎΠ»ΡΠ½ΡΠΉ)
Β
ΠΠ°ΡΠ΅ΡΠΈΠ°Π»Ρ ΠΈ ΠΈΠ½ΡΡΡΡΠΌΠ΅Π½ΡΡ
ΠΠ»Ρ ΡΠΎΠ³ΠΎ ΡΡΠΎΠ±Ρ ΡΠΌΠ°ΡΡΠ΅ΡΠΈΡΡ Π΄Π΅ΡΠ΅Π²ΡΠ½Π½ΡΠΉ Π΄ΠΎΠΌΠΈΠΊ, Π½Π΅ΠΎΠ±Ρ ΠΎΠ΄ΠΈΠΌΠΎ Π·Π°ΠΏΠ°ΡΡΠΈΡΡ ΡΠ»Π΅Π΄ΡΡΡΠΈΠΌΠΈ ΠΌΠ°ΡΠ΅ΡΠΈΠ°Π»Π°ΠΌΠΈ:
- ΠΠ΅ΡΠ΅Π²ΠΎ. ΠΠΎΠ΄ΠΎΠΉΠ΄ΡΡ ΡΠ°Π½Π΅ΡΠ° ΡΠΎΠ»ΡΠΈΠ½ΠΎΠΉ 6-12 ΠΌΠΌ, ΠΠ‘Π, ΠΠΠ. ΠΠ°ΡΠ΅ΡΠΈΠ°Π» Π΄ΠΎΠ»ΠΆΠ΅Π½ Π±ΡΡΡ ΠΏΠΎΠ»Π½ΠΎΡΡΡΡ ΡΡΡ ΠΎΠΉ ΠΈ Π½Π΅ ΠΈΠΌΠ΅ΡΡ Π½ΠΈΠΊΠ°ΠΊΠΎΠ³ΠΎ Π·Π°ΠΏΠ°Ρ Π°.
- Π‘ΠΏΠΈΡΠ°Π»ΡΠ½Π°Ρ Π²Π΅ΡΡΠ²ΠΊΠ° ΠΈΠ· Π΄ΠΆΡΡΠ° ΠΈΠ»ΠΈ ΠΏΠ΅Π½ΡΠΊΠΈ Π΄ΠΈΠ°ΠΌΠ΅ΡΡΠΎΠΌ 10-12 ΠΌΠΌ. ΠΡΠ»ΠΈ Π²ΡΠ±ΡΠ°ΡΡ ΠΌΠ°ΡΠ΅ΡΠΈΠ°Π», Π·Π°Π²ΠΈΡΡΠΉ ΠΊΡΠ΅ΡΡΠΎΠΎΠ±ΡΠ°Π·Π½ΠΎ, ΡΠΎ ΠΊΠΎΡΠΊΠ° ΠΌΠΎΠΆΠ΅Ρ ΠΏΠΎΠ²ΡΠ΅Π΄ΠΈΡΡ ΠΊΠΎΠ³ΡΠΈ. ΠΡΠΎΠΌΠ΅ ΡΡΠΎΠ³ΠΎ, Π½Π΅ ΠΏΠΎΠ΄ΠΎΠΉΠ΄ΡΡ ΡΠΈΠ½ΡΠ΅ΡΠΈΠΊΠ°.
- ΠΠΎΡΠΎΠ»ΠΎΠ½ Π΄Π»Ρ ΠΎΠ±ΠΈΠ²ΠΊΠΈ ΠΌΠ΅Π±Π΅Π»ΠΈ. ΠΠΎΠΆΠ½ΠΎ Π±ΡΠ²ΡΠΈΠΉ Π² ΡΠΏΠΎΡΡΠ΅Π±Π»Π΅Π½ΠΈΠΈ.
- ΠΠ΅Π±Π΅Π»ΡΠ½Π°Ρ ΡΠΊΠ°Π½Ρ (ΠΏΠ»ΠΎΡΠ½Π°Ρ) ΠΈΠ»ΠΈ ΠΎΡΡΠ΅Π· ΠΊΠΎΠ²ΡΠΎΠ»ΠΈΠ½Π°. Π₯ΠΎΡΠΎΡΠΈΠΌ Π²Π°ΡΠΈΠ°Π½ΡΠΎΠΌ Π±ΡΠ΄Π΅Ρ ΠΈΡΠΏΠΎΠ»ΡΠ·ΠΎΠ²Π°Π½ΠΈΠ΅ Π½Π΅ Π½ΠΎΠ²ΡΡ
ΠΌΠ°ΡΠ΅ΡΠΈΠ°Π»ΠΎΠ², Π° ΡΠ΅Ρ
, ΠΊΠΎΡΠΎΡΡΠ΅ ΠΈΠΌΠ΅ΡΡ Π·Π°ΠΏΠ°Ρ
Ρ
ΠΎΠ·ΡΠ΅Π² ΠΆΠΈΠ²ΠΎΡΠ½ΠΎΠ³ΠΎ.

- ΠΠ»Π΅ΠΉ ΠΠΠ.
- ΠΠ΅Π»ΠΊΠΈΠ΅ Π³Π²ΠΎΠ·Π΄ΠΈ (Π½Π΅ Π±ΠΎΠ»ΡΡΠ΅ 20 ΠΌΠΌ) ΠΈ ΡΠ°ΠΌΠΎΡΠ΅Π·Ρ.
- ΠΡΠΎΡΠ½ΡΠ΅ Π½ΠΈΡΠΈ, ΡΠΊΠΎΡΡ.
- ΠΠ΅ΡΠ΅Π²ΡΠ½Π½ΡΠ΅ ΡΡΠΎΠ»Π±ΠΈΠΊΠΈ ΠΈΠ»ΠΈ ΠΎΠ±ΡΡΠ½ΡΠ΅ ΡΠΎΠ½ΠΊΠΈΠ΅ Π±ΡΡΠ²Π½Π°.
Π’ΠΊΠ°Π½ΠΈ ΠΈ Π½ΠΈΡΠΊΠΈ ΠΈΠ· ΡΡΠ»ΠΊΠ° Π½Π΅Π»ΡΠ·Ρ ΠΈΡΠΏΠΎΠ»ΡΠ·ΠΎΠ²Π°ΡΡ Π΄Π»Ρ ΡΡΡΠΎΠΈΡΠ΅Π»ΡΡΡΠ²Π° ΠΊΠΎΡΠ°ΡΡΠ΅Π³ΠΎ Π΄ΠΎΠΌΠΈΠΊΠ°. ΠΠΈΠ²ΠΎΡΠ½ΠΎΠ΅ Π±ΡΠ΄Π΅Ρ ΡΡΡΠ°Π΄Π°ΡΡ ΠΎΡ ΠΏΠΎΡΡΠΎΡΠ½Π½ΡΡ ΡΠ΄Π°ΡΠΎΠ² ΡΠΎΠΊΠΎΠΌ. Π’ΠΊΠ°Π½ΠΈ ΠΈΠ· ΡΠ΅ΡΡΡΠΈ ΠΏΠ»ΠΎΡ ΠΎ ΠΏΠΎΠ΄Π΄Π°ΡΡΡΡ ΡΡ ΠΎΠ΄Ρ, Π·Π°Π΄Π΅ΡΠΆΠΈΠ²Π°ΡΡ Π½Π° ΡΠ΅Π±Π΅ ΠΏΠΎΡ ΠΈ Π±ΡΡΡΡΠΎ Π½Π°ΡΠΈΠ½Π°ΡΡ Π³Π½ΠΈΡΡ.
ΠΠ»Ρ ΡΠΎΠ³ΠΎ ΡΡΠΎΠ±Ρ ΡΠ΄Π΅Π»Π°ΡΡ Π΄ΠΎΠΌΠΈΠΊ Π΄Π»Ρ ΠΊΠΎΡΠΊΠΈ ΠΈΠ· ΠΌΠ°ΡΠ΅ΡΠΈΠ°Π»ΠΎΠ², ΠΎΠΏΠΈΡΠ°Π½Π½ΡΡ Π²ΡΡΠ΅, ΠΏΠΎΡΡΠ΅Π±ΡΠ΅ΡΡΡ Π½Π΅Ρ ΠΈΡΡΡΠΉ Π½Π°Π±ΠΎΡ ΠΈΠ½ΡΡΡΡΠΌΠ΅Π½ΡΠΎΠ²:
- ΠΌΠΎΠ»ΠΎΡΠΎΠΊ;
- ΠΎΡΡΡΡΠΉ Π½ΠΎΠΆ;
- Π½ΠΎΠΆΠ½ΠΈΡΡ;
- ΡΠΈΠ»ΠΎ;
- ΠΎΡΠ²ΡΡΡΠΊΠ°;
- ΠΊΠΈΡΡΠΎΡΠΊΠ° Π΄Π»Ρ ΠΊΠ»Π΅Ρ;
- ΡΠ»Π΅ΠΊΡΡΠΈΡΠ΅ΡΠΊΠΈΠΉ Π»ΠΎΠ±Π·ΠΈΠΊ;
- Π΄ΡΠ΅Π»Ρ.
ΠΠ΅ΡΠ°Π»ΠΈ ΠΈΠ· ΡΠΊΠ°Π½ΠΈ ΠΌΠΎΠΆΠ½ΠΎ ΡΡΠΈΠ²Π°ΡΡ Π²ΡΡΡΠ½ΡΡ ΠΈΠ»ΠΈ Π½Π° ΡΠ²Π΅ΠΉΠ½ΠΎΠΉ ΠΌΠ°ΡΠΈΠ½Π΅. ΠΡΠΈ ΡΡΠΎΠΌ Π½Π΅ΠΎΠ±Ρ
ΠΎΠ΄ΠΈΠΌΠΎ ΡΠ»Π΅Π΄ΠΈΡΡ Π·Π° ΡΠ΅ΠΌ, ΡΡΠΎΠ±Ρ ΡΠ²Ρ Π±ΡΠ»ΠΈ ΠΏΡΠΎΡΠ½ΡΠΌΠΈ, ΠΈ Π½ΠΈΠ³Π΄Π΅ Π½Π΅ Π²ΡΡΠΎΠ²ΡΠ²Π°Π»ΠΈΡΡ Π½ΠΈΡΠΊΠΈ. Π§Π°ΡΡΠΎ ΠΊΠΎΡΠΊΠΈ ΡΠΎΡΠ°Ρ ΠΊΠΎΠ³ΡΠΈ Π½Π΅ ΡΠΎΠ»ΡΠΊΠΎ ΠΎ ΡΠΏΠ΅ΡΠΈΠ°Π»ΡΠ½ΡΠ΅ ΠΏΡΠΈΡΠΏΠΎΡΠΎΠ±Π»Π΅Π½ΠΈΡ, Π½ΠΎ ΡΠ°ΠΊΠΆΠ΅ ΠΈ ΠΎ ΠΏΠΎΠ²Π΅ΡΡ
Π½ΠΎΡΡΡ ΡΠ°ΠΌΠΎΠ³ΠΎ Π΄ΠΎΠΌΠΈΠΊΠ°. ΠΡΠ»ΠΈ ΠΎΠ±ΠΈΠ²ΠΊΠ° Π½Π΅ΠΊΠ°ΡΠ΅ΡΡΠ²Π΅Π½Π½ΠΎ ΡΡΠΈΡΠ°, ΡΠΎ ΠΎΠ½Π° Π±ΡΡΡΡΠΎ ΠΏΡΠΈΠ΄ΡΡ Π² Π½Π΅Π³ΠΎΠ΄Π½ΠΎΡΡΡ.
ΠΡΠ°Π²ΠΈΠ»Π° ΡΠΊΠ»Π΅ΠΈΠ²Π°Π½ΠΈΡ
ΠΠ»Ρ ΡΠΎΠ³ΠΎ ΡΡΠΎΠ±Ρ ΡΠΊΠ»Π΅Π΅Π½Π½ΡΠ΅ ΠΏΠΎΠ²Π΅ΡΡ Π½ΠΎΡΡΠΈ Π΄Π΅ΡΠΆΠ°Π»ΠΈΡΡ Π½Π°Π΄ΡΠΆΠ½ΠΎ, Π½Π΅ΠΎΠ±Ρ ΠΎΠ΄ΠΈΠΌΠΎ ΡΠΎΠ±Π»ΡΠ΄Π°ΡΡ ΠΎΠΏΡΠ΅Π΄Π΅Π»ΡΠ½Π½ΡΠΉ Π°Π»Π³ΠΎΡΠΈΡΠΌ:
- ΠΠ°Π½Π΅ΡΡΠΈ ΠΊΠ»Π΅ΠΉ Π½Π° ΠΎΠ±Π΅ ΠΏΠΎΠ²Π΅ΡΡ Π½ΠΎΡΡΠΈ ΠΈ Π΄ΠΎΠΆΠ΄Π°ΡΡΡΡ Π΅Π³ΠΎ Π·Π°Π³ΡΡΡΠ΅Π½ΠΈΡ. ΠΠ½ ΡΡΠ°Π½ΠΎΠ²ΠΈΡΡΡ ΠΏΠΎΡΡΠΈ ΠΏΡΠΎΠ·ΡΠ°ΡΠ½ΡΠΌ, Ρ Π΅Π΄ΠΈΠ½ΠΈΡΠ½ΡΠΌΠΈ ΠΏΡΡΠ½Π°ΠΌΠΈ ΠΆΠ΅Π»ΡΠΎΠ²Π°ΡΠΎΠ³ΠΎ ΡΠ²Π΅ΡΠ°.
- ΠΠ΅ΡΠ°Π»ΠΈ ΠΏΡΠΈΠΆΠ°ΡΡ Π΄ΡΡΠ³ ΠΊ Π΄ΡΡΠ³Ρ ΠΈ ΠΏΠΎΠ»ΠΎΠΆΠΈΡΡ ΠΏΠΎΠ΄ ΠΏΡΠ΅ΡΡ.
- ΠΡΡΠ°Π²ΠΈΡΡ Π½Π° 40-60 ΠΌΠΈΠ½.
ΠΡΠ»ΠΈ ΠΏΡΠΈ ΡΠ±ΠΎΡΠΊΠ΅ Π΄ΠΎΠΌΠΈΠΊΠ° ΠΈΡΠΏΠΎΠ»ΡΠ·ΡΡΡ ΠΊΠ»Π΅ΠΉ ΠΈ Π³Π²ΠΎΠ·Π΄ΠΈ, ΡΠΎ ΠΎΡΠ²Π΅ΡΡΡΠΈΡ Π΄Π»Ρ Π½ΠΈΡ ΡΠ»Π΅Π΄ΡΠ΅Ρ Π½Π°ΠΌΠ΅ΡΠΈΡΡ Π·Π°ΡΠ°Π½Π΅Π΅. Π Π½Π° ΡΠΎΡΡΠ΅ ΠΏΡΠΎΡΠΈΠ²ΠΎΠΏΠΎΠ»ΠΎΠΆΠ½ΠΎΠΉ Π΄Π΅ΡΠ°Π»ΠΈ ΡΠ΄Π΅Π»Π°ΡΡ ΡΠ³Π»ΡΠ±Π»Π΅Π½ΠΈΡ ΠΏΡΠΈ ΠΏΠΎΠΌΠΎΡΠΈ ΡΠΈΠ»Π° Π΄ Π»Ρ ΡΠΎΠ³ΠΎ, ΡΡΠΎΠ±Ρ Π³Π²ΠΎΠ·Π΄ΠΈ ΠΏΡΠΈ Π·Π°Π±ΠΈΠ²Π°Π½ΠΈΠΈ Π½Π΅ ΠΏΠΎΡΠ»ΠΈ Π²ΠΊΠΎΡΡ. ΠΡΠΈ ΠΈΡΠΏΠΎΠ»ΡΠ·ΠΎΠ²Π°Π½ΠΈΠΈ ΡΠ°ΠΌΠΎΡΠ΅Π·ΠΎΠ² Π½Π΅ΠΎΠ±Ρ ΠΎΠ΄ΠΈΠΌΠΎ Π½Π΅ Π½Π°ΠΌΠ΅ΡΠ°ΡΡ ΠΌΠ΅ΡΡΠΎ Π²ΠΊΡΡΡΠΈΠ²Π°Π½ΠΈΡ, Π° Π·Π°ΡΠ°Π½Π΅Π΅ ΡΠ΄Π΅Π»Π°ΡΡ ΠΎΡΠ²Π΅ΡΡΡΠΈΡ.
ΠΠΎΠΌΠΈΠΊ ΠΈΠ· ΠΊΠΎΡΠΎΠ±ΠΊΠΈ
Π‘ΠΌΠ°ΡΡΠ΅ΡΠΈΡΡ ΠΆΠΈΠ»ΠΈΡΠ΅ ΠΈΠ· ΡΠ°Π½Π΅ΡΡ ΠΈΠ»ΠΈ Π΄ΠΎΡΠΎΠΊ Π΄Π»Ρ Π»ΡΠ±ΠΈΠΌΠΎΠ³ΠΎ ΠΏΠΈΡΠΎΠΌΡΠ° ΡΠΌΠΎΠΆΠ΅Ρ Π½Π΅ ΠΊΠ°ΠΆΠ΄ΡΠΉ. ΠΠ»Ρ ΡΡΠΎΠ³ΠΎ ΡΡΠ΅Π±ΡΡΡΡΡ ΠΎΠΏΡΠ΅Π΄Π΅Π»ΡΠ½Π½ΡΠ΅ Π½Π°Π²ΡΠΊΠΈ ΡΠ°Π±ΠΎΡΡ Ρ Π»ΠΎΠ±Π·ΠΈΠΊΠΎΠΌ, Π΄ΡΠ΅Π»ΡΡ ΠΈ ΡΠΌΠ΅Π½ΠΈΠ΅ Π΄Π΅Π»Π°ΡΡ ΡΠ΅ΡΡΠ΅ΠΆΠΈ ΠΈ Π²ΡΠΊΡΠΎΠΉΠΊΠΈ. Π Π²ΠΎΡ ΡΠ΄Π΅Π»Π°ΡΡ Π΄ΠΎΠΌΠΈΠΊ Π΄Π»Ρ ΠΊΠΎΡΠΊΠΈ ΡΠ²ΠΎΠΈΠΌΠΈ ΡΡΠΊΠ°ΠΌΠΈ ΠΈΠ· ΠΊΠΎΡΠΎΠ±ΠΊΠΈ ΠΏΠΎΠ΄ ΡΠΈΠ»Ρ Π΄Π°ΠΆΠ΅ ΠΆΠ΅Π½ΡΠΈΠ½Π°ΠΌ ΠΈ Π΄Π΅ΡΡΠΌ.
ΠΠΎΡΠ°Π³ΠΎΠ²Π°Ρ ΠΈΠ½ΡΡΡΡΠΊΡΠΈΡ
ΠΠ½Π΅ΡΠ½Π΅Π΅ ΠΎΡΠΎΡΠΌΠ»Π΅Π½ΠΈΠ΅ Π·Π°Π²ΠΈΡΠΈΡ ΠΎΡ ΡΠ°Π½ΡΠ°Π·ΠΈΠΈ ΠΈ ΡΠ²ΠΎΡΡΠ΅ΡΠΊΠΈΡ ΡΠΏΠΎΡΠΎΠ±Π½ΠΎΡΡΠ΅ΠΉ Ρ ΠΎΠ·ΡΠΈΠ½Π°. ΠΠ»Ρ ΠΊΡΠ°ΡΠΎΡΡ ΠΌΠΎΠΆΠ½ΠΎ ΡΠ΄Π΅Π»Π°ΡΡ Π°ΠΏΠΏΠ»ΠΈΠΊΠ°ΡΠΈΠΈ ΠΈΠ· ΡΠ²Π΅ΡΠ½ΡΡ Π»ΠΎΡΠΊΡΡΠΊΠΎΠ² Π² Π²ΠΈΠ΄Π΅ ΡΡΠ°Π²Π½Π΅ΠΉ Π½Π° ΠΎΠΊΠ½Π°Ρ . ΠΠ°Π΄ Π²Ρ ΠΎΠ΄ΠΎΠΌ Π² Π΄ΠΎΠΌ ΡΠΌΠ°ΡΡΠ΅ΡΠΈΡΡ ΠΈΠΌΠΈΡΠ°ΡΠΈΡ Π΄Π²Π΅ΡΠ½ΠΎΠ³ΠΎ Π·Π²ΠΎΠ½ΠΊΠ°.
ΠΠ½ΡΡΡΡΠΊΡΠΈΡ:
- ΠΠ»Ρ Π½Π°ΡΠ°Π»Π° Π½Π΅ΠΎΠ±Ρ ΠΎΠ΄ΠΈΠΌΠΎ Π²ΡΠ±ΡΠ°ΡΡ ΠΏΠΎΠ΄Ρ ΠΎΠ΄ΡΡΡΡ ΠΊΠ°ΡΡΠΎΠ½Π½ΡΡ ΠΊΠΎΡΠΎΠ±ΠΊΡ. ΠΠ½Π° Π΄ΠΎΠ»ΠΆΠ½Π° Π±ΡΡΡ ΠΏΡΠΎΡΡΠΎΡΠ½ΠΎΠΉ, Π½Π΅ΠΏΠΎΠ²ΡΠ΅ΠΆΠ΄ΡΠ½Π½ΠΎΠΉ, Π±Π΅Π· ΠΏΠΎΡΡΠΎΡΠΎΠ½Π½ΠΈΡ Π·Π°ΠΏΠ°Ρ ΠΎΠ².
- ΠΡΠΈ ΠΏΠΎΠΌΠΎΡΠΈ ΠΊΠ°ΡΠ°Π½Π΄Π°ΡΠ° Π½Π΅ΠΎΠ±Ρ ΠΎΠ΄ΠΈΠΌΠΎ Π½Π°ΠΌΠ΅ΡΠΈΡΡ ΠΌΠ΅ΡΡΠΎ, Π³Π΄Π΅ Π±ΡΠ΄Π΅Ρ Π²Ρ ΠΎΠ΄ Π² Π΄ΠΎΠΌΠΈΠΊ ΠΈ Π°ΠΊΠΊΡΡΠ°ΡΠ½ΠΎ Π΅Π³ΠΎ Π²ΡΡΠ΅Π·Π°ΡΡ. ΠΡΠΈ ΠΆΠ΅Π»Π°Π½ΠΈΠΈ ΠΌΠΎΠΆΠ½ΠΎ ΡΠ΄Π΅Π»Π°ΡΡ ΠΎΡΠ²Π΅ΡΡΡΠΈΡ ΡΠΎ Π²ΡΠ΅Ρ ΡΡΠΎΡΠΎΠ½ ΠΊΠΎΡΠΎΠ±ΠΊΠΈ. ΠΡΠΎΡΠΌΠΈΡΡ ΠΈΡ Π² Π²ΠΈΠ΄Π΅ Π΄Π²Π΅ΡΠ΅ΠΉ ΠΈ ΠΎΠΊΠΎΡΠ΅ΠΊ. ΠΡΠΎ ΡΠ²ΠΎΠ΅ΠΎΠ±ΡΠ°Π·Π½ΡΠΉ Π΄Π΅ΠΊΠΎΡ ΠΊΠΎΡΠ°ΡΡΠ΅Π³ΠΎ ΠΆΠΈΠ»ΡΡ.
- ΠΠΈΠ· ΠΊΠΎΡΠΎΠ±ΠΊΠΈ Π·Π°ΠΊΠ»Π΅ΠΈΡΡ ΠΏΡΠΈ ΠΏΠΎΠΌΠΎΡΠΈ ΡΠΈΡΠΎΠΊΠΎΠ³ΠΎ ΡΠΊΠΎΡΡΠ°
- Π‘Π½Π°ΡΡΠΆΠΈ ΠΈ Π²Π½ΡΡΡΠΈ ΠΊΠΎΡΠΎΠ±ΠΊΡ ΡΠ΅ΠΊΠΎΠΌΠ΅Π½Π΄ΠΎΠ²Π°Π½ΠΎ ΠΎΠ±ΡΠΈΡΡ Π²ΠΎΠΉΠ»ΠΎΡΠ½ΠΎΠΉ ΠΈΠ»ΠΈ Π»ΡΠ±ΠΎΠΉ Π΄ΡΡΠ³ΠΎΠΉ ΠΏΠ»ΠΎΡΠ½ΠΎΠΉ ΡΠΊΠ°Π½ΡΡ. ΠΡΠΎ Π½Π΅ ΡΠΎΠ»ΡΠΊΠΎ ΠΏΡΠΈΠ΄Π°ΡΡ ΡΡΡ Π΄ΠΎΠΌΠΈΠΊΡ, Π½ΠΎ ΠΈ ΡΠΊΡΠ΅ΠΏΠΈΡ Π΅Π³ΠΎ.
- ΠΠ½ΠΎ ΠΊΠΎΡΠΎΠ±ΠΊΠΈ, ΠΈΠ³ΡΠ°ΡΡΠ΅Π΅ ΡΠΎΠ»Ρ ΠΏΠΎΠ»Π°, ΠΎΠ±ΡΠΈΠ²Π°ΡΡ Π½Π΅ Π½ΡΠΆΠ½ΠΎ. Π ΠΊΠ°ΡΠ΅ΡΡΠ²Π΅ ΠΏΠΎΠ΄ΡΡΠΈΠ»ΠΊΠΈ Π»ΡΡΡΠ΅ Π²ΡΠ΅Π³ΠΎ ΠΈΡΠΏΠΎΠ»ΡΠ·ΠΎΠ²Π°ΡΡ ΠΊΠΎΠ²ΡΠΎΠ»ΠΈΠ½.
- ΠΡΡΡΡ Π΄Π΅Π»Π°ΡΡ ΠΏΠ»ΠΎΡΠΊΠΎΠΉ ΠΈΠ»ΠΈ ΠΎΡΠΎΡΠΌΠ»ΡΡΡ Π±ΠΎΠ»Π΅Π΅ ΠΎΡΠΈΠ³ΠΈΠ½Π°Π»ΡΠ½ΠΎ.
ΠΠ»Ρ ΡΡΠΎΠ³ΠΎ Π·Π°ΠΊΡΡΠ²Π°ΡΡ Π²Π΅ΡΡ
Π½ΡΡ ΡΠ°ΡΡΡ ΠΊΠΎΡΠΎΠ±ΠΊΠΈ Π½Π΅ Π½ΡΠΆΠ½ΠΎ, Π° ΡΠΎΠ΅Π΄ΠΈΠ½ΠΈΡΡ Π΅Ρ Π±ΠΎΠΊΠΎΠ²ΡΠ΅ Β«ΡΡΠΈΒ» ΠΏΡΠΈ ΠΏΠΎΠΌΠΎΡΠΈ ΡΠΊΠΎΡΡΠ°.
ΠΠΎΠΌ ΠΈΠ· ΠΊΠΎΡΠΎΠ±ΠΊΠΈ ΠΈ ΡΡΡΠ±ΠΎΠ»ΠΊΠΈ
ΠΠ° ΠΈΠ·Π³ΠΎΡΠΎΠ²Π»Π΅Π½ΠΈΠ΅ ΡΠ°ΠΊΠΎΠ³ΠΎ ΠΊΠΎΡΠ°ΡΡΠ΅Π³ΠΎ ΠΆΠΈΠ»ΡΡ ΡΡΠ°ΡΠΈΡΡΡ ΠΌΠΈΠ½ΠΈΠΌΡΠΌ ΠΌΠ°ΡΠ΅ΡΠΈΠ°Π»ΠΎΠ², ΡΠΈΠ» ΠΈ Π²ΡΠ΅ΠΌΠ΅Π½ΠΈ. Π§ΡΠΎ ΠΏΠΎΠ½Π°Π΄ΠΎΠ±ΠΈΡΡΡ:
- ΠΊΠ°ΡΡΠΎΠ½Π½Π°Ρ ΠΊΠΎΡΠΎΠ±ΠΊΠ°;
- Π½ΠΎΠΆΠ½ΠΈΡΡ;
- ΡΡΠ°ΡΠ°Ρ ΡΡΡΠ±ΠΎΠ»ΠΊΠ°;
- ΠΌΠ΅Π±Π΅Π»ΡΠ½ΡΠΉ ΠΏΠΎΡΠΎΠ»ΠΎΠ½;
- ΠΊΠ»Π΅ΠΉ ΠΠΠ;
- ΠΊΠΈΡΡΠΎΡΠΊΠ° Π΄Π»Ρ ΠΊΠ»Π΅Ρ;
- ΠΈΠ³Π»Π° ΠΈ ΡΠΎΠ»ΡΡΠ°Ρ Π½ΠΈΡΡ.
ΠΠΎΡΠ°Π³ΠΎΠ²Π°Ρ ΠΈΠ½ΡΡΡΡΠΊΡΠΈΡ:
- ΠΠΎΠ΄Π³ΠΎΡΠΎΠ²ΠΈΡΡ ΡΡΡΠ±ΠΎΠ»ΠΊΡ. ΠΠ»Ρ ΡΡΠΎΠ³ΠΎ Π½Π΅ΠΎΠ±Ρ ΠΎΠ΄ΠΈΠΌΠΎ Π²ΡΠ²Π΅ΡΠ½ΡΡΡ Π΅Ρ Π½Π°ΠΈΠ·Π½Π°Π½ΠΊΡ ΠΈ Π½Π°Π³Π»ΡΡ ΠΎ Π·Π°ΡΠΈΡΡ ΡΡΠΊΠ°Π²Π°. ΠΠ΅Π½ΡΠΆΠ½ΠΎΠ΅ ΠΎΡΡΠ΅Π·Π°ΡΡ.
- ΠΠ°ΠΌΠ΅ΡΠΈΡΡ ΠΌΠ΅ΡΡΠΎ Π΄Π»Ρ Π²Ρ ΠΎΠ΄Π°. ΠΠ³ΠΎ Π΄Π΅Π»Π°ΡΡ ΠΊΡΡΠ³Π»ΡΠΌ, ΠΏΠΎ ΡΠ°Π·ΠΌΠ΅ΡΡ Π³ΠΎΡΠ»ΠΎΠ²ΠΈΠ½Ρ ΡΡΡΠ±ΠΎΠ»ΠΊΠΈ.
- ΠΠΎΡΠ»Π΅ ΡΠΎΠ³ΠΎ ΠΊΠ°ΠΊ Π²Ρ ΠΎΠ΄ Π² Π±ΡΠ΄ΡΡΠΈΠΉ Π΄ΠΎΠΌΠΈΠΊ Π²ΡΡΠ΅Π·Π°Π½, Π·Π°ΠΊΡΡΠ²Π°ΡΡ Π²Π΅ΡΡ ΠΈ Π½ΠΈΠ· ΠΊΠΎΡΠΎΠ±ΠΊΠΈ ΡΠΊΠΎΡΡΠ΅ΠΌ ΠΈ ΠΏΡΠΈΡΡΡΠΏΠ°ΡΡ ΠΊ ΠΎΠΊΠ»Π΅ΠΉΠΊΠ΅ Π²Π½Π΅ΡΠ½ΠΈΡ ΡΡΠ΅Π½ΠΎΠΊ ΠΊΠΎΡΠΎΠ±ΠΊΠΈ ΠΏΠΎΡΠΎΠ»ΠΎΠ½ΠΎΠΌ.
- Π§ΡΠΎΠ±Ρ ΡΠΈΠΊΡΠ°ΡΠΈΡ Π΄Π΅ΡΠ°Π»Π΅ΠΉ Π±ΡΠ»Π° ΠΏΡΠΎΡΠ½ΠΎΠΉ, ΠΊΠ»Π΅ΠΉ Π½Π°Π½Π΅ΡΡΠΈ Π² Π²ΠΈΠ΄Π΅ ΡΠΎΠ»Π½Π΅ΡΠ½ΡΡ
Π»ΡΡΠ΅ΠΉ ΠΎΡ ΡΠ΅Π½ΡΡΠ° ΠΏΠΎΠ²Π΅ΡΡ
Π½ΠΎΡΡΠΈ ΠΊ Π΅Ρ ΠΊΡΠ°ΡΠΌ. ΠΠΎΠΆΠ½ΠΎ Π²ΠΎΡΠΏΠΎΠ»ΡΠ·ΠΎΠ²Π°ΡΡΡΡ Π΄Π²ΡΡ
ΡΡΠΎΡΠΎΠ½Π½ΠΈΠΌ ΡΠΊΠΎΡΡΠ΅ΠΌ. ΠΠΎ ΠΏΡΠΈΠΊΠ»Π΅ΠΈΠ²Π°ΡΡ Π΅Π³ΠΎ ΠΊ ΠΊΠΎΡΠΎΠ±ΠΊΠ΅ ΡΠ»Π΅Π΄ΡΠ΅Ρ ΡΠΎΡΠ½ΠΎ ΡΠ°ΠΊ ΠΆΠ΅ Π² Π²ΠΈΠ΄Π΅ Π»ΡΡΠΈΠΊΠΎΠ².
- ΠΠ°Π΄Π΅ΡΡ ΡΡΡΠ±ΠΎΠ»ΠΊΡ. Π‘Π½Π°ΡΠ°Π»Π° ΡΠΈΠΊΡΠΈΡΡΠ΅ΡΡΡ Π³ΠΎΡΠ»ΠΎΠ²ΠΈΠ½Π° Π½Π° Π²Ρ ΠΎΠ΄Π΅ Π² Π΄ΠΎΠΌΠΈΠΊ ΠΏΡΠΈ ΠΏΠΎΠΌΠΎΡΠΈ ΡΠΎΠ»ΡΡΠΎΠΉ ΠΈΠ³Π»Ρ ΠΈ ΠΏΡΠΎΡΠ½ΠΎΠΉ Π½ΠΈΡΠΊΠΈ.
- ΠΠ°ΡΠ΅ΠΌ Π½Π΅ΠΎΠ±Ρ ΠΎΠ΄ΠΈΠΌΠΎ ΠΎΠ±ΡΡΠ½ΡΡΡ Π²ΡΡ ΠΊΠΎΡΠΎΠ±ΠΊΡ ΡΡΡΠ±ΠΎΠ»ΠΊΠΎΠΉ ΠΈ Π·Π°ΡΠΈΡΡ Π΅Ρ Π½Π° Π·Π°Π΄Π½Π΅ΠΉ ΡΡΠ΅Π½ΠΊΠ΅. ΠΠ΅Π½ΡΠΆΠ½ΠΎΠ΅ ΠΎΡΡΠ΅Π·Π°ΡΡ.
- Π¨ΠΎΠ² ΠΌΠΎΠΆΠ½ΠΎ ΡΠ°ΠΊ ΠΈ ΠΎΡΡΠ°Π²ΠΈΡΡ, Π΅ΡΠ»ΠΈ Π΄ΠΎΠΌΠΈΠΊ Π½Π΅ Π±ΡΠ΄Π΅Ρ ΠΏΠΎΠ²ΠΎΡΠ°ΡΠΈΠ²Π°ΡΡΡΡ, ΠΈΠ»ΠΈ Π΄Π΅ΠΊΠΎΡΠΈΡΠΎΠ²Π°ΡΡ ΡΠ²Π΅ΡΠ½ΠΎΠΉ ΡΠΊΠ°Π½ΡΡ.
- ΠΠ½ΡΡΡΡ Π½ΠΎΠ²ΠΎΠ³ΠΎ ΠΊΠΎΡΠ°ΡΡΠ΅Π³ΠΎ ΠΆΠΈΠ»ΡΡ ΠΏΠΎΠ»ΠΎΠΆΠΈΡΡ ΠΌΡΠ³ΠΊΡΡ ΠΏΠΎΠ΄ΡΡΠΈΠ»ΠΊΡ, ΠΊΠΎΡΠΎΡΠ°Ρ Ρ ΠΎΡΠΎΡΠΎ ΠΏΠΎΠ΄Π΄Π°ΡΡΡΡ ΡΠ°Π½ΠΈΡΠ°ΡΠ½ΠΎΠΉ ΠΎΠ±ΡΠ°Π±ΠΎΡΠΊΠ΅.
Π Π°Π·ΠΌΠ΅ΡΡ Π΄ΠΎΠΌΠΈΠΊΠ° Π΄Π»Ρ ΠΊΠΎΡΠΊΠΈ Ρ ΠΎΠ·ΡΠΈΠ½ ΠΏΠΎΠ΄Π±ΠΈΡΠ°Π΅Ρ ΡΠ°ΠΌΠΎΡΡΠΎΡΡΠ΅Π»ΡΠ½ΠΎ. Π’ΠΎ, ΠΊΠ°ΠΊΠΈΠΌ Π±ΡΠ΄Π΅Ρ Π½ΠΎΠ²ΠΎΠ΅ ΠΆΠΈΠ»ΡΡ Π΄Π»Ρ ΠΏΠΈΡΠΎΠΌΡΠ°, Π·Π°Π²ΠΈΡΠΈΡ ΠΎΡ ΠΌΠ΅ΡΡΠ° ΠΈ ΡΡΠ½ΠΊΡΠΈΠΈ, ΠΊΠΎΡΠΎΡΡΡ Π΄ΠΎΠΌ Π±ΡΠ΄Π΅Ρ Π²ΡΠΏΠΎΠ»Π½ΡΡΡ.
ΠΡΠ»ΠΈ ΡΡΠΎ ΡΠΎΠ»ΡΠΊΠΎ Π΄ΠΎΠΌΠΈΠΊ Π΄Π»Ρ ΡΠ½Π°, ΡΠΎ ΠΌΠΎΠΆΠ½ΠΎ Π²ΡΠ±ΡΠ°ΡΡ ΠΊΠΎΡΠΎΠ±ΠΊΡ ΠΏΠΎΠΌΠ΅Π½ΡΡΠ΅. Π Π΅ΡΠ»ΠΈ ΠΏΠ»Π°Π½ΠΈΡΡΠ΅ΡΡΡ ΠΌΠ΅ΡΡΠΎ Π΄Π»Ρ ΠΈΠ³Ρ, ΡΠΎ ΡΠ°Π·ΠΌΠ΅ΡΡ ΠΏΠΎΠ΄Π±ΠΈΡΠ°ΡΡΡΡ ΠΏΠΎΠ±ΠΎΠ»ΡΡΠ΅. ΠΠ΄Π΅Π°Π»ΡΠ½ΡΠΌ Π²Π°ΡΠΈΠ°Π½ΡΠΎΠΌ Π±ΡΠ΄Π΅Ρ ΡΠΎΠΎΡΡΠΆΠ΅Π½ΠΈΠ΅ ΠΈΠ· Π½Π΅ΡΠΊΠΎΠ»ΡΠΊΠΈΡ ΠΊΠΎΡΠΎΠ±ΠΎΠΊ Π² Π²ΠΈΠ΄Π΅ ΡΠΎΠ½Π½Π΅Π»Π΅ΠΉ.
ΠΠ°ΡΡΠΎΠ½Π½ΡΠΉ Π΄ΠΎΠΌΠΈΠΊ Π² Π½Π΅ΡΠΊΠΎΠ»ΡΠΊΠΎ ΡΡΠ°ΠΆΠ΅ΠΉ
ΠΠ»Ρ ΡΠ°Π·Π½ΠΎΠΎΠ±ΡΠ°Π·ΠΈΡ ΠΌΠΎΠΆΠ½ΠΎ ΠΏΠΎΡΠ°Π΄ΠΎΠ²Π°ΡΡ Π΄ΠΎΠΌΠ°ΡΠ½Π΅Π³ΠΎ Π»ΡΠ±ΠΈΠΌΡΠ° Π΄Π²ΡΡ
- ΠΈΠ»ΠΈ ΡΡΡΡ
ΡΡΠ°ΠΆΠ½ΡΠΌ ΠΆΠΈΠ»ΠΈΡΠ΅ΠΌ. ΠΠ»Ρ ΡΡΠΎΠ³ΠΎ Π±Π΅ΡΡΡ ΠΊΠ°ΡΡΠΎΠ½Π½ΡΠ΅ ΠΊΠΎΡΠΎΠ±ΠΊΠΈ ΡΠ°Π·Π½ΡΡ
ΠΈΠ»ΠΈ ΠΎΠ΄ΠΈΠ½Π°ΠΊΠΎΠ²ΡΡ
ΡΠ°Π·ΠΌΠ΅ΡΠΎΠ².
Π‘ΠΊΠ»Π΅ΠΈΠ²Π°ΡΡ ΠΈΡ
ΠΏΡΠΈ ΠΏΠΎΠΌΠΎΡΠΈ ΠΠΠ ΠΈΠ»ΠΈ Π΄Π²ΡΡ
ΡΡΠΎΡΠΎΠ½Π½Π΅Π³ΠΎ ΡΠΊΠΎΡΡΠ°.
ΠΡ ΠΎΠ΄ Π½Π° Π²ΡΠΎΡΠΎΠΉ ΡΡΠ°ΠΆ ΠΌΠΎΠΆΠ½ΠΎ ΡΠ΄Π΅Π»Π°ΡΡ Ρ ΠΎΠ΄Π½ΠΎΠΉ ΡΡΠΎΡΠΎΠ½Ρ, Π° ΡΠ°ΠΊΠΆΠ΅ Π² ΠΎΠ΄Π½ΠΎΠΌ ΠΈΠ· ΡΠ³Π»ΠΎΠ² Π΄Π½Π°. Π’Π°ΠΊ ΠΊΠΎΡΠΊΠ° ΡΠΌΠΎΠΆΠ΅Ρ Π·Π°ΠΏΡΡΠ³ΠΈΠ²Π°ΡΡ Π½Π°Π²Π΅ΡΡ Ρ ΠΏΠ΅ΡΠ²ΠΎΠ³ΠΎ ΡΡΠ°ΠΆΠ°. ΠΠΎΠ»ΡΡΠΈΡΡΡ ΡΠ»Π΅ΠΌΠ΅Π½Ρ ΡΠΎΠ½Π½Π΅Π»Ρ. ΠΠΎ Π² ΡΡΠΎΠΌ ΡΠ»ΡΡΠ°Π΅ Π½Π΅ΠΎΠ±Ρ ΠΎΠ΄ΠΈΠΌΠΎ ΠΏΠΎΠ΄ΠΎΠ±ΡΠ°ΡΡ ΠΊΠΎΡΠΎΠ±ΠΊΠΈ ΠΎΠ΄ΠΈΠ½Π°ΠΊΠΎΠ²ΠΎΠ³ΠΎ ΡΠ°Π·ΠΌΠ΅ΡΠ°.
ΠΠ½Π΅ΡΠ½ΠΈΠ΅ ΡΡΠ΅Π½ΠΊΠΈ ΠΊΠ°ΡΡΠΎΠ½Π½ΠΎΠ³ΠΎ Π΄ΠΎΠΌΠΈΠΊΠ° ΠΎΡΡΠ°Π²Π»ΡΡΡ Π±Π΅Π· Π΄Π΅ΠΊΠΎΡΠ° ΠΈΠ»ΠΈ ΠΎΠ±ΠΊΠ»Π΅ΠΈΠ²Π°ΡΡ ΠΏΠ»ΠΎΡΠ½ΠΎΠΉ ΡΠΊΠ°Π½ΡΡ. Π’Π°ΠΊ ΠΎΠ½ ΠΏΡΠΎΡΠ»ΡΠΆΠΈΡ Π΄ΠΎΠ»ΡΡΠ΅.
ΡΠ°Π·ΠΌΠ΅ΡΡ Π΄ΠΎΠΌΠΈΠΊΠ° Π΄Π»Ρ ΠΊΠΎΡΠΊΠΈ ΡΠ²ΠΎΠΈΠΌΠΈ ΡΡΠΊΠ°ΠΌΠΈ β Π²ΡΡΠ°Π²Π»Π΅Π½ΠΎ Π΄Π»Ρ ΠΏΡΠΎΠΏΡΡΠΊΠ° ΡΠΈΡΡΠ΅ΠΌΠΎΠΉ
Π£ Π΄ΠΎΠΌΠΈΠΊΠΎΠ², ΡΠ΄Π΅Π»Π°Π½Π½ΡΡ ΡΠ²ΠΎΠΈΠΌΠΈ ΡΡΠΊΠ°ΠΌΠΈ, Π΅ΡΡΡ ΠΎΠ΄Π½ΠΎ ΠΏΡΠ΅ΠΈΠΌΡΡΠ΅ΡΡΠ²ΠΎ ΠΏΠ΅ΡΠ΅Π΄ Π³ΠΎΡΠΎΠ²ΡΠΌΠΈ ΠΊΠΎΠ½ΡΡΡΡΠΊΡΠΈΡΠΌΠΈ, ΠΊΡΠΏΠ»Π΅Π½Π½ΡΠΌΠΈ Π² Π·ΠΎΠΎΠΌΠ°Π³Π°Π·ΠΈΠ½Π΅. Π‘ΡΡΠ΅ΡΡΠ²ΡΠ΅Ρ ΠΎΠΏΠ°ΡΠ½ΠΎΡΡΡ ΡΠΎΠ³ΠΎ, ΡΡΠΎ Π΄ΠΎΠΌΠ°ΡΠ½ΠΈΠΉ Π»ΡΠ±ΠΈΠΌΠ΅Ρ Π½Π΅ Π±ΡΠ΄Π΅Ρ Π² Π²ΠΎΡΡΠΎΡΠ³Π΅ ΠΎΡ Π½ΠΎΠ²ΠΎΠ³ΠΎ ΠΆΠΈΠ»ΡΡ ΠΈ ΠΏΠΎΠΏΡΠΎΡΡΡ ΠΎΡΠΊΠ°ΠΆΠ΅ΡΡΡ Π² Π½ΡΠΌ ΡΠΏΠ°ΡΡ.
ΠΠ°ΠΊ ΠΏΠΎΡΡΡΠΎΠΈΡΡ ΠΊΠΎΡΠ°ΡΠΈΠΉ Π΄ΠΎΠΌΠΈΠΊ — Ρ ΡΠ΅ΡΡΠ΅ΠΆΠ°ΠΌΠΈ Π‘ΠΊΠ°ΡΠ°ΡΡ
ΠΡΠΆΠ½Ρ Π»ΠΈ ΠΊΠΎΡΠΊΠ°ΠΌ Π΄ΠΎΠΌΠ°? Π‘ΠΏΠΎΡΠ½ΡΠΉ.
ΠΠΎΡ ΠΆΠ΅Π½Π° Ρ ΠΎΡΠ΅Ρ, ΡΡΠΎΠ±Ρ Ρ Π΅Π΅ ΠΊΠΎΡΠΊΠΈ Π±ΡΠ» Π΄ΠΎΠΌ? Π§ΡΠΎ ΠΆ, ΠΎΠ½Π° ΠΏΡΠ΅Π΄Π»ΠΎΠΆΠΈΠ»Π° ΠΌΠ½Π΅ ΡΠ΄Π΅Π»Π°ΡΡ ΡΡΠΎ Π½Π΅ΡΠΊΠΎΠ»ΡΠΊΠΎ ΡΠ°Π·, ΠΏΠΎΠΊΠ° Ρ Π½Π΅ ΡΠ΅ΡΠΈΠ»ΡΡ ΡΡΠΎ ΡΠ΄Π΅Π»Π°ΡΡ.
Π ΡΡΠΎΡ ΠΏΠΎΡΡ Π±ΡΠ΄ΡΡ Π²ΠΊΠ»ΡΡΠ΅Π½Ρ ΡΠΎΡΠΎΠ³ΡΠ°ΡΠΈΠΈ Π΄ΠΎΠΌΠ°, ΠΊΠΎΡΠΎΡΡΠΉ Ρ ΡΠ΄Π΅Π»Π°Π» Π΄Π»Ρ Π½Π°ΡΠ΅Π³ΠΎ ΠΊΠΎΡΠ΅Π½ΠΊΠ°, Π½Π΅ΡΠΊΠΎΠ»ΡΠΊΠΎ ΡΠΎΠ²Π΅ΡΠΎΠ², ΠΊΠΎΡΠΎΡΡΠ΅ Ρ ΡΠ·Π½Π°Π» ΠΏΡΠΈ ΡΠΎΠ·Π΄Π°Π½ΠΈΠΈ ΠΏΡΠΎΡΠΎΡΠΈΠΏΠ°, ΠΈ ΡΠ΅Ρ
Π½ΠΈΡΠ΅ΡΠΊΠΈΠ΅ ΡΠ΅ΡΡΠ΅ΠΆΠΈ, ΠΊΠΎΡΠΎΡΡΠ΅ Ρ ΡΠΎΠ·Π΄Π°Π» Π² SolidWorks (Π΄ΠΎΡΡΡΠΏΠ½Ρ Π΄Π»Ρ Π·Π°Π³ΡΡΠ·ΠΊΠΈ).
ΠΡΠ»ΠΈ Ρ Π²Π°Ρ Ρ
ΠΎΡΡ Π½Π΅ΠΌΠ½ΠΎΠ³ΠΎ ΠΏΠΎΠ»ΡΡΠ°Π΅ΡΡΡ, Π²Ρ ΠΌΠΎΠΆΠ΅ΡΠ΅ ΡΠΎΠ±ΡΠ°ΡΡ ΡΡΠΎ-Π½ΠΈΠ±ΡΠ΄Ρ ΠΈΠ· ΡΡΠΎΠ³ΠΎ.
ΠΡΡΠ΅ ΠΏΡΠ΅Π΄ΡΡΠ°Π²Π»Π΅Π½Ρ ΠΌΠ°ΠΊΠ΅ΡΡ ΠΊΠΎΡΠ°ΡΡΠ΅Π³ΠΎ Π΄ΠΎΠΌΠΈΠΊΠ°, ΠΊΠΎΡΠΎΡΡΠΉ Ρ ΡΠΏΡΠΎΠ΅ΠΊΡΠΈΡΠΎΠ²Π°Π» Π² SolidWorks, ΠΏΡΠΎΠ³ΡΠ°ΠΌΠΌΠ΅ 3D CAD.
ΠΠΎΠ΅ ΠΈΡΡΠ»Π΅Π΄ΠΎΠ²Π°Π½ΠΈΠ΅ ΠΏΠΎ ΡΠΎΠ·Π΄Π°Π½ΠΈΡ CH ΡΠΎΡΡΠΎΡΠ»ΠΎ ΠΈΠ· ΠΏΠΎΠΈΡΠΊΠ° Π² Google Β«ΠΠΎΠΌ ΠΊΠΎΡΠ΅ΠΊΒ», ΠΊΠΎΡΠΎΡΡΠΉ Π²ΡΡΠ²ΠΈΠ» Π½Π΅ΠΊΠΎΡΠΎΡΡΠ΅ ΠΈΠ½ΡΠ΅ΡΠ΅ΡΠ½ΡΠ΅ ΡΡΡΠ»ΠΊΠΈ, Π½Π΅ ΠΎΠ±ΡΠ·Π°ΡΠ΅Π»ΡΠ½ΠΎ ΠΎΡΠ½ΠΎΡΡΡΠΈΠ΅ΡΡ ΠΊ ΠΊΠΎΡΠ°ΡΡΠΈΠΌ. ΠΠ»Π°Π²Π½ΠΎΠ΅, ΡΡΠΎ Ρ ΡΠ·Π½Π°Π»: ΠΊΠΎΡΠΊΠΈ Π»ΡΠ±ΡΡ Β«ΡΡΡΠ½ΡΠ΅Β» ΠΆΠΈΠ»ΠΈΡΠ°. Π₯ΠΎΡΠΎΡΠΎ ΠΈΠΌΠ΅ΡΡ ΠΌΠ΅ΡΡΠΎ, Π΄ΠΎΡΡΠ°ΡΠΎΡΠ½ΠΎ Π±ΠΎΠ»ΡΡΠΎΠ΅, ΡΡΠΎΠ±Ρ Π²Π°ΡΠ° ΠΊΠΎΡΠΊΠ° ΠΌΠΎΠ³Π»Π° ΡΠ°Π·Π²Π΅ΡΠ½ΡΡΡΡΡ, Π½ΠΎ Π½Π΅ Π½Π°ΠΌΠ½ΠΎΠ³ΠΎ Π±ΠΎΠ»ΡΡΠ΅. Π’Π°ΠΊΠΈΠΌ ΠΎΠ±ΡΠ°Π·ΠΎΠΌ, ΠΏΡΠΎΡΡΡΠ°Π½ΡΡΠ²ΠΎ Π±ΡΠ΄Π΅Ρ Π΄ΠΎΡΡΠ°ΡΠΎΡΠ½ΠΎ ΠΌΠ°Π»Π΅Π½ΡΠΊΠΈΠΌ, ΡΡΠΎΠ±Ρ ΠΊΠΎΡΠΊΠ° ΠΌΠΎΠ³Π»Π° ΡΠΎΠ³ΡΠ΅ΡΡΡΡ ΡΠ²ΠΎΠΈΠΌ ΡΠ΅ΠΏΠ»ΠΎΠΌ.
Π― ΡΠ°ΠΊΠΆΠ΅ Ρ
ΠΎΡΠ΅Π» ΠΏΠΎΡΡΡΠΎΠΈΡΡ ΡΡΠΎ-ΡΠΎ, ΡΡΠΎ Π² Π±ΠΎΠ»ΡΡΠΈΠ½ΡΡΠ²Π΅ ΡΠ»ΡΡΠ°Π΅Π² Π±ΡΠ»ΠΎ Π±Ρ Β«ΡΠΈΡΠΈΠ½ΠΎΠΉ Π΄ΠΎΡΠΊΠΈΒ» (ΠΎΠ±ΡΡΠ½ΠΎ ΠΌΠ΅ΠΆΠ΄Ρ 11 β³ ΠΈ 11 3/4 β³), ΡΡΠΎΠ±Ρ Ρ ΠΌΠΎΠ³ ΡΠ²Π΅ΡΡΠΈ ΠΏΠΎΡΠ΅Π·Ρ ΠΊ ΠΌΠΈΠ½ΠΈΠΌΡΠΌΡ.Π― ΠΏΠ°ΡΠ΅Π½Ρ ΡΠΎ ΡΠ»ΠΎΠΆΠ½ΠΎΠΉ ΡΠΎΡΡΠΎΠ²ΠΎΡΠ½ΠΎΠΉ ΠΏΠΈΠ»ΠΎΠΉ, ΡΡΡΠ½ΡΠΌ Π»ΠΎΠ±Π·ΠΈΠΊΠΎΠΌ, ΡΠ»Π΅ΠΊΡΡΠΎΠ΄ΡΠ΅Π»ΡΡ, ΡΠΈΡΠΊΡΠ»ΡΡΠ½ΠΎΠΉ ΠΏΠΈΠ»ΠΎΠΉ ΠΈ ΠΌΠ½ΠΎΠ³ΠΈΠΌ Π΄ΡΡΠ³ΠΈΠΌ. Π§ΡΠΎΠ±Ρ ΠΏΠΎΡΡΡΠΎΠΈΡΡ ΡΡΠΎ, ΠΌΠ½Π΅ ΠΏΡΠΈΡΠ»ΠΎΡΡ ΠΏΠΎΠ·Π°ΠΈΠΌΡΡΠ²ΠΎΠ²Π°ΡΡ ΡΡΠ΅Π·Π΅ΡΠ½ΡΠΉ ΡΡΠΎΠ» Ρ ΡΡΠ΅Π·Π΅ΡΠ½ΡΠΌ ΡΠ²Π΅ΡΠ»ΠΎΠΌ, ΡΠ»ΠΈΡΠΎΠ²Π°Π»ΡΠ½ΡΡ ΠΌΠ°ΡΠΈΠ½ΠΊΡ ΠΈ Π½Π°ΡΡΠΎΠ»ΡΠ½ΡΡ ΠΏΠΈΠ»Ρ.
ΠΡΠΎ ΠΏΡΠΈΠ²ΠΎΠ΄ΠΈΡ Π½Π°Ρ ΠΊ ΡΠΏΠΈΡΠΊΡ ΠΈΠ½ΡΡΡΡΠΌΠ΅Π½ΡΠΎΠ².
ΠΠ½ΡΡΡΡΠΌΠ΅Π½ΡΡ (ΠΊΠΎΡΠΎΡΡΠ΅ ΠΌΠ½Π΅ Π½ΡΠΆΠ½Ρ) Π΄Π»Ρ ΡΡΠΎΠ³ΠΎ ΠΏΡΠΎΠ΅ΠΊΡΠ°:
ΠΠ°ΡΠ΅ΡΠΈΠ°Π»Ρ, Π½Π΅ΠΎΠ±Ρ ΠΎΠ΄ΠΈΠΌΡΠ΅ Π΄Π»Ρ ΡΡΠΎΠ³ΠΎ ΠΏΡΠΎΠ΅ΠΊΡΠ°:
(Π‘ΠΏΠ΅ΡΠΈΡΠΈΠΊΠ°ΡΠΈΡ ΠΌΠ°ΡΠ΅ΡΠΈΠ°Π»ΠΎΠ², Π²ΠΊΠ»ΡΡΠ°Ρ ΡΠ΅ΡΡΠ΅ΠΆΠΈ)
Π§ΡΠΎΠ±Ρ Π·Π°Π³ΡΡΠ·ΠΈΡΡ ΠΏΠ»Π°Π½Ρ ΡΡΠΎΠ³ΠΎ ΠΏΡΠΎΠ΅ΠΊΡΠ°, ΡΠ΅Π»ΠΊΠ½ΠΈΡΠ΅ ΠΏΠΎ ΡΡΠΎΠΉ ΡΡΡΠ»ΠΊΠ΅:
Π§Π΅ΡΡΠ΅ΠΆ ΠΊΠΎΡΠ°ΡΡΠ΅Π³ΠΎ Π΄ΠΎΠΌΠΈΠΊΠ° Π§Π΅ΡΡΠ΅ΠΆ ΡΠ΅ΡΡΠ΅ΠΆΠ΅ΠΉ ΠΈ ΠΈΠ½ΡΡΡΡΠΊΡΠΈΠΉ ΠΏΠΎ ΡΠ±ΠΎΡΠΊΠ΅ ΠΊΠΎΡΠ°ΡΡΠ΅Π³ΠΎ Π΄ΠΎΠΌΠΈΠΊΠ°, ΠΏΡΠΈΡΡ Π΄Π»Ρ Π΄ΠΎΠΌΠ°ΡΠ½ΠΈΡ ΠΆΠΈΠ²ΠΎΡΠ½ΡΡ DIY
Π‘ΠΎΠ²Π΅ΡΡ ΠΏΠΎ ΡΡΡΠΎΠΈΡΠ΅Π»ΡΡΡΠ²Ρ ΠΊΠΎΡΠ°ΡΡΠΈΡ Π΄ΠΎΠΌΠΎΠ²:
- ΠΡΠ»ΠΎ ΠΎΠ±Π½Π°ΡΡΠΆΠ΅Π½ΠΎ, ΡΡΠΎ Π² ΡΡΠ΅Π΄Π½Π΅ΠΌ ΡΡΡΠΎΠΏΠΈΠ»Π΅ ΡΡΠ΅Π±ΡΠ΅ΡΡΡ Π±ΠΎΠ»Π΅Π΅ ΡΠ΅ΡΡΠ΅Π·Π½ΡΠΉ Π²ΡΡΠ΅Π·, ΡΠ΅ΠΌ ΠΏΠ»Π°Π½ΠΈΡΠΎΠ²Π°Π»ΠΎΡΡ ΠΈΠ·Π½Π°ΡΠ°Π»ΡΠ½ΠΎ.Π― Π²ΡΡΠ΅Π·Π°Π» Π΅Π³ΠΎ ΠΏΠΎ Π΄ΡΠ³Π΅ Π²ΠΌΠ΅ΡΡΠΎ Π½ΡΠ½Π΅ΡΠ½Π΅ΠΉ ΡΠΎΡΠΌΡ Β«ΠΏΠ΅ΡΠ΅Π²Π΅ΡΠ½ΡΡΠΎΠΉ VΒ», Π½ΠΎ ΠΊΠΎΠ³Π΄Π° Ρ ΡΠ΅ΡΡΠΈΡΠΎΠ²Π°Π» Π΅Π³ΠΎ Ρ ΠΊΠΎΡΠΊΠΎΠΉ, ΠΎΠ½Π° ΡΠΎΠ»ΠΊΠ°Π»Π°ΡΡ ΠΎ Π½Π΅Π³ΠΎ ΡΠΏΠΈΠ½ΠΎΠΉ ΠΈ ΡΠ²Π½ΠΎ ΡΡΠ²ΡΡΠ²ΠΎΠ²Π°Π»Π° ΡΠ΅Π±Ρ ΠΈΠ·Π»ΠΈΡΠ½Π΅ ΡΠ΅ΡΠ½ΠΎΠΉ.
- ΠΠ΅Π½ΡΠΈΠ»ΡΡΠΈΠΎΠ½Π½Π°Ρ ΠΏΡΠΎΡΠ΅Π·Ρ Π½Π° Π·Π°Π΄Π½Π΅ΠΌ ΡΡΡΠΎΠΏΠΈΠ»Π΅ Π½Π΅ ΠΎΠ±ΡΠ·Π°ΡΠ΅Π»ΡΠ½Π°. ΠΠ½ ΡΠ°Π·ΠΌΠ΅ΡΠΎΠΌ Ρ Π²Π΅Π½ΡΠΈΠ»ΡΡΠΎΡ Π΄Π»Ρ ΠΊΠΎΠΌΠΏΡΡΡΠ΅ΡΠ½ΠΎΠ³ΠΎ ΡΠ»ΠΎΡΠ° ΠΈ ΠΌΠΎΠΆΠ΅Ρ Π±ΡΡΡ ΠΏΠΎΠ΄ΠΊΠ»ΡΡΠ΅Π½ ΠΊ 110 Π½Π°ΠΏΡΡΠΆΠ΅Π½ΠΈΡ ΡΠ΅ΡΠ΅Π· ΡΡΠ°Π½ΡΡΠΎΡΠΌΠ°ΡΠΎΡ. ΠΠ΅Π»Π°ΠΉΡΠ΅ ΡΡΠΎ Π½Π° ΡΠ²ΠΎΠΉ ΡΡΡΠ°Ρ
ΠΈ ΡΠΈΡΠΊ (ΠΈ Π΄Π°ΠΉΡΠ΅ ΠΌΠ½Π΅ Π·Π½Π°ΡΡ, ΡΡΠΎ ΠΏΠΎΠ»ΡΡΠΈΡΡΡ, Π΅ΡΠ»ΠΈ Π²Ρ ΡΡΠΎ ΡΠ΄Π΅Π»Π°Π΅ΡΠ΅).
Π ΠΊΠΎΠ½ΡΠ΅ ΠΊΠΎΠ½ΡΠΎΠ², Ρ Π·Π°ΡΠΎΠ²ΡΠ²Π°Π» ΠΏΠΎΠ»ΠΎΡΠ΅Π½ΡΠ΅ Π² Π²Π΅Π½ΡΠΈΠ»ΡΡΠΈΠΎΠ½Π½ΠΎΠ΅ ΠΎΡΠ²Π΅ΡΡΡΠΈΠ΅ Π² ΡΠ°ΠΌΡΠ΅ Ρ
ΠΎΠ»ΠΎΠ΄Π½ΡΠ΅ ΠΌΠ΅ΡΡΡΡ, ΡΡΠΎΠ±Ρ ΡΠ΅ΠΏΠ»ΠΎ ΠΊΠΎΡΠ°ΡΡΠ΅Π³ΠΎ ΡΠ΅Π»Π° ΡΠΎΡ
ΡΠ°Π½ΡΠ»ΠΎ ΡΡΡ. - ΠΠ°ΠΌ Π½ΡΠΆΠ½ΠΎ Π±ΡΠ΄Π΅Ρ ΠΏΡΠΈΠ΄ΡΠΌΠ°ΡΡ ΡΠΎΠ±ΡΡΠ²Π΅Π½Π½ΡΠΉ ΡΠΏΠΎΡΠΎΠ± ΠΊΡΠ΅ΠΏΠ»Π΅Π½ΠΈΡ Π²Π΅ΡΡ Π½Π΅ΠΉ ΡΠ°ΡΡΠΈ ΠΊΠΎΡΠ°ΡΡΠ΅Π³ΠΎ Π΄ΠΎΠΌΠΈΠΊΠ° ΠΊ Π½ΠΈΠΆΠ½Π΅ΠΉ. Π― Π²ΡΡΠ΅Π·Π°Π» ΡΡΠΈ 2 β³ x1 β³ s (ΠΏΠΎ 1 Π΄Π»Ρ ΠΊΠ°ΠΆΠ΄ΠΎΠΉ Π±ΠΎΠΊΠΎΠ²ΠΎΠΉ ΡΡΠ΅Π½Ρ, 1 Π΄Π»Ρ ΠΏΠ΅ΡΠ΅Π΄Π½Π΅ΠΉ ΡΡΠ΅Π½Ρ ΠΈ Π½ΠΈ ΠΎΠ΄Π½ΠΎΠΉ Π΄Π»Ρ Π·Π°Π΄Π½Π΅ΠΉ ΡΡΠ΅Π½Ρ) ΠΈ ΠΈΡΠΏΠΎΠ»ΡΠ·ΠΎΠ²Π°Π» ΠΈΡ , ΡΡΠΎΠ±Ρ Π²ΠΊΡΡΡΠΈΡΡ ΠΈΡ ΡΠ²Π΅ΡΡ Ρ 2-Π³ΠΎ ΡΡΠ°ΠΆΠ° ΠΈ ΡΡΠ΅Π½ 1-Π³ΠΎ ΡΡΠ°ΠΆΠ°.
- ΠΡΠ»ΠΈ Π²Ρ ΠΆΠΈΠ²Π΅ΡΠ΅ Π² ΡΠ°ΠΊΠΎΠΌ ΠΊΠ»ΠΈΠΌΠ°ΡΠ΅, ΠΊΠ°ΠΊ ΠΌΠΎΠΉ (Π²Π΅ΡΡ Π½ΡΡ ΡΠ°ΡΡΡ Π‘ΡΠ΅Π΄Π½Π΅Π³ΠΎ ΠΠ°ΠΏΠ°Π΄Π°), Π²Π°ΠΌ ΠΏΠΎΠ½Π°Π΄ΠΎΠ±ΠΈΡΡΡ ΠΏΠΎΠ΄ΡΡΠΊΠ° Β«ΠΠΎΠ΄ΠΎΠ³ΡΠ΅Π²Π°ΡΠ΅Π»Ρ ΠΊΡΠΎΠ²Π°ΡΠΈ Π΄Π»Ρ Π΄ΠΎΠΌΠ°ΡΠ½ΠΈΡ ΠΆΠΈΠ²ΠΎΡΠ½ΡΡ Β». ΠΠΎΡΠΊΠΎΠ»ΡΠΊΡ ΡΡΠΎΡ Π΄ΠΎΠΌΠΈΠΊ Π΄Π»Ρ Π΄ΠΎΠΌΠ°ΡΠ½ΠΈΡ ΠΆΠΈΠ²ΠΎΡΠ½ΡΡ Π½Π΅Π±ΠΎΠ»ΡΡΠΎΠΉ (ΠΎΠΊΠΎΠ»ΠΎ 10 Π΄ΡΠΉΠΌΠΎΠ² Π² ΡΠΈΡΠΈΠ½Ρ), Ρ ΠΊΡΠΏΠΈΠ» Π³ΡΠ΅Π»ΠΊΡ ΠΌΠ°ΡΠΊΠΈ K&H. Π€ΠΎΡΠΎΠ³ΡΠ°ΡΠΈΡ ΠΏΠΎΠΊΠ°Π·Π°Π½Π° Π²ΡΡΠ΅.
- ΠΡΠΏΠΎΠ»ΡΠ·ΡΠΉΡΠ΅ Π²ΡΠ΅, ΡΡΠΎ ΠΏΠΎΠ΄Ρ
ΠΎΠ΄ΠΈΡ Π΄Π»Ρ ΠΏΠ΅ΡΠ΅Π»Ρ Π·Π°Π΄Π½Π΅ΠΉ Π΄Π²Π΅ΡΠΈ. Π― ΠΈΡΠΏΠΎΠ»ΡΠ·ΠΎΠ²Π°Π» ΡΠΎ, ΡΡΠΎ Π±ΡΠ»ΠΎ Ρ ΠΌΠ΅Π½Ρ ΠΏΠΎΠ΄ ΡΡΠΊΠΎΠΉ, ΠΈΠ· ΠΏΠΎΠ»Π½ΠΎΠ³ΠΎ Π²Π΅Π΄ΡΠ°, ΠΊΠΎΡΠΎΡΠΎΠ΅ ΠΎΡΡΠ°Π²ΠΈΠ» ΠΌΠΎΠΉ Π΄Π΅Π΄ΡΡΠΊΠ°. Π― ΡΡΠΈΡΠ°Ρ, ΡΡΠΎ ΡΡΠΎ ΠΊΠ°ΠΊΠΈΠ΅-ΡΠΎ ΠΏΠ΅ΡΠ»ΠΈ Π΄Π»Ρ ΡΠΊΠ°ΡΠ°, ΠΈ ΠΎΠ½ΠΈ ΠΎΡΠ»ΠΈΡΠ½ΠΎ Π·Π°ΡΠ΅ΠΊΠΎΠΌΠ΅Π½Π΄ΠΎΠ²Π°Π»ΠΈ ΡΠ΅Π±Ρ, ΠΏΠΎΡΠΎΠΌΡ ΡΡΠΎ ΠΎΠ½ΠΈ Π΄ΠΎΡΡΠ°ΡΠΎΡΠ½ΠΎ ΡΠΈΡΠΎΠΊΠΎ ΡΠ°ΡΠΊΡΡΠ²Π°ΡΡΡΡ, ΡΡΠΎΠ±Ρ Π½Π΅ Π±ΡΠ»ΠΎ Π²ΠΈΠ΄Π½ΠΎ ΡΠ²Π΅ΡΠ° ΠΊΡΡΡΠΈ.
ΠΡΠΎ Π΄ΡΡΠ³ΠΎΠ΅: - Π£Π±Π΅Π΄ΠΈΡΠ΅ΡΡ, ΡΡΠΎ ΡΠ²Π΅Ρ ΠΊΡΡΡΠΈ Π² Π·Π°Π΄Π½Π΅ΠΉ ΡΠ°ΡΡΠΈ Π¦Π ΡΠΎΡΡΠ°Π²Π»ΡΠ΅Ρ Π½Π΅ Π±ΠΎΠ»Π΅Π΅ 1 Π΄ΡΠΉΠΌΠ°, ΠΈΠ½Π°ΡΠ΅ ΠΎΠ½ Π±ΡΠ΄Π΅Ρ ΠΌΠ΅ΡΠ°ΡΡ ΠΎΡΠΊΡΡΠ²Π°Π½ΠΈΡ Π·Π°Π΄Π½Π΅ΠΉ Π΄Π²Π΅ΡΠΈ Π½Π° ΠΆΠ΅Π»Π°Π΅ΠΌΡΠ΅ 180 Π³ΡΠ°Π΄ΡΡΠΎΠ².
- ΠΠΎΠ΄ΡΠ΅Π·Π°ΡΡ ΡΠ³ΠΎΠ» ΡΠΊΠΎΡΠ° Π΄Π»Ρ ΡΠ°ΡΡΠ΅ΠΉ ΠΊΡΡΡΠΈ Π±ΡΠ»ΠΎ Π½Π΅ΠΌΠ½ΠΎΠ³ΠΎ ΡΠ»ΠΎΠΆΠ½ΠΎ, ΡΠ°ΠΊ ΡΡΠΎ Π½Π΅ ΡΠΎΡΠΎΠΏΠΈΡΠ΅ΡΡ ΠΈ ΠΏΠΎΠ΄ΡΠΌΠ°ΠΉΡΠ΅ Π½Π°Π΄ ΡΡΠΈΠΌ.ΠΠ΅ ΠΈΡΠΏΠΎΠ»ΡΠ·ΡΠΉΡΠ΅ ΡΠ³Π»Ρ ΡΠΈΡΡΠ½ΠΊΠ° Π² ΠΊΠ°ΡΠ΅ΡΡΠ²Π΅ ΠΎΡΠΈΠ΅Π½ΡΠΈΡΠ°, Π²ΡΡΠΈΡΠ»ΠΈΡΠ΅ ΡΠ³ΠΎΠ» ΡΠ°ΠΌΠΎΡΡΠΎΡΡΠ΅Π»ΡΠ½ΠΎ, ΠΏΠΎΡΠΎΠΌΡ ΡΡΠΎ ΠΎΠ½, Π²Π΅ΡΠΎΡΡΠ½ΠΎ, Π½Π΅ ΡΠΎΠ²ΡΠ΅ΠΌ ΡΠ°ΠΊΠΎΠΉ, ΠΊΠ°ΠΊ Ρ Π΅Π³ΠΎ Π½Π°ΡΠΈΡΠΎΠ²Π°Π».
- ΠΡΠ»ΠΈ Π²Ρ ΠΏΠΎΠΏΡΠΎΠ±ΡΠ΅ΡΠ΅ ΡΡΠΎΡ ΠΏΡΠΎΠ΅ΠΊΡ ΠΈ Ρ Π²Π°Ρ Π²ΠΎΠ·Π½ΠΈΠΊΠ½ΡΡ Π΄ΡΡΠ³ΠΈΠ΅ Π²ΠΎΠΏΡΠΎΡΡ, ΠΏΡΠΎΡΡΠΎ ΠΏΡΠΎΠΊΠΎΠΌΠΌΠ΅Π½ΡΠΈΡΡΠΉΡΠ΅, ΠΈ Ρ ΠΏΠΎΡΡΠ°ΡΠ°ΡΡΡ ΠΎΡΠ²Π΅ΡΠΈΡΡ.
ΠΠ·ΠΎΠ»ΠΈΡΠΎΠ²Π°Π½Π½ΡΠ΅ ΠΏΠ»Π°Π½Ρ Π΄ΠΎΠΌΠΈΠΊΠΎΠ² Π΄Π»Ρ ΠΊΠΎΡΠ΅ΠΊ | MyOutdoorPlans
ΠΡΠΎΡ ΠΏΠΎΡΠ°Π³ΠΎΠ²ΡΠΉ ΠΏΡΠΎΠ΅ΠΊΡ ΡΠ²ΠΎΠΈΠΌΠΈ ΡΡΠΊΠ°ΠΌΠΈ ΠΏΡΠ΅Π΄ΡΡΠ°Π²Π»ΡΠ΅Ρ ΡΠΎΠ±ΠΎΠΉ ΠΎΠΊΠΎΠ»ΠΎ ΡΡΠ΅ΠΏΠ»Π΅Π½Π½ΡΡ
Π΄ΠΎΠΌΠΎΠ² Π΄Π»Ρ ΠΊΠΎΡΠ΅ΠΊ Ρ ΠΏΠ»Π°Π½Π°ΠΌΠΈ . Π― ΡΠ°Π·ΡΠ°Π±ΠΎΡΠ°Π» ΡΡΠΎΡ ΡΠ»ΠΈΡΠ½ΡΠΉ ΠΊΠΎΡΠ°ΡΠΈΠΉ Π΄ΠΎΠΌΠΈΠΊ, ΡΡΠΎΠ±Ρ Π²Ρ ΠΌΠΎΠ³Π»ΠΈ Π·Π°ΡΠΈΡΠΈΡΡ ΡΠ²ΠΎΠΈΡ
Π»ΡΠ±ΠΈΠΌΡΡ
ΠΏΡΡΠΈΡΡΡΡ
ΠΏΠΈΡΠΎΠΌΡΠ΅Π² ΠΎΡ Π½Π΅ΠΏΠΎΠ³ΠΎΠ΄Ρ.ΠΠΎΠΌΠΈΠΊ Π΄Π»Ρ ΠΊΠΎΡΠ΅ΠΊ ΠΏΠΎΡΡΡΠΎΠ΅Π½ Π½Π° ΠΏΠ»Π°ΡΡΠΎΡΠΌΠ΅, ΠΏΠΎΡΡΠΎΠΌΡ ΠΊΠΎΡΠΊΠΈ ΠΌΠΎΠ³ΡΡ ΠΊΠ°ΡΠ°Π±ΠΊΠ°ΡΡΡΡ ΠΏΠΎ Π½Π΅ΠΌΡ, Π° ΡΠ°ΠΊΠΆΠ΅ Π±ΡΡΡ Π·Π°ΡΠΈΡΠ΅Π½Ρ ΠΎΡ Π΄ΡΡΠ³ΠΈΡ
ΠΆΠΈΠ²ΠΎΡΠ½ΡΡ
. ΠΠ·Π³Π»ΡΠ½ΠΈΡΠ΅ Π½Π° ΠΎΡΡΠ°Π»ΡΠ½ΡΠ΅ ΠΌΠΎΠΈ ΠΏΠ»Π°Π½Ρ Π΄Π΅ΡΠ΅Π²ΠΎΠΎΠ±ΡΠ°Π±ΠΎΡΠΊΠΈ , Π΅ΡΠ»ΠΈ Π²Ρ Ρ
ΠΎΡΠΈΡΠ΅ ΠΏΠΎΠ»ΡΡΠΈΡΡ Π±ΠΎΠ»ΡΡΠ΅ Π²Π΄ΠΎΡ
Π½ΠΎΠ²Π΅Π½ΠΈΡ Π΄Π»Ρ ΡΡΡΠΎΠΈΡΠ΅Π»ΡΡΡΠ²Π°.
ΠΡΠΈ ΠΏΠΎΠΊΡΠΏΠΊΠ΅ ΠΏΠΈΠ»ΠΎΠΌΠ°ΡΠ΅ΡΠΈΠ°Π»ΠΎΠ² ΡΠ»Π΅Π΄ΡΠ΅Ρ ΡΡΠ°ΡΠ΅Π»ΡΠ½ΠΎ Π²ΡΠ±ΠΈΡΠ°ΡΡ Π΄ΠΎΡΠΊΠΈ, ΡΡΠΎΠ±Ρ ΠΎΠ½ΠΈ Π±ΡΠ»ΠΈ ΠΏΡΡΠΌΡΠΌΠΈ ΠΈ Π±Π΅Π· Π²ΠΈΠ΄ΠΈΠΌΡΡ Π΄Π΅ΡΠ΅ΠΊΡΠΎΠ² (ΡΡΠ΅ΡΠΈΠ½, ΡΡΡΠΊΠΎΠ², ΡΠΊΡΡΡΠΈΠ²Π°Π½ΠΈΠΉ, Π³Π½ΠΈΠ΅Π½ΠΈΡ). ΠΠ½Π²Π΅ΡΡΠΈΡΠΈΠΈ Π² ΠΊΠ΅Π΄Ρ ΠΈΠ»ΠΈ Π΄ΡΡΠ³ΠΈΠ΅ ΠΏΠΎΠ³ΠΎΠ΄ΠΎΡΡΠΎΠΉΠΊΠΈΠ΅ ΠΏΠΈΠ»ΠΎΠΌΠ°ΡΠ΅ΡΠΈΠ°Π»Ρ — Ρ ΠΎΡΠΎΡΠ°Ρ ΠΈΠ΄Π΅Ρ, ΡΠ°ΠΊ ΠΊΠ°ΠΊ ΠΎΠ½ΠΈ ΠΎΠΊΡΠΏΡΡΡΡ Π² Π΄ΠΎΠ»Π³ΠΎΡΡΠΎΡΠ½ΠΎΠΉ ΠΏΠ΅ΡΡΠΏΠ΅ΠΊΡΠΈΠ²Π΅. ΠΡΠΏΠΎΠ»ΡΠ·ΡΠΉΡΠ΅ ΡΠΏΠΈΡΡΠΎΠ²ΠΎΠΉ ΡΡΠΎΠ²Π΅Π½Ρ, ΡΡΠΎΠ±Ρ ΠΎΡΠ²Π΅ΡΠΈΡΡ ΠΈ Π²ΡΡΠΎΠ²Π½ΡΡΡ ΠΊΠΎΠΌΠΏΠΎΠ½Π΅Π½ΡΡ, ΠΏΡΠ΅ΠΆΠ΄Π΅ ΡΠ΅ΠΌ Π²ΡΡΠ°Π²Π»ΡΡΡ ΠΎΡΠΈΠ½ΠΊΠΎΠ²Π°Π½Π½ΡΠ΅ Π²ΠΈΠ½ΡΡ, ΠΈΠ½Π°ΡΠ΅ ΠΏΡΠΎΠ΅ΠΊΡ Π½Π΅ Π±ΡΠ΄Π΅Ρ ΠΈΠΌΠ΅ΡΡ ΡΠΈΠΌΠΌΠ΅ΡΡΠΈΡΠ½ΡΠΉ Π²ΠΈΠ΄.ΠΡΠ»ΠΈ Ρ Π²Π°Ρ Π΅ΡΡΡ Π²ΡΠ΅ ΠΌΠ°ΡΠ΅ΡΠΈΠ°Π»Ρ ΠΈ ΠΈΠ½ΡΡΡΡΠΌΠ΅Π½ΡΡ, Π½Π΅ΠΎΠ±Ρ ΠΎΠ΄ΠΈΠΌΡΠ΅ Π΄Π»Ρ ΠΏΡΠΎΠ΅ΠΊΡΠ°, Π²Ρ ΡΠΌΠΎΠΆΠ΅ΡΠ΅ Π²ΡΠΏΠΎΠ»Π½ΠΈΡΡ ΡΠ°Π±ΠΎΡΡ ΠΏΡΠΈΠΌΠ΅ΡΠ½ΠΎ Π·Π° Π΄Π΅Π½Ρ.
ΠΡΠΎΠ΅ΠΊΡΡ, Π²ΡΠΏΠΎΠ»Π½Π΅Π½Π½ΡΠ΅ Π½Π° ΠΎΡΠ½ΠΎΠ²Π΅ ΡΡΠΈΡ ΠΏΠ»Π°Π½ΠΎΠ²
ΠΠ»Π°Π½ΠΈΡΠΎΠ²ΠΊΠΈ ΡΡΠ΅ΠΏΠ»Π΅Π½Π½ΡΡ Π΄ΠΎΠΌΠΈΠΊΠΎΠ² Π΄Π»Ρ ΠΊΠΎΡΠ΅ΠΊ
Π‘ΡΡΠΎΠΈΡΠ΅Π»ΡΡΡΠ²ΠΎ ΠΊΠΎΡΡΠ΅Π΄ΠΆΠ° ΠΈ ΠΊΠΎΡΡΠ΅Π΄ΠΆΠ°
- A — 2 ΠΊΡΡΠΊΠ° ΠΏΠΈΠ»ΠΎΠΌΠ°ΡΠ΅ΡΠΈΠ°Π»ΠΎΠ² 2 Γ 4 Π΄Π»ΠΈΠ½ΠΎΠΉ 24 β³, 3 ΡΡ. — Π΄Π»ΠΈΠ½ΠΎΠΉ 25 β³ Π ΠΠΠ
- B — 2 ΠΊΡΡΠΊΠ° ΡΠ°Π½Π΅ΡΡ 3/4 β³ — Π΄Π»ΠΈΠ½Π° 24 β³ x 28 β³ ΠΠΠ
- C — 2 Π»ΠΈΡΡΠ° ΠΏΠ΅Π½ΠΎΠΏΠΎΠ»ΠΈΡΡΠΈΡΠΎΠ»Π° — 9 3/4 β³ x 25 β³ Π΄Π»ΠΈΠ½ΠΎΠΉ ΠΠΠΠΠ―Π¦ΠΠ―
- D — 4 ΠΊΡΡΠΊΠ° ΠΏΠΈΠ»ΠΎΠΌΠ°ΡΠ΅ΡΠΈΠ°Π»ΠΎΠ² 2 Γ 4 — Π΄Π»ΠΈΠ½Π° 16 β³ ΠΠΠΠΠ
- E — 5 ΠΊΡΡΠΊΠΎΠ² ΠΏΠΈΠ»ΠΎΠΌΠ°ΡΠ΅ΡΠΈΠ°Π»ΠΎΠ² 2 Γ 2 — Π΄Π»ΠΈΠ½ΠΎΠΉ 11 β³, 1 ΡΡ.
— Π΄Π»ΠΈΠ½ΠΎΠΉ 24 β³, 1 ΡΡ. — Π΄Π»ΠΈΠ½ΠΎΠΉ 15 β³, 1 ΡΡ. — Π΄Π»ΠΈΠ½ΠΎΠΉ 3 β³, 1 ΡΡ. — Π΄Π»ΠΈΠ½ΠΎΠΉ 6 β³ ΠΠΠ ΠΠΠΠ―Π― Π§ΠΠ‘Π’Π¬ Π‘Π’ΠΠΠ - E — 2 ΡΡ. ΠΡΡΡΠ° 2 Γ 2 — Π΄Π»ΠΈΠ½Π° 24 β³, 3 ΡΡ. — Π΄Π»ΠΈΠ½Π° 11 β³ ΠΠΠΠΠ―Π― Π‘Π’ΠΠΠΠ
- E — 2 ΡΡ. ΠΡΡΡΠ° 2 Γ 2 — Π΄Π»ΠΈΠ½Π° 17 β³, 3 ΡΡ. — Π΄Π»ΠΈΠ½Π° 11 β³ 2x ΠΠΠΠΠΠ«Π Π‘Π’ΠΠΠ«
- G — 2 ΠΊΡΡΠΊΠ° ΡΠ°Π½Π΅ΡΡ 1/2 β³ Π΄Π»ΠΈΠ½ΠΎΠΉ 14 β³ x 20 β³, 2 ΠΊΡΡΠΊΠ° — 23 3/4 β³ x 25 β³ Π΄Π»ΠΈΠ½ΠΎΠΉ Π‘Π’ΠΠΠ
- H — 4 ΠΊΡΡΠΊΠ° ΠΏΠΈΠ»ΠΎΠΌΠ°ΡΠ΅ΡΠΈΠ°Π»ΠΎΠ² 2 Γ 2 — Π΄Π»ΠΈΠ½Π° 20 β³ Π ΠΠ€Π’ΠΠ Π«
ΠΠ΄ΠΈΠ½ Π΄Π΅Π½Ρ
Π‘ΡΡΠΎΠΈΡΠ΅Π»ΡΡΡΠ²ΠΎ ΠΊΠΎΡΠ°ΡΡΠ΅Π³ΠΎ Π΄ΠΎΠΌΠΈΠΊΠ°
Π‘ΡΡΠΎΠΈΡΠ΅Π»ΡΡΡΠ²ΠΎ-ΠΊΠ°ΡΠΊΠ°Ρ ΠΏΠ΅ΡΠ΅ΠΊΡΡΡΠΈΡ
ΠΠ΅ΡΠ²ΡΠΉ ΡΠ°Π³ ΠΏΡΠΎΠ΅ΠΊΡΠ° — ΠΏΠΎΡΡΡΠΎΠΈΡΡ ΠΊΠ°ΡΠΊΠ°Ρ Π΄Π»Ρ ΠΏΠΎΠ»Π°.ΠΡΡΠ΅ΠΆΡΡΠ΅ Π΄Π΅ΡΠ°Π»ΠΈ ΠΈΠ· Π±ΡΡΡΠ° 2 Γ 4, ΠΈΡΠΏΠΎΠ»ΡΠ·ΡΡ ΠΈΠ½ΡΠΎΡΠΌΠ°ΡΠΈΡ ΠΈΠ· ΡΡ
Π΅ΠΌΡ. ΠΡΠΎΡΠ²Π΅ΡΠ»ΠΈΡΠ΅ ΠΏΠΈΠ»ΠΎΡΠ½ΡΠ΅ ΠΎΡΠ²Π΅ΡΡΡΠΈΡ Π² Π±Π°Π»ΠΊΠ°Ρ
ΠΎΠ±ΠΎΠ΄Π° ΠΈ Π²ΡΡΠ°Π²ΡΡΠ΅ Π²ΠΈΠ½ΡΡ 2 1/2 Π΄ΡΠΉΠΌΠ° Π² ΠΏΠ΅ΡΠΏΠ΅Π½Π΄ΠΈΠΊΡΠ»ΡΡΠ½ΡΠ΅ ΠΊΠΎΠΌΠΏΠΎΠ½Π΅Π½ΡΡ.
Π£Π±Π΅Π΄ΠΈΡΠ΅ΡΡ, ΡΡΠΎ ΡΠ³Π»Ρ ΠΏΡΡΠΌΠΎΡΠ³ΠΎΠ»ΡΠ½ΡΠ΅, ΠΈ Π΄ΠΎΠ±Π°Π²ΡΡΠ΅ ΠΊΠ»Π΅ΠΉ Π² ΡΡΡΠΊΠΈ Π΄Π»Ρ ΠΏΡΠΎΡΠ΅ΡΡΠΈΠΎΠ½Π°Π»ΡΠ½ΠΎΠ³ΠΎ ΡΠ΅Π·ΡΠ»ΡΡΠ°ΡΠ°.
ΠΡΠ΅ΠΏΠ»Π΅Π½ΠΈΠ΅ ΡΡΠ΅ΠΏΠ»ΠΈΡΠ΅Π»Ρ ΠΏΠΎΠ»Π°
ΠΡΡΠ°Π²ΡΡΠ΅ Π»ΠΈΡΡΡ ΠΏΠ΅Π½ΠΎΠΏΠΎΠ»ΠΈΡΡΠΈΡΠΎΠ»Π° ΠΌΠ΅ΠΆΠ΄Ρ ΠΊΠ°ΡΠΊΠ°ΡΠΎΠΌ ΠΏΠΎΠ»Π°, ΠΊΠ°ΠΊ ΠΏΠΎΠΊΠ°Π·Π°Π½ΠΎ Π½Π° ΡΡ Π΅ΠΌΠ΅. Π£Π±Π΅Π΄ΠΈΡΠ΅ΡΡ, ΡΡΠΎ Π²Ρ ΡΠ»ΠΎΠΆΠΈΠ»ΠΈ Π½Π΅ΡΠΊΠΎΠ»ΡΠΊΠΎ ΡΠ»ΠΎΠ΅Π² ΠΏΠΎΠ»ΠΈΡΡΠΈΡΠΎΠ»Π°, ΡΠ°ΠΊ ΠΊΠ°ΠΊ Π»ΡΡΡΠ°Ρ ΡΠΎΠ»ΡΠΈΠ½Π° ΠΎΠ±Π΅ΡΠΏΠ΅ΡΠΈΡ Π»ΡΡΡΡΡ ΠΈΠ·ΠΎΠ»ΡΡΠΈΡ ΠΏΠΎΠ»Π° Π² ΠΊΠΎΡΠ°ΡΡΠ΅ΠΌ Π΄ΠΎΠΌΠΈΠΊΠ΅.
Π£ΠΊΠ»Π°Π΄ΠΊΠ° ΠΏΠΎΠ»ΠΎΠ²
ΠΠ°ΡΠ΅ΠΌ Π²Π°ΠΌ Π½ΡΠΆΠ½ΠΎ Π·Π°Π΄Π΅Π»Π°ΡΡ ΠΏΠΎΠ» Π»ΠΈΡΡΠ°ΠΌΠΈ ΡΠ°Π½Π΅ΡΡ 1/2 Π΄ΡΠΉΠΌΠ°. ΠΡΡΠΎΠ²Π½ΡΠΉΡΠ΅ ΠΊΡΠ°Ρ Π²Π½ΠΈΠΌΠ°ΡΠ΅Π»ΡΠ½ΠΎ, ΠΏΡΠΎΡΠ²Π΅ΡΠ»ΠΈΡΠ΅ ΠΏΠΈΠ»ΠΎΡΠ½ΡΠ΅ ΠΎΡΠ²Π΅ΡΡΡΠΈΡ ΠΈ Π·Π°ΠΊΡΠ΅ΠΏΠΈΡΠ΅ Π»ΠΈΡΡ Π½Π° ΠΌΠ΅ΡΡΠ΅ Π²ΠΈΠ½ΡΠ°ΠΌΠΈ 1 5/8 β³.
ΠΡΠ΅ΠΏΠ»Π΅Π½ΠΈΠ΅ Π½ΠΎΠΆΠ΅ΠΊ ΠΊ ΠΏΠ»Π°ΡΡΠΎΡΠΌΠ΅
ΠΠ°Π»Π΅Π΅ Π½ΡΠΆΠ½ΠΎ ΠΏΡΠΈΠΊΡΠ΅ΠΏΠΈΡΡ Π½ΠΎΠΆΠΊΠΈ 2Ρ 4 ΠΊ ΠΊΠ°ΡΠΊΠ°ΡΡ ΠΏΠΎΠ»Π°. ΠΡΠΈΠΊΡΠ΅ΠΏΠΈΡΠ΅ Π½ΠΎΠΆΠΊΠΈ ΠΊ ΠΊΠ°ΡΠΊΠ°ΡΡ ΠΏΠΎΠ»Π° Ρ ΠΏΠΎΠΌΠΎΡΡΡ ΡΠΏΠΈΡΡΠΎΠ²ΠΎΠ³ΠΎ ΡΡΠΎΠ²Π½Ρ. ΠΡΠΎΡΠ²Π΅ΡΠ»ΠΈΡΠ΅ Π½Π°ΠΏΡΠ°Π²Π»ΡΡΡΠΈΠ΅ ΠΎΡΠ²Π΅ΡΡΡΠΈΡ Π² Π²Π΅ΡΡ Π½Π΅ΠΉ ΡΠ°ΡΡΠΈ Π½ΠΎΠΆΠ΅ΠΊ ΠΈ ΠΏΡΠΈΠΊΡΠ΅ΠΏΠΈΡΠ΅ ΠΈΡ ΠΊ ΠΏΠΎΠ»Ρ Π²ΠΈΠ½ΡΠ°ΠΌΠΈ 2 1/2 Π΄ΡΠΉΠΌΠ°.
Π‘ΡΡΠΎΠΈΡΠ΅Π»ΡΡΡΠ²ΠΎ ΠΊΠ°ΡΠΊΠ°ΡΠ° ΡΠ°ΡΠ°Π΄Π½ΠΎΠΉ ΡΡΠ΅Π½Ρ
ΠΠΎΡΡΡΠΎΠΉΡΠ΅ ΠΊΠ°ΡΠΊΠ°Ρ ΠΏΠ΅ΡΠ΅Π΄Π½Π΅ΠΉ ΡΡΠ΅Π½Ρ ΠΈΠ· Π±ΡΡΡΠ° 2 Γ 2. ΠΡΠΎΡΠ²Π΅ΡΠ»ΠΈΡΠ΅ ΠΏΠΈΠ»ΠΎΡΠ½ΡΠ΅ ΠΎΡΠ²Π΅ΡΡΡΠΈΡ ΠΈ Π²ΡΡΠ°Π²ΡΡΠ΅ Π²ΠΈΠ½ΡΡ 2 1/2 β³, ΡΡΠΎΠ±Ρ Π·Π°ΡΠΈΠΊΡΠΈΡΠΎΠ²Π°ΡΡ Π²ΡΠ΅ Π²ΠΌΠ΅ΡΡΠ΅, ΠΊΠ°ΠΊ ΠΏΠΎΠΊΠ°Π·Π°Π½ΠΎ Π½Π° ΡΡ
Π΅ΠΌΠ°Ρ
.
Π£Π±Π΅Π΄ΠΈΡΠ΅ΡΡ, ΡΡΠΎ ΡΠ³Π»Ρ ΠΏΡΡΠΌΠΎΡΠ³ΠΎΠ»ΡΠ½ΡΠ΅, ΠΈ ΠΏΡΠΎΠ²Π΅ΡΡΡΠ΅, ΡΠΎΠ²Π½ΡΠ΅ Π»ΠΈ ΠΊΡΠ°Ρ. ΠΠΎΠ±Π°Π²ΡΡΠ΅ ΠΊΠ»Π΅ΠΉ Π² ΡΡΡΠΊΠΈ, ΡΡΠΎΠ±Ρ ΡΡΠΈΠ»ΠΈΡΡ ΡΡΠ΅ΠΏΠ»Π΅Π½ΠΈΠ΅ ΠΊΠΎΠΌΠΏΠΎΠ½Π΅Π½ΡΠΎΠ².
ΠΠ°ΡΠΊΠ°Ρ ΠΏΡΠΈΡΡΡΠΎΠΉΠΊΠΈ Π±ΠΎΠΊΠΎΠ²ΠΎΠΉ ΡΡΠ΅Π½Ρ
ΠΠΎΡΡΡΠΎΠΉΡΠ΅ Π΄Π²Π΅ Π±ΠΎΠΊΠΎΠ²ΡΠ΅ ΡΡΠ΅Π½Ρ ΡΠ°ΠΊ ΠΆΠ΅, ΠΊΠ°ΠΊ ΠΎΠΏΠΈΡΠ°Π½ΠΎ Π²ΡΡΠ΅. ΠΡΠΎΡΠ²Π΅ΡΠ»ΠΈΡΠ΅ ΠΏΠΈΠ»ΠΎΡΠ½ΡΠ΅ ΠΎΡΠ²Π΅ΡΡΡΠΈΡ ΠΈ Π²ΡΡΠ°Π²ΡΡΠ΅ 2 Π²ΠΈΠ½ΡΠ° 1/2 β³, ΡΡΠΎΠ±Ρ Π²ΡΠ΅ ΠΏΠ»ΠΎΡΠ½ΠΎ Π·Π°ΡΠΈΠΊΡΠΈΡΠΎΠ²Π°ΡΡ.ΠΠΎΠ±Π°Π²ΡΡΠ΅ ΠΊΠ»Π΅ΠΉ Π² ΡΡΡΠΊΠΈ ΠΈ ΡΠ±Π΅Π΄ΠΈΡΠ΅ΡΡ, ΡΡΠΎ ΡΠ³Π»Ρ ΠΏΡΡΠΌΠΎΡΠ³ΠΎΠ»ΡΠ½ΡΠ΅.
ΠΡΠΈΡΡΡΠΎΠΉΠΊΠ° ΠΊΠ°ΡΠΊΠ°ΡΠ° Π·Π°Π΄Π½Π΅ΠΉ ΡΡΠ΅Π½ΠΊΠΈ
ΠΠΎΡΡΡΠΎΠΉΡΠ΅ Π·Π°Π΄Π½ΡΡ ΡΡΠ΅Π½Ρ ΠΈΠ· Π±ΡΡΡΠ° 2 Γ 2. ΠΡΠΎΡΠ²Π΅ΡΠ»ΠΈΡΠ΅ Π½Π°ΠΏΡΠ°Π²Π»ΡΡΡΠΈΠ΅ ΠΎΡΠ²Π΅ΡΡΡΠΈΡ Π² ΠΏΠ»Π°ΡΡΠΈΠ½Π°Ρ ΠΈ Π²ΡΡΠ°Π²ΡΡΠ΅ Π²ΠΈΠ½ΡΡ 2 1/2 β³, ΡΡΠΎΠ±Ρ Π·Π°ΡΠΈΠΊΡΠΈΡΠΎΠ²Π°ΡΡ ΠΊΠΎΠΌΠΏΠΎΠ½Π΅Π½ΡΡ Π²ΠΌΠ΅ΡΡΠ΅.
Π‘Π±ΠΎΡΠΊΠ° ΠΊΠ°ΡΠΊΠ°ΡΠ° ΠΊΠΎΡΠ°ΡΡΠ΅Π³ΠΎ Π΄ΠΎΠΌΠΈΠΊΠ°
ΠΡΠΈΠΊΡΠ΅ΠΏΠΈΡΠ΅ ΡΡΠ΅Π½Π½ΡΠ΅ ΡΠ°ΠΌΡ ΠΊ ΠΏΠΎΠ»Ρ ΠΊΠΎΡΠ°ΡΡΠ΅Π³ΠΎ Π΄ΠΎΠΌΠΈΠΊΠ°, ΠΊΠ°ΠΊ ΠΏΠΎΠΊΠ°Π·Π°Π½ΠΎ Π½Π° ΡΠ΅ΡΡΠ΅ΠΆΠ°Ρ . ΠΡΠΎΡΠ²Π΅ΡΠ»ΠΈΡΠ΅ Π½Π°ΠΏΡΠ°Π²Π»ΡΡΡΠΈΠ΅ ΠΎΡΠ²Π΅ΡΡΡΠΈΡ Π² Π½ΠΈΠΆΠ½ΠΈΡ ΠΏΠ»Π°ΡΡΠΈΠ½Π°Ρ ΠΈ Π²ΡΡΠ°Π²ΡΡΠ΅ 2 Π²ΠΈΠ½ΡΠ° 1/2 β³ Π² ΠΏΠΎΠ». ΠΡΠΎΠΌΠ΅ ΡΠΎΠ³ΠΎ, ΡΠΊΡΠ΅ΠΏΠΈΡΠ΅ ΡΠΎΡΠ΅Π΄Π½ΠΈΠ΅ ΡΡΠ΅Π½Ρ Π²ΠΌΠ΅ΡΡΠ΅, ΠΏΡΠΎΡΠ²Π΅ΡΠ»ΠΈΠ² ΠΏΠΈΠ»ΠΎΡΠ½ΡΠ΅ ΠΎΡΠ²Π΅ΡΡΡΠΈΡ ΠΈ Π²ΡΡΠ°Π²ΠΈΠ² Π²ΠΈΠ½ΡΡ 2 1/2 β³.
ΠΡΠ΅ΠΏΠ»Π΅Π½ΠΈΠ΅ Π±ΠΎΠΊΠΎΠ²ΡΡ ΡΡΠ΅Π½ΠΎΠΊ
ΠΡΠΈΠΊΠ»Π΅ΠΉΡΠ΅ ΡΠ°Π½Π΅ΡΡ 1/2 Π΄ΡΠΉΠΌΠ° ΠΏΠΎ Π±ΠΎΠΊΠ°ΠΌ ΠΊΠΎΡΠ°ΡΡΠ΅Π³ΠΎ Π΄ΠΎΠΌΠΈΠΊΠ°. ΠΡΡΠΎΠ²Π½ΡΠΉΡΠ΅ ΠΊΡΠ°Ρ Π²Π½ΠΈΠΌΠ°ΡΠ΅Π»ΡΠ½ΠΎ ΠΈ Π·Π°ΠΊΡΠ΅ΠΏΠΈΡΠ΅ ΠΈΡ
Π½Π° ΠΎΠ±ΡΠ°ΠΌΠ»Π΅Π½ΠΈΠΈ Π³Π²ΠΎΠ·Π΄ΡΠΌΠΈ 8d.
Π‘ΡΡΠΎΠΈΡΠ΅Π»ΡΡΡΠ²ΠΎ ΡΡΡΠΎΠΏΠΈΠ»
ΠΠΎΡΡΡΠΎΠΉΡΠ΅ ΡΡΡΠΎΠΏΠΈΠ»Π° Π΄Π»Ρ ΠΊΠΎΡΠ°ΡΡΠ΅Π³ΠΎ Π΄ΠΎΠΌΠΈΠΊΠ° ΠΈΠ· Π±ΡΡΡΠ° 2 Γ 2. ΠΠ±ΡΠ΅ΠΆΡΡΠ΅ ΠΎΠ΄ΠΈΠ½ ΠΊΠΎΠ½Π΅Ρ ΡΡΡΠΎΠΏΠΈΠ» ΠΏΠΎΠ΄ ΡΠ³Π»ΠΎΠΌ 55 Π³ΡΠ°Π΄ΡΡΠΎΠ², ΡΠ΄Π΅Π»Π°Π² Π½Π°Π΄ΡΠ΅Π·Ρ ΠΏΠΎΠ΄ ΡΠ³Π»ΠΎΠΌ 35 Π³ΡΠ°Π΄ΡΡΠΎΠ². ΠΡΠΎΠΌΠ΅ ΡΠΎΠ³ΠΎ, Π² ΡΡΡΠΎΠΏΠΈΠ»Π°Ρ Π½ΡΠΆΠ½ΠΎ Π²ΡΡΠ΅Π·Π°ΡΡ ΠΏΡΠΈΡΡΡ ΠΏΠ°ΡΡΡ, ΡΡΠΎΠ±Ρ ΠΈΡ ΠΌΠΎΠΆΠ½ΠΎ Π±ΡΠ»ΠΎ ΠΏΠ»ΠΎΡΠ½ΠΎ ΠΏΡΠΈΠΊΡΠ΅ΠΏΠΈΡΡ ΠΊ Π²Π΅ΡΡ Π½ΠΈΠΌ ΠΏΠ»ΠΈΡΠ°ΠΌ.
ΠΠΎΠ½ΡΠ°ΠΆ ΡΡΡΠΎΠΏΠΈΠ»
ΠΡΠΈΠΊΡΠ΅ΠΏΠΈΡΠ΅ ΡΡΡΠΎΠΏΠΈΠ»Π° ΠΊ ΠΊΠ°ΡΠΊΠ°ΡΡ ΡΡΠ΅Π½, ΠΊΠ°ΠΊ ΠΏΠΎΠΊΠ°Π·Π°Π½ΠΎ Π½Π° ΡΠ΅ΡΡΠ΅ΠΆΠ°Ρ .ΠΡΠΎΡΠ²Π΅ΡΠ»ΠΈΡΠ΅ Π½Π°ΠΏΡΠ°Π²Π»ΡΡΡΠΈΠ΅ ΠΎΡΠ²Π΅ΡΡΡΠΈΡ Π² ΡΡΡΠΎΠΏΠΈΠ»Π°Ρ ΠΈ Π²ΡΡΠ°Π²ΡΡΠ΅ Π²ΠΈΠ½ΡΡ 2 1/2 β³, ΡΡΠΎΠ±Ρ ΠΏΠ»ΠΎΡΠ½ΠΎ Π·Π°ΡΠΈΠΊΡΠΈΡΠΎΠ²Π°ΡΡ ΠΈΡ . ΠΠ΅ ΠΎΡΡΠ°Π²Π»ΡΠΉΡΠ΅ Π·Π°Π·ΠΎΡΠΎΠ² ΠΌΠ΅ΠΆΠ΄Ρ ΠΊΠΎΠΌΠΏΠΎΠ½Π΅Π½ΡΠ°ΠΌΠΈ Π΄Π»Ρ Π°ΠΊΠΊΡΡΠ°ΡΠ½ΠΎΠ³ΠΎ ΡΠ΅Π·ΡΠ»ΡΡΠ°ΡΠ°.
ΠΠ΅ΡΠ΅Π΄Π½ΡΡ ΡΡΠ΅Π½ΠΊΠ°
ΠΠΎΡΡΡΠΎΠΉΡΠ΅ ΠΏΠ΅ΡΠ΅Π΄Π½ΡΡ ΡΡΠ΅Π½Ρ ΠΈΠ· ΡΠ°Π½Π΅ΡΡ 1/2 β³, ΠΈΡΠΏΠΎΠ»ΡΠ·ΡΡ ΠΈΠ½ΡΠΎΡΠΌΠ°ΡΠΈΡ ΠΈΠ· Π΄ΠΈΠ°Π³ΡΠ°ΠΌΠΌΡ. ΠΡΡΠ΅ΠΆΡΡΠ΅ Π΄Π²Π΅ΡΠ½ΠΎΠΉ ΠΏΡΠΎΠ΅ΠΌ Π΄Π»Ρ ΠΏΡΠΎΡΠ΅ΡΡΠΈΠΎΠ½Π°Π»ΡΠ½ΠΎΠ³ΠΎ ΡΠ΅Π·ΡΠ»ΡΡΠ°ΡΠ°. ΠΠ°Π³Π»Π°Π΄ΡΡΠ΅ ΠΊΡΠ°Ρ Π½Π°ΠΆΠ΄Π°ΡΠ½ΠΎΠΉ Π±ΡΠΌΠ°Π³ΠΎΠΉ ΠΈ Π·Π°ΠΊΡΠ΅ΠΏΠΈΡΠ΅ ΡΡΠ΅Π½Ρ Π³Π²ΠΎΠ·Π΄ΡΠΌΠΈ 8d.
ΠΡΠ΅ΠΏΠ»Π΅Π½ΠΈΠ΅ Π·Π°Π΄Π½ΠΈΡ ΡΡΠ΅Π½ΠΎΠΊ
ΠΠΎΡΡΡΠΎΠΉΡΠ΅ Π·Π°Π΄Π½ΡΡ ΡΡΠ΅Π½ΠΊΡ ΡΠ°ΠΊΠΈΠΌ ΠΆΠ΅ ΠΎΠ±ΡΠ°Π·ΠΎΠΌ ΠΈ ΠΏΡΠΈΠΊΡΠ΅ΠΏΠΈΡΠ΅ Π΅Π΅ ΠΊ ΠΊΠ°ΡΠΊΠ°ΡΡ Π³Π²ΠΎΠ·Π΄ΡΠΌΠΈ 8d, ΡΡΠ°ΡΠ΅Π»ΡΠ½ΠΎ Π²ΡΡΠΎΠ²Π½ΡΠ² ΠΊΡΠ°Ρ.
ΠΠ»Π°Π½ΠΈΡΠΎΠ²ΠΊΠΈ ΡΡΠ΅ΠΏΠ»Π΅Π½Π½ΡΡ ΠΊΠΎΡΠ°ΡΡΠΈΡ Π΄ΠΎΠΌΠΈΠΊΠΎΠ²
ΠΠ±ΡΠ·Π°ΡΠ΅Π»ΡΠ½ΠΎ ΠΏΡΠΎΡΠΈΡΠ°ΠΉΡΠ΅ Π§ΠΠ‘Π’Π¬ 2 ΠΏΡΠΎΠ΅ΠΊΡΠ°, ΡΡΠΎΠ±Ρ ΡΠ·Π½Π°ΡΡ, ΠΊΠ°ΠΊ ΠΏΠΎΡΡΡΠΎΠΈΡΡ ΠΊΡΡΡΡ Π΄Π»Ρ ΡΠ»ΠΈΡΠ½ΠΎΠ³ΠΎ Π΄ΠΎΠΌΠΈΠΊΠ° Π΄Π»Ρ ΠΊΠΎΡΠ΅ΠΊ.
Π Π§ΠΠ‘Π’Π 2 Ρ ΠΏΠΎΠΊΠ°ΠΆΡ Π²Π°ΠΌ, ΠΊΠ°ΠΊ ΡΡΡΠ°Π½ΠΎΠ²ΠΈΡΡ ΠΈΠ·ΠΎΠ»ΡΡΠΈΡ Π² ΡΡΠ΅Π½Ρ, Π° ΡΠ°ΠΊΠΆΠ΅ Π² ΠΊΡΡΡΡ.
ΠΠ°ΠΊ ΠΏΠΎΡΡΡΠΎΠΈΡΡ ΡΡΠ΅ΠΏΠ»Π΅Π½Π½ΡΠΉ ΠΊΠΎΡΠ°ΡΠΈΠΉ Π΄ΠΎΠΌΠΈΠΊ
ΠΡΠΎ ΠΏΡΠΎΡΡΠΎΠΉ ΠΏΡΠΎΠ΅ΠΊΡ, ΠΊΠΎΡΠΎΡΡΠΉ Π²Ρ ΡΠΌΠΎΠΆΠ΅ΡΠ΅ ΠΏΠΎΡΡΡΠΎΠΈΡΡ Π·Π° Π½Π΅ΡΠΊΠΎΠ»ΡΠΊΠΎ Π΄Π½Π΅ΠΉ Π±Π΅Π· ΠΎΡΠΎΠ±ΡΡ ΡΡΠΈΠ»ΠΈΠΉ. ΠΡΠΎΡ ΡΡΠ΅ΠΏΠ»Π΅Π½Π½ΡΠΉ Π΄ΠΎΠΌΠΈΠΊ Π΄Π»Ρ ΠΊΠΎΡΠ΅ΠΊ ΠΏΡΠΎΡΡΠΎ Π½Π΅ΠΎΠ±Ρ ΠΎΠ΄ΠΈΠΌ, Π΅ΡΠ»ΠΈ Π²Ρ Ρ ΠΎΡΠΈΡΠ΅ Π·Π°ΡΠΈΡΠΈΡΡ ΡΠ²ΠΎΠΈΡ Π»ΡΠ±ΠΈΠΌΡΡ ΠΏΠΈΡΠΎΠΌΡΠ΅Π² ΠΎΡ Ρ ΠΎΠ»ΠΎΠ΄Π°.ΠΠ·Π³Π»ΡΠ½ΠΈΡΠ΅ Π½Π° ΠΎΡΡΠ°Π»ΡΠ½ΡΡ ΡΠ°ΡΡΡ ΠΏΡΠΎΠ΅ΠΊΡΠ° ΠΏΠΎ Π΄Π΅ΡΠ΅Π²ΠΎΠΎΠ±ΡΠ°Π±ΠΎΡΠΊΠ΅, ΠΊΠΎΡΠΎΡΡΠΉ Ρ ΡΠ°Π·ΠΌΠ΅ΡΠ°Ρ Π½Π° ΡΠ°ΠΉΡΠ΅, ΡΡΠΎΠ±Ρ ΠΏΠΎΠ»ΡΡΠΈΡΡ Π΅ΡΠ΅ Π±ΠΎΠ»ΡΡΠ΅ Π²Π΄ΠΎΡ Π½ΠΎΠ²Π΅Π½ΠΈΡ Π΄Π»Ρ ΡΡΡΠΎΠΈΡΠ΅Π»ΡΡΡΠ²Π°.
ΠΡΠΎΡ ΠΏΡΠΎΠ΅ΠΊΡ ΠΏΠΎ Π΄Π΅ΡΠ΅Π²ΠΎΠΎΠ±ΡΠ°Π±ΠΎΡΠΊΠ΅ Π±ΡΠ» ΠΎΠΊΠΎΠ»ΠΎ ΡΡΠ΅ΠΏΠ»Π΅Π½Π½ΡΡ Π΄ΠΎΠΌΠΎΠ² Π΄Π»Ρ ΠΊΠΎΡΠ΅ΠΊ Π±Π΅ΡΠΏΠ»Π°ΡΠ½ΠΎ . ΠΡΠ»ΠΈ Π²Ρ Ρ ΠΎΡΠΈΡΠ΅ ΡΠ²ΠΈΠ΄Π΅ΡΡ Π±ΠΎΠ»ΡΡΠ΅ ΠΏΠ»Π°Π½ΠΎΠ² Π½Π° ΠΎΡΠΊΡΡΡΠΎΠΌ Π²ΠΎΠ·Π΄ΡΡ Π΅, ΠΏΡΠΎΡΠΌΠΎΡΡΠΈΡΠ΅ ΠΎΡΡΠ°Π»ΡΠ½ΡΠ΅ Π½Π°ΡΠΈ ΠΏΠΎΡΠ°Π³ΠΎΠ²ΡΠ΅ ΠΏΡΠΎΠ΅ΠΊΡΡ ΠΈ ΡΠ»Π΅Π΄ΡΠΉΡΠ΅ ΠΈΠ½ΡΡΡΡΠΊΡΠΈΡΠΌ, ΡΡΠΎΠ±Ρ ΠΏΠΎΠ»ΡΡΠΈΡΡ ΠΏΡΠΎΡΠ΅ΡΡΠΈΠΎΠ½Π°Π»ΡΠ½ΡΠΉ ΡΠ΅Π·ΡΠ»ΡΡΠ°Ρ.
ΠΠ°ΠΊ ΠΏΠΎΡΡΡΠΎΠΈΡΡ Π΄ΠΎΠΌΠΈΠΊ Π΄Π»Ρ Π΄ΠΎΠΌΠ°ΡΠ½ΠΈΡ ΠΆΠΈΠ²ΠΎΡΠ½ΡΡ ΡΠ²ΠΎΠΈΠΌΠΈ ΡΡΠΊΠ°ΠΌΠΈ
ΠΠΎΡΡΡΠΎΠΉΡΠ΅ Π΄Π»Ρ ΡΠ²ΠΎΠ΅Π³ΠΎ ΠΏΠΈΡΠΎΠΌΡΠ° ΡΡΠΈΠ»ΡΠ½ΡΠΉ Π΄ΠΎΠΌ ΠΈΠ· ΠΏΠΎΠ»ΠΎΠ²ΠΈΠ½ΠΊΠΈ Π»ΠΈΡΡΠ° ΡΠ°Π½Π΅ΡΡ.ΠΠ°Π³ΡΡΠ·ΠΈΡΠ΅ ΠΌΠΎΠΈ ΠΏΠ»Π°Π½Ρ Π΄Π»Ρ Π»Π΅Π³ΠΊΠΎΠ³ΠΎ ΡΠ°ΡΠΊΡΠΎΡ ΠΌΠ°ΠΊΠ΅ΡΠ°, ΠΈ ΠΏΡΡΡΡ ΠΎΠΏΠΈΠ»ΠΊΠΈ Π»Π΅ΡΡΡ! ΠΡΠ΅Π³ΠΎ ΡΠ΅ΡΠ΅Π· Π½Π΅ΡΠΊΠΎΠ»ΡΠΊΠΎ ΡΠ°ΡΠΎΠ² Π²Π°ΡΠ° ΠΊΠΎΡΠΊΠ° ΠΈΠ»ΠΈ ΡΠΎΠ±Π°ΠΊΠ° ΠΏΠΎΠ±Π»Π°Π³ΠΎΠ΄Π°ΡΠΈΡ Π²Π°Ρ Π·Π° ΡΡΠΈΠ»ΡΠ½ΡΠ΅ Π½ΠΎΠ²ΡΠ΅ ΡΠ°ΡΠΊΠΎΠΏΠΊΠΈ.
ΠΡΠΈΠΌΠ΅ΡΠ°Π½ΠΈΠ΅: ΠΡΠΎΡ Π΄ΠΎΠΌΠΈΠΊ Π΄Π»Ρ Π΄ΠΎΠΌΠ°ΡΠ½ΠΈΡ ΠΆΠΈΠ²ΠΎΡΠ½ΡΡ ΡΠ²ΠΎΠΈΠΌΠΈ ΡΡΠΊΠ°ΠΌΠΈ ΡΠ°ΡΡΡΠΈΡΠ°Π½ Π½Π° Π½Π΅Π±ΠΎΠ»ΡΡΡΡ ΠΊΠΎΡΠΊΡ ΠΈΠ»ΠΈ ΡΠΎΠ±Π°ΠΊΡ ΡΠΈΡΠΈΠ½ΠΎΠΉ ΠΌΠ΅Π½Π΅Π΅ Π΄Π²ΡΡ ΡΡΡΠΎΠ².
Π¨Π°Π³ΠΈ Π΄Π»Ρ ΠΏΠΎΡΡΡΠΎΠΉΠΊΠΈ Π΄ΠΎΠΌΠΈΠΊΠ° Π΄Π»Ρ ΡΠΎΠ±Π°ΠΊΠΈ ΠΈΠ»ΠΈ ΠΊΠΎΡΠΊΠΈ:
Π¨Π°Π³ 1. Π Π°Π·ΠΌΠ΅ΡΠΊΠ° ΡΠ°Π·ΡΠ΅Π·ΠΎΠ²
- ΠΠ»Ρ Π½Π°ΡΠ°Π»Π° ΠΎΡΠΌΠ΅ΡΡΡΠ΅ ΡΠ°Π½Π΅ΡΡ, ΠΈΡΠΏΠΎΠ»ΡΠ·ΡΡ ΠΌΠΎΡ ΡΡ Π΅ΠΌΡ Π² Π·Π°Π³ΡΡΠΆΠ°Π΅ΠΌΡΡ ΡΡ Π΅ΠΌΠ°Ρ Π²ΡΡΠ΅.
- ΠΠ°ΠΊΠ»Π΅ΠΉΡΠ΅ ΠΌΠ°Π»ΡΡΠ½ΡΡ Π»Π΅Π½ΡΡ Π½Π° ΡΠ°Π½Π΅ΡΡ ΠΈ ΠΎΡΠΌΠ΅ΡΡΡΠ΅ ΠΌΠ°ΡΠΊΠ΅ΡΠΎΠΌ Π»ΠΈΠ½ΠΈΠΈ ΡΠ°Π·ΡΠ΅Π·Π°.
- ΠΠ°ΠΊΠ»Π΅ΠΈΠ²Π°Π½ΠΈΠ΅ Π»ΠΈΠ½ΠΈΠΉ ΡΠ΅Π·Π° ΠΌΠ°Π»ΡΡΠ½ΡΠΌ ΡΠΊΠΎΡΡΠ΅ΠΌ ΡΠΌΠ΅Π½ΡΡΠΈΡ ΠΎΠ±ΡΠ°Π·ΠΎΠ²Π°Π½ΠΈΠ΅ ΡΠΊΠΎΠ»ΠΎΠ² Π²ΠΎ Π²ΡΠ΅ΠΌΡ ΡΠ΅Π·Π°.
Π¨Π°Π³ 2: Π£ΡΡΠ°Π½ΠΎΠ²ΠΈΡΠ΅ ΠΏΠΈΠ»Ρ
Π£ΡΡΠ°Π½ΠΎΠ²ΠΈΡΠ΅ ΡΠ³ΠΎΠ» Π½Π°ΠΊΠ»ΠΎΠ½Π° Π΄ΠΈΡΠΊΠΎΠ²ΠΎΠΉ ΠΏΠΈΠ»Ρ Π½Π° 50 Π³ΡΠ°Π΄ΡΡΠΎΠ² Π΄Π»Ρ ΠΏΠ΅ΡΠ²ΡΡ Π΄Π²ΡΡ ΠΏΡΠΎΠΏΠΈΠ»ΠΎΠ².
Π¨Π°Π³ 3. Π‘Π΄Π΅Π»Π°ΠΉΡΠ΅ Π½Π°Π΄ΡΠ΅Π·Ρ
Π Π°Π·Π΄Π΅Π»ΠΈΡΠ΅ ΡΠ°Π½Π΅ΡΡ Π½Π° ΡΠ΅ΡΡΡΠ΅ ΡΠ°ΡΡΠΈ, ΠΈΡΠΏΠΎΠ»ΡΠ·ΡΡ Π΄Π²Π° ΡΠ°Π·ΡΠ΅Π·Π° ΡΠΎ ΡΠΊΠΎΡΠΎΠΌ ΠΈ ΠΎΠ΄ΠΈΠ½ ΡΠ°Π·ΡΠ΅Π· ΠΏΠΎΠ΄ ΡΠ³Π»ΠΎΠΌ 0 Β°, ΠΊΠ°ΠΊ ΡΠΊΠ°Π·Π°Π½ΠΎ Π½Π° ΡΡ
Π΅ΠΌΠ΅ Π² Π·Π°Π³ΡΡΠΆΠ°Π΅ΠΌΡΡ
ΡΡ
Π΅ΠΌΠ°Ρ
Π²ΡΡΠ΅.
Π¨Π°Π³ 4: ΠΡΡΠ΅ΠΆΡΡΠ΅ Π΄Π²Π΅ΡΡ
- Π‘ ΠΏΠΎΠΌΠΎΡΡΡ Π΄ΡΠ΅Π»ΠΈ / ΠΎΡΠ²Π΅ΡΡΠΊΠΈ ΠΏΡΠΎΡΠ²Π΅ΡΠ»ΠΈΡΠ΅ ΠΎΡΠ²Π΅ΡΡΡΠΈΠ΅ Π²Π½ΡΡΡΠΈ Π΄Π²Π΅ΡΠ½ΠΎΠ³ΠΎ ΠΊΠΎΠ½ΡΡΡΠ°.
- ΠΡΡΠ°Π²ΡΡΠ΅ Π»Π΅Π·Π²ΠΈΠ΅ Π»ΠΎΠ±Π·ΠΈΠΊΠ° Π² ΠΎΡΠ²Π΅ΡΡΡΠΈΠ΅ ΠΈ Π²ΡΡΠ΅ΠΆΡΡΠ΅ ΠΊΠΎΠ½ΡΡΡ.
Π¨Π°Π³ 5: Π‘ΠΎΠ±Π΅ΡΠΈΡΠ΅ ΠΎΡΠ½ΠΎΠ²Π°Π½ΠΈΠ΅
- ΠΠ°Π½Π΅ΡΠΈΡΠ΅ ΡΡΠΎΠ»ΡΡΠ½ΡΠΉ ΠΊΠ»Π΅ΠΉ Π½Π° ΠΏΠ΅ΡΠ΅Π΄Π½ΠΈΠΉ ΠΈ Π·Π°Π΄Π½ΠΈΠΉ ΠΊΡΠ°Ρ Π±ΠΎΠΊΠΎΠ²ΡΡ ΠΏΠ°Π½Π΅Π»Π΅ΠΉ.
- Π Π°ΡΠΏΠΎΠ»ΠΎΠΆΠΈΡΠ΅ ΡΡΠΎΡΠΎΠ½Ρ ΠΌΠ΅ΠΆΠ΄Ρ ΠΏΠ΅ΡΠ΅Π΄Π½Π΅ΠΉ ΠΈ Π·Π°Π΄Π½Π΅ΠΉ ΠΏΠ°Π½Π΅Π»ΡΠΌΠΈ.
- ΠΡΠΏΠΎΠ»ΡΠ·ΡΡ Π³Π²ΠΎΠ·Π΄ΠΎΠ΄Π΅Ρ, Π·Π°Π±Π΅ΠΉΡΠ΅ Π³Π²ΠΎΠ·Π΄ΠΈ Π΄ΠΈΠ°ΠΌΠ΅ΡΡΠΎΠΌ 1Β½ Π΄ΡΠΉΠΌΠ° ΡΠ΅ΡΠ΅Π· ΠΏΠ΅ΡΠ΅Π΄Π½ΡΡ ΠΈ Π·Π°Π΄Π½ΡΡ ΠΏΠ°Π½Π΅Π»ΠΈ ΠΈ Π² ΠΊΡΠ°Ρ Π±ΠΎΠΊΠΎΠ²ΡΡ ΠΏΠ°Π½Π΅Π»Π΅ΠΉ.
Π¨Π°Π³ 6: ΠΡΠΈΠΊΡΠ΅ΠΏΠΈΡΠ΅ ΠΊΡΡΡΡ
- ΠΠ°Π½Π΅ΡΠΈΡΠ΅ ΡΡΠΎΠ»ΡΡΠ½ΡΠΉ ΠΊΠ»Π΅ΠΉ Π½Π° Π²Π΅ΡΡ Π½ΠΈΠ΅ ΠΊΡΠ°Ρ ΡΠΎΠ±ΡΠ°Π½Π½ΠΎΠ³ΠΎ ΠΎΡΠ½ΠΎΠ²Π°Π½ΠΈΡ.
- Π£ΡΡΠ°Π½ΠΎΠ²ΠΈΡΠ΅ ΠΏΠ°Π½Π΅Π»ΠΈ ΠΊΡΡΡΠΈ.
- ΠΠ°Π±Π΅ΠΉΡΠ΅ Π³Π²ΠΎΠ·Π΄ΠΈ Π΄ΠΈΠ°ΠΌΠ΅ΡΡΠΎΠΌ 1Β½ Π΄ΡΠΉΠΌΠ° ΡΠ΅ΡΠ΅Π· ΠΏΠ°Π½Π΅Π»ΠΈ ΠΊΡΡΡΠΈ Π² ΠΏΠ΅ΡΠ΅Π΄Π½ΡΡ ΠΈ Π·Π°Π΄Π½ΡΡ ΠΏΠ°Π½Π΅Π»ΠΈ.
Π¨Π°Π³ 7: ΠΠΎΠ±Π°Π²ΡΡΠ΅ Π΄ΡΠΌΠΎΡ ΠΎΠ΄
ΠΠΆΠ΅Π½Π½ ΠΠ°ΡΠ΄ΠΆΠ΅ΡΡ- ΠΡΡΠ΅ΠΆΡΡΠ΅ ΠΊΡΡΠΊΠΈ Π΄ΡΠΌΠΎΡ
ΠΎΠ΄Π° ΠΏΠΎ ΡΠ°Π·ΠΌΠ΅ΡΡ.
(Π‘ΠΎΠ²Π΅Ρ: ΡΡΠΎ ΠΌΠΎΠΆΠ½ΠΎ ΡΠ΄Π΅Π»Π°ΡΡ, ΡΠ°Π·ΠΌΠ΅ΡΠΈΠ² Π»ΠΈΠ½ΠΈΠΈ ΠΈ ΡΠ°Π·ΡΠ΅Π·Π°Π² Π΄Π΅ΡΠ°Π»ΠΈ ΡΠΈΡΠΊΡΠ»ΡΡΠ½ΠΎΠΉ ΠΏΠΈΠ»ΠΎΠΉ, ΠΈΠ»ΠΈ ΠΈΡΠΏΠΎΠ»ΡΠ·ΡΡ ΡΠΎΡΡΠΎΠ²ΠΎΡΠ½ΡΡ ΠΏΠΈΠ»Ρ Ρ ΡΠ³Π»ΠΎΠΌ Π½Π°ΠΊΠ»ΠΎΠ½Π° 50 Π³ΡΠ°Π΄ΡΡΠΎΠ², ΡΡΠΎΠ±Ρ ΡΠΎΠΎΡΠ²Π΅ΡΡΡΠ²ΠΎΠ²Π°ΡΡ ΡΠ³Π»Ρ Π»ΠΈΠ½ΠΈΠΈ ΠΊΡΡΡΠΈ.) - ΠΠ°Π½Π΅ΡΠΈΡΠ΅ ΠΊΠ»Π΅ΠΉ Π΄Π»Ρ Π΄Π΅ΡΠ΅Π²Π° ΠΌΠ΅ΠΆΠ΄Ρ Π΄Π΅ΡΠ°Π»ΡΠΌΠΈ, Π° Π·Π°ΡΠ΅ΠΌ ΠΏΡΠΈΠ±Π΅ΠΉΡΠ΅ ΠΈΡ Π²ΠΌΠ΅ΡΡΠ΅ Π³Π²ΠΎΠ·Π΄ΡΠΌΠΈ Π΄ΠΈΠ°ΠΌΠ΅ΡΡΠΎΠΌ 1Β½ Π΄ΡΠΉΠΌΠ°. ΠΡΡΠ΅Π½ΡΡΠΈΡΡΠΉΡΠ΅ Π΄ΡΠΌΠΎΡ ΠΎΠ΄ Π½Π° Π»Π΅Π²ΠΎΠΉ ΠΏΠ°Π½Π΅Π»ΠΈ ΠΊΡΡΡΠΈ.
- ΠΠ±Π²Π΅Π΄ΠΈΡΠ΅ ΠΊΠΎΠ½ΡΡΡ Π΄ΡΠΌΠΎΡ ΠΎΠ΄Π° Π½Π° ΠΊΡΡΡΠ΅.
- ΠΠ°Π½Π΅ΡΠΈΡΠ΅ ΡΡΠΎΠ»ΡΡΠ½ΡΠΉ ΠΊΠ»Π΅ΠΉ Π½Π° Π½ΠΈΠΆΠ½ΡΡ ΡΠ°ΡΡΡ Π΄ΡΠΌΠΎΡ ΠΎΠ΄Π°.
- Π£ΡΡΠ°Π½ΠΎΠ²ΠΈΡΠ΅ Π΄ΡΠΌΠΎΡ ΠΎΠ΄, Π° Π·Π°ΡΠ΅ΠΌ ΠΏΡΠΈΠ±Π΅ΠΉΡΠ΅ ΡΠ΅ΡΠ΅Π· ΠΎΡΠ½ΠΎΠ²Π°Π½ΠΈΠ΅ Π΄ΡΠΌΠΎΡ ΠΎΠ΄Π° Π² ΠΊΡΡΡΡ.
ΠΠ½ΡΡΡΡΠΌΠ΅Π½ΡΡ:
ΠΠ°ΡΠ΅ΡΠΈΠ°Π»Ρ:
ΠΡΡΡΠΈΠΉ Π΄ΠΈΠ·Π°ΠΉΠ½ ΡΠ»ΠΈΡΠ½ΡΡ ΠΊΠΎΡΠ°ΡΡΠΈΡ Π΄ΠΎΠΌΠΈΠΊΠΎΠ²
ΠΠ°ΡΠΈ ΠΊΠΎΡΠΊΠΈ Π»ΡΠ±ΡΡ ΠΎΡΠ΄ΡΡ Π°ΡΡ ΠΈ Π²Π·Π΄ΡΠ΅ΠΌΠ½ΡΡΡ Π² Π»ΡΠ±ΠΎΠ΅ Π²ΡΠ΅ΠΌΡ ΡΡΡΠΎΠΊ. ΠΠ½ΠΎΠ³Π΄Π° ΠΊΠ°ΡΡΠΎΠ½Π½Π°Ρ ΠΊΠΎΡΠΎΠ±ΠΊΠ° Ρ ΠΌΡΠ³ΠΊΠΈΠΌ ΠΏΠΎΠ»ΠΎΡΠ΅Π½ΡΠ΅ΠΌ ΠΏΡΠΎΡΡΠΎ Π½Π΅ ΡΠ΅ΠΆΠ΅Ρ. ΠΠΌ Π½ΡΠΆΠ½ΠΎ ΡΡΠΎ-ΡΠΎ ΠΏΠΎΠ»ΡΡΡΠ΅. ΠΠ½ΠΈ Π·Π°ΡΠ»ΡΠΆΠΈΠ²Π°ΡΡ Π»ΡΡΡΠ΅Π³ΠΎ. ΠΠ°ΡΠΈΠΌ ΡΠ»ΠΈΡΠ½ΡΠΌ ΠΊΠΎΡΠΊΠ°ΠΌ Π½ΡΠΆΠ΅Π½ Π»ΡΡΡΠΈΠΉ Π΄ΠΈΠ·Π°ΠΉΠ½ ΡΠΎΠ±ΡΡΠ²Π΅Π½Π½ΡΡ ΠΊΠΎΡΠ°ΡΡΠΈΡ Π΄ΠΎΠΌΠΈΠΊΠΎΠ², Π³Π΄Π΅ ΠΎΠ½ΠΈ ΠΌΠΎΠ³Π»ΠΈ Π±Ρ ΠΎΡΠ΄ΡΡ Π°ΡΡ, ΡΠ°ΡΡΠ»Π°Π±Π»ΡΡΡΡΡ ΠΈ Π΄Π°ΠΆΠ΅ ΠΈΠ³ΡΠ°ΡΡ.
Π ΡΡΠΎΠΉ ΡΡΠ°ΡΡΠ΅ ΠΌΡ ΠΎΠ±ΡΡΠ΄ΠΈΠΌ ΡΠ°Π·Π»ΠΈΡΠ½ΡΠ΅ ΠΊΠΎΡΠ°ΡΡΠΈ Π΄ΠΎΠΌΠΈΠΊΠΈ, ΠΊΠΎΡΠΎΡΡΠ΅ Π΄ΠΎΡΡΡΠΏΠ½Ρ Π΄Π»Ρ Π²Π°Ρ ΠΈ Π²Π°ΡΠ΅ΠΉ ΠΊΠΎΡΠΊΠΈ Π½Π° ΡΡΠ½ΠΊΠ΅.
ΠΡ ΠΏΠΎΠ³ΠΎΠ²ΠΎΡΠΈΠΌ ΠΎΠ± ΡΠ»ΠΈΡΠ½ΡΡ
Π΄ΠΎΠΌΠΈΠΊΠ°Ρ
Π΄Π»Ρ ΠΊΠΎΡΠ΅ΠΊ, ΠΊΠΎΡΠΎΡΡΠ΅ ΠΏΠΎΠΌΠΎΠ³ΡΡ Π·Π°ΡΠΈΡΠΈΡΡ ΠΈΡ
ΠΎΡ Π΄ΠΎΠΆΠ΄Ρ ΠΈ ΡΠΎΡ
ΡΠ°Π½ΠΈΡΡ ΡΡΡ
ΠΈΠΌΠΈ. ΠΠΎΠΌΠΈΠΊΠΈ Π΄Π»Ρ ΠΊΠΎΡΠ΅ΠΊ, ΠΊΠΎΡΠΎΡΡΠ΅ ΠΌΠΎΠ³ΡΡ ΡΠΎΠ³ΡΠ΅ΡΡ ΠΈΡ
Π² Ρ
ΠΎΠ»ΠΎΠ΄Π½ΡΠ΅ ΠΌΠ΅ΡΡΡΡ, ΠΈ ΡΠ°Π·Π»ΠΈΡΠ½ΡΠ΅ ΡΡΠΌΠ°ΡΡΠ΅Π΄ΡΠΈΠ΅ ΠΊΠΎΠ½ΡΡΡΡΠΊΡΠΈΠΈ, ΠΎ ΠΊΠΎΡΠΎΡΡΡ
Π΄ΡΠΌΠ°ΡΡ Π½Π΅ΠΊΠΎΡΠΎΡΡΠ΅ ΠΊΠΎΠΌΠΏΠ°Π½ΠΈΠΈ ΠΏΠΎ ΠΏΡΠΎΠΈΠ·Π²ΠΎΠ΄ΡΡΠ²Ρ ΠΊΠΎΡΠ΅ΠΊ ΠΈ Π΄ΠΎΠΌΠ°ΡΠ½ΠΈΡ
ΠΆΠΈΠ²ΠΎΡΠ½ΡΡ
.
ΠΠ΅ΡΠΆΠΈΡΠ΅ Π²Π°ΡΠΈΡ ΠΊΠΎΡΠ΅ΠΊ Π² ΡΠ΅ΠΏΠ»Π΅
ΠΡΠ΄ΡΡΠΈ ΡΠ»ΠΈΡΠ½ΡΠΌΠΈ ΠΊΠΎΡΠΊΠ°ΠΌΠΈ, ΠΌΡ Π½Π΅ ΠΌΠΎΠΆΠ΅ΠΌ Π»Π΅Π³ΠΊΠΎ ΠΎΠ±Π΅ΡΠΏΠ΅ΡΠΈΡΡ ΠΈΡ ΡΠ΅ΠΏΠ»ΠΎΠΌ, ΠΊΠΎΡΠΎΡΠΎΠ΅ Π΅ΡΡΡ Ρ Π½Π°Ρ Π΄ΠΎΠΌΠ°. ΠΡΡΡΠ΅Π΅, ΡΡΠΎ ΠΌΡ ΠΌΠΎΠΆΠ΅ΠΌ ΡΠ΄Π΅Π»Π°ΡΡ, — ΡΡΠΎ ΠΏΡΠ΅Π΄ΠΎΡΡΠ°Π²ΠΈΡΡ ΠΈΠΌ ΠΊΠΎΡΠ°ΡΡΠΈ Π΄ΠΎΠΌΠΈΠΊΠΈ Ρ ΡΡΠ½ΠΊΡΠΈΠ΅ΠΉ ΠΎΠ±ΠΎΠ³ΡΠ΅Π²Π°, ΡΡΠΎΠ±Ρ ΠΎΠ½ΠΈ Π±ΡΠ»ΠΈ ΠΌΠ°ΠΊΡΠΈΠΌΠ°Π»ΡΠ½ΠΎ ΠΊΠΎΠΌΡΠΎΡΡΠ½ΡΠΌΠΈ, ΠΊΠΎΠ³Π΄Π° ΠΎΠ½ΠΈ Π½Π°Ρ ΠΎΠ΄ΡΡΡΡ Π²Π½ΡΡΡΠΈ ΡΠ²ΠΎΠ΅Π³ΠΎ ΠΊΠΎΡΠ°ΡΡΠ΅Π³ΠΎ Π΄ΠΎΠΌΠΈΠΊΠ°.
ΠΠΎΡ Π½Π΅ΡΠΊΠΎΠ»ΡΠΊΠΎ ΠΏΡΠΈΠΌΠ΅ΡΠΎΠ² Π΄ΠΎΠΌΠΈΠΊΠΎΠ² Π΄Π»Ρ ΠΊΠΎΡΠ΅ΠΊ, ΠΊΠΎΡΠΎΡΡΠ΅ ΠΌΠΎΠ³ΡΡ ΡΠΎΠ³ΡΠ΅ΡΡ Π²Π°ΡΠΈΡ Π΄ΡΡΠ·Π΅ΠΉ-ΠΊΠΎΡΠ΅ΠΊ Π½Π° ΠΎΡΠΊΡΡΡΠΎΠΌ Π²ΠΎΠ·Π΄ΡΡ Π΅.
ΠΠ·ΠΎΠ»ΠΈΡΠΎΠ²Π°Π½Π½ΡΠΉ Π΄ΠΎΠΌΠΈΠΊ Π΄Π»Ρ ΠΊΠΎΡΠ΅ΠΊ Π½Π° ΠΎΡΠΊΡΡΡΠΎΠΌ Π²ΠΎΠ·Π΄ΡΡ Π΅
ΠΠ·ΠΎΠ»ΠΈΡΠΎΠ²Π°Π½Π½ΡΠΉ Π΄ΠΎΠΌΠΈΠΊ Π΄Π»Ρ ΠΊΠΎΡΠ΅ΠΊ Π½Π° ΠΎΡΠΊΡΡΡΠΎΠΌ Π²ΠΎΠ·Π΄ΡΡ
Π΅ ΠΏΠΎΠΌΠΎΠΆΠ΅Ρ Π²Π°ΡΠ΅ΠΉ ΠΊΠΎΡΠΊΠ΅ ΡΠΎΠ³ΡΠ΅ΡΡΡΡ Π² Ρ
ΠΎΠ»ΠΎΠ΄Π½ΠΎΠ΅ Π²ΡΠ΅ΠΌΡ Π³ΠΎΠ΄Π°, ΠΎΡΠΎΠ±Π΅Π½Π½ΠΎ Π·ΠΈΠΌΠΎΠΉ. ΠΠΎΠ»ΡΡΠΈΠ½ΡΡΠ²ΠΎ ΠΊΠΎΡΠ°ΡΡΠΈΡ
Π΄ΠΎΠΌΠΈΠΊΠΎΠ² ΠΎΠ±Π»ΠΈΡΠΎΠ²Π°Π½Ρ ΠΈΠ·ΠΎΠ»ΡΡΠΈΠ΅ΠΉ, ΡΡΠΎΠ±Ρ ΡΠ΅ΠΏΠ»ΠΎ ΡΠ΅Π»Π° Π²Π°ΡΠ΅ΠΉ ΠΊΠΎΡΠΊΠΈ ΠΎΡΡΠ°Π²Π°Π»ΠΎΡΡ Π² Π»ΠΎΠ²ΡΡΠΊΠ΅ Π²Π½ΡΡΡΠΈ ΠΏΡΠΈΡΠ½ΠΈΠΊΠ° ΠΈ Π² Π½Π΅ΠΌ Π±ΡΠ»ΠΎ ΠΊΠΎΠΌΡΠΎΡΡΠ½ΠΎ Π½Π°Ρ
ΠΎΠ΄ΠΈΡΡΡΡ.
Π£ ΠΈΠ·ΠΎΠ»ΠΈΡΠΎΠ²Π°Π½Π½ΠΎΠ³ΠΎ ΠΊΠΎΡΠ°ΡΡΠ΅Π³ΠΎ Π΄ΠΎΠΌΠΈΠΊΠ° Π΅ΡΡΡ ΠΌΠ½ΠΎΠ³ΠΎ ΠΏΡΠ΅ΠΈΠΌΡΡΠ΅ΡΡΠ², ΠΏΠΎΠΌΠΈΠΌΠΎ ΡΠΎΡ ΡΠ°Π½Π΅Π½ΠΈΡ ΡΠ΅ΠΏΠ»Π° Π²Π½ΡΡΡΠΈ ΠΊΠΎΡΠ°ΡΡΠ΅Π³ΠΎ Π΄ΠΎΠΌΠΈΠΊΠ°.ΠΠ΄Π½Π° ΠΈΠ· Π½ΠΈΡ Π·Π°ΠΊΠ»ΡΡΠ°Π΅ΡΡΡ Π² ΡΠΎΠΌ, ΡΡΠΎ ΠΎΠ½ΠΈ ΡΠ°ΠΊΠΆΠ΅ ΠΎΡΡΠ°ΡΡΡΡ ΡΡΡ ΠΈΠΌΠΈ Π²Π½ΡΡΡΠΈ, ΠΊΠΎΠ³Π΄Π° ΠΈΠ΄Π΅Ρ Π΄ΠΎΠΆΠ΄Ρ. ΠΠ°Π»ΠΈΡΠΈΠ΅ ΠΈΠ·ΠΎΠ»ΠΈΡΠΎΠ²Π°Π½Π½ΠΎΠ³ΠΎ ΠΊΠΎΡΠ°ΡΡΠ΅Π³ΠΎ Π΄ΠΎΠΌΠΈΠΊΠ° ΠΎΠ·Π½Π°ΡΠ°Π΅Ρ, ΡΡΠΎ Π² ΠΊΠΎΡΠ°ΡΡΠ΅ΠΌ Π΄ΠΎΠΌΠΈΠΊΠ΅ Π½Π΅ Π±ΡΠ΄Π΅Ρ ΠΏΡΠΎΡΠ°ΡΠΈΠ²Π°ΡΡΡΡ Π²Π»Π°Π³ΠΈ, ΠΈ ΠΎΠ½ΠΈ ΠΎΡΡΠ°Π½ΡΡΡΡ Π²Π½ΡΡΡΠΈ Π΄ΠΎΠΌΠ°, ΠΏΠΎΡΠΎΠΌΡ ΡΡΠΎ Π²ΡΠ΅ ΠΌΡ Π·Π½Π°Π΅ΠΌ, ΠΊΠ°ΠΊ Π½Π°ΡΠΈ ΠΊΠΎΡΠΊΠΈ Π½Π΅Π½Π°Π²ΠΈΠ΄ΡΡ ΠΏΡΠΎΠΌΠΎΠΊΠ½ΡΡΡ.
ΠΠΎΠ»ΡΡΠΈΠ½ΡΡΠ²ΠΎ Π΄ΠΎΠΌΠΈΠΊΠΎΠ² Π΄Π»Ρ ΠΊΠΎΡΠ΅ΠΊ ΡΠ΅ΠΏΠ΅ΡΡ ΠΈΠΌΠ΅ΡΡ Π²ΡΡΡΠΎΠ΅Π½Π½ΡΡ ΠΈΠ·ΠΎΠ»ΡΡΠΈΡ, ΠΊΠΎΠ³Π΄Π° Π²Ρ ΠΈΡ ΠΏΠΎΠΊΡΠΏΠ°Π΅ΡΠ΅. ΠΠ΄Π½Π°ΠΊΠΎ, Π΅ΡΠ»ΠΈ Π²Ρ ΠΊΠΎΠ³Π΄Π°-Π½ΠΈΠ±ΡΠ΄Ρ ΡΠ΅ΡΠΈΡΠ΅ ΡΠ΄Π΅Π»Π°ΡΡ ΡΠ²ΠΎΠΉ ΡΠΎΠ±ΡΡΠ²Π΅Π½Π½ΡΠΉ ΠΏΡΠΎΠ΅ΠΊΡ, Π²Π°ΠΌ, Π²ΠΎΠ·ΠΌΠΎΠΆΠ½ΠΎ, ΠΏΡΠΈΠ΄Π΅ΡΡΡ ΡΠ΄Π΅Π»Π°ΡΡ Π½Π΅ΡΠΊΠΎΠ»ΡΠΊΠΎ Π²Π°ΡΠΈΠ°Π½ΡΠΎΠ². ΠΡ Π²Π΅ΡΠ½Π΅ΠΌΡΡ ΠΊ ΡΡΠΎΠΌΡ ΠΏΠΎΠ·ΠΆΠ΅ Π² ΡΡΠΎΠΉ ΡΡΠ°ΡΡΠ΅.
Π£Π»ΠΈΡΠ½ΡΠΉ ΠΎΠ±ΠΎΠ³ΡΠ΅Π²Π°Π΅ΠΌΡΠΉ Π΄ΠΎΠΌ Π΄Π»Ρ ΠΊΠΎΡΠ΅ΠΊ
Π£Π΄ΠΈΠ²ΠΈΡΠ΅Π»ΡΠ½ΠΎ, Π½ΠΎ ΠΏΠΎΠΌΠΈΠΌΠΎ ΡΠ΅ΠΏΠ»ΠΎΠΈΠ·ΠΎΠ»ΡΡΠΈΠΈ, ΡΠ΅ΠΏΠ΅ΡΡ Π΅ΡΡΡ ΠΊΠΎΡΠ°ΡΡΠΈ Π΄ΠΎΠΌΠΈΠΊΠΈ Ρ ΠΎΠ±ΠΎΠ³ΡΠ΅Π²Π°ΡΠ΅Π»ΡΠΌΠΈ ΠΈ ΠΏΠΎΠ΄ΠΎΠ³ΡΠ΅Π²Π°Π΅ΠΌΡΠΌΠΈ Π»Π΅ΠΆΠ°ΠΊΠ°ΠΌΠΈ Π²Π½ΡΡΡΠΈ ΠΊΠΎΡΠ°ΡΡΠ΅Π³ΠΎ Π΄ΠΎΠΌΠΈΠΊΠ°.ΠΡΠΈ ΠΊΠΎΡΠ°ΡΡΠΈ Π΄ΠΎΠΌΠΈΠΊΠΈ Π΄ΠΎΠ»ΠΆΠ½Ρ Π±ΡΡΡ ΠΏΠΎΠ΄ΠΊΠ»ΡΡΠ΅Π½Ρ ΠΊ ΡΠ»Π΅ΠΊΡΡΠΎΡΠ΅ΡΠΈ, ΡΡΠΎΠ±Ρ ΠΎΠ½ΠΈ ΡΠ°Π±ΠΎΡΠ°Π»ΠΈ. ΠΡΡΡ ΠΌΠ½ΠΎΠΆΠ΅ΡΡΠ²ΠΎ ΠΊΠΎΡΠ°ΡΡΠΈΡ
Π΄ΠΎΠΌΠΈΠΊΠΎΠ² Ρ ΠΎΠ±ΠΎΠ³ΡΠ΅Π²Π°ΡΠ΅Π»ΡΠΌΠΈ ΠΈ ΠΏΠΎΠ΄ΠΎΠ³ΡΠ΅Π²Π°Π΅ΠΌΡΠΌΠΈ Π»Π΅ΠΆΠ°ΠΊΠ°ΠΌΠΈ. ΠΠ°Π²Π΅ΡΠ½ΠΎΠ΅, ΠΎΠ΄Π½ΠΈΠΌ ΠΈΠ· ΠΌΠΎΠΈΡ
Π»ΡΠ±ΠΈΠΌΡΡ
ΡΠ²Π»ΡΠ΅ΡΡΡ Π΄ΠΎΠΌΠΈΠΊ Π΄Π»Ρ ΠΊΠΎΡΠ΅ΠΊ K&H Outdoor Multi-Kitty A-Frame.
ΠΡΠΎΡ ΠΊΠΎΡΠ°ΡΠΈΠΉ Π΄ΠΎΠΌΠΈΠΊ ΠΏΠΎΠ·Π²ΠΎΠ»ΡΠ΅Ρ ΠΎΡΠ°ΠΏΠ»ΠΈΠ²Π°ΡΡ ΠΊΠΎΡΠ°ΡΠΈΠΉ Π΄ΠΎΠΌΠΈΠΊ ΠΈΠ»ΠΈ ΠΈΠ½ΡΠΌ ΠΎΠ±ΡΠ°Π·ΠΎΠΌ. Π§ΡΠΎ Π·Π°ΠΌΠ΅ΡΠ°ΡΠ΅Π»ΡΠ½ΠΎ Π² ΡΡΠΎΠΌ Π΄ΠΎΠΌΠΈΠΊΠ΅ Π΄Π»Ρ ΠΊΠΎΡΠ΅ΠΊ, ΡΠ°ΠΊ ΡΡΠΎ ΡΠΎ, ΡΡΠΎ ΠΎΠ½ ΠΎΡΠ½Π°ΡΠ΅Π½ ΠΏΠΎΠ΄ΠΎΠ³ΡΠ΅Π²Π°Π΅ΠΌΠΎΠΉ ΠΊΠΎΡΠ°ΡΡΠ΅ΠΉ ΠΏΠΎΠ΄ΡΡΠΈΠ»ΠΊΠΎΠΉ, Π² ΠΊΠΎΡΠΎΡΠΎΠΉ Π²Π°ΡΠ° ΠΊΠΎΡΠΊΠ° ΠΌΠΎΠΆΠ΅Ρ ΡΠΏΠ°ΡΡ Ρ ΡΠ΄ΠΎΠ²ΠΎΠ»ΡΡΡΠ²ΠΈΠ΅ΠΌ ΠΏΡΠΈ Π½Π°ΡΡΡΠΏΠ»Π΅Π½ΠΈΠΈ Π·ΠΈΠΌΠ½Π΅Π³ΠΎ Π²Π΅ΡΡΠ°.
ΠΠΎΠ³ΠΎΠ΄Π° Π² ΡΡΠΎΡΠΌΠ΅
ΠΠ΄ΠΈΠ½ ΠΈΠ· Π³Π»Π°Π²Π½ΡΡ ΠΊΠΎΠ½ΡΠ΅ΡΡΠΎΠ² Π²Π»Π°Π΄Π΅Π»ΡΡΠ΅Π² ΠΊΠΎΡΠ΅ΠΊ ΠΏΠΎ Π²ΡΠ΅ΠΌΡ ΠΌΠΈΡΡ — Π΄ΠΎΠΆΠ΄Ρ.ΠΠ°ΡΠΈ ΠΊΠΎΡΠΊΠΈ ΡΠ°ΠΊ Π½Π΅Π½Π°Π²ΠΈΠ΄ΡΡ Π΄ΠΎΠΆΠ΄Ρ, ΡΡΠΎ ΠΈΠΌ Π½ΡΠΆΠ½ΠΎ Π½Π°ΠΉΡΠΈ ΠΌΠ΅ΡΡΠΎ, ΡΡΠΎΠ±Ρ ΡΠΏΡΡΡΠ°ΡΡΡΡ ΠΎΡ Π½Π΅Π³ΠΎ. ΠΡΠΌΠΎΡΡΠ΅ΡΠΎΡΡΠΎΠΉΠΊΠΎΡΡΡ ΠΎΠ·Π½Π°ΡΠ°Π΅Ρ, ΡΡΠΎ ΡΡΠΈ Π΄ΠΎΠΌΠ° ΡΡΡΠΎΠΉΡΠΈΠ²Ρ ΠΊ Π²ΠΎΠ·Π΄Π΅ΠΉΡΡΠ²ΠΈΡ Π½Π΅ΠΏΠΎΠ³ΠΎΠ΄Ρ, ΠΎΡΠΎΠ±Π΅Π½Π½ΠΎ Π΄ΠΎΠΆΠ΄Ρ.
ΠΠΎΠ΄ΠΎΠ½Π΅ΠΏΡΠΎΠ½ΠΈΡΠ°Π΅ΠΌΡΠ΅ Π΄ΠΎΠΌΠΈΠΊΠΈ Π΄Π»Ρ ΠΊΠΎΡΠ΅ΠΊ Π½Π° ΠΎΡΠΊΡΡΡΠΎΠΌ Π²ΠΎΠ·Π΄ΡΡ Π΅ — ΡΡΠΎ Π»ΠΈΡΡ ΠΎΠ΄Π½Π° ΠΈΠ· ΠΌΠ½ΠΎΠ³ΠΈΡ Π²Π΅ΡΠ΅ΠΉ, ΠΊΠΎΡΠΎΡΡΠ΅ ΠΌΠΎΠ³ΡΡ Π·Π°ΡΠΈΡΠΈΡΡ Π²Π°ΡΡ ΠΊΠΎΡΠΊΡ ΠΎΡ Π΄ΠΎΠΆΠ΄Ρ. Π§ΡΠΎ ΠΎΠ½ΠΈ Π΄Π΅Π»Π°ΡΡ, ΡΠ°ΠΊ ΡΡΠΎ ΡΠΎ, ΡΡΠΎ ΠΎΠ½ΠΈ ΡΠ²Π΅ΡΠ΅Π½Ρ, ΡΡΠΎ Π΄ΠΎΠΆΠ΄Ρ Π½Π΅ ΠΏΡΠΎΡ ΠΎΠ΄ΠΈΡ ΡΠ΅ΡΠ΅Π· ΠΌΠ°ΡΠ΅ΡΠΈΠ°Π», ΠΈΠ· ΠΊΠΎΡΠΎΡΠΎΠ³ΠΎ ΡΠΎΡΡΠΎΠΈΡ ΠΊΠΎΡΠ°ΡΠΈΠΉ Π΄ΠΎΠΌΠΈΠΊ.
ΠΡΠΎ ΠΎΡΠΎΠ±Π΅Π½Π½ΠΎ Π²Π°ΠΆΠ½ΠΎ, Π΅ΡΠ»ΠΈ Π²Ρ ΠΆΠΈΠ²Π΅ΡΠ΅ Π² Π³ΠΎΡΠΎΠ΄Π΅, Π³Π΄Π΅ Π΄ΠΎΠΆΠ΄Ρ ΠΈ ΡΠ½Π΅Π³ ΠΏΠΎΡΡΠΈ Π²ΡΠ΅Π³Π΄Π° ΠΈΠ΄ΡΡ.ΠΡΠ΅ΠΆΠ΄Π΅ ΡΠ΅ΠΌ ΠΏΠΎΠΉΡΠΈ ΠΈ ΠΊΡΠΏΠΈΡΡ ΠΊΠΎΡΠ°ΡΠΈΠΉ Π΄ΠΎΠΌΠΈΠΊ Π΄Π»Ρ ΡΠ²ΠΎΠ΅Π³ΠΎ ΠΏΡΡΠΈΡΡΠΎΠ³ΠΎ Π΄ΡΡΠ³Π°, ΡΠ±Π΅Π΄ΠΈΡΠ΅ΡΡ, ΡΡΠΎ ΡΡΠΎΡ Π΄ΠΎΠΌΠΈΠΊ Π²ΡΠ΄Π΅ΡΠΆΠΈΡ Π½Π΅ΠΏΠΎΠ³ΠΎΠ΄Ρ.
ΠΠΎΠ»ΡΡΠΎΠΉ ΡΠ»ΠΈΡΠ½ΡΠΉ ΠΊΠΎΡΠ°ΡΠΈΠΉ Π΄ΠΎΠΌΠΈΠΊ
ΠΠ½ΠΎΠ³Π΄Π° ΠΎΠ΄Π½ΠΎΠΉ ΠΊΠΎΡΠΊΠΈ Π½Π΅Π΄ΠΎΡΡΠ°ΡΠΎΡΠ½ΠΎ, Ρ, ΠΊΠΎΠ½Π΅ΡΠ½ΠΎ, Π³ΠΎΠ²ΠΎΡΡ Π·Π° ΡΠ΅Π±Ρ. Π§ΡΠΎ Ρ Π½Π°Ρ Π΅ΡΡΡ, Π΅ΡΠ»ΠΈ Ρ Π½Π°Ρ Π΄ΠΎΠΌΠ° Π½Π΅ΡΠΊΠΎΠ»ΡΠΊΠΎ ΠΊΠΎΡΠ΅ΠΊ?
ΠΠΎΠ»ΡΡΠΈΠ΅ ΡΠ»ΠΈΡΠ½ΡΠ΅ ΠΊΠΎΡΠ°ΡΡΠΈ Π΄ΠΎΠΌΠΈΠΊΠΈ Π΄Π»Ρ Π½Π΅ΡΠΊΠΎΠ»ΡΠΊΠΈΡ ΠΊΠΎΡΠ΅ΠΊ ΡΠ°ΠΊΠΆΠ΅ Π΄ΠΎΡΡΡΠΏΠ½Ρ Π² Π·ΠΎΠΎΠΌΠ°Π³Π°Π·ΠΈΠ½Π°Ρ ΠΈ ΠΈΠ½ΡΠ΅ΡΠ½Π΅Ρ-ΠΌΠ°Π³Π°Π·ΠΈΠ½Π°Ρ . Π ΡΡΠΈΡ Π΄ΠΎΠΌΠΈΠΊΠ°Ρ ΠΌΠΎΠ³ΡΡ ΡΠ°Π·ΠΌΠ΅ΡΡΠΈΡΡΡΡ Π΄ΠΎ ΡΠ΅ΡΡΡΠ΅Ρ ΠΊΠΎΡΠ΅ΠΊ. ΠΡΠΎ Π΄Π°Π΅Ρ ΠΈΠΌ ΡΠΊΡΡΡΠΈΠ΅ ΠΎΡ Π΄ΠΎΠΆΠ΄Ρ ΠΈ Π΄ΡΡΠ³ΠΈΡ ΡΡΡΠΎΠ²ΡΡ ΠΏΠΎΠ³ΠΎΠ΄Π½ΡΡ ΡΡΠ»ΠΎΠ²ΠΈΠΉ.ΠΡΠΎ ΠΌΠΎΠΆΠ΅Ρ Π΄Π°ΡΡ ΠΈΠΌ Π΄ΠΎΡΡΠ°ΡΠΎΡΠ½ΠΎ ΠΌΠ΅ΡΡΠ°, ΡΡΠΎΠ±Ρ ΠΏΠ΅ΡΠ΅Π΄Π²ΠΈΠ³Π°ΡΡΡΡ, Π»Π΅ΡΡ ΠΈ ΠΎΡΠ΄ΡΡ Π°ΡΡ ΡΠΎ Π²ΡΠ΅ΠΌΠΈ ΡΠ²ΠΎΠΈΠΌΠΈ ΠΊΠΎΡΠ°ΡΡΠΈΠΌΠΈ Π±ΡΠ°ΡΡΡΠΌΠΈ ΠΈ ΡΠ΅ΡΡΡΠ°ΠΌΠΈ.
ΠΡΠ»ΠΈ Π²Ρ Ρ ΠΎΡΠΈΡΠ΅ ΡΠ΅Π³ΠΎ-ΡΠΎ Π±ΠΎΠ»ΡΡΠ΅Π³ΠΎ, ΡΠ΅ΠΌ ΠΏΡΠΎΡΡΠΎ ΠΏΠ°ΡΠ° ΠΊΠΎΡΠ΅ΠΊ, Π²ΠΎΠ·ΠΌΠΎΠΆΠ½ΠΎ, Π²Π°ΠΌ ΠΏΡΠΈΠ΄Π΅ΡΡΡ ΠΏΠΎΡΡΡΠΎΠΈΡΡ ΡΠΎΠ±ΡΡΠ²Π΅Π½Π½ΡΠΉ ΠΊΠΎΡΠ°ΡΠΈΠΉ Π΄ΠΎΠΌΠΈΠΊ Π΄Π»Ρ ΡΠ²ΠΎΠ΅Π³ΠΎ ΡΡΠ°Π΄Π° ΠΊΠΎΡΠ΅ΠΊ.
ΠΡΠΈΡΡΡ Π΄Π»Ρ Π΄ΠΈΠΊΠΈΡ ΠΊΠΎΡΠ΅ΠΊ
ΠΡΠ΅ ΠΌΡ Π·Π½Π°Π΅ΠΌ ΠΎ Π±ΠΎΡΡΠ±Π΅ Π±ΡΠΎΠ΄ΡΡΠΈΡ ΠΈ Π΄ΠΈΠΊΠΈΡ ΠΊΠΎΡΠ΅ΠΊ, ΠΊΠΎΡΠΎΡΡΠ΅ Ρ ΠΎΠ΄ΡΡ ΠΏΠΎ Π½Π°ΡΠ΅ΠΌΡ ΡΠΎΠΎΠ±ΡΠ΅ΡΡΠ²Ρ Π±Π΅Π· Π΄ΠΎΠΌΠ°. ΠΠ°ΠΊ Π±Ρ ΠΌΡ Π½ΠΈ Ρ ΠΎΡΠ΅Π»ΠΈ ΠΏΠΎΠΌΠΎΡΡ ΠΈΠΌ ΠΈ ΡΠΎΡ ΡΠ°Π½ΠΈΡΡ ΠΈΡ Π² Π±Π΅Π·ΠΎΠΏΠ°ΡΠ½ΠΎΡΡΠΈ Π² Π½Π°ΡΠΈΡ ΡΠΎΠ±ΡΡΠ²Π΅Π½Π½ΡΡ Π΄ΠΎΠΌΠ°Ρ , ΠΈΠ½ΠΎΠ³Π΄Π° ΡΡΠΎΠ³ΠΎ ΠΏΡΠΎΡΡΠΎ Π½Π΅Π΄ΠΎΡΡΠ°ΡΠΎΡΠ½ΠΎ.
ΠΡΠΈΡΡΡ Π΄Π»Ρ ΠΊΠΎΡΠ΅ΠΊ Π½Π° ΠΎΡΠΊΡΡΡΠΎΠΌ Π²ΠΎΠ·Π΄ΡΡ
Π΅ ΠΌΠΎΠ³ΡΡ ΠΏΡΠ΅Π΄ΠΎΡΡΠ°Π²ΠΈΡΡ ΠΈΠΌ Π±Π΅Π·ΠΎΠΏΠ°ΡΠ½ΠΎΠ΅ ΠΏΡΠΎΡΡΡΠ°Π½ΡΡΠ²ΠΎ, Π² ΠΊΠΎΡΠΎΡΠΎΠΌ ΠΎΠ½ΠΈ ΠΌΠΎΠ³ΡΡ ΡΠ½ΡΡΡ Π½Π°Π³ΡΡΠ·ΠΊΡ ΠΈ Π½Π΅ΠΌΠ½ΠΎΠ³ΠΎ ΡΠ°ΡΡΠ»Π°Π±ΠΈΡΡΡΡ, ΠΏΡΠ΅ΠΆΠ΄Π΅ ΡΠ΅ΠΌ ΡΠ½ΠΎΠ²Π° ΠΎΡΠΏΡΠ°Π²ΠΈΡΡΡΡ Π² Π³ΠΎΡΠΎΠ΄.
Π Π²Ρ ΠΏΠΎ-ΠΏΡΠ΅ΠΆΠ½Π΅ΠΌΡ ΠΌΠΎΠΆΠ΅ΡΠ΅ Π²ΡΠ±ΡΠ°ΡΡ Π»ΡΡΡΠΈΠΉ Π΄ΠΈΠ·Π°ΠΉΠ½ ΡΠ»ΠΈΡΠ½ΡΡ
ΠΊΠΎΡΠ°ΡΡΠΈΡ
Π΄ΠΎΠΌΠΈΠΊΠΎΠ² Π΄Π»Ρ Π΄ΠΈΠΊΠΈΡ
ΠΊΠΎΡΠ΅ΠΊ. ΠΠΎΠ΄ΠΎΠ±Π½ΠΎ ΡΠ»ΠΈΡΠ½ΠΎΠΌΡ ΠΊΠΎΡΠ°ΡΡΠ΅ΠΌΡ Π΄ΠΎΠΌΠΈΠΊΡ, ΠΊΠΎΡΠΎΡΡΠΉ Π΅ΡΡΡ Ρ Π½Π°Ρ Π²ΠΎ Π΄Π²ΠΎΡΠ΅, ΠΌΡ ΠΌΠΎΠΆΠ΅ΠΌ ΡΠ΄Π΅Π»Π°ΡΡ ΡΠ»ΠΈΡΠ½ΡΠΉ Π΄ΠΎΠΌΠΈΠΊ Π΄Π»Ρ Π΄ΠΈΠΊΠΈΡ
ΠΊΠΎΡΠ΅ΠΊ Π΄Π»Ρ ΠΊΠΎΡΠ΅ΠΊ, ΠΊΠΎΡΠΎΡΡΠ΅ Π² Π½ΠΈΡ
Π½ΡΠΆΠ΄Π°ΡΡΡΡ. ΠΡΠΎ ΠΌΠΎΠΆΠ΅Ρ Π±ΡΡΡ Π·Π°ΡΠΈΡΠ΅Π½Π½ΡΠΉ ΠΎΡ Π½Π΅ΠΏΠΎΠ³ΠΎΠ΄Ρ ΡΠ»ΠΈΡΠ½ΡΠΉ ΠΏΡΠΈΡΡ Π΄Π»Ρ Π±Π΅Π·Π΄ΠΎΠΌΠ½ΡΡ
ΠΊΠΎΡΠ΅ΠΊ ΠΈΠ· Π½Π°ΡΠ΅Π³ΠΎ ΡΠΎΠΎΠ±ΡΠ΅ΡΡΠ²Π°.
Π Π΄ΠΎΠΏΠΎΠ»Π½Π΅Π½ΠΈΠ΅ ΠΊ ΡΡΠΎΠΌΡ, ΡΡΠΎ ΡΠ°ΠΊΠΆΠ΅ ΠΌΠΎΠ³ΡΡ Π±ΡΡΡ ΠΏΡΠΈΡΡΡ Π΄Π»Ρ ΠΊΠΎΡΠ΅ΠΊ Π½Π° ΠΎΡΠΊΡΡΡΠΎΠΌ Π²ΠΎΠ·Π΄ΡΡ Π΅ ΠΈ ΠΏΡΠ½ΠΊΡΡ ΠΊΠΎΡΠΌΠ»Π΅Π½ΠΈΡ, ΡΡΠΎΠ±Ρ ΠΈΡ ΠΊΠΎΡΠΌΠΈΡΡ ΠΈ Π²ΡΠΆΠΈΠ²Π°ΡΡ, ΡΡΠΎΠ±Ρ ΠΆΠΈΡΡ Π½Π° ΡΠ»ΠΈΡΠ΅. ΠΡ Π΄ΠΎΠ»ΠΆΠ½Ρ Π²Π½Π΅ΡΡΠΈ ΡΠ²ΠΎΠΉ Π²ΠΊΠ»Π°Π΄, ΠΏΠΎ-ΡΠ²ΠΎΠ΅ΠΌΡ, ΡΡΠΎΠ±Ρ ΠΏΠΎΠΌΠΎΡΡ ΡΡΠΈΠΌ Π΄ΠΈΠΊΠΈΠΌ ΠΈ Π±Π΅Π·Π΄ΠΎΠΌΠ½ΡΠΌ ΠΊΠΎΡΠΊΠ°ΠΌ.
ΠΠΎΠΌΠΈΠΊΠΈ Π΄Π»Ρ ΠΊΠΎΡΠ΅ΠΊ ΡΠ²ΠΎΠΈΠΌΠΈ ΡΡΠΊΠ°ΠΌΠΈ
ΠΡΠ»ΠΈ Π²Π°ΠΌ Π½ΡΠΆΠ½ΠΎ Π½Π΅ΡΡΠΎ Π±ΠΎΠ»ΡΡΠ΅Π΅, ΡΠ΅ΠΌ ΠΏΡΠΎΡΡΠΎ ΠΊΠ°ΡΡΠΎΠ½Π½Π°Ρ ΠΊΠΎΡΠΎΠ±ΠΊΠ° Π΄ΠΎΠΌΠ°, Π²ΠΎΠ·ΠΌΠΎΠΆΠ½ΠΎ, Π²Π°ΠΌ ΠΏΡΠΈΠ΄Π΅ΡΡΡ ΠΏΠΎΡΡΡΠΎΠΈΡΡ ΡΠΎΠ±ΡΡΠ²Π΅Π½Π½ΡΠΉ ΠΊΠΎΡΠ°ΡΠΈΠΉ Π΄ΠΎΠΌΠΈΠΊ Π΄Π»Ρ ΡΠ²ΠΎΠΈΡ
ΠΊΠΎΡΠ΅ΠΊ Ρ ΡΠ΅Π±Ρ Π΄ΠΎΠΌΠ° ΠΈΠ»ΠΈ Π² ΠΎΠ±ΡΠΈΠ½Π΅. ΠΡΡΡ ΠΌΠ½ΠΎΠ³ΠΎ Π΄ΠΎΠΌΠΈΠΊΠΎΠ² Π΄Π»Ρ ΠΊΠΎΡΠ΅ΠΊ ΡΠ²ΠΎΠΈΠΌΠΈ ΡΡΠΊΠ°ΠΌΠΈ, Π² ΠΊΠΎΡΠΎΡΡΡ
Π²Ρ ΠΌΠΎΠΆΠ΅ΡΠ΅ ΠΏΠΎΡΠ΅ΡΠΏΠ½ΡΡΡ Π²Π΄ΠΎΡ
Π½ΠΎΠ²Π΅Π½ΠΈΠ΅. ΠΡΠ»ΠΈ Π²Ρ Π΄ΡΠΌΠ°Π΅ΡΠ΅, ΡΡΠΎ ΡΡΠΎ Π±ΡΠ΄Π΅Ρ ΡΠ»ΠΎΠΆΠ½ΠΎ, ΡΡΠΎ Π½Π΅ΠΏΡΠ°Π²Π΄Π°. ΠΠΎΡ Π½Π΅ΡΠΊΠΎΠ»ΡΠΊΠΎ ΡΠ°Π³ΠΎΠ², ΠΊΠΎΡΠΎΡΡΠ΅ Π²Ρ ΠΌΠΎΠΆΠ΅ΡΠ΅ ΠΏΡΠ΅Π΄ΠΏΡΠΈΠ½ΡΡΡ, ΡΡΠΎΠ±Ρ ΠΏΠΎΡΡΡΠΎΠΈΡΡ ΡΠΎΠ±ΡΡΠ²Π΅Π½Π½ΡΠΉ ΠΏΡΠΈΡΡ Π΄Π»Ρ ΠΊΠΎΡΠ΅ΠΊ Π½Π° ΠΎΡΠΊΡΡΡΠΎΠΌ Π²ΠΎΠ·Π΄ΡΡ
Π΅.
ΠΠ°ΠΉΠ΄ΠΈΡΠ΅ ΠΈΠ΄Π΅Π°Π»ΡΠ½ΠΎΠ΅ ΠΌΠ΅ΡΡΠΎ
ΠΠ°ΠΌ Π½ΡΠΆΠ½ΠΎ Π½Π°ΠΉΡΠΈ Π»ΡΡΡΠ΅Π΅ ΠΌΠ΅ΡΡΠΎ Π² Π²Π°ΡΠ΅ΠΌ Π΄Π²ΠΎΡΠ΅, ΡΡΠΎΠ±Ρ Π²Π°ΡΠΈ ΠΊΠΎΡΠΊΠΈ ΠΌΠΎΠ³Π»ΠΈ ΠΏΠΎΠ»ΡΡΠΈΡΡ ΠΌΠ°ΠΊΡΠΈΠΌΡΠΌ ΡΠ΄ΠΎΠ²ΠΎΠ»ΡΡΡΠ²ΠΈΡ ΠΎΡ ΡΡΠΎΠ³ΠΎ ΠΊΠΎΡΠ°ΡΡΠ΅Π³ΠΎ Π΄ΠΎΠΌΠΈΠΊΠ°.ΠΠΎΠΌΠ΅ΡΡΠΈΡΠ΅ Π΅Π³ΠΎ ΡΠ°ΠΊ, ΡΡΠΎΠ±Ρ ΠΎΠ½ΠΈ ΠΌΠΎΠ³Π»ΠΈ Π»Π΅Π³ΠΊΠΎ Π΄ΠΎΠ±ΡΠ°ΡΡΡΡ Π΄ΠΎ ΠΊΠΎΡΠ°ΡΡΠ΅Π³ΠΎ Π΄ΠΎΠΌΠΈΠΊΠ°, ΠΊΠΎΠ³Π΄Π° ΠΈΠΌ Π½ΡΠΆΠ½ΠΎ. ΠΡΠΎΠΌΠ΅ ΡΠΎΠ³ΠΎ, Π΄Π°ΠΉΡΠ΅ ΠΈΠΌ Π΄ΠΎΡΡΠ°ΡΠΎΡΠ½ΠΎ ΠΌΠ΅ΡΡΠ°, ΡΡΠΎΠ±Ρ ΠΎΠ½ΠΈ ΠΌΠΎΠ³Π»ΠΈ ΠΏΠ΅ΡΠ΅ΠΌΠ΅ΡΠ°ΡΡΡΡ ΠΏΠΎΠ±Π»ΠΈΠ·ΠΎΡΡΠΈ ΠΎΡ ΠΊΠΎΡΠ°ΡΡΠ΅Π³ΠΎ Π΄ΠΎΠΌΠΈΠΊΠ°.
ΠΡΠ±Π΅ΡΠΈΡΠ΅ Π΄ΠΈΠ·Π°ΠΉΠ½
ΠΠ΄ΠΈΡΠ΅ Π²ΠΏΠ΅ΡΠ΅Π΄ ΠΈ ΠΏΠΎΠΈΡΠΈΡΠ΅ Π² ΠΠ½ΡΠ΅ΡΠ½Π΅ΡΠ΅ Π»ΡΡΡΠΈΠ΅ ΠΎΠ±ΡΠ°Π·ΡΡ Π΄ΠΈΠ·Π°ΠΉΠ½Π° ΡΠ»ΠΈΡΠ½ΡΡ ΠΊΠΎΡΠ°ΡΡΠΈΡ Π΄ΠΎΠΌΠΈΠΊΠΎΠ², ΠΊΠΎΡΠΎΡΡΠ΅ Π²Ρ ΠΌΠΎΠΆΠ΅ΡΠ΅ ΡΠ΄Π΅Π»Π°ΡΡ Π΄Π»Ρ ΡΠ²ΠΎΠ΅Π³ΠΎ ΡΠ»ΠΈΡΠ½ΠΎΠ³ΠΎ ΠΊΠΎΡΠ°ΡΡΠ΅Π³ΠΎ Π΄ΠΎΠΌΠΈΠΊΠ°. ΠΠΎΠ΄ΡΠΌΠ°ΠΉΡΠ΅, ΡΠ΅ΠΌ Π²Π°ΡΠ° ΠΊΠΎΡΠΊΠ° Π»ΡΠ±ΠΈΡ Π·Π°Π½ΠΈΠΌΠ°ΡΡΡΡ, ΠΈ ΠΏΠΎΠ΄ΡΠΌΠ°ΠΉΡΠ΅ ΠΎ ΠΏΠΎΠ³ΠΎΠ΄Π΅ Π² Π²Π°ΡΠ΅ΠΌ ΡΠ°ΠΉΠΎΠ½Π΅. ΠΠΎΠ΄ΡΠΌΠ°ΠΉΡΠ΅, Π½ΡΠΆΠ΅Π½ Π»ΠΈ Π²Π°ΠΌ ΠΊΠΎΡΠ°ΡΠΈΠΉ Π΄ΠΎΠΌΠΈΠΊ Ρ ΠΏΠΎΠ΄ΠΎΠ³ΡΠ΅Π²ΠΎΠΌ, ΡΠ΅ΠΏΠ»ΠΎΠΈΠ·ΠΎΠ»ΡΡΠΈΠ΅ΠΉ ΠΈΠ»ΠΈ ΠΏΠΎΠ³ΠΎΠ΄ΠΎΡΡΡΠΎΠΉΡΠΈΠ²ΡΠΌ. ΠΠ°ΠΌ Π½ΡΠΆΠ½Π° ΠΊΠΎΠ»ΠΎΠ΄Π° Π΄Π»Ρ ΠΎΡΠ΄ΡΡ Π°? ΠΠ΅ΡΡΠ½ΠΈΡΠ°? ΠΠ°ΠΊ ΡΠ΄Π΅Π»Π°ΡΡ ΡΠ°ΠΊ, ΡΡΠΎΠ±Ρ ΠΊΠΎΡΠΊΠ΅ Π±ΡΠ»ΠΎ ΠΊΠΎΠΌΡΠΎΡΡΠ½ΠΎ ΠΎΡΡΠ°Π²Π°ΡΡΡΡ Π΄ΠΎΠΌΠ°?
Π‘ΠΎΠ±ΡΠ°ΡΡ ΠΌΠ°ΡΠ΅ΡΠΈΠ°Π»Ρ
Π‘ΠΎΠ±ΡΠ°ΡΡ Π½Π΅ΠΎΠ±Ρ
ΠΎΠ΄ΠΈΠΌΡΠ΅ ΠΌΠ°ΡΠ΅ΡΠΈΠ°Π»Ρ Π½Π΅ ΡΠ°ΠΊ ΡΠΆ ΠΈ ΡΠ»ΠΎΠΆΠ½ΠΎ.
ΠΡ ΠΌΠΎΠΆΠ΅ΡΠ΅ ΠΈΠΌΠ΅ΡΡ ΠΎΠ±ΡΡΠ½ΡΠΉ Π΄Π΅ΡΠ΅Π²ΡΠ½Π½ΡΠΉ Π΄ΠΎΠΌΠΈΠΊ Π΄Π»Ρ ΠΊΠΎΡΠ΅ΠΊ Π½Π° ΠΎΡΠΊΡΡΡΠΎΠΌ Π²ΠΎΠ·Π΄ΡΡ
Π΅ ΠΈΠ»ΠΈ ΠΏΠΎΡΡΡΠΎΠΈΡΡ ΡΠ²ΠΎΠΉ ΡΠΎΠ±ΡΡΠ²Π΅Π½Π½ΡΠΉ ΡΡΠ΅ΠΏΠ»Π΅Π½Π½ΡΠΉ ΠΈ ΡΡΡΠΎΠΉΡΠΈΠ²ΡΠΉ ΠΊ Π°ΡΠΌΠΎΡΡΠ΅ΡΠ½ΡΠΌ Π²ΠΎΠ·Π΄Π΅ΠΉΡΡΠ²ΠΈΡΠΌ Π΄ΠΎΠΌ Π΄Π»Ρ ΠΊΠΎΡΠ΅ΠΊ. ΠΠ»Ρ ΡΡΠΎΠ³ΠΎ Π²Π°ΠΌ ΠΌΠΎΠ³ΡΡ ΠΏΠΎΠ½Π°Π΄ΠΎΠ±ΠΈΡΡΡΡ ΡΠ°ΠΊΠΈΠ΅ ΠΌΠ°ΡΠ΅ΡΠΈΠ°Π»Ρ, ΠΊΠ°ΠΊ ΠΊΠ΅Π΄Ρ, ΠΏΠ΅Π½ΠΎΠΏΠΎΠ»ΠΈΡΡΠΈΡΠΎΠ» ΠΈ Π²ΠΎΠ΄ΠΎΡΡΠΎΠΉΠΊΠ°Ρ ΠΊΡΠ°ΡΠΊΠ°. ΠΠΎ ΠΏΠΎΠ²Π΅ΡΡΡΠ΅, ΠΎΠ½ΠΎ ΡΠΎΠ³ΠΎ ΡΡΠΎΠΈΡ, Π΅ΡΠ»ΠΈ Π²Ρ ΡΠ²ΠΈΠ΄ΠΈΡΠ΅, ΠΊΠ°ΠΊ ΠΎΠ½ΠΈ Π½Π°ΡΠ»Π°ΠΆΠ΄Π°ΡΡΡΡ ΡΠ²ΠΎΠΈΠΌ ΠΊΠΎΡΠ°ΡΡΠΈΠΌ Π΄ΠΎΠΌΠΈΠΊΠΎΠΌ Π² Π»ΡΠ±ΡΡ ΠΏΠΎΠ³ΠΎΠ΄Ρ.
ΠΠΎΠ±ΡΠ°ΡΡΡΡ Π΄ΠΎ ΠΊΠΎΡΠΏΡΡΠ°
ΠΠΎΠ³Π΄Π° Ρ Π²Π°Ρ Π΅ΡΡΡ Π²ΡΠ΅ Π½Π΅ΠΎΠ±Ρ ΠΎΠ΄ΠΈΠΌΡΠ΅ ΠΌΠ°ΡΠ΅ΡΠΈΠ°Π»Ρ, Π²Ρ ΠΌΠΎΠΆΠ΅ΡΠ΅ ΠΏΡΠΈΡΡΡΠΏΠΈΡΡ ΠΊ ΡΡΡΠΎΠΈΡΠ΅Π»ΡΡΡΠ²Ρ ΡΠΎΠ±ΡΡΠ²Π΅Π½Π½ΠΎΠ³ΠΎ ΠΊΠΎΡΠ°ΡΡΠ΅Π³ΠΎ Π΄ΠΎΠΌΠΈΠΊΠ° Π½Π° ΠΎΡΠΊΡΡΡΠΎΠΌ Π²ΠΎΠ·Π΄ΡΡ Π΅ Π΄Π»Ρ ΡΠ²ΠΎΠΈΡ ΠΏΡΡΠΈΡΡΡΡ Π΄ΡΡΠ·Π΅ΠΉ! ΠΠΎΡΠΌΠΎΡΡΠΈΡΠ΅, ΠΊΠ°ΠΊ ΠΈΠΌ ΠΏΠΎΠ½ΡΠ°Π²ΠΈΡΡΡ Π½ΠΎΠ²ΡΠΉ Π΄ΠΎΠΌΠΈΠΊ Π΄Π»Ρ ΠΊΠΎΡΠ΅ΠΊ, ΠΊΠΎΡΠΎΡΡΠΉ Π²Ρ ΠΏΠΎΡΡΡΠΎΠΈΠ»ΠΈ ΡΠ°ΠΌΠΈ.
ΠΠ°ΡΠΈ ΠΏΠΎΡΠ»Π΅Π΄Π½ΠΈΠ΅ ΠΌΡΡΠ»ΠΈ
ΠΠ΅Π·Π°Π²ΠΈΡΠΈΠΌΠΎ ΠΎΡ ΡΠΎΠ³ΠΎ, ΠΊΠ°ΠΊΠΎΠΉ Π΄ΠΈΠ·Π°ΠΉΠ½ Π΄ΠΎΠΌΠΈΠΊΠ° Π΄Π»Ρ ΠΊΠΎΡΠ΅ΠΊ Π²Ρ Π²ΡΠ±Π΅ΡΠ΅ΡΠ΅, ΡΠ±Π΅Π΄ΠΈΡΠ΅ΡΡ, ΡΡΠΎ Π²Ρ Π²ΡΠ±ΡΠ°Π»ΠΈ ΡΠΎ, ΡΡΠΎ Π»ΡΡΡΠ΅ Π²ΡΠ΅Π³ΠΎ Π΄Π»Ρ Π²Π°ΡΠ΅Π³ΠΎ ΠΏΡΡΠΈΡΡΠΎΠ³ΠΎ Π΄ΡΡΠ³Π°. ΠΡΠ±Π΅ΡΠΈΡΠ΅, Ρ
ΠΎΡΠΈΡΠ΅ Π»ΠΈ Π²Ρ ΡΡΠ΅ΠΏΠ»Π΅Π½Π½ΡΠ΅ Π΄ΠΎΠΌΠΈΠΊΠΈ Π΄Π»Ρ Π΄ΠΎΠΌΠ°, ΠΎΡΠ°ΠΏΠ»ΠΈΠ²Π°Π΅ΠΌΡΠ΅ Π΄ΠΎΠΌΠΈΠΊΠΈ ΠΈΠ»ΠΈ Π΄ΠΎΠΌΠΈΠΊΠΈ Π΄Π»Ρ ΠΊΠΎΡΠ΅ΠΊ ΡΠΎ ΡΡΠΈΠ»ΡΠ½ΡΠΌ Π΄ΠΈΠ·Π°ΠΉΠ½ΠΎΠΌ. ΠΠΎΠΌΠΈΠΊΠΈ Π΄Π»Ρ ΠΊΠΎΡΠ΅ΠΊ Π½Π° ΠΎΡΠΊΡΡΡΠΎΠΌ Π²ΠΎΠ·Π΄ΡΡ
Π΅ — ΡΡΠΎ Π»ΠΈΡΡ ΠΎΠ΄ΠΈΠ½ ΠΈΠ· Π»ΡΡΡΠΈΡ
Π²ΠΎΠ»ΡΠ΅ΡΠΎΠ² Π΄Π»Ρ ΠΊΠΎΡΠ΅ΠΊ, ΠΊΠΎΡΠΎΡΡΠ΅ ΠΌΠΎΠΆΠ½ΠΎ ΠΊΡΠΏΠΈΡΡ ΠΈΠ»ΠΈ ΠΏΠΎΡΡΡΠΎΠΈΡΡ Π·Π° Π΄Π΅Π½ΡΠ³ΠΈ.
ΠΡΠ»ΠΈ Π²Ρ Π³ΠΎΡΠΎΠ²Ρ Π²ΡΠ±ΡΠ°ΡΡ, ΠΊΠ°ΠΊΠΎΠΉ ΠΊΠΎΡΠ°ΡΠΈΠΉ Π΄ΠΎΠΌΠΈΠΊ Π²Π°ΠΌ Π½ΡΠΆΠ΅Π½, Π½Π°ΠΆΠΌΠΈΡΠ΅ Π·Π΄Π΅ΡΡ, ΡΡΠΎΠ±Ρ ΠΏΡΠΎΡΠΌΠΎΡΡΠ΅ΡΡ Π½Π°ΡΡ ΡΡΠ°ΡΡΡ Β«ΠΡΡΡΠΈΠΉ ΡΠ»ΠΈΡΠ½ΡΠΉ ΠΊΠΎΡΠ°ΡΠΈΠΉ Π΄ΠΎΠΌΠΈΠΊΒ», ΡΡΠΎΠ±Ρ Π²ΡΠ±ΡΠ°ΡΡ ΠΈΠ· ΠΊΠΎΡΠΎΡΠΊΠΎΠ³ΠΎ ΡΠΏΠΈΡΠΊΠ° ΡΠΎ, ΡΡΠΎ ΠΌΡ ΡΡΠΈΡΠ°Π΅ΠΌ Π»ΡΡΡΠΈΠΌ.
ΠΠΎΠΆΠ°Π»ΡΠΉΡΡΠ°, ΠΎΡΠ΅Π½ΠΈΡΠ΅ ΡΡΡ ΡΡΠ°ΡΡΡ, ΠΌΡ ΡΠ°Π΄Ρ Π²ΠΈΠ΄Π΅ΡΡ Π²Π°ΡΠΈ ΠΎΡΠ·ΡΠ²Ρ!
12 ΠΈΠ΄Π΅ΠΉ Π΄ΠΎΠΌΠ°ΡΠ½Π΅Π³ΠΎ ΠΊΠΎΡΠ°ΡΡΠ΅Π³ΠΎ Π΄ΠΎΠΌΠΈΠΊΠ° Π΄Π»Ρ Π·ΠΈΠΌΡ
ΠΡΠ»ΠΈ Π²Π°ΡΠ° ΠΊΠΎΡΠΊΠ° ΠΎΡΡΠ°Π΅ΡΡΡ Π½Π° ΡΠ»ΠΈΡΠ΅ ΠΈΠ»ΠΈ Π²Ρ Ρ ΠΎΡΠΈΡΠ΅ ΡΠΎΠ·Π΄Π°ΡΡ ΠΏΡΠΈΡΡ Π΄Π»Ρ Π΄ΠΈΠΊΠΈΡ ΠΊΠΎΡΠ΅ΠΊ, ΡΡΠΎΠ±Ρ Π΄Π΅ΡΠΆΠ°ΡΡ ΠΈΡ Π² ΡΠ΅ΠΏΠ»Π΅ ΠΈ ΡΡΡ ΠΎΡΡΠΈ Π·ΠΈΠΌΠΎΠΉ, ΠΏΠΎΠΏΡΠΎΠ±ΡΠΉΡΠ΅ ΡΡΠΈ 12
DIY Outdoor Cat House Ideas .1. Π’Π΅ΠΏΠ»ΡΠΉ Π΄ΠΎΠΌΠΈΠΊ Π΄Π»Ρ ΠΊΠΎΡΠ΅ΠΊ
Π‘ΠΎΠ·Π΄Π°ΠΉΡΠ΅ Π΄Π»Ρ ΠΊΠΎΡΠΊΠΈ ΡΠ΅ΠΏΠ»ΠΎΠ΅ ΠΈ ΡΡΡΠ½ΠΎΠ΅ ΠΌΠ΅ΡΡΠΎ Π΄Π»Ρ ΠΎΡΠ΄ΡΡ Π° Π·ΠΈΠΌΠΎΠΉ Ρ ΠΏΠΎΠΌΠΎΡΡΡ ΡΡΠΎΠ³ΠΎ Π²ΠΎΡΡΠΌΠΈΡΡΡΠΏΠ΅Π½ΡΠ°ΡΠΎΠ³ΠΎ DIY Π½Π° Instructables.ΠΠ°ΠΊΡΠ΅ΠΏΠΈΡΠ΅ Π²Π΅ΡΠ΅Π²ΠΎΡΠ½ΡΠ΅ ΡΠ²Π΅ΡΠΈΠ»ΡΠ½ΠΈΠΊΠΈ Π½Π° Π²Π½ΡΡΡΠ΅Π½Π½Π΅ΠΉ ΡΡΠΎΡΠΎΠ½Π΅ ΠΊΡΡΡΠΊΠΈ, ΡΡΠΎΠ±Ρ ΡΠΎΠ·Π΄Π°ΡΡ ΠΈΡΡΠΎΡΠ½ΠΈΠΊ ΡΠ΅ΠΏΠ»Π°.
Π’Π°ΠΊΠΆΠ΅ ΠΏΡΠΎΡΡΠΈΡΠ΅: 11 ΠΊΠΎΠΌΠ½Π°ΡΠ½ΡΡ ΡΠ°ΡΡΠ΅Π½ΠΈΠΉ, ΠΎΡΠΈΡΠ°ΡΡΠΈΡ Π²ΠΎΠ·Π΄ΡΡ , ΠΊΠΎΡΠΎΡΡΠ΅ Π±Π΅Π·ΠΎΠΏΠ°ΡΠ½Ρ Π΄Π»Ρ ΠΊΠΎΡΠ΅ΠΊ
2. ΠΠΎΠΏΡΠΎΡΡ ΠΈ ΠΎΡΠ²Π΅ΡΡ ΠΏΠΎ ΡΠΊΡΡΡΠΈΡ
Π Π°Π·Π±Π΅ΡΠΈΡΠ΅ΡΡ ΡΠΎ Π²ΡΠ΅ΠΌΠΈ ΡΠ²ΠΎΠΈΠΌΠΈ ΡΠΎΠΌΠ½Π΅Π½ΠΈΡΠΌΠΈ ΠΈ Π²ΠΎΠΏΡΠΎΡΠ°ΠΌΠΈ ΠΎ Π΄ΠΎΠΌΠΈΠΊΠ΅ Ρ ΠΏΠ΅Π½ΠΎΠΉ ΠΎΡ
Π»Π°Π΄ΠΈΡΠ΅Π»Π΅ΠΌ Π² Aspcapro.
ΠΡΠΎΠΌΠ΅ ΡΠΎΠ³ΠΎ, Π²Ρ Π½Π°ΠΉΠ΄Π΅ΡΠ΅ ΠΈΠ΄Π΅Ρ ΡΠ΄Π΅Π»Π°ΡΡ ΡΡΠΎ.
Π’Π°ΠΊΠΆΠ΅ ΡΠΈΡΠ°ΠΉΡΠ΅: ΠΠΎΠΌΠ°ΡΠ½ΠΈΠΉ ΡΠ°Π΄ Π΄Π»Ρ ΠΊΠΎΡΠ΅ΠΊ Π΄Π»Ρ Π»ΡΠ±ΠΈΡΠ΅Π»Π΅ΠΉ ΠΊΠΎΡΠ΅ΠΊ
3. ΠΠΈΠΌΠ½ΠΈΠΉ ΠΏΡΠΈΡΡ Π΄Π»Ρ ΠΊΠΎΡΠ΅ΠΊ
ΠΡΡΠ΅ΠΆΡΡΠ΅ Π²Ρ ΠΎΠ΄ Π² ΠΏΠ΅Π½ΠΎΠΏΠΎΠ»ΠΈΡΡΠΈΡΠΎΠ» Ρ Π½Π΅ΡΠΊΠΎΠ»ΡΠΊΠΈΠΌΠΈ Π΄ΡΠ΅Π½Π°ΠΆΠ½ΡΠΌΠΈ ΠΎΡΠ²Π΅ΡΡΡΠΈΡΠΌΠΈ ΠΈ ΡΠ΄Π΅Π»Π°ΠΉΡΠ΅ ΡΠ΄ΠΎΠ±Π½ΡΡ ΠΏΠΎΠ΄ΡΡΠΈΠ»ΠΊΡ Π² ΠΊΠΎΠ½ΡΡΡΡΠΊΡΠΈΠΈ.Π Π°ΡΡΠΌΠΎΡΡΠΈΡΠ΅ ΡΡΠΎΡ ΠΏΡΠΎΡΡΠΎΠΉ Π΄ΠΎΠΌΠΈΠΊ Π΄Π»Ρ ΠΊΠΎΡΠ΅ΠΊ, ΡΠ΄Π΅Π»Π°Π½Π½ΡΠΉ ΡΠ²ΠΎΠΈΠΌΠΈ ΡΡΠΊΠ°ΠΌΠΈ, ΡΡΠΎΠ±Ρ ΠΏΠΎΠ΄Π°ΡΠΈΡΡ Π²Π°ΡΠ΅ΠΌΡ ΠΏΠΎΠ»ΠΎΡΠ°ΡΠΎΠΌΡ ΠΊΠΎΡΡ ΡΠ΅ΠΏΠ»ΠΎ Π·ΠΈΠΌΠΎΠΉ.
Π’Π°ΠΊΠΆΠ΅ ΡΠΈΡΠ°ΠΉΡΠ΅: ΠΠ°ΠΊ ΡΠΎΠ³ΡΠ΅ΡΡ Π·ΠΈΠΌΠ½ΠΈΠΉ Π΄ΠΎΠΌ ΠΊΠΎΠΌΠ½Π°ΡΠ½ΡΠΌΠΈ ΡΠ°ΡΡΠ΅Π½ΠΈΡΠΌΠΈ
4. ΠΡΠΊΡΡΡΡΠΉ ΠΏΡΠΈΡΡ Π΄Π»Ρ ΠΊΠΎΡΠ΅ΠΊ
ΠΠ΅ΡΠ΅ΡΠ°Π±ΠΎΡΠ°ΠΉΡΠ΅ Π²Π½Π΅ΡΠ½ΠΈΠΉ ΠΊΠΎΠ½ΡΠ΅ΠΉΠ½Π΅Ρ Π΄Π»Ρ Ρ ΡΠ°Π½Π΅Π½ΠΈΡ, ΡΡΠΎΠ±Ρ Π²ΠΎΡΡΠΎΠ·Π΄Π°ΡΡ ΡΡΠΎΡ Π΄ΠΎΠΌΠ°ΡΠ½ΠΈΠΉ ΠΏΡΠΈΡΡ Π΄Π»Ρ ΠΊΠΎΡΠ΅ΠΊ DIY Π΄Π»Ρ Π²Π°ΡΠ΅Π³ΠΎ ΠΌΠ°Π»Π΅Π½ΡΠΊΠΎΠ³ΠΎ ΠΊΠΎΡΠ°ΡΡΠ΅Π³ΠΎ Π΄ΡΡΠ³Π°. ΠΠΎΡΠΌΠΎΡΡΠΈΡΠ΅ ΡΡΠΊΠΎΠ²ΠΎΠ΄ΡΡΠ²ΠΎ DIY Π·Π΄Π΅ΡΡ.
Π’Π°ΠΊΠΆΠ΅ ΡΠΈΡΠ°ΠΉΡΠ΅: ΠΡΡΠ°ΡΠΈΠ²Π°Π½ΠΈΠ΅ ΠΊΠΎΡΠ°ΡΡΠ΅ΠΉ ΡΡΠ°Π²Ρ Π² ΠΏΠΎΠΌΠ΅ΡΠ΅Π½ΠΈΠΈ
5. ΠΠΎΠΌΠΈΠΊ Π΄Π»Ρ ΠΊΠΎΡΠ΅ΠΊ DIY
ΠΡΠΏΠΎΠ»ΡΠ·ΡΠΉΡΠ΅ Π½Π΅ΡΠΊΠΎΠ»ΡΠΊΠΎ Π΄Π΅ΡΠ΅Π²ΡΠ½Π½ΡΡ Π΄ΠΎΡΠΎΠΊ 2X2, ΡΡΠΎΠ±Ρ ΠΎΠ±ΡΠ°ΠΌΠΈΡΡ ΡΡΠΎΡ Π΄ΠΎΠΌΠΈΠΊ Π΄Π»Ρ ΠΊΠΎΡΠ΅ΠΊ ΠΈ Π·Π°ΠΊΠ»Π΅ΠΉΡΠ΅ Π΅Π³ΠΎ Π²ΠΎΠ΄ΠΎΡΡΠΎΠΉΠΊΠΎΠΉ ΠΊΡΠ°ΡΠΊΠΎΠΉ.ΠΠΎΡ ΠΊΡΠ°ΡΠΊΠΎΠ΅ ΠΎΠΏΠΈΡΠ°Π½ΠΈΠ΅ ΡΠΎΠ³ΠΎ, ΡΡΠΎ Π²Π°ΠΌ Π½ΡΠΆΠ½ΠΎ ΡΠ΄Π΅Π»Π°ΡΡ.
6. Π‘Π΄Π΅Π»Π°ΠΉ ΡΠ°ΠΌ ΠΏΡΠΈΡΡ Π΄Π»Ρ Π΄ΠΈΠΊΠΈΡ ΠΊΠΎΡΠ΅ΠΊ
ΠΡΠΎΡΠ²ΠΈΡΠ΅ Π»ΡΠ±ΠΎΠ²Ρ ΠΊ Π±Π΅Π·Π΄ΠΎΠΌΠ½ΡΠΌ Π΄ΠΈΠΊΠΈΠΌ ΠΊΠΎΡΠΊΠ°ΠΌ, ΡΠ±Π΅ΡΠ΅Π³Π°Ρ ΠΈΡ
ΠΎΡ Π·ΠΈΠΌΠ½Π΅Π³ΠΎ Ρ
ΠΎΠ»ΠΎΠ΄Π° Ρ ΠΏΠΎΠΌΠΎΡΡΡ ΡΡΠΎΠΉ ΠΈΠ΄Π΅ΠΈ Π΄ΠΎΠΌΠ°ΡΠ½Π΅Π³ΠΎ ΠΊΠΎΡΠ°ΡΡΠ΅Π³ΠΎ Π΄ΠΎΠΌΠΈΠΊΠ° DIY .
Π£Π·Π½Π°ΠΉΡΠ΅, ΠΊΠ°ΠΊ ΡΡΠΎ ΡΠ΄Π΅Π»Π°ΡΡ, Π² ΡΡΠΎΠΌ Π²ΠΈΠ΄Π΅ΠΎ.
7. ΠΠ±ΠΎΠ³ΡΠ΅Π²Π°Π΅ΠΌΡΠΉ ΠΏΡΠΈΡΡ Π΄Π»Ρ ΠΈΠ³Π»Ρ
ΠΡΡΠΎΠ²Π½ΡΠΉΡΠ΅ ΠΎΡ Π»Π°Π΄ΠΈΡΠ΅Π»Ρ ΠΈΠ· ΠΏΠ΅Π½ΠΎΠΏΠΎΠ»ΠΈΡΡΠΈΡΠΎΠ»Π° Ρ Π³ΡΠ΅Π»ΠΊΠΎΠΉ, ΡΡΠΎΠ±Ρ ΠΎΠ½ ΠΎΡΡΠ°Π²Π°Π»ΡΡ ΠΏΡΠΎΡΡΡΠΌ, Π½ΠΎ ΡΡΡΠ΅ΠΊΡΠΈΠ²Π½ΡΠΌ. ΠΠ΅ΡΠΆΠΈΡΠ΅ Π΅Π³ΠΎ ΡΡΠ΄ΠΎΠΌ Ρ ΠΌΠ΅ΡΡΠΎΠΌ, Π³Π΄Π΅ Π±Π΅Π·Π΄ΠΎΠΌΠ½ΡΠ΅ ΠΊΠΎΡΠΊΠΈ ΠΌΠΎΠ³ΡΡ ΠΈΡΠΊΠ°ΡΡ ΡΠΊΡΡΡΠΈΠ΅. Π£Π·Π½Π°ΠΉΡΠ΅ Π±ΠΎΠ»ΡΡΠ΅ Π·Π΄Π΅ΡΡ.
Π£Π·Π½Π°ΠΉΡΠ΅ Π±ΠΎΠ»ΡΡΠ΅ ΠΎΠ± ΠΈΠ΄Π΅ΡΡ Π΄ΠΎΠΌΠ°ΡΠ½Π΅Π³ΠΎ ΠΊΠΎΡΠ°ΡΡΠ΅Π³ΠΎ Π΄ΠΎΠΌΠΈΠΊΠ° Π·Π΄Π΅ΡΡ.
8. ΠΡΠΈΡΡ Π΄Π»Ρ Π΄ΠΈΠΊΠΈΡ ΠΊΠΎΡΠ΅ΠΊ
ΠΡΠΎΡ ΠΏΡΠΈΡΡ Π΄Π»Ρ Π΄ΠΈΠΊΠΈΡ ΠΊΠΎΡΠ΅ΠΊ ΡΠ΄Π΅Π»Π°Π½ ΠΈΠ· ΠΊΠΎΠ½ΡΠ΅ΠΉΠ½Π΅ΡΠ° Rubbermaid, ΠΏΠΎΡΠΌΠΎΡΡΠΈΡΠ΅ Π·Π΄Π΅ΡΡ.
9. ΠΠ»Π°Π½Ρ Π΄Π΅ΡΠ΅Π²ΡΠ½Π½ΠΎΠ³ΠΎ ΠΊΠΎΡΠ°ΡΡΠ΅Π³ΠΎ Π΄ΠΎΠΌΠΈΠΊΠ°
ΠΡΠ»ΠΈ Π²Ρ ΡΠ°Π·Π±ΠΈΡΠ°Π΅ΡΠ΅ΡΡ Π² Π΄Π΅ΡΠ΅Π²ΠΎΠΎΠ±ΡΠ°Π±ΠΎΡΠΊΠ΅, ΠΏΠΎΡΡΡΠΎΠΉΡΠ΅ Π΄Π΅ΡΠ΅Π²ΡΠ½Π½ΡΠΉ ΠΊΠΎΡΠ°ΡΠΈΠΉ Π΄ΠΎΠΌΠΈΠΊ, Π²ΠΎΡΠΏΠΎΠ»ΡΠ·ΠΎΠ²Π°Π²ΡΠΈΡΡ ΡΡΠΈΠΌΠΈ ΠΏΠ»Π°Π½Π°ΠΌΠΈ ΠΊΠΎΡΠ°ΡΡΠ΅Π³ΠΎ Π΄ΠΎΠΌΠΈΠΊΠ° Π·Π΄Π΅ΡΡ.
10. ΠΡΡΡΡΠΎ ΠΈ ΠΏΡΠΎΡΡΠΎ Π‘ΠΎΠ²ΡΠ΅ΠΌΠ΅Π½Π½ΡΠΉ Π΄ΠΎΠΌΠΈΠΊ Π΄Π»Ρ ΠΊΠΎΡΠ΅ΠΊ
ΠΡΠΎΡ Π±ΡΡΡΡΡΠΉ ΠΈ ΠΏΡΠΎΡΡΠΎΠΉ ΡΠΎΠ²ΡΠ΅ΠΌΠ΅Π½Π½ΡΠΉ Π΄ΠΎΠΌΠΈΠΊ Π΄Π»Ρ ΠΊΠΎΡΠ΅ΠΊ ΠΌΠΎΠΆΠ½ΠΎ ΡΠΎΠ΄Π΅ΡΠΆΠ°ΡΡ ΠΊΠ°ΠΊ Π½Π° ΡΠ»ΠΈΡΠ΅, ΡΠ°ΠΊ ΠΈ Π² ΠΏΠΎΠΌΠ΅ΡΠ΅Π½ΠΈΠΈ.ΠΠ·Π½Π°ΠΊΠΎΠΌΡΡΠ΅ΡΡ Ρ ΠΈΠ½ΡΡΡΡΠΊΡΠΈΡΠΌΠΈ Π·Π΄Π΅ΡΡ.
11. ΠΡΠΊΡΡΡΡΠΉ ΠΊΠΎΡΠ°ΡΠΈΠΉ Π΄ΠΎΠΌΠΈΠΊ Π΄Π»Ρ Π±Π΅Π·Π΄ΠΎΠΌΠ½ΡΡ ΠΊΠΎΡΠ΅ΠΊ
ΠΡΠΎΡ ΠΊΠΎΡΠ°ΡΠΈΠΉ Π΄ΠΎΠΌΠΈΠΊ ΠΏΠΎΠΌΠΎΠΆΠ΅Ρ ΡΠΎΡ
ΡΠ°Π½ΠΈΡΡ Π±Π΅Π·Π΄ΠΎΠΌΠ½ΡΠΌ ΠΊΠΎΡΠΊΠ°ΠΌ ΡΠ΅ΠΏΠ»ΠΎ ΠΈ ΡΡΡ
ΠΎΡΡΡ.
ΠΠΎΡΠΌΠΎΡΡΠΈΡΠ΅ Π΅Π³ΠΎ ΠΎΠ±ΡΡΠ°ΡΡΠ΅Π΅ Π²ΠΈΠ΄Π΅ΠΎ Π·Π΄Π΅ΡΡ.
12. ΠΠ°ΡΠΈΡΠ΅Π½Π½ΡΠΉ ΠΎΡ ΠΏΠΎΠ³ΠΎΠ΄Π½ΡΡ ΡΡΠ»ΠΎΠ²ΠΈΠΉ Π΄ΠΎΠΌΠΈΠΊ Π΄Π»Ρ ΠΊΠΎΡΠ΅ΠΊ Π½Π° ΠΎΡΠΊΡΡΡΠΎΠΌ Π²ΠΎΠ·Π΄ΡΡ Π΅
Π£Π·Π½Π°ΠΉΡΠ΅, ΠΊΠ°ΠΊ ΠΏΠΎΡΡΡΠΎΠΈΡΡ Π΄ΠΎΠΌΠΈΠΊ Π΄Π»Ρ ΠΊΠΎΡΠ΅ΠΊ Π½Π° ΠΎΡΠΊΡΡΡΠΎΠΌ Π²ΠΎΠ·Π΄ΡΡ Π΅, ΠΏΠΎΡΠΌΠΎΡΡΠ΅Π² ΡΡΠΎ ΠΎΠ±ΡΡΠ°ΡΡΠ΅Π΅ Π²ΠΈΠ΄Π΅ΠΎ Π½Π° YouTube ΠΎ ΠΌΠ°Π»Π΅Π½ΡΠΊΠΎΠΌ ΠΌΠ°Π»ΡΡΠΈΠΊΠ΅.
Π’Π°ΠΊΠΆΠ΅ ΡΠΈΡΠ°ΠΉΡΠ΅: ΠΠ°ΠΊ ΡΠ²Π΅Π»ΠΈΡΠΈΡΡ Π±Π΅ΡΠΊΠΎΠ½Π΅ΡΠ½ΡΠΉ Π·Π°ΠΏΠ°Ρ ΠΊΠΎΡΠ°ΡΡΠ΅ΠΉ ΠΌΡΡΡ
7 Π΄ΠΎΠΌΠΈΠΊΠΎΠ² Π΄Π»Ρ ΠΊΠΎΡΠ΅ΠΊ ΡΠ²ΠΎΠΈΠΌΠΈ ΡΡΠΊΠ°ΠΌΠΈ, ΠΊΠΎΡΠΎΡΡΠ΅ ΠΌΠΎΠΆΠ½ΠΎ ΡΠ΄Π΅Π»Π°ΡΡ Π·Π° Π²ΡΡ ΠΎΠ΄Π½ΡΠ΅
ΠΠΎΡΠΊΠΈ ΠΌΠΎΠ³ΡΡ ΠΊΠ°Π·Π°ΡΡΡΡ Π½Π΅Π·Π°Π²ΠΈΡΠΈΠΌΡΠΌΠΈ ΡΡΡΠ΅ΡΡΠ²Π°ΠΌΠΈ.Π ΠΎΡΠ»ΠΈΡΠΈΠ΅ ΠΎΡ ΡΠΎΠ±Π°ΠΊ, ΠΊΠΎΡΠΎΡΡΠ΅ ΠΎΠ±ΡΡΠ½ΠΎ Π½ΡΠΆΠ΄Π°ΡΡΡΡ Π² Π½Π΅ΠΊΠΎΡΠΎΡΠΎΠΌ ΠΌΡΠ³ΠΊΠΎΠΌ Π²Π·Π°ΠΈΠΌΠΎΠ΄Π΅ΠΉΡΡΠ²ΠΈΠΈ Ρ Π»ΡΠ΄ΡΠΌΠΈ, ΠΏΠΎ ΠΊΡΠ°ΠΉΠ½Π΅ΠΉ ΠΌΠ΅ΡΠ΅, Π΅ΠΆΠ΅Π΄Π½Π΅Π²Π½ΠΎ, ΠΊΠΎΡΠ΅ΠΊ ΠΌΠΎΠΆΠ½ΠΎ ΠΎΡΡΠ°Π²ΠΈΡΡ Π½Π°Π΅Π΄ΠΈΠ½Π΅ Ρ ΡΠΎΠ±ΠΎΠΉ Π² ΡΠ΅ΡΠ΅Π½ΠΈΠ΅ Π½Π΅ΡΠΊΠΎΠ»ΡΠΊΠΈΡ Π΄Π½Π΅ΠΉ, Π½Π΅ ΠΏΡΠΎΠΏΡΡΠΊΠ°Ρ Π½ΠΈ ΡΠ΅ΠΊΡΠ½Π΄Ρ. Π’Π΅ΠΌ Π½Π΅ ΠΌΠ΅Π½Π΅Π΅, ΠΈΠΌ Π²ΡΠ΅ Π΅ΡΠ΅ Π½ΡΠΆΠ½ΠΎ ΠΌΠ΅ΡΡΠΎ Π΄Π»Ρ ΠΎΡΠ΄ΡΡ Π°, ΠΈ ΡΡΠΈ ΡΠ±ΠΎΡΠΊΠΈ Π΄ΠΎΠ»ΠΆΠ½Ρ ΠΎΡΠ»ΠΈΡΠ½ΠΎ ΡΠΏΡΠ°Π²ΠΈΡΡΡΡ Ρ Π·Π°Π΄Π°ΡΠ΅ΠΉ!
Π₯ΡΠ°ΠΌ ΠΊΠΎΡΠΊΠΈ ΠΠΆΠΈΠΌΠΌΠΈ ΠΠΈΠ Π΅ΡΡΡ
[youtube https://www.youtube.com/watch?v=wPttGrLqi0g]
Π ΡΠΎ Π²ΡΠ΅ΠΌΡ, ΠΊΠΎΠ³Π΄Π° Π±ΡΠ» ΠΏΠΎΡΡΡΠΎΠ΅Π½ ΡΡΠΎΡ Β«Π΄ΠΎΠΌΠΈΠΊΒ», ΠΠΈΠ Π΅ΡΡΠ° ΡΠΎΠ»ΡΠΊΠΎ ΡΡΠΎ ΠΏΡΠΈΠΎΠ±ΡΠ΅Π» ΠΊΠΎΡΠ° Β«Π‘ΠΏΠ°ΠΉΠΊΠ°Β» Π² ΡΠ΄Π΅Π»ΠΊΠ΅, ΡΠ²ΡΠ·Π°Π½Π½ΠΎΠΉ Ρ ΡΠΎΠ΄Π΅ΡΠΆΠΈΠΌΡΠΌ Π΄Π΅ΡΠ΅Π²ΡΠ½Π½ΠΎΠΉ Π»Π°Π²ΠΊΠΈ.
ΠΠΎΡΠΊΠΎΠ»ΡΠΊΡ ΠΎΠ½ ΠΏΠΎΡ
ΠΎΠΆ Π½Π° Π±Π΅Π·Π΄Π΅Π»ΡΠ½ΠΈΡΠ°ΡΡΠ΅Π³ΠΎ ΠΈΠΌΠΏΠ΅ΡΠ°ΡΠΎΡΠ°, Π΅Π³ΠΎ Π΄ΠΎΠΌ Π²ΡΠΏΠΎΠ»Π½Π΅Π½ Π² ΡΠΎΠΎΡΠ²Π΅ΡΡΡΠ²ΡΡΡΠ΅ΠΌ Π³ΡΠ΅ΠΊΠΎ-ΡΠΈΠΌΡΠΊΠΎΠΌ ΡΡΠΈΠ»Π΅.
ΠΠ°Ρ Π΄ΠΎΠΌ, ΡΠ΅ΠΏΠ΅ΡΡ Π΄Π»Ρ ΠΊΠΎΡΠ΅ΠΊ
ΠΡΠ»ΠΈ Π²Ρ Π»ΡΠ±ΠΈΡΠ΅ ΠΊΠΎΡΠ΅ΠΊ, Π²Ρ ΠΌΠΎΠΆΠ΅ΡΠ΅ ΠΏΠΎΡΡΡΠΎΠΈΡΡ Π΄Π»Ρ Π½ΠΈΡ Π΄ΠΎΠΌΠΈΠΊ ΠΈΠ»ΠΈ ΠΊΠΎΡΠ°ΡΡΠ΅ Π΄Π΅ΡΠ΅Π²ΠΎ. ΠΡΠ»ΠΈ Π²Ρ ΠΡΠ΅Π³ ΠΡΡΠ³Π΅Ρ, Π²Ρ Π²ΠΌΠ΅ΡΡΠΎ ΡΡΠΎΠ³ΠΎ ΠΏΡΠ΅Π²ΡΠ°ΡΠΈΡΠ΅ Π²Π΅ΡΡ ΡΠ²ΠΎΠΉ Π΄ΠΎΠΌ Π² ΠΊΠΎΡΠ°ΡΠΈΠΉ Π»Π°Π±ΠΈΡΠΈΠ½Ρ.
ΠΡΠ·Π°Π½Π°Ρ ΠΊΡΡΡΠΊΠΎΠΌ ΠΏΠ΅ΡΠ΅ΡΠ° Π΄Π»Ρ ΠΊΠΎΡΠ΅ΠΊ
ΠΠΎΠ³Π΄Π° Π²Ρ Π΄ΡΠΌΠ°Π΅ΡΠ΅ ΠΎ ΠΊΡΠΎΠ²Π΅, Π²ΡΠ·Π°Π½ΠΈΠ΅ ΠΊΡΡΡΠΊΠΎΠΌ, Π²Π΅ΡΠΎΡΡΠ½ΠΎ, Π½Π΅ ΠΏΠ΅ΡΠ²ΠΎΠ΅, ΡΡΠΎ ΠΏΡΠΈΡ ΠΎΠ΄ΠΈΡ Π½Π° ΡΠΌ. ΠΡΠΎ ΠΎΠΊΠ°Π·ΡΠ²Π°Π΅ΡΡΡ ΠΈΡΠΊΠ»ΡΡΠ΅Π½ΠΈΠ΅ΠΌ ΠΈΠ· ΠΏΡΠ°Π²ΠΈΠ» ΠΈ, ΠΏΠΎΡ ΠΎΠΆΠ΅, Ρ ΠΎΡΠΎΡΠΎ ΡΠ°Π±ΠΎΡΠ°Π΅Ρ Π² ΠΏΠΎΠΌΠ΅ΡΠ΅Π½ΠΈΡΡ . ΠΡ ΠΌΠΎΠΆΠ΅ΡΠ΅ ΠΎΠ·Π½Π°ΠΊΠΎΠΌΠΈΡΡΡΡ Ρ ΡΠ΅ΡΡΠ΅ΠΆΠ°ΠΌΠΈ ΡΡΠΎΠΉ ΠΊΠΎΠ½ΡΡΡΡΠΊΡΠΈΠΈ ΠΈΠ· ΡΠΊΠ°Π½ΠΈ Π·Π΄Π΅ΡΡ.
ΠΠΎΠΌΠΈΠΊ Π΄Π»Ρ ΠΊΠΎΡΠ΅ΠΊ ΠΈΠ· ΠΏΠ»Π°ΡΡΠΈΠΊΠΎΠ²ΠΎΠ³ΠΎ ΡΡΠΈΠΊΠ°
[youtube https://www.youtube.com/watch?v=qMbW8XfIqSg]
ΠΡΠ»ΠΈ Π΄Π»Ρ ΠΊΠΎΡΠ°ΡΡΠ΅Π³ΠΎ ΠΆΠΈΠ»ΠΈΡΠ° ΡΡΠ½ΠΊΡΠΈΡ Π²Π°ΠΆΠ½Π΅Π΅ ΡΠΎΡΠΌΡ, ΡΠΎ ΡΡΠΎΡ ΠΏΠ»Π°ΡΡΠΈΠΊΠΎΠ²ΡΠΉ ΠΏΡΠΈΡΡ Π΄Π»Ρ ΠΊΠΎΡΠ΅ΠΊ ΠΌΠΎΠΆΠ΅Ρ Π±ΡΡΡ Π΄Π»Ρ Π²Π°Ρ. ΠΡΠΎΠ΄ΡΠΌΠ°Π½Π½Π°Ρ ΠΊΠΎΠ½ΡΡΡΡΠΊΡΠΈΡ ΠΏΡΠ΅Π΄ΡΡΠ°Π²Π»ΡΠ΅Ρ ΡΠΎΠ±ΠΎΠΉ ΠΏΡΠΎΡΡΠΎ ΠΏΠ»Π°ΡΡΠΈΠΊΠΎΠ²ΡΡ ΠΊΠΎΡΠΎΠ±ΠΊΡ, ΡΠ»ΠΎΠΆΠ΅Π½Π½ΡΡ Π² Π±ΠΎΠ»ΡΡΡΡ ΠΏΠ»Π°ΡΡΠΈΠΊΠΎΠ²ΡΡ ΠΊΠΎΡΠΎΠ±ΠΊΡ Ρ ΠΈΠ·ΠΎΠ»ΡΡΠΈΠ΅ΠΉ ΠΌΠ΅ΠΆΠ΄Ρ Π½ΠΈΠΌΠΈ. Π ΠΊΠ°ΡΠ΅ΡΡΠ²Π΅ Π΄Π²Π΅ΡΠΈ ΡΡΡΠ°Π½ΠΎΠ²Π»Π΅Π½Π° ββΡΡΡΠ±Π½Π°Ρ Π°ΡΠΌΠ°ΡΡΡΠ° ΠΈΠ· ΠΠΠ₯. ΠΠ°ΠΊΠΈΠΌ Π±Ρ ΠΏΡΠΎΡΡΡΠΌ ΠΎΠ½ Π½ΠΈ Π±ΡΠ», ΠΎΠ½ Π΄ΠΎΠ»ΠΆΠ΅Π½ Ρ ΠΎΡΠΎΡΠΎ ΠΏΡΠΎΡΠΈΠ²ΠΎΡΡΠΎΡΡΡ ΡΠ»Π΅ΠΌΠ΅Π½ΡΠ°ΠΌ.
ΠΠΎΠΌΠΈΠΊ Π΄Π»Ρ ΠΊΠΎΡΠ΅ΠΊ ΠΈΠ· ΠΏΠ΅Π½ΠΎΠΏΠ»Π°ΡΡΠ°
[youtube https: // www.youtube.com/watch?v=PqYypZCmH6A]
ΠΡΠ»ΠΈ Π²Ρ Π΄ΡΠΌΠ°Π»ΠΈ, ΡΡΠΎ Π΄ΠΎΠΌΠΈΠΊ Π΄Π»Ρ ΠΊΠΎΡΠ΅ΠΊ ΠΈΠ· ΠΏΠ»Π°ΡΡΠΈΠΊΠΎΠ²ΠΎΠ³ΠΎ ΡΡΠΈΠΊΠ° Π±ΡΠ» ΡΠ΅Π½ΡΠ°Π±Π΅Π»ΡΠ½ΡΠΌ, ΡΡΠΎΡ ΠΎΡ Π»Π°Π΄ΠΈΡΠ΅Π»Ρ ΠΈΠ· ΠΏΠ΅Π½ΠΎΠΏΠΎΠ»ΠΈΡΡΠΈΡΠΎΠ»Π° ΠΌΠΎΠΆΠ΅Ρ Π΄Π΅ΠΉΡΡΠ²ΠΈΡΠ΅Π»ΡΠ½ΠΎ ΡΠ΄Π΅Π»Π°ΡΡ Π΅Π³ΠΎ Π΄ΠΎΡΠΎΠ³ΠΎ! Π ΠΊΠ°ΡΠ΅ΡΡΠ²Π΅ Π΄ΠΎΠΏΠΎΠ»Π½ΠΈΡΠ΅Π»ΡΠ½ΠΎΠ³ΠΎ Π±ΠΎΠ½ΡΡΠ° ΠΊ Π΄Π΅ΡΠ°Π»ΡΠΌ ΡΡΠΎΠ³ΠΎ Π΄ΠΎΠΌΠ° ΡΠ²Π½ΠΎ ΠΏΡΠΈΠ»Π°Π³Π°Π΅ΡΡΡ Π½Π°Π±ΠΎΡ ΡΡΠ΅ΠΉΠΊΠΎΠ²!
ΠΠ°ΡΡΠΎΠ½Π½ΡΠΉ Π΄ΠΎΠΌΠΈΠΊ Π΄Π»Ρ ΠΊΠΎΡΠ΅ΠΊ
ΠΡΠ΅ ΠΎΠ΄Π½ΠΎ ΡΠΊΠΎΠ½ΠΎΠΌΠΈΡΠ½ΠΎΠ΅ ΠΆΠΈΠ»ΠΈΡΠ΅ Π΄Π»Ρ ΠΊΠΎΡΠ΅ΠΊ, ΡΡΠΎΡ Π΄ΠΎΠΌΠΈΠΊ Π΄Π»Ρ ΠΊΠΎΡΠ΅ΠΊ Π² ΡΠΎΡΠΌΠ΅ ΠΊΠΎΠ½ΡΡΠ° Π½Π° ΡΠ°ΠΌΠΎΠΌ Π΄Π΅Π»Π΅ Π²ΡΠ³Π»ΡΠ΄ΠΈΡ Π΄ΠΎΠ²ΠΎΠ»ΡΠ½ΠΎ ΡΡΠΈΠ»ΡΠ½ΠΎ. Π ΡΡΠ°ΡΡΠ΅ Ρ ΠΈΠ½ΡΡΡΡΠΊΡΠΈΡΠΌΠΈ Π΄Π»Ρ ΡΡΠΎΠ³ΠΎ ΠΈΡΠΏΠΎΠ»ΡΠ·ΡΠ΅ΡΡΡ Π½ΠΎΠΆ, ΡΡΠΎΠ±Ρ ΡΠ°Π·ΡΠ΅Π·Π°ΡΡ ΠΊΠ°ΠΆΠ΄ΡΠΉ ΡΠ»ΠΎΠΉ, Ρ ΠΎΡΡ ΠΌΠΎΠΆΠ½ΠΎ ΡΠ°ΠΊΠΆΠ΅ ΠΈΡΠΏΠΎΠ»ΡΠ·ΠΎΠ²Π°ΡΡ Π»Π°Π·Π΅ΡΠ½ΡΠΉ ΡΠ΅Π·Π°ΠΊ.
ΠΠΎΡΠ°ΡΡΠΈ ΠΊΠ½ΠΈΠΆΠ½ΡΠ΅ ΠΏΠΎΠ»ΠΊΠΈ ΠΈ Π΄ΠΎΠΌ
ΠΠΎΡΠΊΠΈ, ΠΊΠ°ΠΆΠ΅ΡΡΡ, Π»ΡΠ±ΡΡ ΠΊΠ½ΠΈΠΆΠ½ΡΠ΅ ΠΏΠΎΠ»ΠΊΠΈ, ΠΏΠΎΡΡΠΎΠΌΡ ΠΊΠ°ΠΆΠ΅ΡΡΡ Π²ΠΏΠΎΠ»Π½Π΅ ΡΠΌΠ΅ΡΡΠ½ΡΠΌ, ΡΡΠΎ ΠΎΠ½ΠΈ ΡΠ΄Π΅Π»Π°Π½Ρ Ρ ΠΌΡΡΠ»ΡΡ ΠΎ ΠΊΠΎΡΠΊΠ΅. ΠΠ΅ΡΠΊΠΎΠ»ΡΠΊΠΎ ΠΏΠΎΠ»ΠΎΠΊ ΠΎΠ±ΡΠ°Π·ΡΡΡ ΡΠ²ΠΎΠ΅Π³ΠΎ ΡΠΎΠ΄Π° Π»Π΅ΡΡΠ½ΠΈΡΡ, Π²Π΅Π΄ΡΡΡΡ ΠΊ ΡΡΠΈΠΊΡ, Π² ΠΊΠΎΡΠΎΡΠΎΠΌ ΠΊΠΎΡΠΊΠ° (ΠΠΎ) ΠΌΠΎΠΆΠ΅Ρ Π±ΠΎΠ»ΡΠ°ΡΡΡΡ (ΠΈΠ»ΠΈ Π½Π° Π½Π΅ΠΌ). ΠΠ°Π²Π΅ΡΡΠ°Π΅Ρ ΡΡΡ ΠΏΠΎΡΡΡΠΎΠΉΠΊΡ ΠΏΠΎΠ΄Π²Π΅ΡΠ½ΠΎΠΉ ΠΌΠΎΡΡ ΠΎΡ ΠΏΠΎΡΠ»Π΅Π΄Π½Π΅ΠΉ ΠΊΠ½ΠΈΠΆΠ½ΠΎΠΉ ΠΏΠΎΠ»ΠΊΠΈ ΠΊ Π΄ΠΎΠΌΡ. ΠΠΎ Ρ ΡΠ°ΠΌΠΎΠ³ΠΎ Π½Π°ΡΠ°Π»Π° ΠΏΠΎΠ΄ΠΎΠ·ΡΠ΅Π²Π°Π» ΠΌΠΎΡΡ, Π½ΠΎ ΡΠ΅ΠΏΠ΅ΡΡ Π±Π΅Π· ΠΊΠΎΠ»Π΅Π±Π°Π½ΠΈΠΉ ΠΈΡΠΏΠΎΠ»ΡΠ·ΡΠ΅Ρ Π΅Π³ΠΎ, ΡΡΠΎΠ±Ρ Π΄ΠΎΠ±ΡΠ°ΡΡΡΡ Π΄ΠΎ ΡΠ²ΠΎΠ΅Π³ΠΎ ΠΌΠ΅ΡΡΠ°.
Π‘Π΄Π΅Π»Π°ΡΡ Π΄ΠΎΠΌΠΈΠΊ Π΄Π»Ρ Π²Π°ΡΠ΅ΠΉ ΠΊΠΎΡΠΊΠΈ ΠΏΡΠΎΡΡΠΎ!
ΠΠ΅Π·Π°Π²ΠΈΡΠΈΠΌΠΎ ΠΎΡ ΡΠΎΠ³ΠΎ, Π΅ΡΡΡ Π»ΠΈ Ρ Π²Π°Ρ Π΄ΠΎΠΌΠ°ΡΠ½ΡΡ ΠΊΠΎΡΠΊΠ° ΠΈΠ»ΠΈ ΡΠ»ΠΈΡΠ½Π°Ρ ΠΊΠΎΡΠΊΠ°, Π²Ρ ΠΌΠΎΠΆΠ΅ΡΠ΅ ΠΏΡΠ΅Π΄ΠΎΡΡΠ°Π²ΠΈΡΡ ΡΠ²ΠΎΠ΅ΠΌΡ ΠΊΠΎΡΠ°ΡΡΠ΅ΠΌΡ Π΄ΡΡΠ³Ρ ΠΌΠ½ΠΎΠ³ΠΎ ΠΏΡΠ΅ΠΈΠΌΡΡΠ΅ΡΡΠ², Π²ΠΊΠ»ΡΡΠ°Ρ Π±Π΅Π·ΠΎΠΏΠ°ΡΠ½ΠΎΡΡΡ, ΠΎΠ±ΠΎΠ³Π°ΡΠ΅Π½ΠΈΠ΅, ΡΠ²Π΅ΠΆΠΈΠΉ Π²ΠΎΠ·Π΄ΡΡ ΠΈ ΡΡΠΈΠΌΡΠ»ΡΡΠΈΡ ΠΏΡΠΈΡΠΎΠ΄Ρ, ΠΏΠΎΡΡΡΠΎΠΈΠ² catio.Catios — ΡΡΠΎ ΠΊΠΎΡΠ°ΡΡΠΈ Π²ΠΎΠ»ΡΠ΅ΡΡ ΠΈΠ»ΠΈ Β«ΠΊΠΎΡΠ°ΡΡΠΈ Π΄Π²ΠΎΡΠΈΠΊΠΈΒ», ΠΊΠΎΡΠΎΡΡΠ΅ ΠΎΠ±Π΅ΡΠΏΠ΅ΡΠΈΠ²Π°ΡΡ Π΄ΡΡΠ΅Π²Π½ΠΎΠ΅ ΡΠΏΠΎΠΊΠΎΠΉΡΡΠ²ΠΈΠ΅, Π·Π½Π°Ρ, ΡΡΠΎ Π²Π°ΡΠ° ΠΊΠΎΡΠΊΠ° Π²ΡΠ΅Π³Π΄Π° Π² Π±Π΅Π·ΠΎΠΏΠ°ΡΠ½ΠΎΡΡΠΈ Π½Π° ΠΎΡΠΊΡΡΡΠΎΠΌ Π²ΠΎΠ·Π΄ΡΡ Π΅, Π·Π°ΡΠΈΡΠ°Ρ ΠΏΡΠΈΡ ΠΈ Π΄ΠΈΠΊΡΡ ΠΏΡΠΈΡΠΎΠ΄Ρ.
ΠΡΠ»ΠΈ Π²Ρ Ρ ΠΎΡΠΈΡΠ΅ ΠΏΠΎΡΡΡΠΎΠΈΡΡ Π΅Π³ΠΎ ΡΠ°ΠΌΠΎΡΡΠΎΡΡΠ΅Π»ΡΠ½ΠΎ ΠΈΠ»ΠΈ Π½Π΅ Π·Π½Π°Π΅ΡΠ΅, Ρ ΡΠ΅Π³ΠΎ Π½Π°ΡΠ°ΡΡ, Π²ΠΎΡ Π½Π΅ΡΠΊΠΎΠ»ΡΠΊΠΎ ΡΠΎΠ²Π΅ΡΠΎΠ², ΠΊΠΎΡΠΎΡΡΠ΅ ΠΏΠΎΠΌΠΎΠ³ΡΡ Π²Π°ΠΌ Π½Π°ΡΠ°ΡΡ ΡΠ°Π±ΠΎΡΡ:
ΠΠΠ ΠΠ«ΠΠ ΠΠ’Π¬ ΠΠΠ‘Π’Π ΠΠΠ― ΠΠΠ¨ΠΠΠ CATIOΠΡΠΈ Π²ΡΠ±ΠΎΡΠ΅ ΠΌΠ΅ΡΡΠ° Π΄Π»Ρ ΡΠ°Π·ΠΌΠ΅ΡΠ΅Π½ΠΈΡ ΡΠ»Π΅Π΄ΡΠ΅Ρ ΡΡΠΈΡΡΠ²Π°ΡΡ Π½Π΅ΡΠΊΠΎΠ»ΡΠΊΠΎ ΡΠ°ΠΊΡΠΎΡΠΎΠ². ΠΡΠ΅ΠΆΠ΄Π΅ ΡΠ΅ΠΌ ΡΡΡΠΎΠΈΡΡ Π²ΠΎΠ»ΡΠ΅Ρ Π΄Π»Ρ ΠΊΠΎΡΠ΅ΠΊ, ΠΏΡΠΈΠΌΠΈΡΠ΅ Π²ΠΎ Π²Π½ΠΈΠΌΠ°Π½ΠΈΠ΅ ΡΠ»Π΅Π΄ΡΡΡΠ΅Π΅:
- Cat Access : ΠΠ΄Π΅Π°Π»ΡΠ½ΠΎΠ΅ ΠΌΠ΅ΡΡΠΎ Π΄Π»Ρ catio — Π²ΠΎΠ·Π»Π΅ Π²Π½Π΅ΡΠ½Π΅Π³ΠΎ ΠΎΠΊΠ½Π° ΠΈΠ»ΠΈ Π΄Π²Π΅ΡΠΈ, ΠΎΡΠΊΡΠ΄Π° Π²Π°ΡΠ΅ΠΉ ΠΊΠΎΡΠΊΠ΅ Π±ΡΠ΄Π΅Ρ Π»Π΅Π³ΠΊΠΎ Π²ΠΎΠΉΡΠΈ ΠΏΡΡΠΌΠΎ Π² catio.ΠΠ²Π΅ΡΠΈ Cat, Π΄ΠΎΡΡΡΠΏΠ½ΡΠ΅ Π² ΡΠ°Π·Π»ΠΈΡΠ½ΡΡ ΡΠ°Π·ΠΌΠ΅ΡΠ°Ρ ΠΈ ΡΡΠΈΠ»ΡΡ , ΠΌΠΎΠ³ΡΡ Π±ΡΡΡ ΡΡΡΠ°Π½ΠΎΠ²Π»Π΅Π½Ρ Π² ΠΎΠΊΠ½Π΅, Π΄Π²Π΅ΡΠΈ ΠΈΠ»ΠΈ ΡΡΠ΅Π½Π΅. ΠΡΠ»ΠΈ Π²Ρ ΠΏΡΠ΅Π΄ΠΏΠΎΡΠΈΡΠ°Π΅ΡΠ΅ ΠΊΠΎΠΌΠ½Π°ΡΡ, ΡΠ°ΡΠΏΠΎΠ»ΠΎΠΆΠ΅Π½Π½ΡΡ ΠΏΠΎΠ΄Π°Π»ΡΡΠ΅ ΠΎΡ Π²Π°ΡΠ΅Π³ΠΎ Π΄ΠΎΠΌΠ°, ΠΏΠΎΠ΄ΡΠΌΠ°ΠΉΡΠ΅ ΠΎ ΡΠΎΠΌ, ΡΡΠΎΠ±Ρ ΠΏΡΠΎΠ»ΠΎΠΆΠΈΡΡ ΠΊΠΎΡΠ°ΡΠΈΠΉ ΡΡΠ½Π½Π΅Π»Ρ ΠΈΠ»ΠΈ ΠΏΠ΅ΡΠ΅Π½Π΅ΡΡΠΈ ΠΊΠΎΡΠΊΡ Π² ΠΊΠΎΠΌΠ½Π°ΡΡ.
- Π Π°Π·ΠΌΠ΅Ρ : ΠΡΠ΅Π½ΠΈΡΠ΅, ΡΠΊΠΎΠ»ΡΠΊΠΎ Ρ Π²Π°Ρ Π΅ΡΡΡ ΠΎΡΠΊΡΡΡΠΎΠ³ΠΎ ΠΏΡΠΎΡΡΡΠ°Π½ΡΡΠ²Π° ΠΈ ΡΠΊΠΎΠ»ΡΠΊΠΎ ΠΊΠΎΡΠ΅ΠΊ Π±ΡΠ΄ΡΡ ΠΈΡΠΏΠΎΠ»ΡΠ·ΠΎΠ²Π°ΡΡ catio. ΠΠΎΡΠΊΠΈ Π»ΡΠ±ΡΡ Π²Π΅ΡΡΠΈΠΊΠ°Π»ΡΠ½ΠΎΠ΅ ΠΏΡΠΎΡΡΡΠ°Π½ΡΡΠ²ΠΎ, ΠΏΠΎΡΡΠΎΠΌΡ Π²Ρ ΠΌΠΎΠΆΠ΅ΡΠ΅ ΠΌΠ°ΠΊΡΠΈΠΌΠΈΠ·ΠΈΡΠΎΠ²Π°ΡΡ Π½Π΅Π±ΠΎΠ»ΡΡΡΡ ΠΏΠ»ΠΎΡΠ°Π΄Ρ, Π΄ΠΎΠ±Π°Π²ΠΈΠ² Π½Π΅ΡΠΊΠΎΠ»ΡΠΊΠΎ Π²Π΅ΡΡΠΈΠΊΠ°Π»ΡΠ½ΡΡ ΠΏΠΎΠ»ΠΎΠΊ ΠΈ ΠΆΠ΅ΡΠ΄Π΅ΠΉ. ΠΡΠ»ΠΈ ΠΏΡΠΎΡΡΡΠ°Π½ΡΡΠ²ΠΎ ΠΎΠ³ΡΠ°Π½ΠΈΡΠ΅Π½ΠΎ, ΠΎΡΠ»ΠΈΡΠ½ΡΠΉ Π²Π°ΡΠΈΠ°Π½Ρ ΠΏΠΎΠ΄ΠΎΠΉΠ΄Π΅Ρ ΠΎΠΊΠΎΠ½Π½Π°Ρ ΠΊΠΎΡΠΎΠ±ΠΊΠ°.ΠΡΠ»ΠΈ Π²Ρ ΡΠΎΠΆΠ΅ Ρ ΠΎΡΠΈΡΠ΅ ΠΏΠΎΠ»ΡΡΠ°ΡΡ ΡΠ΄ΠΎΠ²ΠΎΠ»ΡΡΡΠ²ΠΈΠ΅ ΠΎΡ ΠΎΡΠ΄ΡΡ Π°, ΠΊΠ°ΡΠ°Π½ΠΈΠ΅ ΡΠ°Π·ΠΌΠ΅ΡΠΎΠΌ 6Ρ 8 ΡΡΡΠΎΠ² ΠΈΠ»ΠΈ 8Ρ 10 ΡΡΡΠΎΠ² Π΄Π°ΡΡ Π²Π°ΠΌ ΠΌΠ΅ΡΡΠΎ Π΄Π»Ρ ΡΠΈΠ΄Π΅Π½ΠΈΡ ΠΈ ΠΎΠ±ΡΠ΅Π½ΠΈΡ Ρ Π²Π°ΡΠ΅ΠΉ ΠΊΠΎΡΠΊΠΎΠΉ. ΠΠ΅Π΄Ρ ΠΏΡΠΈΡΠΎΠ΄Π° ΡΠΎΠΆΠ΅ ΠΏΠΎΠ»Π΅Π·Π½Π° Π΄Π»Ρ ΡΠ΅Π»ΠΎΠ²Π΅ΠΊΠ°!
- Level Foundation : ΠΠΎΡΡΡΠΎΠΉΡΠ΅ ΡΠ²ΠΎΡ catio Π½Π° ΠΏΠ»ΠΎΡΠΊΠΎΠΌ, ΡΠΎΠ²Π½ΠΎΠΌ ΡΡΠ½Π΄Π°ΠΌΠ΅Π½ΡΠ΅, ΡΡΠΎΠ±Ρ ΠΎΠ±Π΅ΡΠΏΠ΅ΡΠΈΡΡ ΡΡΠΏΠ΅ΡΠ½ΡΠΉ ΠΏΡΠΎΠ΅ΠΊΡ. ΠΠ΅ΡΠΎΠ²Π½ΡΡ Π·Π΅ΠΌΠ»Ρ ΠΌΠΎΠΆΠ½ΠΎ Π²ΡΡΠΎΠ²Π½ΡΡΡ, Π° ΠΌΠΎΠΆΠ½ΠΎ ΠΏΠΎΡΡΡΠΎΠΈΡΡ ΡΠ²ΠΎΠΉ Π΄ΠΎΠΌ Π½Π° ΡΠ΅ΡΡΠ°ΡΠ΅ ΠΈΠ»ΠΈ ΡΠ΅ΡΡΠ°ΡΠ΅. ΠΠ°Π΄Π·Π΅ΠΌΠ½ΡΠ΅ ΠΎΠΊΠΎΠ½Π½ΡΠ΅ ΠΊΠΎΡΠΎΠ±ΠΊΠΈ ΠΌΠΎΠ³ΡΡ ΠΏΠΎΠ΄Π΄Π΅ΡΠΆΠΈΠ²Π°ΡΡΡΡ ΡΠ³Π»ΠΎΠ²ΡΠΌΠΈ ΡΠ°ΡΠΏΠΎΡΠΊΠ°ΠΌΠΈ, ΠΊΠΎΡΠΎΡΡΠ΅ ΠΏΡΠΈΠΊΡΠ΅ΠΏΠ»ΡΡΡΡΡ ΠΊ Π΄ΠΎΠΌΡ.
- Π‘ΠΎΠ»Π½ΡΠ΅ / ΡΠ΅Π½Ρ : ΠΠΎΡΠΊΠΈ Π»ΡΠ±ΡΡ Π½Π΅ΠΆΠΈΡΡΡΡ Π½Π° ΡΠΎΠ»Π½ΡΠ΅, ΠΏΠΎΡΡΠΎΠΌΡ ΠΌΠ΅ΡΡΠΎ, Π³Π΄Π΅ Π΅ΡΡΡ ΠΊΠ°ΠΊ ΡΠΎΠ»Π½ΡΠ΅, ΡΠ°ΠΊ ΠΈ ΡΠ΅Π½Ρ, ΡΠ²Π»ΡΠ΅ΡΡΡ ΠΈΠ΄Π΅Π°Π»ΡΠ½ΡΠΌ.ΠΡΠ΅Π³Π΄Π° ΠΎΠ±Π΅ΡΠΏΠ΅ΡΠΈΠ²Π°ΠΉΡΠ΅ ΠΊΠΎΡΠΊΠ΅ ΡΠ΅Π½Ρ, Π½Π°ΠΏΡΠΈΠΌΠ΅Ρ, ΡΡΡΠΏΠΎΡΠΊΡ, ΡΠΊΠ°ΠΌΠ΅ΠΉΠΊΡ ΠΈΠ»ΠΈ ΠΏΡΠΈΡΡ Π΄Π»Ρ ΠΊΠΎΡΠ΅ΠΊ Π½Π° ΡΠ»ΠΈΡΠ΅.
- Π‘ΡΠΈΠΌΡΠ»ΠΈΡΡΡΡΠΈΠ΅ Π²ΠΈΠ΄Ρ : ΠΠΎΡΠΊΠΈ Π½ΡΠΆΠ΄Π°ΡΡΡΡ Π² ΡΡΠΈΠΌΡΠ»ΡΡΠΈΠΈ Π΅ΠΆΠ΅Π΄Π½Π΅Π²Π½ΠΎ. ΠΠ΅ΡΡΠΎ Ρ Π²ΠΈΠ΄ΠΎΠΌ Π½Π° ΡΠ°Π΄, Π΄ΠΈΠΊΡΡ ΠΏΡΠΈΡΠΎΠ΄Ρ ΠΈ ΡΠ΅ΠΌΠ΅ΠΉΠ½ΡΠ΅ ΡΠ°Π·Π²Π»Π΅ΡΠ΅Π½ΠΈΡ ΠΎΠ±Π΅ΡΠΏΠ΅ΡΠΈΡ Π±Π΅ΡΠΊΠΎΠ½Π΅ΡΠ½ΠΎΠ΅ ΠΎΠ±ΠΎΠ³Π°ΡΠ΅Π½ΠΈΠ΅ Π²Π°ΡΠ΅ΠΉ ΠΊΠΎΡΠΊΠΈ, Π½Π°ΡΠ»Π°ΠΆΠ΄Π°ΡΡΡ ΡΠ²Π΅ΠΆΠΈΠΌ Π²ΠΎΠ·Π΄ΡΡ ΠΎΠΌ.
ΠΠ°ΡΠ΅ΡΠΈΠ°Π»Ρ Π΄Π»Ρ ΠΏΠΎΡΡΡΠΎΠΉΠΊΠΈ Π΄ΠΎΠΌΠ° ΠΌΠΎΠΆΠ½ΠΎ ΠΏΡΠΈΠΎΠ±ΡΠ΅ΡΡΠΈ Π² ΠΌΠ°Π³Π°Π·ΠΈΠ½Π΅ ΡΠΎΠ²Π°ΡΠΎΠ² Π΄Π»Ρ Π΄ΠΎΠΌΠ° ΠΈΠ»ΠΈ Π² ΠΌΠ°Π³Π°Π·ΠΈΠ½Π΅ ΠΏΠΈΠ»ΠΎΠΌΠ°ΡΠ΅ΡΠΈΠ°Π»ΠΎΠ².Π’ΠΈΠΏΠΈΡΠ½ΡΠ΅ ΠΌΠ°ΡΠ΅ΡΠΈΠ°Π»Ρ Π²ΠΊΠ»ΡΡΠ°ΡΡ Π² ΡΠ΅Π±Ρ Π΄Π΅ΡΠ΅Π²ΡΠ½Π½ΡΠ΅ ΠΊΠ°ΡΠΊΠ°ΡΡ, Π·Π°ΡΠΈΡΠ½ΡΡ ΠΏΡΠΎΠ²ΠΎΠ»ΠΎΠΊΡ, ΠΏΠΎΠ»ΠΊΠΈ ΠΈΠ· ΠΊΠ΅Π΄ΡΠ° ΠΈ Π²Π°ΡΠΈΠ°Π½ΡΡ ΠΊΡΡΡΠΈ, ΡΠ°ΠΊΠΈΠ΅ ΠΊΠ°ΠΊ ΠΏΡΠΎΠ²ΠΎΠ»ΠΎΡΠ½Π°Ρ ΡΠ΅ΡΠΊΠ° ΠΈΠ»ΠΈ ΠΏΠΎΠ»ΠΈΠΊΠ°ΡΠ±ΠΎΠ½Π°Ρ, ΡΡΠΎΠ±Ρ Π²Π°ΡΠ° ΠΊΠΎΡΠΊΠ° ΠΌΠΎΠ³Π»Π° Π½Π°ΡΠ»Π°ΠΆΠ΄Π°ΡΡΡΡ ΠΎΡΠ΄ΡΡ ΠΎΠΌ Π² ΡΠ΅ΡΠ΅Π½ΠΈΠ΅ Π²ΡΠ΅Π³ΠΎ Π³ΠΎΠ΄Π°. Π§ΡΠΎΠ±Ρ ΠΎΠ±Π΅Π·ΠΎΠΏΠ°ΡΠΈΡΡ ΠΎΡΠΊΡΡΡΠΎΠ΅ ΠΏΡΠΎΡΡΡΠ°Π½ΡΡΠ²ΠΎ ΠΎΡ ΠΏΠΎΠ±Π΅Π³Π°, ΠΏΡΠΈΠΌΠΈΡΠ΅ Π²ΠΎ Π²Π½ΠΈΠΌΠ°Π½ΠΈΠ΅ ΡΠ»Π΅Π΄ΡΡΡΠ΅Π΅:
- ΠΡΠΎΠ²ΠΎΠ»ΠΎΠΊΠ° : Π§ΡΠΎΠ±Ρ ΠΎΠ±Π΅ΡΠΏΠ΅ΡΠΈΡΡ Π±Π΅Π·ΠΎΠΏΠ°ΡΠ½ΠΎΡΡΡ Π²Π°ΡΠ΅ΠΉ ΠΊΠΎΡΠΊΠΈ ΠΈ Π΄ΠΎΠ»Π³ΠΎΠ²Π΅ΡΠ½ΠΎΡΡΡ ΠΊΠΎΡΠΊΠΈ, ΡΠ΅ΠΊΠΎΠΌΠ΅Π½Π΄ΡΠ΅ΡΡΡ ΠΎΡΠΈΠ½ΠΊΠΎΠ²Π°Π½Π½Π°Ρ ΡΠ²Π°ΡΠ½Π°Ρ ΠΏΡΠΎΠ²ΠΎΠ»ΠΎΠΊΠ° (ΠΏΡΠΎΠ²ΠΎΠ»ΠΎΠΊΠ° Π΄Π»Ρ ΠΎΠ³ΡΠ°ΠΆΠ΄Π΅Π½ΠΈΠΉ) 16 ΠΊΠ°Π»ΠΈΠ±ΡΠ°, Π΄ΠΎΡΡΡΠΏΠ½Π°Ρ Π² ΡΠ°Π·Π»ΠΈΡΠ½ΡΡ ΡΠ°Π·ΠΌΠ΅ΡΠ°Ρ , Π²ΠΊΠ»ΡΡΠ°Ρ 2 x 3 Π΄ΡΠΉΠΌΠ° ΠΈΠ»ΠΈ ΠΌΠ΅Π½ΡΡΠ΅. ΠΡΡΠ³ΠΈΠ΅ Π²Π°ΡΠΈΠ°Π½ΡΡ Π²ΠΊΠ»ΡΡΠ°ΡΡ ΠΏΡΠΎΠ²ΠΎΠ΄ Ρ Π²ΠΈΠ½ΠΈΠ»ΠΎΠ²ΡΠΌ ΠΏΠΎΠΊΡΡΡΠΈΠ΅ΠΌ Π·Π΅Π»Π΅Π½ΠΎΠ³ΠΎ ΠΈ ΡΠ΅ΡΠ½ΠΎΠ³ΠΎ ΡΠ²Π΅ΡΠΎΠ².ΠΡΠΎΠ²ΠΎΠ»ΠΎΠΊΡ ΠΌΠΎΠΆΠ½ΠΎ ΠΏΡΠΈΠΊΡΠ΅ΠΏΠΈΡΡ ΠΊ Π΄Π΅ΡΠ΅Π²ΡΠ½Π½ΠΎΠΌΡ ΠΊΠ°ΡΠΊΠ°ΡΡ Ρ ΠΏΠΎΠΌΠΎΡΡΡ ΡΡΠ΅ΠΏΠ»Π΅ΡΠ°.
- ΠΡΠ°ΠΆ : ΠΡΠ»ΠΈ Π²Ρ ΡΡΡΠΎΠΈΡΠ΅ catio Π½Π° ΡΠ΅ΡΡΠ°ΡΠ΅ ΠΈΠ»ΠΈ ΠΏΠ°ΡΠΈΠΎ, Π²Π°ΡΠ° ΠΏΠΎΠ²Π΅ΡΡ Π½ΠΎΡΡΡ ΠΏΠΎΠ»Π° ΡΠΆΠ΅ ΡΡΡΠ΅ΡΡΠ²ΡΠ΅Ρ. ΠΠ»Ρ catios, ΠΏΠΎΡΡΡΠΎΠ΅Π½Π½ΡΡ Π½Π° Π·Π΅ΠΌΠ»Π΅, ΠΏΠΎΠ΄ΡΠΌΠ°ΠΉΡΠ΅ ΠΎ ΡΡΡΠ΅ΡΡΠ²ΡΡΡΠ΅ΠΉ ΡΡΠ°Π²Π΅ ΠΈΠ»ΠΈ Π΄ΠΎΠ±Π°Π²ΡΡΠ΅ ΠΊΠΈΡΠΏΠΈΡΠΈ, Π±ΡΡΡΡΠ°ΡΠΊΡ ΠΈΠ»ΠΈ Π½Π°ΡΡΠΈΠ». ΠΡΠΈ ΠΌΠ°ΡΠ΅ΡΠΈΠ°Π»Ρ ΠΏΠΎΠΌΠΎΠ³ΡΡ ΠΈΠ·Π±Π΅ΠΆΠ°ΡΡ ΠΏΠΎΠΏΠ°Π΄Π°Π½ΠΈΡ Π³ΡΡΠ·ΠΈ ΠΈΠ»ΠΈ Π³ΡΡΠ·Π½ΡΡ Π»Π°ΠΏ Π² Π²Π°Ρ Π΄ΠΎΠΌ.
- ΠΠΎΠ»ΠΊΠΈ ΠΈΠ· ΠΊΠ΅Π΄ΡΠ° : ΠΠ΅Π΄Ρ Ρ ΡΠ·ΠΊΠΈΠΌΠΈ ΡΠ·Π»Π°ΠΌΠΈ — Ρ ΠΎΡΠΎΡΠΈΠΉ Π²ΡΠ±ΠΎΡ Π΄Π»Ρ ΡΠΎΠ·Π΄Π°Π½ΠΈΡ ΠΏΠΎΠ»ΠΎΠΊ Π΄Π»Ρ Π²Π΅ΡΡΠΈΠΊΠ°Π»ΡΠ½ΠΎΠ³ΠΎ ΠΈ Π³ΠΎΡΠΈΠ·ΠΎΠ½ΡΠ°Π»ΡΠ½ΠΎΠ³ΠΎ ΠΏΠ΅ΡΠ΅ΠΌΠ΅ΡΠ΅Π½ΠΈΡ Π² ΠΏΠΎΠΌΠ΅ΡΠ΅Π½ΠΈΠΈ. Π£Π³Π»ΠΎΠ²ΡΠ΅ Π½Π°ΡΠ°Π΄ΠΊΠΈ, ΠΈΠ΄Π΅Π°Π»ΡΠ½ΠΎ ΠΏΠΎΠ΄Ρ ΠΎΠ΄ΡΡΠΈΠ΅ Π΄Π»Ρ ΠΎΡΠ΄ΡΡ Π° ΠΈ ΡΠ½Π°, ΠΌΠΎΠ³ΡΡ Π±ΡΡΡ ΠΈΠ·Π³ΠΎΡΠΎΠ²Π»Π΅Π½Ρ ΠΈΠ· Π½Π°ΡΡΠΆΠ½ΠΎΠΉ ΡΠ°Π½Π΅ΡΡ ΡΠΎΠ»ΡΠΈΠ½ΠΎΠΉ ΒΎ Π΄ΡΠΉΠΌΠ° ΠΈ ΠΏΠΎΠΊΡΡΡΡ Π½Π°ΠΏΠΎΠ»ΡΠ½ΡΠΌ ΠΊΠΎΠ²ΡΠΎΠΌ.
- ΠΡΡΡΠ° : ΠΡΠΎΠ²ΠΎΠ»ΠΎΡΠ½Π°Ρ ΡΠ΅ΡΠΊΠ° ΠΈΠ»ΠΈ ΠΊΡΡΡΠ° ΠΈΠ· ΠΏΡΠΎΠ·ΡΠ°ΡΠ½ΠΎΠ³ΠΎ ΠΏΠΎΠ»ΠΈΠΊΠ°ΡΠ±ΠΎΠ½Π°ΡΠ° ΠΎΠ±Π΅ΡΠΏΠ΅ΡΠ°Ρ ΡΠΎΠ΄Π΅ΡΠΆΠ°Π½ΠΈΠ΅ ΠΈ Π·Π°ΡΠΈΡΡ Π²Π°ΡΠ΅ΠΉ ΠΊΠΎΡΠΊΠΈ.
ΠΠ΄Π½Π° ΠΈΠ· ΡΠ°Π΄ΠΎΡΡΠ΅ΠΉ catio — ΡΡΠΎ ΠΎΠ±ΠΎΠ³Π°ΡΠ΅Π½ΠΈΠ΅ Π΄Π»Ρ Π²Π°ΡΠ΅ΠΉ ΠΊΠΎΡΠΊΠΈ. ΠΠΎΡΠ»Π΅ ΡΠΎΠ³ΠΎ, ΠΊΠ°ΠΊ Π²Ρ ΠΏΠΎΡΡΡΠΎΠΈΡΠ΅ ΡΠ²ΠΎΡ catio, ΡΠ°Π·Π»ΠΈΡΠ½ΡΠ΅ Π°ΠΊΡΠ΅ΡΡΡΠ°ΡΡ ΠΈ ΠΏΡΠ΅Π΄ΠΌΠ΅ΡΡ Π΄Π΅ΠΊΠΎΡΠ° ΠΌΠΎΠ³ΡΡ ΡΠ»ΡΡΡΠΈΡΡ Π²ΠΏΠ΅ΡΠ°ΡΠ»Π΅Π½ΠΈΡ ΠΎΡ ΠΎΡΠ΄ΡΡ Π° Π½Π° ΡΠ²Π΅ΠΆΠ΅ΠΌ Π²ΠΎΠ·Π΄ΡΡ Π΅, Π² ΡΠΎΠΌ ΡΠΈΡΠ»Π΅:
- ΠΠ³ΡΡΡΠΊΠΈ Π΄Π»Ρ ΠΊΠΎΡΠ΅ΠΊ ΠΈ ΠΊΠΎΠ³ΡΠ΅ΡΠΎΡΠΊΠΈ Π΄Π»Ρ ΠΊΠΎΡΠ΅ΠΊ: ΠΠΎΠ±Π°Π²ΡΡΠ΅ Π»ΡΠ±ΠΈΠΌΡΠ΅ ΠΈΠ³ΡΡΡΠΊΠΈ ΠΊΠΎΡΠΊΠΈ, ΠΊΠΎΠ³ΡΠ΅ΡΠΎΡΠΊΡ Π΄Π»Ρ ΠΊΠΎΡΠ΅ΠΊ, ΡΡΠ½Π½Π΅Π»ΡΠ½ΡΡ ΡΡΡΠ±ΠΊΡ ΠΈΠ»ΠΈ Π΄ΡΡΠ³ΠΎΠ΅ ΡΠΊΡΠ°ΡΠ΅Π½ΠΈΠ΅ Π΄Π»Ρ ΡΠ΄ΠΎΠ²ΠΎΠ»ΡΡΡΠ²ΠΈΡ Π²Π°ΡΠ΅ΠΉ ΠΊΠΎΡΠΊΠΈ.
- ΠΠ΅Π·ΠΎΠΏΠ°ΡΠ½ΡΠ΅ Π΄Π»Ρ ΠΊΠΎΡΠ΅ΠΊ ΡΠ°ΡΡΠ΅Π½ΠΈΡ: Π§ΡΠΎΠ±Ρ Π²Π°ΡΠ° ΠΊΠΎΡΠΊΠ° ΠΎΡΡΠ°Π²Π°Π»Π°ΡΡ Π·Π΄ΠΎΡΠΎΠ²ΠΎΠΉ, ΠΈΠ·Π±Π΅Π³Π°ΠΉΡΠ΅ ΠΈΡΠΏΠΎΠ»ΡΠ·ΠΎΠ²Π°Π½ΠΈΡ ΡΠ°ΡΡΠ΅Π½ΠΈΠΉ, ΡΠΎΠΊΡΠΈΡΠ½ΡΡ Π΄Π»Ρ ΠΊΠΎΡΠ΅ΠΊ. ΠΠ΅ΡΠΊΠΎΠ»ΡΠΊΠΎ Π±Π΅Π·ΠΎΠΏΠ°ΡΠ½ΡΡ Π²Π°ΡΠΈΠ°Π½ΡΠΎΠ² ΡΠ°ΡΡΠ΅Π½ΠΈΠΉ Π²ΠΊΠ»ΡΡΠ°ΡΡ ΠΏΡΠ΅Π½ΠΈΡΠ½ΡΡ ΡΡΠ°Π²Ρ, ΠΊΠΎΡΠ°ΡΡΡ ΠΌΡΡΡ, Π±Π°Π·ΠΈΠ»ΠΈΠΊ, Π½Π°ΡΡΡΡΡΠΈΠΈ, Π°Π½ΡΡΠΈΠ½Ρ Π³Π»Π°Π·ΠΊΠΈ ΠΈΠ»ΠΈ ΡΡΠ°Π²Ρ, ΠΏΠΎΡΠ°ΠΆΠ΅Π½Π½ΡΡ Π² Π³ΠΎΡΡΠΊΠ΅.
- Π§Π°ΡΠ° Π΄Π»Ρ Π²ΠΎΠ΄Ρ ΠΈΠ»ΠΈ ΡΠΎΠ½ΡΠ°Π½: ΠΡΠ΅Π³Π΄Π° ΠΈΠΌΠ΅ΠΉΡΠ΅ ΠΏΠΎΠ΄ ΡΡΠΊΠΎΠΉ ΠΌΠΈΡΠΊΡ Ρ ΠΏΡΠ΅ΡΠ½ΠΎΠΉ Π²ΠΎΠ΄ΠΎΠΉ Π΄Π»Ρ Π²Π°ΡΠ΅ΠΉ ΠΊΠΎΡΠΊΠΈ Π² catio ΠΈΠ»ΠΈ ΠΏΠΎΠ΄ΡΠΌΠ°ΠΉΡΠ΅ ΠΎ ΡΠΎΠ½ΡΠ°Π½Π΅. (ΠΠ·Π±Π΅Π³Π°ΠΉΡΠ΅ ΠΏΠΈΡΠΈ, ΠΊΠΎΡΠΎΡΠ°Ρ ΠΌΠΎΠΆΠ΅Ρ ΠΏΡΠΈΠ²Π»Π΅ΡΡ Π³ΡΡΠ·ΡΠ½ΠΎΠ² ΠΈΠ»ΠΈ Π½Π΅ΠΆΠ΅Π»Π°ΡΠ΅Π»ΡΠ½ΡΡ ΠΆΠΈΠ²ΠΎΡΠ½ΡΡ .)
- Π―ΡΠΈΠΊ Π΄Π»Ρ ΡΡΠ°Π»Π΅ΡΠ°: Π―ΡΠΈΠΊ Π΄Π»Ρ ΡΡΠ°Π»Π΅ΡΠ° Π½Π° ΠΎΡΠΊΡΡΡΠΎΠΌ Π²ΠΎΠ·Π΄ΡΡ Π΅ (Π² Π΄ΠΎΠΏΠΎΠ»Π½Π΅Π½ΠΈΠ΅ ΠΊ ΡΡΠΈΠΊΡ Π² ΠΏΠΎΠΌΠ΅ΡΠ΅Π½ΠΈΠΈ) ΠΌΠΎΠΆΠ΅Ρ ΠΏΠΎΠΌΠΎΡΡ ΡΠΌΠ΅Π½ΡΡΠΈΡΡ Π½Π΅ΠΏΡΠΈΡΡΠ½ΡΠ΅ Π·Π°ΠΏΠ°Ρ ΠΈ Π² ΠΏΠΎΠΌΠ΅ΡΠ΅Π½ΠΈΠΈ ΠΈ ΠΎΠ±Π΅ΡΠΏΠ΅ΡΠΈΡΡ ΡΠ΄ΠΎΠ±Π½ΠΎΠ΅ ΠΌΠ΅ΡΡΠΎ Π΄Π»Ρ ΠΊΠΎΡΠ°ΡΡΠΈΡ Π½ΡΠΆΠ΄ Π½Π° ΠΎΡΠΊΡΡΡΠΎΠΌ Π²ΠΎΠ·Π΄ΡΡ Π΅.
- Π£ΠΊΡΠ°ΡΠΈΡΡ! ΠΠΎΠ»ΡΡΠ°ΠΉΡΠ΅ ΡΠ΄ΠΎΠ²ΠΎΠ»ΡΡΡΠ²ΠΈΠ΅, ΡΠΊΡΠ°ΡΠΈΠ² ΡΠ²ΠΎΡ ΠΊΠΎΠΌΠ½Π°ΡΡ ΠΊΠΎΠ²ΡΠΈΠΊΠ°ΠΌΠΈ, ΡΡΡΠ»ΡΡΠΌΠΈ, ΡΠ°Π΄ΠΎΠ²ΡΠΌ ΠΈΡΠΊΡΡΡΡΠ²ΠΎΠΌ ΠΈ ΠΌΠ½ΠΎΠ³ΠΈΠΌ Π΄ΡΡΠ³ΠΈΠΌ. ΠΡΡΡ Π±Π΅ΡΠΊΠΎΠ½Π΅ΡΠ½ΠΎΠ΅ ΠΊΠΎΠ»ΠΈΡΠ΅ΡΡΠ²ΠΎ ΡΠΏΠΎΡΠΎΠ±ΠΎΠ² Π½Π°ΡΡΡΠΎΠΈΡΡ ΡΠ²ΠΎΠΉ catio Π² ΡΠΎΠΎΡΠ²Π΅ΡΡΡΠ²ΠΈΠΈ Ρ Π²Π°ΡΠΈΠΌ ΡΡΠΈΠ»Π΅ΠΌ ΠΈ ΡΠ°Π½ΡΠ°Π·ΠΈΠ΅ΠΉ Π²Π°ΡΠ΅ΠΉ ΠΊΠΎΡΠΊΠΈ!
Π‘Π°ΠΌΠΎΠ΄Π΅Π»ΡΠ½ΡΠΉ ΠΏΠ»Π°Π½ catio ΠΌΠΎΠΆΠ΅Ρ Π±ΡΡΡ ΡΠ°ΠΌΡΠΌ ΠΏΡΠΎΡΡΡΠΌ ΡΠΏΠΎΡΠΎΠ±ΠΎΠΌ ΠΏΠΎΡΡΡΠΎΠΈΡΡ catio ΠΈ ΡΠ΄Π΅Π»Π°ΡΡ ΡΡΠΎ ΠΏΡΠ°Π²ΠΈΠ»ΡΠ½ΠΎ Ρ ΠΏΠ΅ΡΠ²ΠΎΠ³ΠΎ ΡΠ°Π·Π°.
ΠΠ°ΠΊ ΠΎΡΠ½ΠΎΠ²Π°ΡΠ΅Π»Ρ Catio Spaces, ΠΌΡ Π² ΡΠ΅ΡΠ΅Π½ΠΈΠ΅ Π½Π΅ΡΠΊΠΎΠ»ΡΠΊΠΈΡ Π»Π΅Ρ ΡΠΎΠ·Π΄Π°Π²Π°Π»ΠΈ Π½Π΅ΡΡΠ°Π½Π΄Π°ΡΡΠ½ΡΠ΅ ΠΊΠΎΡΡΡΠΌΡ Π΄Π»Ρ ΠΊΠΎΡΠ΅ΠΊ-Ρ ΡΠ°Π½ΠΈΡΠ΅Π»Π΅ΠΉ, ΠΈ, Ρ ΠΎΡΡ ΠΊΠ°ΠΆΠ΄Π°Ρ ΠΈΠ· Π½ΠΈΡ ΠΏΡΠ΅Π΄Π½Π°Π·Π½Π°ΡΠ΅Π½Π° Π΄Π»Ρ ΠΎΠΏΡΠ΅Π΄Π΅Π»Π΅Π½Π½ΠΎΠ³ΠΎ ΠΌΠ΅ΡΡΠ°, Ρ ΠΎΠ±Π½Π°ΡΡΠΆΠΈΠ», ΡΡΠΎ Π½Π΅ΡΠΊΠΎΠ»ΡΠΊΠΎ ΡΡΠΈΠ»Π΅ΠΉ Ρ ΠΎΡΠΎΡΠΎ ΠΏΠΎΠ΄Ρ ΠΎΠ΄ΡΡ Π΄Π»Ρ Π±ΠΎΠ»ΡΡΠΈΠ½ΡΡΠ²Π° Π΄ΠΎΠΌΠΎΠ².
Π― ΡΠ²Π»Π΅ΡΠ΅Π½ ΠΊΠΎΡΠΊΠ°ΠΌΠΈ ΠΈ Ρ ΠΎΡΡ ΠΏΠΎΠΌΠΎΡΡ ΠΊΠ°ΠΆΠ΄ΠΎΠΉ ΠΊΠΎΡΠΊΠ΅ ΡΠΎΠ·Π΄Π°ΡΡ ΡΠ²ΠΎΡ ΡΠΎΠ±ΡΡΠ²Π΅Π½Π½ΡΡ ΠΊΠΎΡΠΊΡ. ΠΠΎΡ ΠΏΠΎΡΠ΅ΠΌΡ Ρ ΡΠ΄Π΅Π»Π°Π» ΡΠ²ΠΎΠΈ ΡΠ°ΠΌΡΠ΅ ΠΏΠΎΠΏΡΠ»ΡΡΠ½ΡΠ΅ ΠΏΡΠΎΠ΅ΠΊΡΡ catio Π΄ΠΎΡΡΡΠΏΠ½ΡΠΌΠΈ, ΡΡΠΎΠ±Ρ Π½Π΅ Π³Π°Π΄Π°ΡΡ ΠΏΡΠΈ ΠΈΡ ΡΠΎΠ·Π΄Π°Π½ΠΈΠΈ. ΠΠ°ΡΠΈ ΠΏΠ»Π°Π½Ρ DIY catio ΠΏΡΠ΅Π΄Π½Π°Π·Π½Π°ΡΠ΅Π½Ρ Π΄Π»Ρ ΡΠ±ΠΎΡΠΊΠΈ ΠΈΠ· ΠΏΠ°Π½Π΅Π»Π΅ΠΉ (Π΄Π»Ρ ΠΏΡΠΎΡΡΠΎΡΡ ΡΠ±ΠΎΡΠΊΠΈ), ΠΈ, ΡΡΠΎ ΡΠ°ΠΌΠΎΠ΅ Π³Π»Π°Π²Π½ΠΎΠ΅, Π²Π°ΠΌ Π½Π΅ Π½ΡΠΆΠ½ΠΎ Π±ΡΡΡ ΠΎΠΏΡΡΠ½ΡΠΌ ΠΏΠ»ΠΎΡΠ½ΠΈΠΊΠΎΠΌ!
ΠΠ°ΠΊΠΎΠΉ Π΄ΠΈΠ·Π°ΠΉΠ½ Catio Π²ΡΠ±ΡΠ°ΡΡ?Catio Spaces ΠΏΡΠ΅Π΄Π»Π°Π³Π°Π΅Ρ ΡΠ°Π·Π»ΠΈΡΠ½ΡΠ΅ Π²Π°ΡΠΈΠ°Π½ΡΡ ΠΎΡΠΎΡΠΌΠ»Π΅Π½ΠΈΡ ΠΎΠΊΠΎΠ½, ΠΏΠ°ΡΠΈΠΎ, ΡΠ΅ΡΡΠ°ΡΡ, ΡΠ°Π΄Π° ΠΈΠ»ΠΈ Π΄Π²ΠΎΡΠ° ΡΠ²ΠΎΠΈΠΌΠΈ ΡΡΠΊΠ°ΠΌΠΈ.
- ΠΡΠ»ΠΈ Π²Π°ΡΠ΅ ΠΏΡΠΎΡΡΡΠ°Π½ΡΡΠ²ΠΎ ΠΎΠ³ΡΠ°Π½ΠΈΡΠ΅Π½ΠΎ, ΠΎΠ±ΡΠ°ΡΠΈΡΠ΅ Π²Π½ΠΈΠΌΠ°Π½ΠΈΠ΅ Π½Π° Π½Π°ΡΠΈ ΠΊΠΎΠΌΠΏΠ°ΠΊΡΠ½ΡΠ΅ ΠΏΠ»Π°Π½Ρ Window Box β’ ΠΈΠ»ΠΈ Haven β’.
- ΠΡΠ»ΠΈ Π²Π°ΠΌ ΠΈΠ½ΡΠ΅ΡΠ΅ΡΠ½ΠΎ ΠΏΡΠΎΠ²Π΅ΡΡΠΈ Π²ΡΠ΅ΠΌΡ, ΠΏΠ»Π°Π½Ρ Sanctuary β’ ΠΈ Oasis β’ — ΠΈΠ΄Π΅Π°Π»ΡΠ½ΡΠΉ Π²ΡΠ±ΠΎΡ Ρ ΠΌΠ΅ΡΡΠΎΠΌ Π΄Π»Ρ ΡΠΈΠ΄Π΅Π½ΠΈΡ ΡΠ΅Π»ΠΎΠ²Π΅ΠΊΠ°.
- ΠΡΠ»ΠΈ Π²Ρ Ρ ΠΎΡΠΈΡΠ΅ ΡΠ°Π·ΠΌΠ΅ΡΡΠΈΡΡ Π²ΠΎΠ»ΡΠ΅Ρ Π΄Π»Ρ ΠΊΠΎΡΠ΅ΠΊ Π²Π΄Π°Π»ΠΈ ΠΎΡ Π΄ΠΎΠΌΠ°, Oasis β’ Π²ΠΊΠ»ΡΡΠ°Π΅Ρ ΠΈΠ½ΡΡΡΡΠΊΡΠΈΠΈ ΠΏΠΎ ΡΡΡΠΎΠΈΡΠ΅Π»ΡΡΡΠ²Ρ ΠΏΠΎΠ΄ΠΈΡΠΌΠ½ΠΎΠ³ΠΎ ΡΡΠ½Π½Π΅Π»Ρ, ΠΊΠΎΡΠΎΡΡΠΉ ΡΠΎΠ΅Π΄ΠΈΠ½ΡΠ΅Ρ Π²Π°Ρ Π΄ΠΎΠΌ Π΄Π»Ρ Π΄ΠΎΡΡΡΠΏΠ° ΠΊΠΎΡΠ΅ΠΊ 24/7.
Π·Π°Π³ΡΡΠΆΠ°ΡΡΡΡ Π² ΡΠΎΡΠΌΠ°ΡΠ΅ PDF, ΡΠ°ΠΊ ΡΡΠΎ Π²Ρ ΠΌΠΎΠΆΠ΅ΡΠ΅ ΡΡΠ°Π·Ρ ΠΏΡΠΈΡΡΡΠΏΠΈΡΡ ΠΊ ΡΠ°Π±ΠΎΡΠ΅! Π ΠΊΠ°ΠΆΠ΄ΡΠΉ ΡΠ°ΡΠΈΡΠ½ΡΠΉ ΠΏΠ»Π°Π½ Π²Ρ ΠΎΠ΄ΠΈΡ:
- ΠΠΎΡΠ°Π³ΠΎΠ²ΡΠ΅ ΠΈΠ½ΡΡΡΡΠΊΡΠΈΠΈ, Π²ΠΊΠ»ΡΡΠ°Ρ ΡΡ Π΅ΠΌΡ.
- ΠΠ΅ΡΠ΅ΡΠ΅Π½Ρ ΠΌΠ°ΡΠ΅ΡΠΈΠ°Π»ΠΎΠ² ( ΠΌΠΎΠΆΠ½ΠΎ ΠΏΠΎΠ»ΡΡΠΈΡΡ Π² ΠΌΠ΅ΡΡΠ½ΠΎΠΌ ΠΌΠ°Π³Π°Π·ΠΈΠ½Π΅ ΡΠΎΠ²Π°ΡΠΎΠ² Π΄Π»Ρ ΡΠ΅ΠΌΠΎΠ½ΡΠ° Π΄ΠΎΠΌΠ° ΠΈΠ»ΠΈ Π² ΠΌΠ°Π³Π°Π·ΠΈΠ½Π΅ ΠΏΠΈΠ»ΠΎΠΌΠ°ΡΠ΅ΡΠΈΠ°Π»ΠΎΠ²)
- Π‘ΠΏΠΈΡΠΎΠΊ ΠΈΠ½ΡΡΡΡΠΌΠ΅Π½ΡΠΎΠ² ΠΠ°Π½Π΅Π»ΠΈ
- ΠΏΡΠ΅Π΄Π½Π°Π·Π½Π°ΡΠ΅Π½Ρ Π΄Π»Ρ ΠΏΡΠΎΡΡΠΎΡΡ ΡΠ±ΠΎΡΠΊΠΈ (ΠΈΠ»ΠΈ ΡΠ½ΡΡΠΈΡ, Π΅ΡΠ»ΠΈ Π²Ρ ΠΏΠ΅ΡΠ΅Π΅Π΄Π΅ΡΠ΅ Π² Π±ΡΠ΄ΡΡΠ΅ΠΌ).
- ΠΠ½ΡΡΡΡΠΊΡΠΈΠΈ ΠΏΠΎ ΡΡΡΠ°Π½ΠΎΠ²ΠΊΠ΅ ΠΊΡΡΡΠΈ ΠΈΠ· ΠΏΡΠΎΠ²ΠΎΠ»ΠΎΡΠ½ΠΎΠΉ ΡΠ΅ΡΠΊΠΈ ΠΈΠ»ΠΈ ΠΏΡΠΎΠ·ΡΠ°ΡΠ½ΠΎΠΉ ΠΊΡΡΡΠΈ ΠΈΠ· Π°ΡΠΌΠΎΡΡΠ΅ΡΠΎΡΡΠΎΠΉΠΊΠΎΠ³ΠΎ ΠΏΠΎΠ»ΠΈΠΊΠ°ΡΠ±ΠΎΠ½Π°ΡΠ°.
- ΠΠ°ΡΠΈΠ°Π½ΡΡ ΡΠ°Π·ΠΌΠ΅ΡΠ΅Π½ΠΈΡ Π΄Π²Π΅ΡΠ΅ΠΉ Π΄Π»Ρ Π΄ΠΎΡΡΡΠΏΠ° ΡΠ΅Π»ΠΎΠ²Π΅ΠΊΠ° Π² ΠΊΠΎΠΌΠ½Π°ΡΡ.
- ΠΠΎΠ½ΡΡΡΡΠΊΡΠΈΡ ΠΏΠΎΠ»ΠΊΠΈ ΠΏΠΎΠ·Π²ΠΎΠ»ΡΠ΅Ρ ΠΌΠ°ΠΊΡΠΈΠΌΠ°Π»ΡΠ½ΠΎ ΡΠ²Π΅Π»ΠΈΡΠΈΡΡ Π²Π΅ΡΡΠΈΠΊΠ°Π»ΡΠ½ΠΎΠ΅ ΠΏΡΠΎΡΡΡΠ°Π½ΡΡΠ²ΠΎ Π΄Π»Ρ ΠΊΠΎΡΠ°ΡΡΠΈΡ ΡΠΏΡΠ°ΠΆΠ½Π΅Π½ΠΈΠΉ ΠΈ ΡΠ΄ΠΎΠ²ΠΎΠ»ΡΡΡΠ²ΠΈΡ.
- Π Π΅Π³ΡΠ»ΠΈΡΡΠ΅ΠΌΠ°Ρ Π²ΡΡΠΎΡΠ° catio.(Π Π΅Π³ΡΠ»ΠΈΡΡΠ΅ΠΌΠ°Ρ ΡΠΈΡΠΈΠ½Π° Π΄Π»Ρ ΠΏΠ»Π°Π½ΠΎΠ² ΠΎΠΊΠΎΠ½Π½ΡΡ ΠΊΠΎΡΠΎΠ±ΠΎΠΊ.)
PLUS BONUS ΠΈΠ½ΡΠΎΡΠΌΠ°ΡΠΈΡ Π² ΡΠΎΠΌ ΡΠΈΡΠ»Π΅:
- Π‘ΠΎΠ²Π΅ΡΡ ΠΏΠΎ Π°Π΄Π°ΠΏΡΠ°ΡΠΈΠΈ Π²Π°ΡΠ΅ΠΉ ΠΊΠΎΡΠΊΠΈ ΠΊ ΠΊΠΎΡΠ°ΡΡΠ΅ΠΉ Π΄Π²Π΅ΡΠΈ ΠΈ Π½ΠΎΠ²ΠΎΠΌΡ ΠΌΠ΅ΡΡΡ Π΄Π»Ρ ΠΎΡΠ΄ΡΡ Π°.
- Π‘ΠΎΠ²Π΅ΡΡ ΠΏΠΎ Π²ΡΡΠ°ΡΠΈΠ²Π°Π½ΠΈΡ ΡΠ°ΡΡΠ΅Π½ΠΈΠΉ, Π±Π΅Π·ΠΎΠΏΠ°ΡΠ½ΡΡ Π΄Π»Ρ ΠΊΠΎΡΠ΅ΠΊ, ΠΎΠ±ΠΎΠ³Π°ΡΠ΅Π½ΠΈΡ, ΡΠΊΡΠ°ΡΠ΅Π½ΠΈΡ ΠΈ ΠΌΠ½ΠΎΠ³ΠΎΠΌΡ Π΄ΡΡΠ³ΠΎΠΌΡ!
Π‘ΠΎΠ·Π΄Π°ΡΡ catio Π»Π΅Π³ΠΊΠΎ! ΠΠ΅Π·Π°Π²ΠΈΡΠΈΠΌΠΎ ΠΎΡ ΡΠΎΠ³ΠΎ, ΠΌΠ°Π»Π΅Π½ΡΠΊΠ°Ρ ΠΈ ΠΏΡΠΎΡΡΠ°Ρ Π²Π°ΡΠ° ΠΊΠΎΡΠΊΠ° ΠΈΠ»ΠΈ Π±ΠΎΠ»ΡΡΠ°Ρ ΠΈ ΡΠΎΡΠΊΠΎΡΠ½Π°Ρ, Π²Ρ Π±ΡΠ΄Π΅ΡΠ΅ ΡΠΏΠΎΠΊΠΎΠΉΠ½Ρ, Π·Π½Π°Ρ, ΡΡΠΎ Π²Π°ΡΠ° ΠΊΠΎΡΠΊΠ° Π²ΡΠ΅Π³Π΄Π° Π½Π°Ρ ΠΎΠ΄ΠΈΡΡΡ Π² Π±Π΅Π·ΠΎΠΏΠ°ΡΠ½ΠΎΠΉ ΡΡΠ΅Π΄Π΅, Π½Π°ΡΠ»Π°ΠΆΠ΄Π°ΡΡΡ ΠΏΡΠΈΡΠΎΠ΄ΠΎΠΉ.
Π₯ΠΎΡΠΈΡΠ΅ ΡΠΎΠ·Π΄Π°ΡΡ ΠΏΡΠΎΡΡΠΎ ΠΌΡΠ³ΠΊΡΡ Π»Π΅ΠΆΠ°Π½ΠΊΡ? ΠΡΠΎ Π΄ΡΡΠ³ΠΎΠΉ ΡΠΈΠΏ Π΄ΠΎΠΌΠΎΠ², ΠΊΠΎΡΠΎΡΡΠ΅ Π΄Π΅Π»Π°ΡΡΡΡ Π½Π° ΠΏΠΎΡΡΠ΄ΠΎΠΊ ΠΏΡΠΎΡΠ΅, ΠΏΠΎΠ²Π΅ΡΡΡΠ΅ β ΡΠΈΡΠ°ΠΉΡΠ΅ ΡΡΡ.
Π‘ΠΈΠ½ΡΠ΅ΡΠΈΡΠ΅ΡΠΊΠ°Ρ ΡΠΊΠ°Π½Ρ ΡΠ°Π·ΡΠ΅ΡΠ΅Π½Π°, ΡΠΎΠ»ΡΠΊΠΎ Π΅ΡΠ»ΠΈ ΠΎΠ½Π° Π½Π΅ ΡΠ»Π΅ΠΊΡΡΠΈΠ·ΡΠ΅ΡΡΡ. Π ΠΏΡΠΈΠΌΠ΅ΡΡ, ΡΠ΅Π»ΠΊ Π΄Π»Ρ ΠΎΠ±ΠΈΠ²ΠΊΠΈ Π½Π΅ ΠΏΠΎΠ΄ΠΎΠΉΠ΄Π΅Ρ.