Повесить шкафы на кухне своими руками: Как повесить навесной шкаф на кухне своими руками?
Как ровно повесить шкафы на кухне: лучший способ, высота
Главная » Мебель для кухни
На чтение: 6 минРубрика: Мебель для кухни
Содержание
- Обходные пути
- Выбор саморезов и дюбелей
- Определяемся с высотой
- Этапы установки
Всем привет! Думаю, вы уже догадались, что сегодня речь у нас пойдет о том, как повесить шкафы на кухне и как грамотно подобрать оптимальную высоту их размещения.
Многие справедливо отмечают, что установка кухонных шкафов не так сложное, как довольно кропотливое занятие. Причем основные проблемы возникают именно при монтаже верхних конструкций. В некоторых случаях с ними приходится повозиться. Особенно это касается участков, где проходит газовая труба, либо когда стена идет из гипсокартона.
Плюс очень важно правильно и заранее сделать монтаж не просто ровно, но и на подходящей для основной массы пользователей высоте. К примеру, если у вас маленькие дети, ориентироваться на их рост не нужен. Они вырастут, а вам, как высокому человеку, будет крайне некомфортно использовать мебель при ее низком размещении.
Обходные пути
Для начала рассмотрим некоторые типичные, но осложняющие жизнь установщику ситуации.
Первым делом поговорим про кривые стены. Если вы делаете ремонт основательно, то настоятельно рекомендую хотя бы в месте крепления шкафов выровнять поверхность. Поверьте, это куда проще, чем подбирать крепления, пытаться выровнять сами шкафы за счет вставок, планок и проставок. На этом долго зацикливаться не стану.
Куда более серьезным вопросом считается ситуация, если мешает газовая труба. Фактически у вас есть 3 варианта:
- Выпиливать отверстия и ходы в новой мебели. Не самое разумное решение, поскольку фактически вы портите только что приобретенную мебель;
- Выполнить короб изначально в навесных шкафчиках. Более адекватный вариант, которым многие успешно пользуются;
- Изготовить заднюю фальш стенку. И тогда крепление для навесных шкафчиков будет осуществляться на планку, ушки или на петли, используя фальш-стену.
На каком из них остановиться, решайте сами.
Каждый вариант в принципе имеет право на существование и реализацию в конкретном случае.
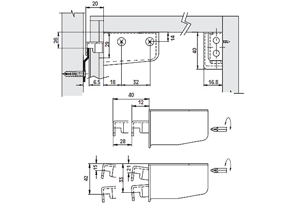
Далее у нас на очереди монтаж шкафчиков на гипсокартон. Как вариант, можно через каждые 10 сантиметров, используя навесную планку, вкрутить так называемую дриву по гипсокартону. Это специальный вид креплений. Метод неплохой, но не идеальный.
Более оптимальным считается использование закладной под гипсокартон. Обычно в качестве закладной используется деревянный брус шириной около 8-10 см. Это точно не позволит промахнуться при установке. Но на смену брусу пришли более практичные и компактные шины (рейки). Установка на монтажную рейку оказалась проще и удобнее. Они лучше удерживают тяжелые предметы, обладают повышенной прочностью несущего элемента. С помощью монтажных реек можно на ушки или специальные крюки от самовыравнивающихся кронштейнов, которые вставляются в образующийся зазор между стеной и рейкой, повесить классический или угловой шкаф.
Монтажные шины или рейки продают длиной по 2 метра, что позволяет их нарезать на нужные размеры своими руками.
Если шкафы легкие, можно использовать лишь верхние крепления. При более тяжеловесных шкафчиках лучше применить 2 линии профилей.
Выбор саморезов и дюбелей
Полки, шкафы и ящики традиционно монтируются с помощью пары, которая состоит из дюбеля и самореза. Саморезом является вид крепления, где есть головка и резьба с острыми гранями, которые при вкручивании самостоятельно нарезают резьбу в дюбеле. Подбор осуществляется в зависимости от того, какая нагрузка предполагается на мебель.
В качестве материалов для саморезов используют нержавеющую и углеродистую сталь, а также латунь. Обязательно обратите внимание на шаг резьбы. Он бывает частым, редким и универсальным. Частый ориентирован на работу с металлическими поверхностями. Редкий подойдет для дерева, пластика и иных мягких материалов. В нашем случае предпочтительнее брать универсальные.
Хотя есть и саморезы для бетона. Они не требуют использования дюбелей. Подобный крепеж не подлежит демонтажу, из-за чего редко применяется.
Еще актуальным остается вопрос о том, на какие дюбеля лучше монтировать шкафчики. Здесь все просто. Ориентируйтесь на диаметр самого самореза. Бывает так, что мастера выбирают дюбель с большим диаметром, нежели саморез. Это распространенная ошибка, из-за которой фиксация оказывается недостаточно прочной. Тяжелые шкафы могут попросту упасть. Также не стоит брать дюбель с меньшим размером, поскольку тогда саморез не сможет вкрутиться в него до конца.
Если боитесь ошибиться, просто покупайте готовый комплект, куда входят соответствующие дюбелям саморезы, и наоборот. Плюс сама мебель обычно имеет нужную комплектацию, в которую входят крепления, уголки, вставки и прочие, предусмотренные конструктивными особенностями мебели, элементы.
Определяемся с высотой
Почему-то на многих видео об этом не говорится, но по факту выбор высоты является первым и важнейшим шагом на пути к правильной установке кухонных шкафов.
Специалисты советуют собрать шкафчики, сделать их точные замеры.
Не полагайтесь на характеристики в инструкциях и на упаковке. Лучше все проверить самому, после чего, учитывая размеры каждого кухонного модуля, нанести на стены разметку. Это особенно важно в местах, где проходит газовая труба, вентиляция и прочие коммуникации.
Высоту лучше подбирать опытным путем, учитывая то, какая ориентация у модулей — вертикальная или горизонтальная, как располагаются внутренние полки и какой рост у пользователей. Оптимально делать так, чтобы взрослый член семьи мог без использования табуретки достать до верхних ячеек. Хотя в случае с маленькими и тесными кухнями это правило можно не применять.
Если вы не знаете, как подобрать высоту по росту, ориентируйтесь по следующей схеме:
- При росте от 155 до 160 см шкафы устанавливают на высоте 175 мм от уровня пола;
- Если рост варьируется от 160 до 175 мм, тогда выбирают высоту в 185 мм;
- Рост от 175 до 190 предполагает установку на высоте 2 метров.
Помимо этого, не забывайте про оптимальное расстояние между шкафом и столешницей.
Наиболее приемлемым считается 60 см. Но есть определенный минимум, нарушать который не рекомендуется. Он составляет 45 мм.
Этапы установки
В зависимости от того, какие материалы используются, какие применяются крепления, особенности самой мебели, материал стен и прочие нюансы, процедура может несколько отличаться.
Хотя в основном все сводится к выполнению таких действий для ровной установки кухонных шкафов:
- по горизонтальной линии, используя уровень, нанести точку под первое крепление и сделать отверстие;
- в отверстие вбить дюбель, закрутить саморез или анкер;
- закрепить на шкафчиках мебельные петли;
- сделать примерку шкафчика относительно выполненного крепления;
- выровнять по горизонтали, используя уровень, и нанести метку под второе отверстие;
- поэтапно установить все мебельные модули.
Наличие уровня существенно упрощает решение вопроса о максимально ровной и правильной установке. Потому не пожалейте денег на это приспособление, и включите его в список инструментов для сборки мебели.
На этом, думаю, можно заканчивать.
Всем спасибо за внимание! Подписывайтесь, оставляйте свои комментарии и задавайте актуальные вопросы!
Ваша оценка очень важна!
( 4 оценки, среднее 4 из 5 )
Поделиться с друзьями
Как сделать кухонный шкаф своими руками — настенный или напольный
Изготовить кухонный шкаф своими руками – непростая задача. Но конечный результат того стоит.
Кухня должна быть не только эргономичной, но и комфортной.Самостоятельное изготовление гарнитуры хороший вариант для тех, у кого кухня нестандартного размера или необычной планировки. В таких случаях представленный в магазинах ассортимент не всегда подходит по размерам или цвету. Изготавливать на заказ дорого, а сделать самому не так уж и сложно, если учесть некоторые нюансы.
- Расчет размеров шкафа для кухни
- Подготовка инструментов и материалов
- Инструкция по сборке шкафа своими руками
- Настенного
- Напольного
- Установка шкафа на кухне
- Видео: как сделать кухонный гарнитур своими руками
- Фото 50 вариантов дизайна самодельных кухонных гарнитуров
Расчет размеров шкафа для кухни
Собственноручно можно смастерить маленький компактный шкафчик и целый комплект кухонной мебели, где поместиться все, что необходимо на кухне.
Сделать его не так сложно, как кажется на первый взгляд.Для изготовления комплекта состоящего из нескольких шкафов потребуется составление подробного плана кухни.
На нем необходимо отметить расположение мойки, плитки, вытяжной конструкции, счетчика, всех имеющихся труб и розеток. Посредством этого плана будет легко определить, как рациональнее расположить будущий шкафчик или несколько. Обязательно отмечаются размеры всех конструкций, чтобы понимать возможные габариты.
Если кухонный комплект уже давно размещен и появилась нужда в нескольких дополнительных шкафчиках, то замеры должны быть намного точнее, чем при изготовлении полноценного комплекта. Если нет желания самостоятельно чертить на бумаге, можно воспользоваться любой программой для расчетов и чертежа в интернете.
Кухонный шкаф для кухни своими руками сделать не так уж и сложно.Составляя будущую планировку, важно убедиться, что размеры соответствуют действительности, и шкаф идеально впишется. Расчет размеров предостерегает от ошибок. Ведь если шкафчик хорошо войдет, то это еще не значит, что дверца у него будет открываться без проблем.
Поэтому за этим моментом тоже необходимо проследить.
Подготовка инструментов и материалов
Материалов, из которых можно изготовить шкафчики много.
ДСП. Это самый популярный и не затратный вариант. ДСП влагостойкая и прочная. Имеются варианты повышенной плотности. Для более долгой эксплуатации материал отделывают натуральным шпоном.
Это самые экономичные материалы, которые имеют вполне достойный внешний вид.Мелкодисперсная фракция. МДФ – это плотно спрессованная древесная пыль. Материал более гибкий, чем ДСП. Устойчив к воздействиям влаги. Выполняется в глянцевом, матовом или окрашенном варианте.
Расцветка данных материалов имеет широкий выбор, что позволит подобрать их под любой интерьер.Мультиплекс. Материал отличается многослойностью и влагостойкостью. Хорошо поддается деформации при изготовлении. Поэтому не возникнет проблем, если задумана необычная форма шкафа.
Если опыт в изготовлении мебели есть, то из данного материала можно построить красивую добротную мебель.
Дополнительные материалы и инструменты:
- Петли или специальный механизм с фиксаторами.
- Уголки (для подвесных моделей).
- Приспособления для стяжки деталей.
- Направляющие для выдвижения ящиков.
- Держатели для полок.
- Необходимая фурнитура.
- Электрический лобзик.
- Специальный утюг.
- Дрель.
- Шуруповерт.
- Фрезерная машина.
Инструкция по сборке шкафа своими руками
Шкафы для кухни бывают двух видов и способ сборки у них различается.
Фасады для кухни легче всего приобрести готовые. Они бывают совершенно разных размеров, цветов, фактур, форм.Настенного
Сборка навесного шкафа очень простая и не вызовет трудностей даже у новичков.
- Закрепить боковую стенку со штифтовым отверстием. Происходит это на внутренней стороне полок, которые регулируются. Сверлятся отверстия лицевых рамок.
- Сверху закрепляется задняя опорная вставка. Шкаф вешается на стену и прикручивается.

- Заднюю часть нельзя использовать для подвешивания. Лучше применять гвозди или клей.
- Вверху и внизу крепится передняя рамка вровень с остальными деталями.
- Установка полок и дверцы.
Напольного
Напольный шкаф тоже собирается просто, но есть несколько своих нюансов, которые стоит учесть:
- Подготавливаются отверстия. Крепления крестообразной формы крепятся на боковые доски. Сделать это можно саморезами.
- Если шкафы выдвижные, то к боковым стенкам приделываются рельсы.
- Деревянные дюбели размещаются во всех сквозных отверстиях. Так проходит начальный этап крепежа. Лучше проделать это с помощью клея. Дюбель вставляется в первое отверстие, а второе помещается на конец, затем все сжимается.
- Проверка ровности соединения деталей.
- Шестигранным шурупом окончательно соединяются две детали. Для эстетики можно применить пластмассовую заглушку.
- Если шкаф будет стоять на ножках, то самое время их прикрутить.

- Крепятся полочки и дверца.
Установка шкафа на кухне
Как сделать кухонный шкаф своими руками разобрались. Что делать с установкой, как начать и чем закончить.
Изучение того, как устанавливать кухонные шкафы, может показаться пугающим, но методы действительно очень простые.Шкафчики на кухне могут устанавливаться в любом порядке. Начиная от нижних к верхним, и наоборот. Важно лишь место установки. Работу всегда начинают от угла, то есть сбоку. Если это комплект, то ровность установки самого первого определяет ровность всех остальных деталей.
Основная задача – найти лучшую отправную точку и сохранить все уровни.Высота, на которую поднимаются шкафчики, зависит от роста будущих хозяев. Стандартный вариант – немного больше 40-45 сантиметров от столешницы, если это настенный вариант.
Для более удобной и практичной установки можно наметить на стене линии, то есть обрисовать контур шкафа.
Для этого пригодится пузырьковый или водяной уровень.
Задача по установке может показаться сложной, но если разобраться, то с ней легко справится любой. Разместить шкафы на одном уровне, так чтобы их боковые стенки были вертикально, а нижние горизонтально, поможет внимательность и ловкость рук. При осторожном монтаже трудностей возникнуть не должно.
Для выполнения работы понадобится всего лишь несколько базовых инструментов.Для большей надежности конструкции шкафчики можно дополнительно скрепить между собой. Есть два способа как это сделать. Первый – основная установка, крепеж. Второй – сначала крепеж с другими, а потом основная установка. Повесить шкафчики в одиночку непросто, поэтому лучше попросить у кого-то помощи.
На представленных пошаговых фото показаны ключевые моменты, как установить кухонные шкафы простым и доступным способом.Между собой шкафы можно скрепить межсекционными стяжками.
Они выпускаются разных размеров, диаметров, длины и толщины. Важно учитывать, что для одной стенки понадобится около 2-х стяжек, а то и больше. Ставятся они близко к петлям, это может быть ниже или выше. Шкафы выставляются на одном уровне и скрепляются.
Если вырезать детали получится у каждого, то с установкой справятся не многие. Главное проявлять аккуратность и проверять каждое действие на точность. Так шанс избежать ошибок возрастает и конечный результат точно порадует.
Видео: как сделать кухонный гарнитур своими руками
Фото 50 вариантов дизайна самодельных кухонных гарнитуров
Как установить шкафы как профессионал — Семейный мастер на все руки
Советы по успешной установке шкафов.
Узнайте, как повесить кухонные настенные шкафы и установить островные шкафы с помощью этих профессиональных советов.1 / 18
Семейный мастер на все руки
Сначала сделайте разметку на стене
Хорошая установка шкафа начинается с правильной планировки. Измерьте от самой высокой точки пола и проведите ровную линию, отмечающую верхнюю часть базовых шкафов. Измерьте до 19-1/2 дюйма от этой линии и нарисуйте еще одну линию для нижней части верхних шкафов. Отметьте расположение кухонных настенных шкафов и техники на стене. Нарисуйте вертикальную линию, чтобы выровнять край первого устанавливаемого шкафа. Наконец, отметьте места для стоек, когда вы начнете установку кухонных шкафов.
2 / 18
Семейный мастер на все руки
Разместите первый шкаф
Установите первый шкаф на расстоянии 1/4 дюйма от линии позиционирования и подкладывайте основание, пока верхняя часть не сравняется с горизонтальной линией и не выровняется спереди назад.
Привод 2-1/2 дюйма. винты через заднюю часть в шпильки стены, чтобы закрепить его.
3 / 18
Семейный мастер на все руки
Удаление дверец шкафа и ящиков
Мы все видели работы по покраске, в которых петли и фурнитура покрыты краской, а краска разливается по внутренней части ящиков. Заманчиво оставить двери на месте для покраски, когда вы начинаете свой проект по покраске кухонных шкафов, но вы получите гораздо более аккуратную и профессиональную работу, сняв их, а также все оборудование. Во многих современных шкафах передние панели ящиков можно снять, открутив несколько винтов. Но если фасады вашего ящика являются частью ящика и не могут быть удалены, используйте малярную ленту, чтобы закрыть боковые стороны и дно ящика, если вы не хотите их красить.
4 / 18
Семейный мастер на все руки
Подкладка под большие дуги
В большинстве случаев вы можете подкладывать шкафы по ходу дела, но если в стене есть крайняя дуга (более 3/8 дюйма), уберите ее перед тем, как повесить шкаф.
Если вы этого не сделаете, вы можете случайно оторвать заднюю стенку от шкафа, прикрепляя ее на место. Держите уровень по стене и сдвиньте прокладку снизу вверх (входите сверху, когда делаете верхнюю сторону), пока она не станет плотной. Затем приколите или закрепите его скотчем.
5 / 18
Семейный мастер на все руки
Начните с верхних шкафов
Легче повесить верхние шкафы, если вы не висите над нижними шкафами. Чтобы начать установку верхних шкафов, положите верхние части на доску для бухгалтерских книг — это обеспечит хорошее прямое выравнивание и избавит от необходимости удерживать шкафы на месте во время их прикручивания к стене. После того, как ваши верхние шкафы установлены, перейдите к нижним кухонным шкафам.
6 / 18
Семейный мастер на все руки
Зажмите, просверлите и закрепите
При соединении двух шкафов друг с другом выровняйте лицевые рамы и зажмите их вместе.
На этом этапе оба шкафа должны быть прикреплены к стене, но вам, возможно, придется ослабить один или другой шкаф, чтобы рамы идеально выровнялись. Зажимы с ручным винтом не изгибаются, а меньшее изгибание означает более жесткий захват. Предварительно просверлите 1/8 дюйма. отверстие перед свинчиванием их вместе с 2-1 / 2-дюймовым. винт. Выберите менее заметный шкаф из двух для сверления и размещения головки винта.
7 / 18
Семейный мастер на все руки
Использование деревянного бруска для разметки
Еще один шаг в установке шкафов – найти наибольшее расстояние между внешней стороной шкафа и стеной. Снимите это измерение и сделайте отметку карандашом на полосе наполнителя (в этом случае измерьте справа налево). Закрепите наполнитель на шкафу заподлицо с внутренней стороной вертикальной направляющей. Измерьте расстояние от стены до отметки карандашом и сделайте брусок такого размера. Используйте свой блок, чтобы провести карандашом линию вниз по полосе наполнителя.
8 / 18
Семейный мастер на все руки
Используйте качественные винты для крепления к шкафу
Многие ведущие производители шкафов предпочитают винты с потайной головкой R4 от GRK в качестве крепежных винтов для шкафов. Вы заплатите соответственно, но зачем экономить на винтах, если вы тратите тысячи долларов на шкафы? Что бы вы ни делали, не используйте шурупы для гипсокартона — они просто оторвутся, и у вас останется лишнее отверстие. Узнайте больше о винтах R4 на сайте grkfasteners.com.
9 / 18
Семейный мастер на все руки
Закрепите заднюю стенку, затем подложите прокладку
Выровняйте нижние шкафы по линии уровня на стене. Прикрепите заднюю часть шкафов к этой линии. Когда задние стенки шкафов выровнены, используйте прокладки, чтобы выровнять стороны.
10 / 18
Семейный мастер на все руки
Измерьте зазор
Измерьте зазор между стеной и торцевыми шкафами сверху и снизу. Добавьте 1/16 дюйма к каждому измерению и нарисуйте линию разреза на обратной стороне полосы наполнителя.
11 / 18
Семейный мастер на все руки
Отрежьте полоску наполнителя
Зажмите полосу наполнителя и обрежьте ее под углом 10 градусов с задней стороны так, чтобы широкий край «держателя» был обращен вперед.
12 / 18
Семейный мастер на все руки
Подгонка и установка наполнителя
Проведите пробную установку наполнителя и выровняйте острую кромку скоса до идеальной посадки. Установите планку на место, предварительно просверлите и прикрутите ее к каркасу шкафа.
13 / 18
Используйте 2×2 для крепления шкафов к полу для установки кухонного острова
Шкафы, образующие острова и полуострова, необходимо прикрепить к полу.
Соедините островные шкафы и установите их на место. Чтобы начать установку кухонного острова, сначала обведите контуры шкафов на полу. Прикрутите 2×2 к полу на 1/2 дюйма с внутренней стороны линии, чтобы учесть толщину шкафов. Прикрепите островные шкафы к 2×2 винтами. При необходимости поместите напольные блоки под 2x2s.
14 / 18
Семейный мастер на все руки
Поднимите шкафы для пола
Если кухонный пол будет из твердой древесины или плитки, и вы устанавливаете его после шкафов, вам придется поднять шкафы над полом, иначе посудомоечная машина не поместится под столешница. Используйте блоки, чтобы представить высоту пола в готовом виде, и добавьте эти расстояния к направляющей линии для верхних частей шкафов. Держите блоки немного назад спереди, чтобы пол мог подвернуться под ними. Парни из вашего пола будут любить вас за это.
15 / 18
Семейный мастер на все руки
Вырезание отверстий большого размера
Вырезание отверстий точного размера для водопроводных и водосточных труб может произвести впечатление на вашего супруга или клиента, но такая точность, скорее всего, приведет к ненужной головной боли для вас.
Вырезание отверстий большего размера облегчает установку шкафа на место и обеспечивает пространство для маневра для незначительных регулировок. Никто не заметит огромные отверстия, как только шкаф будет заполнен средством для мытья посуды, моющими средствами и мусорными баками.
16 / 18
Семейный мастер на все руки
Используйте дверной поручень в качестве направляющей
Расположение ручек и ручек не высечено на камне, но существуют некоторые стандартные методы. Одно хорошее эмпирическое правило — совместить ручку с верхней частью нижней направляющей двери. Если вы устанавливаете дверные ручки, совместите нижнюю часть ручки с верхней частью дверной рейки. Всегда центрируйте их на дверной стойке.
17 / 18
Семейный мастер на все руки
Временное крепление фурнитуры
Если вы не уверены в том, где должны быть установлены ручки и ручки, приклейте к фурнитуре многоразовый пластырь и попробуйте разные места.
Отметьте понравившийся карандашом и соответственно установите остальную фурнитуру. Многоразовый клей можно приобрести в магазинах скобяных изделий и товаров для творчества.
18 / 18
Изготовление шкафов по индивидуальному заказу
Вы когда-нибудь мечтали сделать своими руками традиционные кухонные шкафы из массива дерева и шпона? Присоединяйтесь к Стиву Максвеллу в разделе «Как построить кухонные шкафы», чтобы узнать, как спланировать, построить и установить кухонные шкафы на заказ.
Первоначально опубликовано: 24 апреля 2019 г.
Как установить кухонные шкафы как профессионал
Фото: istockphoto.com
Научиться устанавливать кухонные шкафы не так сложно, как может показаться. Наиболее важной частью установки является выполнение соответствующих и точных измерений до и во время установки шкафа, чтобы убедиться, что нижние кухонные шкафы выровнены и выровнены с настенными кухонными шкафами. Одно неправильное измерение может повлиять на весь проект.
Благодаря обновленным шкафам, которые улучшают внешний вид кухни, комната становится более привлекательной. Внезапно мыть посуду или готовить ужин не так уж и сложно, и это скорее яркое пятно в течение дня.
Читайте дальше, чтобы узнать, как профессионально установить кухонные шкафы, с помощью этих четких и подробных инструкций по установке кухонных шкафов.
Инструменты и материалы- Уровень
- Рулетка
- Карандаш
- Меловая линия
- Основа
- ВИНТЫ
- См. Полный список «
- Стадец
- Стопсец
- полосы наполнителя
- . Мало того, что вы можете повредить мышцы, пытаясь поднять, удерживать и уравновесить шкафы, пытаясь закрепить их на стене, вы также можете получить травму, если шкафы упадут или рухнут на вас.
Рекомендуется, чтобы по крайней мере еще один человек помогал поддерживать вес каждого шкафа, пока вы крепите их к стене.
СВЯЗАННЫЕ: 6 вещей, которые нужно знать перед покупкой кухонных шкафов
ШАГ 1: Отметьте линию уровня на 34,5 дюйма выше самой высокой точки на полу, чтобы обозначить верхнюю часть базовых шкафов.
Фото: istockphoto.com
Чтобы убедиться, что шкафы будут правильно выровнены и выровнены, необходимо начать процесс установки с проверки ровности и вертикальности стен. Отвес — это термин, используемый для обозначения вертикального уровня. Поместите 4-футовый уровень у стены, проверяя различные участки области установки. Запишите любые провалы или углы, которые, возможно, необходимо будет скорректировать.
Найдите самую высокую точку на полу, отметив линию уровня для справки на стене мелом или карандашом, затем измерьте расстояние от линии до пола в нескольких местах. Самая высокая точка пола будет иметь кратчайшее расстояние между полом и вашей контрольной линией.
При работе со шкафами стандартного размера отмерьте 34,5 дюйма от самой высокой точки пола и отметьте линию уровня, которая будет служить линией компоновки верхней части нижних шкафов. Дважды проверьте, чтобы линия была абсолютно прямой и ровной, прежде чем переходить к следующему измерению.

Если вы устанавливаете шкафы над нижними шкафами, то следующим шагом будет разметка контрольной линии для нижней части верхних шкафов. Стандартное расстояние составляет 19,5 дюймов по вертикали от линии основного шкафа. Отметьте ровную горизонтальную линию, чтобы обозначить нижнюю часть верхних шкафов.
Рекомендуется установить временную доску для бухгалтерского учета или несколько планок — узких кусков дерева или металла, используемых для поддержки шкафов, рам и другого настенного декора — чуть ниже 19,5-дюймовой линии, чтобы шкафы могли опираться на них во время работы. вы их монтируете. Этот шаг полезен для всех, кто берется за этот проект, но он необходим, если вы пытаетесь повесить шкафы без второго человека.
Бухгалтерская доска или планки должны быть просверлены в шпильках под линией компоновки верхних шкафов. Используйте искатель стержней, чтобы найти стержни за стеной, затем просверлите 2-дюймовые винты через планку или гроссбух, чтобы прикрепить его к стержням.
ШАГ 3: Найдите стойки в стене и отметьте их отвесными линиями.
Рекомендуется установить планку для каждого устанавливаемого шкафа, чтобы каждый шкаф имел индивидуальную опору во время работы.Фото: istockphoto.com
Если вы устанавливали планки для верхних шкафов, то вы уже должны знать, где расположены настенные стойки. Однако, если вы не предприняли этот шаг, используйте искатель стержней, чтобы найти стержни в стене и отметить место карандашом. Кроме того, воспользуйтесь этой возможностью, чтобы добавить любую маркировку для приборов или приспособлений, которые необходимо будет установить после шкафов, таких как холодильник.
В идеале вы сможете установить шкафы между двумя или более стойками для обеспечения достаточной поддержки, но если устанавливаемый шкаф не покрывает расстояние между двумя стойками, вы можете использовать горизонтальную металлическую пластину с толщиной 2 миллиметра и шириной 100 миллиметров (3,9дюймы).
Установите металлическую пластину между двумя шпильками в верхней части верхней компоновки шкафа и прикрепите шкаф к металлической пластине с помощью саморезов.
ШАГ 4: Соедините все верхние шкафы и установите их на стену.
Установите вторую металлическую пластину между двумя стойками в нижней части верхней компоновки шкафа. Каждый настенный блок необходимо прикрепить к металлическим пластинам двумя винтами вверху и двумя винтами внизу.Перед установкой верхних шкафов рекомендуется снять дверцы, чтобы не беспокоиться о том, что они откроются или закроются во время работы. После того, как двери сняты и помещены в безопасное место, выровняйте верхние шкафы на полу и закрепите их вместе с помощью храповика или винтовых зажимов. Используйте дрель, чтобы сделать направляющие отверстия в задней части шкафов так, чтобы они совпадали со шпильками, убедившись, что отверстия достаточно велики для 2-дюймовых винтов.
Скрепите верхние шкафы вместе, ввернув винты в верх и низ зажатых рам, затем поднимите соединенные шкафы на планки, чтобы выдержать вес, и убедитесь, что шкафы находятся в правильном положении. После того, как шкафы правильно выровнены в соответствии с вашими размерами и желаемой планировкой, вверните винты через заднюю часть шкафов в настенные шпильки, закрепив шкафы сверху и снизу.

После того, как верхние шкафы будут прикреплены к стене, вы можете снять скобы и осмотреть шкафы. Убедитесь, что шкафы стоят ровно вдоль стен, и добавьте деревянные прокладки там, где есть зазоры, чтобы шкафы были на одном уровне и были ровными.
СВЯЗАННЫЙ: Должен ли я красить кухонные шкафы? Когда можно, а когда нельзя
ШАГ 5. Сначала установите торцевой нижний шкаф.Фото: istockphoto.com
Нижние шкафы легче установить, чем верхние шкафы, потому что там меньше риск получения травмы, но вам все равно необходимо убедиться, что шкафы выровнены и правильно выровнены для достижения наилучших результатов. Выберите крайний базовый шкаф, чтобы начать установку. Расположите этот шкаф в соответствии с запланированной компоновкой, затем используйте уровень, чтобы определить, ровно ли он стоит, или вам нужно будет использовать одну или несколько прокладок, чтобы выровнять шкаф.
Придвиньте шкаф вплотную к стене и положите на него уровень.
ШАГ 6: Установите соседние базовые шкафы один за другим.
Если шкаф не выровнен, используйте деревянные прокладки под шкафом или в пространстве между стеной и шкафом, чтобы первый шкаф был идеально выровнен. Просверлите винты через заднюю часть шкафа и в настенные шпильки, закрепив шкаф сверху и снизу, чтобы предотвратить смещение или скольжение.После установки первого базового шкафа установить остальные обычно достаточно просто. Выровняйте каждый дополнительный шкаф, убедившись, что они выровнены, прежде чем сверлить шурупы через заднюю часть и в стойки стены. Соедините шкафы друг с другом с помощью 2-дюймовых винтов в верхней и нижней части шкафа, чтобы предотвратить образование зазоров между отдельными шкафными модулями.
Работайте медленно и усердно, часто проверяя шкафы, чтобы убедиться, что они выровнены. Добавьте прокладки под шкафы или между шкафами и стеной, чтобы добиться ровной и ровной установки. Имейте в виду, что вам нужно будет сделать вырезы в задней части шкафов, если какие-либо водопроводные или электрические линии должны проходить в шкаф для подключения раковины, посудомоечной машины или мусоропровода.
ШАГ 7: Установите накладки и отделку шкафа..jpg)
Фото: amazon.com
Установив верхний и нижний шкафы, можно приступать к завершающим штрихам установки. Заполнители можно использовать вокруг задней и боковых сторон шкафов, чтобы заполнить любые зазоры, которые могут быть заметны после установки. Эти полосы также очень полезны для зазоров между шкафами и любыми приборами, такими как плиты или холодильники.
Облицовка шкафа также может использоваться вокруг задней и боковых сторон шкафов, но ее также следует использовать для закрытия небольшого зазора между основанием шкафов и полом. Некоторые продукты, подобные этой опции, доступные на Amazon, являются самоклеящимися, поэтому вам просто нужно снять подложку и наклеить их на зазор, но другие продукты, возможно, потребуется закрепить небольшими застежками.
ШАГ 8: Замените дверцы шкафа и ящики, внося необходимые коррективы.К этому моменту у вас должны быть полностью установлены верхние и нижние шкафы, ровные, ровные и без зазоров.
Сюда входят зазоры между шкафами, зазоры между шкафами и полом, а также любые зазоры между шкафами и стеной.Установите дверцы шкафа на место и проверьте, правильно ли они открываются и закрываются, не перекрываются и не имеют слишком большого расстояния между дверцами, когда они закрыты. Используйте уровень, чтобы убедиться, что дверцы шкафа ровные. Если шкафы стоят неровно, снимите и отрегулируйте петли, чтобы выровнять двери. Наконец, установите ящики на предназначенные для этого направляющие и задвиньте их на место.
СВЯЗАННЫЕ С: 7 вещей, которые нужно знать при покраске кухонных шкафов
Заключительные мыслиФото: istockphoto.com завершено DIYer. Тем не менее, всегда важно ставить безопасность на первое место, когда вы беретесь за проект ремонта дома. Обязательно наденьте соответствующие средства индивидуальной защиты, в том числе перчатки, защитные очки и обувь со стальными носками, чтобы ваши ноги не были раздавлены падающим шкафом.
